Fórum témák
» Több friss téma |
Köszönöm a magyarázatot így minden tisztább. Ne haragudj, de ezzel én csak hobbi szinten foglalkozom ezért nem értettem.
Egyébként mértem újra és most 0.1-0.4V között ugrált a feszültség (bedugva). Szkóp az sajnos nem megoldható mert nekem nincs és az ismerősi körömben sincs senkinek szóval marad a cserélgetés. Egyébként ez lehet magyarázat arra amit régen produkált (várni kellett vele kb. 2 percet mire be lehetett kapcsolni)? Ja és érdemes lenne (ha már azt a két kondenzátort cserélem) akkor a bekarikázott, feketés részen lévő alkatrészeknek a cseréje is? A hozzászólás módosítva: Szept 1, 2016
Egyelőre induljon el. Elképzelhető, hogy a két kondi közül valamelyik idővel elvesztette a kapacitását. Akassz rájuk egy-egy hasonló értékűt próbára, akár bontott is lehet, ha jók.
Sziasztok
Egy sony hifinek a tuner részével van egy kis bajon, érdekes zúgást csinál. Nem tudom hogy ez most belső hiba vagy valami elektromos készülék által gerjesztett zaj. Ha hátul mozgatom a csatlakozóknál hol halkabban zúg hol erősebben. Video a hibáról
Szia.
Ez egy belső órajel, illetve annak zaja. Állomáskereséskor némít a tuner, viszont ez akkor is hallható, úgyhogy ez valószínűleg testelési probléma, vagy tápfeszültség-szűretlenség. Ha a tuner az erősítőből kapja a tápellátást, akkor a hátlapi többeres csatlakozók lábainak forrasztásainál néznék szét először, utána pedig az erősítőben a tápegységnél, ha pedig saját belső tápegysége van, akkor először ott, illetve a panel testeléseinél (csavarok). A hátlapi csatlakozók forrasztásait és testeléseit mindenképpen ellenőrizd. A hozzászólás módosítva: Szept 1, 2016
Köszi szépen, sokat segített a válaszod hogy merre induljak el.
Végre sikerült ezt a régóta zavaró hibát megszüntetni. Igen a hifiről kapja az áramot főleg azt a csatlakozót mozgatva erősödött a zúgás, mindkettőn van egy villámhárító jellel ellátott csavar azt össze kötöttem, úgy nem volt jó, de mikor a tuner egyik csavarjához érintettem teljesen megszűnt a zúgás. Van még olyan baja, hogy az automata állomáskereső nem talál meg semmit, de gondolom az már bonyolultabb művelet lenne. Idézet: „Van még olyan baja, hogy az automata állomáskereső nem talál meg semmit, de gondolom az már bonyolultabb művelet lenne.” És ha kézzel hangolod, akkor pontosan a helyükön vannak az állomások (100kHz többszörösein)? A pontos frekire hangolásnál jó a vétel, sztereo jelzés kigyullad sztereo adásnál?
A helyükön vannak az állomások, de nincs stereo még a közeli (15km) Kecskeméti Gong rádiónál se.
Igaz nincs rendes antenna csak egy koax kábel kimegy a falon kívülre aminek a két végére egy 70cm körüli sodrot rész vezeték van vízszintesen kifeszítve, de a Gong rádiónak elég lenne pedig egy drót darab is.
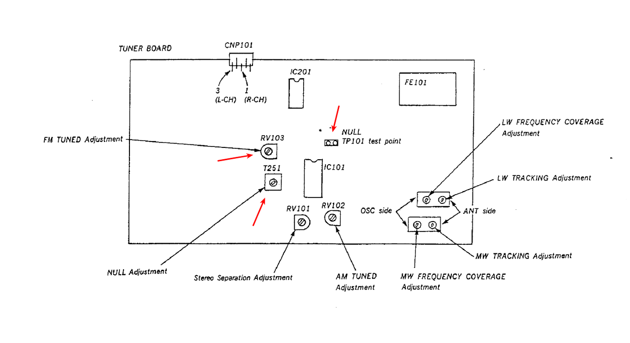
Ha állomáson állva kézi hangolással lefelé vagy felfelé egy lépéssel (50kHz) félrehangolod, akkor sem villan be a sztereo? Gyanús, hogy az FM demodulátor van elhangolódva, az szokott ilyen gondokat okozni. Tuner típusát meg tudod adni?
A hozzászólás módosítva: Szept 3, 2016
Ha a videó melletti ST-D50L a típus, akkor a mellékelt képeken látható, hogy az FM demodulátort hogy kell beállítani. A mérőponton ellenőrizd pontosan adóra hangolt vételnél a nullát, valószínűleg el lesz billenve. A beállítást elvileg szignálgenerátorral kellene csinálni 98MHz-en, de ha jól látom, akkor a Gong Kecskeméten 96.5-ön sugároz, ez tökéletes lesz, ha egyébként jó minőségben fogható nálatok (értelemszerűen a tunert az utasítás 1. pontjaiban nem 98-ra, hanem 96.5-re kell hangolni).
Ha állítani kell, akkor a tekercs vasmagjához óvatosan nyúlj, könnyen törik! A legjobb az lenne, ha valamilyen műanyag eszközzel tudnád megmozdítani, de ha csak fém van, akkor úgy kell csinálni, hogy a hangoló szerszám eltávolítása után maradjon a nulla a mérőponton. A hozzászólás módosítva: Szept 3, 2016
Nagyon szépen köszönöm a segítséged nélküled nem ment volna!
Sikerült elindítani. Azonnal indul ahogy bedugom, felvillan a Standby és már lehet is bekapcsolni. Kipróbáltam AUX-on, olyan szépen szól ahogy régen. Kicseréltem a két kondit amit mondtál meglepetésemre az egyik 4.7µF-os volt pedig a javítási könyvében 10µF/50V szerepelt. Na mindegy lényeg, hogy jó így. ![]() A Jog részét megolajozom (műszerolajjal) mert nagyon akadozik és szorul is néha (spéci zsírom sajnos nincs) utána újra pasztázom az egyenirányító hidakat, feszültségszabályozót és az erősítő IC-t is. Ezeket nem fölösleges megcsinálni ugye? Gondolom hamarosan nem ártana átkondizni se (a mostani hibája is csak ezt erősíti) az egészet mert 16 éves és volt használva mindig. Van-e értelme ennek vagy várjak ameddig nem jön ki valami más hibája? A hozzászólás módosítva: Szept 3, 2016
Nincs mit, sokat segítettél a hibakeresésben.
![]() Szerencsére, nem volt bonyolult hiba... ![]() Sem a újrapasztázás, sem a kondi cserék nem feleslegesek, ha van rá időd, csináld meg. Sajnos, Samiéknál új korukban is hullottak az elkók, tipikusan a kék színű 10 és 100µF -os kondik szerettek bezárlatosodni egyes hifi torony szériáknál, úgyhogy nem árt egy átkondizás. Csk arra vigyázz, hogy közben nehogy összeforrassz, összefolyass valamit, mert akkor lehet, hogy sosem találjuk meg a hibáját.
Az a baj hogy nem értek hozzá, és műszerem sincs.
De azért belenéztem tekergettem az RV103-at nem halottam közben semmi változást. A t251 teteje műanyag azt lehet csavarhúzóval állítani, mikor kifelé tekertem elkezdett halkulni az adás, vissza felé tekerésénél hallani is lehetett hogy átvált stereo-ra meg felvillant a jelzés is. De ahogy elvettem a kezem a tuner közeléből, vagy megmozdítottam megint elment és hiába állítgattam nem sikerült újra beállítani.
Egyenlőre csak újrapasztáztam (egyből nem olyan meleg hátul a bordája vagyis inkább egyenletesen langyos, jobban elvezeti a hőt). A kondicserét későbbre halasztom majd ha lesz több időm és energiám.
Rászántam a vasárnapomat és kitakarítottam kívül-belül, megolajoztam itt-ott. Ezt a sínen mozgó "jog" részt amikor szétszedtem rájöttem, hogy nem megszorul hanem egyszerűen elöregedett az ékszíj ami a motort és egy kis fogaskerekes tárcsát hajt meg. Tettem a helyére befőttes gumit mert mást nem találtam itthon utána megolajoztam a síneket. Így csendesebb is lett ahogy megy és nem kell rásegíteni kézzel. Kipucoltam kívül-belül mindenhol. Most csillog-villog és szól mint régen. Köszönöm minden segítségedet, további szép napot!
Örülök, hogy jó lett.
Viszont!
Sziasztok,
Egyik ismerősöm kérésére szeretnék feltámasztani egy Technics SA-EH780-as típusú Hi-Fi-t. Jelenleg annyit csinál, hogy bekapcsol és utána egy rövid ideig van olyan csatorna amin a hangszóró erősen búg majd elcsendesedik de van olyan csatorna ami teljesen hangtalan bekapcsoláskor is. Egyéb hangot nem sikerült kihozni belőle. A végfog RSN311W64B típusú és a bemeneteknél mérve a tápfeszültségek rendben vannak, de a megtalált szervizdoksiban található rajzhoz képest az 5-ös és a 8-as lábon nem 0V-ot mérek hanem 0.54V, a többi lábon ahol elméletileg 0V-ot kellene mérni ott valóban az is mérhető. A panelon sehol nem található hibára utaló elszíneződés vagy szétégett, elfüstölt alkatrész. Lehetséges, hogy a végfok adta meg magát?
Le kellene először ellenőrizni az összes tápfeszültséget. A service manual az elektro tanyáról letölthető, gondolom, már megvan, mert méricskélsz. Nem sok ilyet javítottam, de a búgás a hangszóróban valami zárlatra utalhat. Talán végfok, de lehet, hogy tápegység, vagy valami tápfeszültséggel kapcsolatos dolog, például amikor hozzám hoztak ilyet, egy ilyen zéner diódás-tranzisztoros stabilizátor volt zárlatos benne, amiből első ránézésre is már kettőt találtam a Technics rajzán. Jól teszed, ha az összes a készülékben látható zénert leellenőrzöd ellenállásmérővel, nem tart sokáig, és ha az a hiba, akkor gyorsan megvan, ha nem, akkor még keresgélhetsz.
Szia,
A service manual már meg va, valóban a tanyáról töltöttem le. Hétvégén még egyszer átmérem a tápot valamint a zénereket is.
Azzal, hogy nekem majdnem mindig ilyenem volt, nem jelenti azt, hogy nálad is 100% ez a hiba, csak jeleztem, hogy az ilyen feltűnően sokszor szokott előfordulni, és viszonylag könnyű ellenőrizni, mert ha mégis ez,akkor gyorsan kész vagy, azért kíváncsi vagyok a fejleményekre.
A hétvégén méregettem kicsit és ezek szerint első körben nem voltam elég alapos. A -60V-os ágban lehetett valami mert csak -54,5V-ot mértem. Pár bekapcsolás után eljutott odáig a rendszer, hogy a végfok iszonyatosan melegedni kezdett majd már se sem kapcsolt. Végül kivettem a fégfok IC-t és újra végigmértem a tápokat, most már mindent rendben találtam a rajzhoz képet nem volt eltérés. Most keresek hozzá csere darabot és meglátjuk. A panelon lévő össze fet-et diódát és feszültségszabályzó részt átmértem és nem találtam sehol zárlatot.
Ha már melegszik, akkor tényleg gyanús. Végfok hibáról árulkodik a középponti feszültség eltérése a hangszóró kimeneten. A búgás a hangszóróban is végfok zárlatra utal. Csak az izgat, hogy miért nem szól az ép oldal? Csak egy közös IC van mindkettőnek, és a benne levő zárlat miatt sehol se szól? Az az RSN311W64B kapható? Külföldi oldalakon láttam 10 dollár körüli áron.
Sziasztok. Jobb helyet nem találok, ezért itt teszem fel a kérdésemet... A hifiengine.com oldallal kapcsolatban lehet tudni valamit? Elindul újra valamikor? Hetek óta nem lehet elérni az oldalt.
Magyarországról nem lehet elérni, valamiért zárolták.
Ha a guglival rákeresel és kéred az oldal fordítását, akkor megy, de iszonyat lassú és persze a nyelvezete is borzalmas.
A hozzászólás módosítva: Okt 5, 2016
Üdv.mindenkit, Panasonic SA-PM27 ról lénne szó tökeltesen müködöt minden,radio, mind a 5 cd tar.
Ma szeretem volna halgatni zénet ,de NEM reagál a gomb nyomasra se táv.rol se hifi ról. A kijelzön meg jelen hogy OPEN ILETVE CLOSE de semmi sehol. A radio az tökeletesen müködik. Elöre is köszönöm a tanacsokat
Sziasztok!
Hozzám került egy Sony FH-215R hifinek az erősítője(TA-215). Többi része nincs meg. A gond az hogy nem csinál semmit, bekapcsol, az Equlizer egy sora világít, azonban nem reagál semmire, le van fagyva, csak a hangerő szabályzás LED-BAR-ja működik és látszólag szabályoz is azonban hang nem jön ki belőle. Lehet-e vele valamit kezdeni? Előre is köszönöm a segítséget.
Szia,
Sikerült beszerezni a végfok IC-t vagyis végre ideért Kínából. Beraktam az új végfokot és minden feszültség szépen helyreállt. Következett a teszt, a hangszórók szépen szóltak ahogyan kell, tehát valóban a végfok volt a hibás.
Üdv
Elővettem régi hifimet a samsung max-n50q_n55 sasszival rendelkezik, a kijelzőjén eleinte egy értelmezhetetlen fényhalmaz volt, most semmi, valamint a hangja is csak mély brumm volt, cseréltem benne RC10-et valamint RZD2-3-5 zener diódákat mert elvoltak égve, azóta hang aux-ról jó( magnó vacak de ez a kazi sose volt jó, cd olvasója féléves korában megtalált halni) rádióról is recsegés mentesen kivezérelhető, de most a kijelzőjén már abszolút nincs semmi fény csak a körülötte lévő ledek égnek, és működik minden kapcsolója is, beleértve a demo gomb programját is, de a vdf-n semmi élet nincs.Merre érdemes keresgélni, esetleg lehet-e még ebbe kijelzőt kapni, olyan mintha egyik sarkában égés nyom volna. video A hozzászólás módosítva: Nov 13, 2016
Sziasztok! Egyáltalán nem vagyok elektronikai szakember mint itt egyesek csak véleményeket szeretnék kérni. Van egy mp3 lejátszós 3 CD váltós sony mhc-rg330 mini hifim. Rendesen csakis távirányítóval vezérelhető. A készüléken csakis a hangerő gomb meg a körülötte elhelyezkedő stop play pause számváltás gombok működnek. A bal oldalon ahol vannak egymás alatt a funkcióválasztó gombok fm, cd , game stb ott megnyomom az egyiket és a másikra vált, meg a jobb oldalon ahol van a cd közvetlen lejátszó gombok megnyomom a 2-est aztán a 3-ast indítja el stb...
Valamint a CD lejátszással is gondok vannak. Nagyon nehézkesen olvassa be a lemezt. Van amikor csak felpörgeti kattogó hang jön ki belőle mikor gondolom próbálná beolvasni. De van mikor sikerül beolvasni ki is írja hogy reading aztán elindítom a lejátszást na utána is van gond lejátszik pár számot 4-5-öt kb aztán fogja magát és leáll a lejátszás. utána próbálom elinditani megint de akkor már megint csak a kattogó hang jön belőle hogy nem akarja beolvasni nem tudja felpörgetni valami ilyesmi. Szerintetek érdemes megjavíttatni a készüléket és mi lehet a baja? Szerintetek egy tv-video-audio szerelő mennyit kérne el a javíttatásáért?
Szia!
Első körben tisztítás, nem segít valószínűleg az optikai egységet/ Sony KSS-213 D/, szíjakat szükséges benne cserélni, az alkatrész ára kb 5000 ezer forint. Ezenkívül, nagy kérdés, hogy kivel tudod megcsináltatni precízen.
hello sziasztok van egy lg mini hifim es fülhalgatón rendesen szól de hagfalán nagyon halkan mi lehet a baj köszi a segítséget
|
Bejelentkezés
Hirdetés |







Sikerült elindítani. Azonnal indul ahogy bedugom, felvillan a Standby és már lehet is bekapcsolni. Kipróbáltam AUX-on, olyan szépen szól ahogy régen. Kicseréltem a két kondit amit mondtál meglepetésemre az egyik 4.7µF-os volt pedig a javítási könyvében 10µF/50V szerepelt. Na mindegy lényeg, hogy jó így. 










