Fórum témák
» Több friss téma |
Fórum » Indukciós hevítő készítése
Üdv!
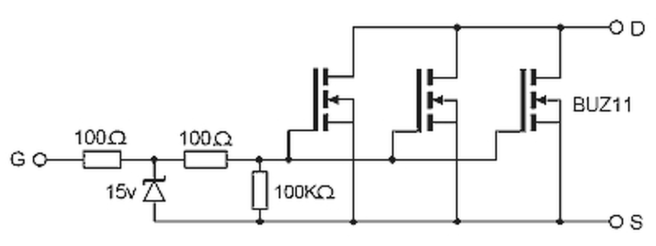
Valami ilyen párhuzamosításra gondoltam BUZ350-el x 2. 3x22 A elég kell legyen. A hozzászólás módosítva: Feb 1, 2016
Sajnálatos módon a trafó tesztelése során nem várt események következtek be. A gaetz hídon a reggeli tojást meg lehetett sütni. Furcsa zümmögő hangot ad a trafó ha rajta van a híd. A terhelésnél, ami egy 5 csavar volt kb 0.7 ohm , az egyik puffer kondi elszállt. Az esemény olyan rövid idő alatt zajlott le, hogy mérni sem tudtam feszt. Pufferelve 29 V adott le a trafó. A károk jelentősek, lehet egyből 10 db kellene vennem mindenből. Hasonló drága hobbi talán csak az aranyöntés lehet.
A graetzed ha nincs hűtőbordán, ez várható ... 20 ampernél pl. és 2 voltnál, ami esik rajta legalább, 40 watt fűti.
Ettől persze puffer nem szállhat el. 5-ös csavar terhelés? Erről nem volt szó... én 1 ohmot írtam, pl. vasdrótból, az pedig kell, mert másképp nem tudod mérni, mennyi lesz a táp normál körülmények között. Azt is illene megmérni, mennyi az annyi. A hozzászólás módosítva: Feb 1, 2016
0.7 és 1 Ohm között csak 0.3 a különbség. A hűtőbordát azt nem említette senki. Vasdrót vagy csavar most azon a kis meneten van a hangsúly. Keritésdrót sajna nem volt a közelben kellet a határvédelemhez
És még vond ki azt is, amit a műszer mutat közvetlenül összezárt mérőcsúcsokkal.
Ha ezt nem tetted, meg akkor mindjárt nem 0,3 ohm lesz a különbség.
0.3 a műszer, akkor csak 0.4 Ohm volt a csavar. Az már lehet kicsit sok
Az igaz, de azt nem hiszem, hogy le tudtad mérni a 0.7-et sem. Ez nem multiméter kategória... a mérőzsinór is lehet majdnem annyi és az átmeneti ellenállások.
Hűtés... azért ezt nem kéne reklámoznod. Az magától értetődő, ha elkezdesz számolni is. Írhattam volna 24 voltos halogéneket is, 150 W/db, de az sincs és oda lágyindítás kéne, tehát elvetve. A hozzászólás módosítva: Feb 1, 2016
Akkor ezek szerint az induktivitást sem tudom lemérni pontosan, mert a 8-as rézcső nem nagyon fér bele a digitális ESR mérő foglalatába. Valahogy csak kell rá vezeték. Nem tescos multiméterem van, de ezek szerint az sem jó.
Az induktivitást a fizikai méretei alapján kell kiszámolnod... van arra képlet a segédprogramok között, légmagos tekercs induktivitása.
Arra pedig ne gondolj, hogy +mérővezeték, ha a tekercsed L=1 uH nagyságrendű. A hozzászólás módosítva: Feb 1, 2016
Pufferkondinak 8 db 1000 µF 50 V megfelelő vagy ne essem túlzásokba?
!
Ennyire ne ess negatív túlzásba..
- mondjuk 4-6 db minimum kell 8.000-ből.
Szia
Megpróbálhatnád egy autó akkuról vagy inkább 2 ről sorba kötve.Ennek a trafózásnak lehet nem lesz jó vége..
Elkészítettem a graetz hűtést.Stabilan adja puffer kondik nélkül a 13.8 voltot.
Mire akarod használni?
Mert 40V DC táp körül kezd el használható teljesítményt leadni.
Az első sorozatban 1 szeget sem tudott melegíteni. Gondoltam ez majd hátha.
Azok a kondik nem bírják ezt a strapát, Itt akár 150A vagy több is lehet a rezgőkörben.
Ide spéci kondi bankot kell építeni vagy léteznek kifejezetten hevítőkhöz tervezett kondik ezek ált már alapból vízhűtésesek, csak az a baj hogy nagyon drágák.Kicsit visszaolvastok már kitárgyaltuk a kondi témakört, kondi tipusokat és kondi bank kialakítását is..
Nekem van egy ilyen szerkezetem.
Tökéletesen működik. 50V-al 15A-ral is megküldtem. Nem melegszik,csak a munka tekercs. Azt meg vízhűtésre kötöttem.
SZiasztok szeretnék készíteni egy olyan hevítőt ami pisztoly szerű és csavarok anyák kis helyen való melegítésére szolgál.
Ez jól jönne nekem is, hatékony fegyver a berohadt csavarok ellen.
Üdv!
Segítség kellene az induktivitás elkészítéséhez. A ferrit 62x32x20 mm , a kérdés mennyi menet és milyen vastag a vezeték, ami elbírja az ampert. Az amper nem több 50-nél, mert a fet annyit tud. A másik kérdés a uH érték. Néztem az induktivitás számláló programot sajnos sok az ismeretlen számomra így nem tudtam kezelni. Tapasztalati szám is megfelel! Köszi előre is.
Szia
Tudnunk kell , hogy melyik kapcsolást építed.Litzéből szokás ezt építeni.Én próbaképpen 2.5 vezetékből csináltam E magra..kb 25-27uH is a megfelelő a kétfojtós ver. -hez. Egy induktivitás mérő sokat tud segíteni ebben pl: LCM3.
Szia
Megvan ennek a ferritnek az adatlapja ?? AL értékre szükség lenne a kalkulációhoz. A kapcsolás az rendben , van én is ezt építem.
Sajnos nem tudom vaterán vettem és ott nem igazán közölnek ilyesmit.
Tekervényezés megtörtént 6x1.2 zománchuzal 52 uH értékkel.
Jó lesz az egyelőre, aztán könnyebben tudsz variálni vele.
Üdv!
Próbáltam elvégezni a " nézzük mit bír a trafó" tesztet. Sajnos az 1.5 Ohm-ra tekert ellenállás huzal rövid ideig tolerálta a wattokat. Mérni próbáltam, de sajnos az x faktor hiányzott ami a gyorsaságomrat lett volna hatással.
Vékony volt az a cekasz vagy hasonló... vagy sorbakötött reflektorizzók kellenek, vagy vasdrótból megalkotni..
|
Bejelentkezés
Hirdetés |







