Fórum témák
» Több friss téma |
Fórum » Inverteres hegesztőtrafó
Még a segédtápot összedobom drótdzsungelbe aztán mehet
Majd ha ezzel fütyül a cucc, akkor egy második generációs példányban kipróbálom a durung U-magot. Tényleg jó combosnak tűnik.
No beraktam egy izzót sorba egyik hálózati ágba biztos ami biztos alapon. IGBT-k még hűtőborda nélkül, izzó nem fényesen épp hogy kicsit izzik. Kimeneten 25V egyen volt. Minden hideg maradt, levettem az izzót 35V lett a kimeneten és elkezdtek langyosodni az igbt-k meg a kimeneti feszültség 0,1V-ot nőtt kb. két másodpercenként, rövidrezárva egy vas darabon pálcával is semmi sem történt. Szerintetek mi lehet a probléma? Fojtó, kimeneti diódákon snubber is volt,igaz még csak a 2db 80A-es diódát tettem be... A 2k5 rajta volt a kimeneten terhelésnek. Úgyhogy eddig így áll a buli. Addig faragok bordát az IGBT-kre...
Közbe rámértem a vezérlés 210mA-t vesz csak fel, akik megépítették 400-500mA-ról beszéltek, igaz nekem az 555-ös részek nincsenek ott. Az IC 1-es lábon magas szint kell hogy menjen?
Első olvasatra a 35V, az egyenfesz. méréssel, vagy szkópon ennyi? Ha szkópon ennyi, az nagyon kevés, bár még műszeresen is kevesellem.
Én ellenőrízném, hogy mekkora az alap kitöltési tényező, és hogy szabályozható-e? ...így elsőre... Hűtőborda nélkül ne !
Szkópom nincs itthon.... A kitöltés 50% alatti kb 40-45% lehet, reggel mértem szkópon ezeket azért mondom. A kitöltés nem változhat terhelés nélkül a potit tekerve. Jaja hűtést felteszem csak már kíváncsi voltam
Alacsony szintet akartam írni....
Az mit jelent, hogy nincsenek az 555-ös részek?
Az UC2844-es 1.lába a hibajel erősítőjének kimenete, kompenzálási céllal kivezetve, nem logikai értékű. Jótanácsként mondom, hogy ha méred is, akkor is csak 10-es osztóval szkóppal, mert érzékeny az ilyesmire az IC. Szerintem...
Ha tényleg jó a kitöltés, és mégsem pattan egyetlen szikrácska sem, akkor nincs energia átvitel. szerintem...
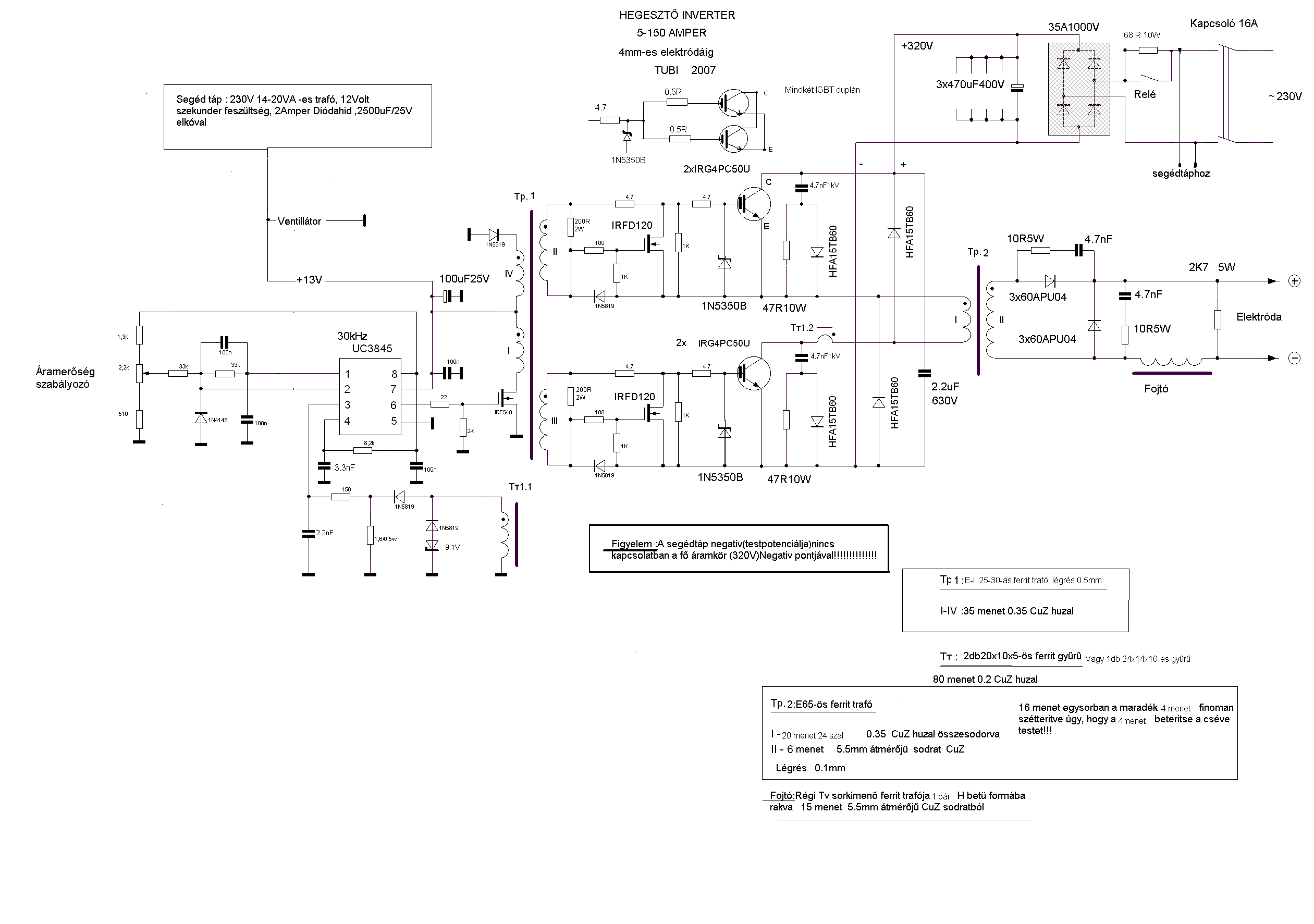
Köszi a válaszod, én UC3845 és a TUBI féle hegesztőt kezdtem el de ez ugyanaz mint a "MACI" és a "BOCS" csak nincs benne még a leragadásvédelem és semmi féle hő védelem ami két db 555-össel van megvalósítva Gábor rajzán.A szkópos tanácsot megfogadom
A 4-500mA igaz is,mint segédtáp áramfelvétel,ha a vezérlésben bent van minden mint a rajzon,ebben bent van a ventilátor árama is a ledekkel,relével és az egész áramkörrel együtt kb. 12,5V segédtáp fesznél.Ha a segédtáp 12V -ről megy az áramfelvétel jelentősen csökken,mintegy 1/3 résszel és a 200 ohm ellenállások is csak langyosak és nem fűtenek.A mostani vezérlésem,ami ugyan az mint a régiek,ventilátor nélkül 230mA áramot vesz fel,relével védelmekkel együtt.A kimeneti egyenfeszültséged alacsony.Szóltam,hogy a trafó menetszáma nem stimmel,egy előző levelemben,itt 1 menet is sokat számít.A 21/6 menet helyett a 21/7 menettel kellene,hogy adja a 45V feszt,de nem fogja adni,mert a gerjesztés is más mint eredetileg.Mi 20/6 menettel csináltuk a 19/6 menet helyett és jelentősen csökkent a kimeneti fesz,de még jónak mondható értéken van.A főtrafóban sok mindent változtattál,menetszám,primer vez. keresztmetszet,ezek mind okozhatják azt amit mértél.Biztos,hogy eljut a szabályzó jel a potiról az UC 1 lábára?Itt a poti állásától függően pozitív feszt kéne mérni.Néztem az IGBT-id adatlapját,most lehet ,hogy tévedek,nem igazán vagyok otthon az értelmezésben,de nem sok nekik a 37-38kHz (?),ott mintha csak 20 kHz lenne említve,ha tévedtem akkor bocsánat!
Hogy még tudjak segíteni,kimentem mérni! Az UC esetében ne beszéljünk alacsony és magas szintről,inkább fesz. értékekről.Az enyémben UC3845N tip. ic van,a poti 2,5k az alsó ellenállás 560 ohm a felső 1,3k ,segédtáp fesz 11,98V.A poti csuszkáján a 12V táp testpontjához viszonyítva lecsavartan +0,63V míg felcsavarva +3,47V mérhető egy M830-as gagyi DVM-mel.Az UC 1. lábán a poti lecsavarva +4,28V míg felcsavarva + 1,52V mérhető a 12V testpontjához viszonyítva.
Hő védelem van a rajzon, a két 390 Ohm-os ellenállás között ott ragyog a klixon!
Az égős kísérletekkel is vigyázni kéne, mert az nem ment meg semmit csak a kismegszakítót helyettesíti. ettől még meg nyúvadnak az IGBT-k, ha baj van, sőt, ha így próbál meg hegeszteni valaki az is okozhatja a gép tönkremenetelét
Nos az UC 1-es lábán a földhöz képest 4,3V és 1,85V mérhető a két végállásban. A segédtáp szép kerek 12V-ról üzemel, most kicseréltem az IGBT-ket és beraktam a 8k2-es ellenállást mindent a rajz szerint. Ha vason húzom szikrázik de édeskevés egy 12V-os 5W-os izzó izzik a kimeneten, 25V-ot mérek most a HGTG12N60A4D-vel és a 21 menetes primerrel. Akkor letekerek 1 menetet és aztán írok.
A probléma ott van! Ide nem jó a D-s IGBT
Minden renben lesz, ha kicseréled az IGBT-t , belső diódás ide nem jó
Korábban többször el lett mondva
Okés köszi a felvilágosítást!
Nem egyenlőre a hővédelem teljesen ki van hagyva az áramkörből.
Akkor nem tudom melyik az a rajz. Itt van a másik
Váá az csak teljes hídba jó igaz?
Akkor gondba leszek Eddig IXSH30N60A ez lassú volt és ugye volt a D-s IGBT-m már csak 6db IRFP450 van azzal esetleg próbálni?
Még valami a HGTG12N60A4 is gyengécske, ha csak nem a 100 Amperes gépet épÍted! Az erősebb géphez E 65 Trafó és hozzá jobb a HGTG20N60A4
Igen ezt kezdtem el és most ez van megépítve csak annyi h 1,3W-os zener 18V-os van a gatenél. De a vezérlés az ugyanaz és a meghajtó rész is , a lágyindítás meg ilyenek mások de az most teljesen független.
Okés akkor boltolnom kell belőle gyorsan! Köszi a választ!
Úgy van! Küldök egy Mos fetes rajzot, de ebben az esetben legalább 20 Wattos snubber köri ellenállás kell
18 voltos zénert hiába teszel oda, ha 12 volt a segéd tápod az 1.3 W elég, de 13 voltos legyen! A lágy indítás ennél a verziónál kiválló , jó az hidd el kb 2mp késleltetést ad és nem rántja meg a hálózatot
Az IRFP450 csak 14 Amper akkor inkább a 20 Amperes 460-at alkalmazd és ebből is 4-6 darabot oldalanként
Gyorsan nézve HGTG20N60A4 ilyenből is csak D végűt látok a lomexnél hol lehet beszerezni akkor? Te hol jutottál hozzá? Akkor rendelnék belőle ja és ebből is kettő-kettő kell? Előre is köszi a választ
Még valamit, ha most csak szikrázik nincs teljesítmény akkor hagyd úgy és csak az IGBT-et cseréld, de ne tekerd fel a potit maxra ha próbálod, mert ha furcsa sercegő hangot ad majd akkor meg kell fordítani az áramváltó tekercs kivezetéseit!
Lassan vidd fel az áramot és ne engedd 150 Amper fölé inkább maxra állítsd be ehez az áramhoz a poti ellenállásának cseréjével 510 Ohm helyett 820 vagy még nagyobbra cseréld ki! Elég különben a 130 Amper is 2.5mm-es pálcával szinte vágni lehet!
Sanyi,nekem az a véleményem,hogy kurtyka építse meg először azt a 150A gépet,követve a rajzot mint a szentírást s,ha az működik akkor lépjen tovább,anno Te nekem is ezt mondtad és nem bántam meg!
|
Bejelentkezés
Hirdetés |












