Fórum témák
» Több friss téma |
Fórum » Inverteres hegesztőtrafó
Egyáltalán nem örülök a kudarcodnak és nem is hibáztatok senkit,sajna,ez most így alakult!Az ETD magon igaz,hogy több menet van,de kisebb keresztmetszetű mint az E65 tekercse.Sokan elkészítették már,nekik sem ment könnyen,voltak kik sokszor le és feltekerték,mire jó lett és ráfért a drót.A keresztmetszetek közt is kb. 1,5 az arány.Már többször olvasom a 35/10 menetarányt az ETD maghoz,az orosz ennyi is volt,de írtam,hogy így kicsit gyenge és a 35/11-et javasoltam,az enyém ennyi.Én sem tudtam elsőre megtekerni,amikor már azt mondtam magamban,hogy ennyi,nem fér rá több,akkor még mindig rá tudtam tekerni egy menetet a többi mellé,a rajtlévőket megigazgatva,nem könnyű!!!Az E65 mag megtekerése sem lesz könnyebb!!Amikor az E65 magot tekertem,azt mondtam,nincs olyan isten,hogy ennyi menet ráférjen egy sorba,már mint 16,én 14-ig jutottam,de addig igazgattam amíg a 16 is ráfért.A több szálból kialakított sodratot nem szabad túlsodorni sem és lazára hagyni sem,mind két eset plusz helyet foglal.A legtöbb bajt az E65 esetében a cséve éleinél lévő törések okozzák majd,ott hajlamos a sodrat a szétterülésre,mert ugye ez a cséve négyszögletes és nem kör mint az ETD csévéje,amit könnyebb is megtekerni.Kés pengével,csavarhúzóval nehogy meneteket igazgass,de keményfa ékkel szabad finoman.Hallottam "kollégát" ki az E65 mag helyett E70 (E71) magot választott és azt tekerte meg az E65 menetszámaival,állítólag jó lett,ebben nem tudok érdemben nyilatkozni!
Mi a véleményetek,érdemes lenne TV sorkimenő (U57) vasakból összeállítani főtrafót,2-4-6 párat,Ó vagy E formát utánozva?Mondjuk 3 párat Ó magnak összerakva,két oszloposra megtekerni az ETD59-hez tartozó 35/11 menetekkel vagy 4-6 párat hátukkal összerakni (E utánzat) és az E65 menetszámát alkalmazni.Orosz kollégák alkottak ilyet is.
Előnye:
- ólcsó, (a félvezetők ára miatt fajlagosan nem túl jelentős megtakarítás) - könyebb a tekercset elkészíteni. (ez később hátránnyá is válhat) Hátránya: - a vas minősége gyengébb, kiseb gerjesztés engedhető meg, nagyobb vaskeresztmetszet kell, - A 30-40 kHz-en kis veszteségű tekercshez hosszú és alacsony tekercs kell (ezért nehéz az ETD-t tekercselni) itt pedig kinálja magát a hely és ez nem tesz jót a tekercs minőségének, - valószínűleg nagyobb szórása is lesz, emiatt nagy áramoknál túl kicsi lehet a feszültség, - nagyobb méretek. A konkrét menetszámnál szerintem az áttétel aránya fontossabb. A primer menetszámot pedig az aktuális vasmag keresztmetszethez és Bmax-hoz kell igazítani.
Ha a két oszloposra tekercselést úgy gondolod, hogy külön oszlopon a primer és szekunder az a szórás miatt nem szerencsés, de ha a primert és szekundert is megosztva tekercsed a két oszlopra, az lehet hogy nem rossz megoldás mert 2x3=6 cm lesz a tekercs hossza, ami jó hatású a tekercsveszteség és melegedés csökkentésére.
Ha mégis az U57-es ferrit, akkor Ó magnak összerakva az elöbbiek miatt.
Mind két oszlopra megosztva gondoltam a tekercseket.Láttam egy gyári masinát amiben így van megalkotva a főtrafó,igaz,ez teljes hidas.Sajna,kevés infóm van róla,egyébként is túl bonyolult lenne az után építés,nem is ez a cél,inkább a részegységek kivitele adhat ötletet.
Az U57-nek 170 mm2, az ETD59-nek 360 mm2 az E65-nek 520 mm2 a keresztmetszete.
Amiből az következne hogy 2 illetve három pár kellene az ETD59 és E65 helyettesítésére. De a sorvégtrafó vasak általában gyengébb N27-es ferritből készülnek és ezért én kompromisszumként inkább 3 párhoz tekernék legalább 32/10 menetet 30 kHz-hez. (nagyobbik trafó huzalkeresztmetszetével) De előbb legyek meg az ETD-vel, csak várom hogy javuljon az idő mert ilyenkor elég hideg van a garázsban barkácsolni. Addig is egy PIC LC mérőt programozgatok. A képet valamiért nem tudom megnézni. (nem a djvu kiterjesztés miatt, linux van a PC-men)
Megpróbálom feltenni képenként,így talán meg tudod nézni.
Még négy kép.
Kösz!
A fojtót nem látom, vagy nincs is benne?
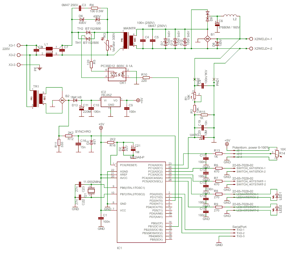
Invertor bekötési rajzai:
Sto eto?
Ez csak egy db. rajz. A képek nem hasonlítanak az előbbi inverterhez. A rajzon levő fojtó sem az amit az előbbi képeken keresek, a hegesztőáram nem folyik keresztűl rajta, nem biztositja a megszakításmentes hegesztőáramot, hanem az iv begyújtását segíti azzal, hogy amikor a pálca a hegesztés megkezdésekor hozzáér a hegesztendő fémhez, majd eltávolodik akkor az induktivitásban elég nagy feszültség keletkezeik. Gondolom én.
A kapcs rajzon valóban egy ív gyújtást segítő áramköri megoldás látható,mi is próbálkoztunk hasonlóval,de valamiért kimaradt a gépből.Visszatérve arra amit keresel,szerintem az mk300c.jpg képen látható pár menetes tekercs az a főtrafó oldalán,én sem látok mást,lehetséges,hogy ez a primer körben van,sorosan a főtrafóval,láttam már olyan megoldást.Ezt a megoldást nem rezonáns tápnak nevezik?Erről a gépről nem tudtam több infót gyűjteni,kár!Számomra a trafója volt érdekes és az áramskála.Ekkora teljesítményt ezzel a maggal csak teljes hidas (full-bridge) módban tud produkálni.A számomra azért is érdekes mert U57 magból nekem van egy rahedlival és,ha fel lehetne használni akkor miért ne.Jártam egy méh telepen ahol sok ilyen magot kibontottam régi TV-ből és még találtam valamit,mellékelem,hát abból is megrakottan távoztam.
Mellékelek orosz trafó megoldásokat.
Számomra érték amit feltettél ide,bármi infód van,szívesen venném itt a fórumon!!
Az itt tárgyalt inverternél nem is kell ívgyújtás segítő áramkőr, mert eleve nagyobb az üresjárati feszültsége a fél vagy teljes hidas megoldásnál és a kimeneti fojtó is hasonlóan segít az ív begyjutásában.
Valóban lehet, hogy rezonáns elven működik és azzal a kis tekercsel állítják be a szükséges szórt induktivitást. Az mk300-nak a legszimpatikusabb a kivitele. Nagyobb teljesítményt forward inverterrel az U57-ből szerintem két külön trafóval lehetne kihozni kulturáltan kétszer három pár ferritből. (én így tennék ha 5-ös elektródával szeretnék hegeszteni) A tekercsek melegedése (rögeszmém) is ekkor a legkisebb, mert ekkor összesen a négy különálló tekercs sokkal nagyobb felületen tud hűlni mint egy nagy és még a misztikusan hangzó de nagyon valóságosan ható "proximity effect" hatását is mérsékli. A párhuzamosan kötött félvezetők (IGBT és dióda) áramának megosztása is jobb, pontosabban trafónként ketté lehet választani őket és a fojtón lehet összesíteni az áramokat. A párhuzamosan kötött félvezetőkön ritkán egyforma a terhelés, ezért túl kell őket méretezni. Az egy pár U57 is elég lehet fojtónak 15-18 menetnél kb 300A-ig inkább a szükséges huzalkeresztmetszet nem férne bele és ezért két pár jobb lenne a fojtónak 10 - 12 menettel. Az a hordó elég érdekes...
Jól látom,hogy ez egy hegesztőtrafó és a végén a gréc generátor diódákból van (?),nagyon hasonlít!Mind a négy ágban 3-3 db. párhuzamosan,vagy csak ebből kettő van felhasználva a gyújtássegítőhöz (KYZ79,20A/400V).A fojtó az a kb. EI55 magú trafó lenne?
Utána néztem (proximity effect) meglepődtem,nem gondoltam volna,okosabb lettem :smoke: Nem kellett segítség az ívgyújtáshoz,aránylag simán megy.Az U57 maggal kapcsolatban leselkedtél (?)
,sasold csak a melléklet!Egy barátom megépítette,más trafóval,fojtó maradt,nem igazán működött a rajz alján,középen az összehasonlító áramkör,más lett helyette,kínlódott a snubberrel stb..... aztán visszabutította,azt mondta nem lett rossz,de mást várt.
Szia! Egy másik projecthez használtam U57-es magot. Akkor EZ is jó lenne kimenő trafónak? Persze más menetszámokkal!
Én inkább azt a kapcsolást turbóznám, amit már több példányban sikeresen megépítettél/építettek.
És két teljesen különálló "Ó" alakú trafóval, olyanból mint amilyen az "mk300" készülékben van (egy). És az IGBT-ék vezérlése után dupláznám az áramkört. Valószínű, hogy az orosz megoldásban lévő trafónak, túl nagy a szórása, és nagy áramoknál leesett a feszültsége: szerencsétlen módon a lehető legrövidebbre és legvastagabbra készítették a tekercset. Túl nagy a volt a kísértés hogy néhány menettel elintézzék a dolgot. 200A felett már 30V fölötti ívfeszültség kell, (de ezt te valószínűleg jobban tudod) ezért fontos hogy kicsi legyen a szórás, vagy az üresjárati feszt kellene emelni 55-60 V-ra
http://picasaweb.google.cz/tmchvatalovi/WeldingMachineSvarecka#
Ezen az oldalon találtam de én nem értek hozzá. Lehet hogy megveszem inkább kész állapotban innét: http://www.svarbazar.cz/phprs/view.php?cisloclanku=2008050501
Úgy nézem,jól gondolkodtam,ez egy egyenirányítóval és ív gyújtás "segítővel" kiegészített hegesztő trafó,ahogy fentebb írtam.Magát a trafót kicsinek találom,lehet vele hegeszteni,de a bekapcsolási ideje (hegeszt/szünet) eléggé alacsony értékű,olyan 1 a 10-hez véleményem szerint,de sok mindentől függ.Becsülöm a törekvést,de nem éri meg a fáradságot ezen a szinten,bár,ezt eldönteni mindenkinek saját joga.A processzoros részét nem értem,infót nem találtam.
Előlegben elmondom,én nem csináltam még ilyet,tapasztalatom nincs,de elvileg működhet!Látom ott 8 párat raktál össze, dara kolléga egy másik csatornáról,(megengedte,hogy közzé tegyem és ezt a fórumot Ő is olvassa) 6 párat rakott össze így mint Te és a 20/6 menetszámot alkalmazta.Az én nagyobbik gépem,ami eredetileg 160A-os,kapcsolásával próbálta ki,azt mondja,írja,hogy jól működik.Tehát a 6 pár U57 az E65 magnak megfelelő menetszámmal, ezen mag helyett alkalmazva jó.Mellékelem a képet,nem igazán éles,de látni lehet amit kell.Én hiszek neki,mert tudom mennyi munkát fektetett a gépeibe,mennyi kísérleten van túl,ez a trafó is egy ilyen kísérlet eredménye!
Sziasztok!
Látom már néhány oldallal lemaradtam. Kicsit bütyköltem a gépemet-előlről kezdve az élesztést- megcsináltam a légréseket 0,5 ill. 0,1 mm -re és használt . Bár még csak IGBT-k nélkül ellenőriztem, de a zener-fesz. 5,5 ill. 5,7V -ra emelkedett. (Remélem nem túl sok a 0,2 V különbség). Mértem a potit 0.8V - 3.7V intervallumban szabályoz. Szkóppal nézve a zener katód-anód között mért jelalak nagysága megegyezik az IC 6-os láb ill. test között mért jellel. Sajnos pontos értéket nem tudok, mert csak egy pici, kalibrálatlan műszer. Szerettem volna a jelalakról egy képet feltenni , de nem jött össze olyan minőségben.
Biztos,hogy 0,5mm a légrés a meghajtó trafóban??Sokallom az 5,5 és 5,7V feszt,ehhez kevés lesz a 13V zéner.A 200 ohmos ellenállás és a 13V zéner nem melegszik?Ekkora fesznél nekem melegedett mindkettő,igaz,hogy a segédtáp akkor több volt mint 12V,vissza is vettem 7812 -vel pont 12V-re.Neked is ennyi a segédtáp?
Bocs,hogy kötekedem,de a kis hibákból van a nagy és én ezt nem szeretném,remélem megértesz!Ha minden a leírás pontos követése alapján készült (segédtáp fesz,menetszámok,minden alkatrész,stb....) akkor a légrés nem jó,vagy módosítani kell!Esetleg,csal a voltmérőd.
Tisztelet!
FREDDI-től kérdezném, hogy a 278233-as válaszában mellékelt egy rajzot, e71 wykres 1053.jpg névvel. Hol jutott hozzá? Előe is köszönet a válaszért.
Gábor, az lenne a kérdésem, hogy pl.: 0,3mm réz drátot a tekercseléshez hogyan kell mérni, úgy hogy a lakk réteg rajta van vagy le kell égetni és úgy kell hogy 0,3mm legyen
. Ja és még valami, a kimenő trafó (Tp2) kábelét lehetne szigetelni mondjuk régifajta rongyból készült szigszalaggal , és muszáj a trafót lakkozni Üdv: Ati
A drótot egyszerűen lakkostól mindenestől mérd tolómérővel,kb. 0,32 mm fog mutatni vagy 0,3mm ,nagyot nem tévedhetsz,leégetni isten ments!A főtrafót lehetne azzal is szigetelni,de nem ajánlom,akkor már inkább a bandázsszalag,bár az majdnem ugyan az,kb. 300 forint egy tekercs,a varnis szalag,amit a motortekercselők használnak,jobb lenne,de nehéz hozzáférni,jobb híján és is bandázsszalagot használtam,nem volt másom.Jó lenne lakkozni is,nekem az sem volt.Most magam ellen beszélek,de ha nincs másod a szalagon kívül,hát próbáld meg a saját felelősségedre,60 fokot az is kibír.
Már értem az elektronikát.Csinált egy procis vezérlést az antiparalel tirisztoroknak (lehetett volna egy triak is sokkal egyszerűbb vezérléssel) egy gyújtás segítőt és egy leragadás védelmet.Amint látható,rakott be egy egyenirányító hidat is az eredeti masinába.Sokat dolgozhatott rajt,értékelem a törekvését,hogy megérte e (?),döntse el ki-ki!
Üdv mindenkinek !
Szoktam figyelgetni a topikot, de sajnos az én hegesztőm parkolópályára került átmenetileg. A félvezetők nagyrészét, a teljesítményfeteket (én jobban szeretem mint az igbt-t) és a teljesítménydiódákat beszereztem, egy csomó alkatrész meg van. Ha lesz időm folytatom. Nézegettem a piacon a gépeket és itt is figyeltem az okfejtéseket, és amilyent én szeretnék magamnak, az 200 E -körül van, azért már megéri építeni. A kicsikkel az a bajom, hogy 100A körül már annyira alacsony a hatásfokuk, hogy 10-20% körüli csak az ED-jük (üzem/pihenés). Zerocross: szerencséd hogy benéztem, ritkán vagyok. Megkerestem a topcot, ahonnan leszedtem, íme http://www.elektroda.pl/rtvforum/topic745942-0.html Ha tudsz lengyelül (én nem ), megkérdezheted őket, honnan szedték.Valahol ott van benne. Azért is nézegettem annak idején ezt is, mivel a frekvencia emelésével jelentősen növelhető az átvitt teljesítmény. Ez fetekkel megoldható, igbt nem szereti, ha jól tudom. A fetnek nem gond a 200kHz sem. Az egyenirányítást meg 200V-os shottkykra bízom. A fet meghajtás is lényeges, én gyári meghajtót fogok használni a nyitás és zárás kellő sebessége miatt (gate). További jó építgetést mindenkinek!
Sziasztok.Én is szoktam figyelni a fórumot, több gépet is építettem,de most már hozzászólok.FREDDI hozzászólásáhóz irnám.Több fórumon olvastam ilyen nagyigényeket,senki sem igazolt vissza hogy sikerült.Nem elképzelhetetlen meglehet építeni.Nem igaz hogy a hatásfokuk ilyen kevés lenne.Mérések nélkül hogy mondtharsz ilyen kijelentést.Vagy talán mérted?Én mértem.A hatásfok közelit a 80-90-százalékhoz ki viteltöl függően.Az ED-jük üzem - 50-perc 10-perc pihenés,persze hüttőbordátol ventitől függ.Neked kicsi a 100-Aper?3.25-ös pálcával lehet vele hegeszteni.Nem tudom miért reklámozod a feteket,az igbt-ék sokkal jobb paraméterekkel rendelkeznek.Csak utána kellene nézni az adatlapoknak.A meghajtással kapcsolatban a neten annyivan hogy dunát lehet rekeszteni vele.Csak tudni kéne hogy melyik a működik.
Üdv:dara |
Bejelentkezés
Hirdetés |















Mellékelek orosz trafó megoldásokat. 



,sasold csak a melléklet!Egy barátom megépítette,más trafóval,fojtó maradt,nem igazán működött a rajz alján,középen az összehasonlító áramkör,más lett helyette,kínlódott a snubberrel stb..... aztán visszabutította,azt mondta nem lett rossz,de mást várt. 



. Ja és még valami, a kimenő trafó (Tp2) kábelét lehetne szigetelni mondjuk régifajta rongyból készült szigszalaggal
), megkérdezheted őket, honnan szedték.