Fórum témák
» Több friss téma |
Fórum » Kapcsolóüzemű (PWM) végfok építése
A 22V is elég. Az LM-nek 2db 3,3V-os zéner a tápja, az is belefér.
Elindítani az IRFZ is megfelel. A PC porvasról meg csinálsz egy fotót pontos (mag)méretekkel, és megmondom hogy hány menetet hagyj rajta, 3 féle méretű magot szoktak oda rakni. Az 5V-os ág dupla tekercse van kívül azt lebontod, alatta van a 12V-os ágé ami olyan 80uH körül van ha jól emlékszem. Ebből kell rajtahagyni azt a 30uH-t.
Sziasztok!
Közben elkezdtem a már korábban említett IRS2092 IC vel kezdeni valamit. Hát a kezdet elég nehézkes... Egyelőre a meghajtó rész táplálását szeretném megoldani. Így jó lesz? Tehát az elgondolás: A COM bemenet re csatlakozik a -50V, ehez képest vannak az egyes potenciálok. A ZD2 dióda záróirányban van, ezen esik 15V a COM hoz képest, ill. -35V a GND hez. Ez van a VCC re vezetve. A ZD1-es zener esetében az történik (ha minden igaz), hogy bekapcsolás után a VS-en 0 a potenciál. Az R1 en keresztül feltölt a C1 15V ra, ez van a VB re vezetve. Második eset, amikor a VS-en közel -50V feszültség van jelen. Ebben az esetben a ZD1-en -35V van GND hez képest, ill. 15V a VS hez. Aha..., de mi van akkor amikor közel 50V van a VS en? Akkor ez így még nem teljes. De jó valmennyire az elgondolás? Először stabkockával akartam, de nemtaláltam olyat ami megpapálná az 50V ot.
Hát, én nem akarok beleszólni, de előszőr azt kellene megértened, hogy mi a fene az a pwm erősítő. Megérteni, hogyan működik egy félhíd, mire kell odafigyelni, milyen üzemállapotok vannak, stb. Még azt is elárulom, hogy jóval bonyolultabb a működése, mint egy kapcsi tápé... én ott kezdeném valahol...
Egyébként, neked miért nem jó az ic gyári ajánlása?
Az rendben, hogy megértsem. Közben olvasok mindenféle irodalmat, itt a fórumról is, máshonnat is. Az a probléma, hogy az idő telik, már lassan águsztus van és még kézzel fogható eredményem nincs. Muszáj valahogy párhuzamosan mindent, mert nemfogok érkezni.. Az alapkapcsolást azért nem tartom szerencsésnek, mert már az IC-s megoldás sem a legjobb, így hát jó lenne, ha legalább valami saját dolgot vinnék a dologba és ne kelljen azt mondanom, hogy a katalógus kapcsolás.
Én emlékszem, amikor először jelentkeztél ebben a topicban... elég régen volt. Lett volna időd az elejétől megérteni ezt az egész dolgot. Én a helyedben már annak is nagyon örülnék, ha egyáltalán egy gyári kapcsolást működésre tudnék bírni... és a "valami saját dolgot belevinni" dologhoz nagyon kevés egy másfajta tápfeszellátás... próbáld meg a működést megérteni, szimulátorban megtámogani, ha ezt meg tudod csinálni, akkor már nyert ügyed van. Egy szakdolgozatban nem kell feltétlenül új dolgokat kitalálni... az új dolog ugye nem abban merül k, hogy, akkor most nem használok cél ic-t. Ez legfeljebb áramköri szinten lehet új. Ahhoz legfeljebb áramkörtervezési gyakorlat kell. Az sem semmi, de ahhoz is elmélyült tudás kell, amit nem tudsz fél év alatt megszerezni. Ráadásul semmi köze nincs a pwm-hez. Alapdolgokat kell a megfelelő sorrendben felhasználni.
Egyébként, az ic-s kapcsolás is egészen jó. Hidd el, még nagyon hosszú időnek kell eltelnie ahhoz, hogy jobbat csinálj. De én a sima UcD-t javasolnám, ahhoz nem kell ic sem.
Ha az IR2110-hez hozzáférsz akkor nem kell bonyolítani. Csináld meg azt amit kipróbáltam, kell néhány tranyó az IR elé és kész. Félhídban szépen megy, 1-2W-nál 0,02-es THD-t mértem rajta. A rajzot megtalálod ha visszalapozol (Karesszal próbálkoztunk anno), valahol még egy SMD-s nyákom is van hozzá.
Oké, hát akkor megpróbálom azt. Olyan IC van is raktáron. Tényleg, hogy minden hátráltat. Nyár elején úgy voltam, hogy a nyár végére HW, SW kész lesz. Iskolaévre marad a dolgozat írás. Megrendelek még egy szakkönyvet a D osztályról abban töviről hegyire ki van vesézve minden. Amiket olvastam cikkeket bárhol azokkal nekem az a bajom, hogy bizonyos részletek kivannak hagyva. Értem a láncot, hogy a bemeneti jelet összehasonlítom egy háromszögjellel ami tulajdonképpen a sigma-delta modulációnak felel meg. (Ez viszont közel áll hozzám)
Majd a kapott jelet teljesítmény fetekkel kapcsolgatom a kimenetre. A "kvázidigitális" jelet analogizálom egy kimenti szűrővel. (Szűrők - másik kedvenc) Majd az "analóg" jelet visszacsatolom a bemenetre. Amiket nemértek azok inkább az ilyen-olyan részletek már az áramköri megvalósításban, pl. szinteltolás. Értem, hogy minek, nemértem, hogy hogyan. A hozzászólás módosítva: Júl 24, 2014
Én először mindenképpen a gyári ajánlást javaslom, azon kísérletezni.
Arra nagyon figyelni kell ennél az IC-nél, hogy a negatív táp (COM) soha nem tűnhet el !!! Létezik olyan "stabkocka", ami közel 60 Voltig működik, ráadásul nem is disszipatív, hanem kapcsolóüzemű: LM2575HV-12 Én azt javaslom, hogy a Gate-ket ne töltsd fel 15V-ra, hanem csak 12V-ra. Sokkal kevesebb energiába kerül a periodikus áttöltés.
Katt kollégának igazat kell adjak a következőkben: Először meg kell érteni a működését.
Másodszor: "Én a helyedben már annak is nagyon örülnék, ha egyáltalán egy gyári kapcsolást működésre tudnék bírni..." Hidd el, nem is olyan könnyű azzal az IC-vel jó erősítőt csinálni. Az alapkapcsolástól pedig lehet jobbat. A tápellátáson pont nem tudsz sokat variálni, viszont a visszacsatolások fajtáit lehet gyakorolni rajta. Külön megküzdhetsz a transzkonduktancia erősítővel, és a komparátor ki nem vezetett lábával... Nem lehetetlen, csak gondolkodni kell... A hozzászólás módosítva: Júl 24, 2014
Sziasztok! Elmélkedhetünk továbbra is, hogy mit kell(ene). De hogy haladjak is előre ezért még elolvastam pár katalógust stb. Meg úgy 40 oldalt az IRS2092 ről, 3x. Szóvval az eredeti kérdésem az volt, hogy hogyan kell bekötni a FET drivert. Teljesen mindegy, hogy most IRS2092, vagy IRS2112, vagy bármilyen más, a lábak ugyanazok, sőtt az ajánlott kapcsolás is.
Szóvval tényleg semmi újat nemcsináltam, csak a belső 20V os diódával tettem párhuzamosan egy 15V osat. Valamint a VCC ről kell egy diódán keresztül feltölteni VS-VB kondit, ill. a pozitív tápágról egy ellenállással. Úgy van az említett ajánlott kapcsoláson is, ez érvényes bármelyik fet driverre. Ezek szerint semmi új a nap alatt. Teszek azért, hogy megértsem és hogy valamit megcsináljak, még ha nem is egyszerű. De egyre egyszerűbb.
A belső diódája nem terhelhető, az nem azért van, hogy áram folyjon rajta. Csupán ESD védelem.
Mindenképpen külső táp kell. És nem javaslom a 15V-ot sem. (Leírtam miért, csak meg kell érteni) Ehhez meg kell tanulnod, és meg kell értened a MOSFET-ek statikus és dinamikus üzemben történű vezérlését. Ismerned kell a MOSFET-ek belső felépítését, helyettesítő képeit. Az nem a valóság, amit ma az iskolákban tanítanak. (Nem a Te hibád, hanem az oktatásé. De erősen ajánlott részletesen beleásni magad a kezdetektől)
Olvasok már én mindent... Különben igazad van. A mosfetekről elsőben volt valami a mikroelektronikai áramkörök keretében. Főleg képletek, akkor annyira nem izgatott a dolog meg nem is igen értettük, hát csak átsiklottunk felette. De szerencsére van egy jó könyvem a Manfred Seifart: Analoge Schaltungen und Schaltkreise szlovák fordítása, meg rengeteg magyar amiben elég jól le vannak írva ezek a dolgok. Ha úgy 3x 4x elolvasom megis értem, sőtt eszembe jut, hogy igen ezt tanították. Nekünk analóg elektronikából nem volt sok... Inkább DSP meg hasonló dolgok, amit szóvá is tettünk a tanszéken... Meghallgattak, jövőre változtatnak, sajnos minket nemérint már. Úgyhogy lehet, hogy "hülyének" tűnök ezekhez, de nem ezt az elektronikát akartam tanulni amit tanítanak. Ami meg érdekel azt magamnak kell.
Sny:
Idézet: „És nem javaslom a 15V-ot sem. (Leírtam miért, csak meg kell érteni)” Azért jobb a csak 12V mert magas frekvencián érvényesül a Cgs kapacitás, amit fel kell tölteni és ki kell sütni periodikusan, ezért jobb ha kisebb feszültségre töltöm és kisebbről sütöm ki. Végülis a kapcsolási sebességet befojásolja. Igy valahogy? A hozzászólás módosítva: Júl 25, 2014
Valahogy így, a sebességet is befolyásolhatja, de a cél a kisebb veszteség. Természetesen normális MOSFET kell hozzá, amely pl. már 7V-nál teljesen kinyitottnak tekinthető.
Nincs valami ötletetek a következőre?
Egy félhídban többnyire, ha a bemeneti jel pozitívban van, akkor az egyik FET vezet, amikor ez kikapcsol, akkor az alatta levő dióda veszi át az áramvezetést. A következőben megint az előbbi FET fog vezetni, aztán megint az előbbi dióda. Amikor a bemeneti jel polarítást vált, akkor ugyanez a folyamat, csak a másik FET és a másik dióda működik. Milyen jó lenne, ha a nem vezető FET-ek nem is kapnának gatevezérlést csak akkor, ha ténylegesen kell nekik áramot vezetni. Ha nem kapnak vezérlést, akkor együttvezetés sem lehetne a FET-ek között. tehát, nem kell bele DT sem. Valami ötlet? Karesz50-nel már törpölgetünk egy ideje ezen a problémán.
A Crown végülis ezt csinálja a BDC topológiában, csak ott a félhidat külön is szedte két buck-konverterre.
Szerintem Zoli van itt egy kis plusz nehézség, mégpedig az, hogy nem kettő hanem három eset fordul elő. Van két eset amikto az induktivitás árama nem vált már irányt, ott lehetne ezt alkalmazni, amit mondotok, bár szerintem szigorúan 200V-os MOSFETektől érné meg. És persze van az az eset, amikor az induktivitás árama irányt vált, ott ezt nehezen lehetne alkalmazni. Legegyszerűbb valószínűleg az áramváltó lenne, ha ellentétes áram folyik, akkor lezárnátok a gate-et. Egyben ez azt is eredményezni, hog yamikor a dióda árma lecsökken közel 0-ra (tekercs árama irnyt vált), akkor már érvényesül a logika által táplált gate jel. Utána lehetne alkalmazni komparátort, hasonlót, mint a szinkronegyenirányító IC-kben alkalmaznak. Csak itt pont fordítva lenne, , mert a szinkronegyenirányító IC pont bekapcsolná ekkor a FETet. Legegyszerűbben az is lehet csinálni, hogy van a normál gate meghajtó, tegyük fel a vége egy NPN-PNP pár. Fogtok egy szinkronegyenirányító IC-t, és a kimenetére raktok egy NPN tranyót, ami az előbbi NPN-PNP pár bázisát lehúzza. Nem teljesen korrekt megoldás, de nyilván lehet jobbat.
Hát igen. Vannak problémák, amiket katt-al közösen sem tudunk megoldani. Sőt Bruno írásaiból sem derül ki, hogy ő érti-e, vagy sem ezeket problémákat amiken most "törpölünk". Talán csak nem publikálja, vagy lehet, hogy nem is foglalkozik vele.
Azért lassan kezd összeállni a kép és készülgetnek a "K and K" erősítők
Olyan eset nincs amikor az induktivitás árama nem vált irányt.
Ha fix frekis PWM-et használsz, de még UcD-nél is (kicsit változik a freki), akkor nagyrészt CCM a tekercs, kis DCM szakasz van.
De ha jól sejtem ti egy végig DCM konvertert akartok csinálni? Volt már erre ötlet, PKNC is lehet csinál valahol hasonlót. A baj csak az, hogy ez azt eredményezi, hogy egyre nagyobb kitöltéseknél egyre jobban csökken a kapcsolófrekvencia, és a csökkenés a főfreki fele konvergál.
Sajnos nem értem ezt a rengeteg nagybetűs részt. Azt tudom, mit akarunk csinálni. A fojtó árama egy esetben nem vált irányt szerintem, akkor, ha az erősítő klippel.
Amikor kicsi a kivezérlés és közel 50% a kitöltési tényező, addig a folytó árama irányt vált. Nézd meg pont az 50% kitöltést, akkor mindig irányt vált, mindkét irányban azonos az amplitúdó.
A D-osztályban 2 crossover pont van, vagyis olyan kitöltés (adott frekvencián), amikor a tekercs árama nem vált már irányt. Ezt többféleképpen ki lehet számolni. Legegyszerűbb, ha kiszámoljátok hogy üresjáratban mekkora a tekercsen a búgóáram, aztán terhelés alapján visszaszámoljátok, hgoy mekkora kitöltés kell. Ebből adódóan ha azt szeretnétek, hogy a tekercs árama ne váltson irányt, akkor az első részt valahogyan ki kell, hogy hagyjátok. Ez első ránézésre nagy hibát jelet. Ráadásula z első résznél ZVS is elérhető akár, szóval nem tudom mért kellene kihagyni. Ki lehetne hagyni pl jittereléssel, de az nem lenne szerintem túl jó megoldás.
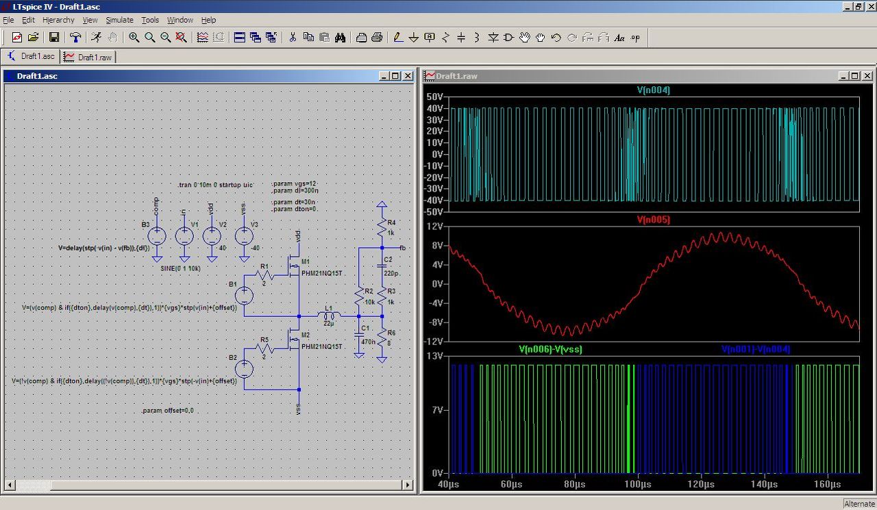
Hát.. számolni nem nagyon tudunk. De itt van két kép a PWM jelről, a 10kHz-es négyszög átvitel, és az 1kHz, ha klippel.
Az addig rendben van, hogy kis kivezérléseknél irányt vált a fojtó árama. Ha nő a kivezérlés, akkor egyre nagyobb amplitudójó lesz a fojtó árama, vagyis - pl. szinusz bemeneti jelnél - a fojtó árama is egy sávban belül, szinusz alakkal követi a bemeneti jelet. Ha elég nagy áram folyik, akkor csak a nullátmenetek közelében vált irányt az áram. Erre írtam tegnap, hogy a bemeneti jelre nézve, a pozitív félperiódusban egy FET, meg egy ióda vezet, a negatív félperiódusban meg a másikak.
A baj a bemeneti jel nullátmeneteinek közelében van, mert a fojtó árama itt nagyon kicsi. Az nullátmeneteknél az a probléma, hogy nincs áram, ami áttöltené a félhíd tranzisztorainak a kapacitását és nagyon lelassul a félhíd kimenetén a négyszögjel fel-lefutása. Ez meg nagyon belelátszik a kimeneti feszbe, vagyis komoly torzításokat okoz. Szimulátorban nagyon jól lehet látni, hogy ideális kapcsolókkal tökéletes a működés, de ha egy pici kondit teszek a félhíd kimenetére, már megjelenik a hiba. És nem lenne célszerű előterhelést betenni, mint a ZVS konverterekben a trafó mágnesező árama. Egyenlőre, csak szimulátorban nézegetjük, ott meg ugye vannak tökéletes áramérzékelők, tehát ez nem probléma. A Crown topológia nekem még szimulátorban sem megy rendesen. Nekem úgy tűnik, hogy a fojtók nem mágneseződnek rendesen vissza, mert kicsi feszültséget kapnak ami visszaállítaná őket. Teljesen úgy tűnik, mintha plusz veszteségeket kellene beépíteni... a bemeneti jelre nézve a harmadik, negyedik priódustól szép nagy egyenáram is folyik a fojtókon... működik, de így nem jó.
De, azért számolni tudunk, csak nem mindent érdemes. A kimeneti szűrő olyan, amilyen, célszerű úgy megválasztani az alkatrészeket, hogy egy adott hangszóróellenálláshoz ne legyen sem túlcsillapítva a rezgőkör, sem alulcsillapítva. Ez már meghatároz egy fojtót, az meg meghatározza az árammeredekséget, meg a fojtó áramának hullámosságát. Ezt persze ki lehet számolni, de annyi, amennyi, hiába akarnék kisebb hullámosságot, csak annak a rovására tehetjük meg, hogy a felső kritériumnak nem fog eleget tenni a szűrő. És ezzel az a baj, hogy különböző terhelésekre másmilyen lesz az egész rendszer viselkedése ( így is az, de talán ez az optimális ) És akkor még nem beszéltünk arról az esetről, amikor nincs rajta egyáltalán terhelés, mert akkor lesz igazán gerjedékeny. Vagy, elveszítjük a nagyobb sávszélességet. Meg a nagyon kicsi THD-t.
Legalább te dicsérd meg a szkópábrákat! Úgy látom, már nem nagyon foglalkozik senki a PWM erősítőkkel.
Igen... ilyesmire, de az a gond, hogy össze-vissza változik a vivőfreki, mint ahogy itt is látszik. Lekapcsolás után hirtelen begyorsul, majd lelassul.
Majdnem... ennek ránézésre is komoly torzítása van a nullátmeneteknél. Tedd fel hozzá a kimeneti fojtó áramát is. ( Az a legfőbb bajom, hogy nem tudom az ábrát értelmezni, nem tudom mi, micsoda. Nem értem ezt a szimulátort, nem tudom használni. )
Dehogynem! Hát mi...! Meg van dícsérve, nagyon szépek. Igaz, már láttam őket...
A hozzászólás módosítva: Aug 2, 2014
|
Bejelentkezés
Hirdetés |




Elindítani az IRFZ is megfelel. A PC porvasról meg csinálsz egy fotót pontos (mag)méretekkel, és megmondom hogy hány menetet hagyj rajta, 3 féle méretű magot szoktak oda rakni. Az 5V-os ág dupla tekercse van kívül azt lebontod, alatta van a 12V-os ágé ami olyan 80uH körül van ha jól emlékszem. Ebből kell rajtahagyni azt a 30uH-t. 









