Fórum témák
» Több friss téma |
Egy labortáp előszabályzós tápja lesz, és erre lesznek kötve érzékeny cuccok is, ezért nem szeretném ha bekapcsoláskor valami baj lenne.
A labortápon digitális vezérlés lesz, és erről akarom kapcsolgatni a tápot. A mellékletben a kapcsolás, amit el akarok követni.
Sziasztok!
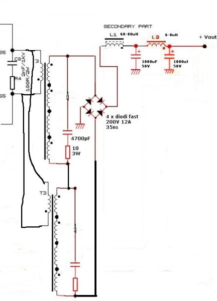
Szeretném a mellékletben szereplő kapcsolást megépíteni. A T1-es trafó okozza a legnagyobb gondot. Mint látni, menet számok vannak , de huzalátmérő nincsen. Próbáltam utána számolgatni, hogy ehhez a menetszámhoz milyen átmérő kellene. Nekem túl kevés menet jött ki, kb. a fele a rajzhoz képest. A trafó az elvileg EE30-as. Ebből indultam ki. A trafó adatait a Tali Bt. oldaláról vettem. Ezen az oldalon számoltam : http://www.free-energy.hu/pajert/index.htm?FoAblak=../pajert14/Traf...t.html Azt szeretném kérdezni hogy mit ronthattam el, illetve hogyan kell ennek a trafónak a teljesítményét kiszámolni? A vezérlő adatlapja szerint 100Khz-en járatja a trafót. Üdv.
Szia!
Nézd meg ezt: Bővebben: Link
Szia!
Köszönöm szépen! Kis eltéréssel ugyan ezek az értékek jöttek ki, Igaz én E30-as trafó értékeivel számoltam. Üdv.
Valakinek ötlete a ki/be kapcsolhatóságot illetően?
A DTC lábat vref-re húzva a táp leáll, jól értelmezem?
Igen azzal le áll, de én az ic tápját szakítanám meg.
Igen, a DTC-t(4-es láb) kb 2,5V-ra húzva leáll az oszcilláció (Részletes és pontos adatok a 494-es adatlapjában). De én nem bíznék ebben, mert bármilyen szoftverhiba, vagy kontakthiba, és kikerülhet a fesz a kimenetre. Én is ebből a rajból indulok ki, de én egy sima kapcsolóval vezérelt nagyon kis ellenállású MOSFET-el kapcsolom le a kimenetet, a puffer kondi után. Tehát az sem fordulhat elő, hogy kikapcsolod a tápot, és a pufferben tárolt energia gondot okozna.
Még egy kérdésem lenne, bár ez lehet nagy hülyeség.
Ha veszek 2db egyforma pc táp trafót, és a primerüknél párhuzamosan kötöm, viszont a szekunderüket sorosan, akkor mivel 1db pc rafó 25-30V-ot tud maximum leadni, akkor 2db-al elérhetem az 50V-ot? Lehet egyáltalán így bekötni őket? Kell ilyenkor valami változtatás a meghajtásban? Teljesítményben ugyanannyit akarok kivenni belőlük, csak a feszültség kellene több.
Természetesen megoldható, amit írtál, így dupla teljesítményed lesz. Csak figyelni kell, hgoy tényleg egyforma legyen a két trafó.
Ha neked nem kell dupla teljesítmény, akkor használj feszültségkétszerező egyenirányítást! Különben sem érdemes graetz-egyenirányítást alkalmazni a nagy veszteségek miatt.
A rajzodon levő megoldással már 100V-ot állítanál elő szerintem.
Így van, teljes kitöltés környékén ez így már 100V. Ha viszont a graetz helyett csak két diódát használ kétutasan akkor 50V lesz.
Először is köszönöm a sok segítséget.
Ha a graetz helyett a sima 2 diódás egyenirányítást használom, akkor is meglenne az 50V, és terhelhető is lenne? 250-300W-ot akarok kivennia tápból. 0-30V-ig 10A, 30 és 50V között 5A maximum.
Ha szabályozhatóra akarod(pwm) akkor nem jó a kétutas egyenirányítás. Viszont akkor amit rajzoltál az jó lesz csak nem rezonáns tápként. Hanem pl TL494 ic-vel.
tl494-es lesz vezérelve, szinte teljesen az alap atx kapcsolási rajza, egy-két aprósággal kiegészítve.
Pl.: primer oldalon mérem a terhelést és emiatt nem kell a szekunder oldalon a sönt.
Most csináltam egy ismerősnek egyet. A PC táp átalakítása nagyobb munka az biztos, de 2 potin és 4db diódán kívül szinte semmit nem kell venned hozzá, és lesz egy labortápod ami tud 1,2-50V közötti kimenőfeszt és kb. 50mA és 5-6A közti kimenő áramot stabilan.
Sziasztok!
Ez az első hozzászólásom az oldalon, egyébként is kezdő vagyok. A problémám a következő: Számítógépem (szerintem passzív) PFC-s tápja furcsán viselkedik. Ciripel, sípol, bekapcsolt állapotban kevésbé, leállított számítógép esetén jobban. Épp ezért mostanában már éjszakára kihúztam a konnektorból. Amikor visszadugom, akkor történnek az érdekes dolgok: kb 60-120 másodperc alatt éled fel a tápellátás, addig hiába akarom bekapcsolni a gépet. Eközben halkuló sípolás hallatszik és onnan tudom, hogy már bekapcsolhatom, hogy visszahangosodik a sípolás. Elég régi elosztóval használtam, ezért tegnap kipróbáltam másik konnektorból, másik hosszabbítóval és sokkal kellemesebb állapotot tapasztaltam. Gyorsabban kerül bekapcsolható állapotba a gép, csak leállított állapotban sípol, akkor is halkabban. (Illetve a számítógépes zenehallgatás alól is eltűnt a zaj, ami a korábbi felállásban már igen zavaró szintre jutott.) Ezt az egészet annak tulajdonítanám, hogy a földelés csatlakozója a régi elosztón már "igen rozsdás", ezért nem vezette el az apróbb zajokat. De ezzel vagy enélkül, miért tart a tápomnak több másodpercig mire képes az ellátást biztosítani? ![]() köszi a segítséget!
Szia!
Múltkori tápot kicsit átalakítottam, tekertem egy másik trafót hozzá, +/-50V DC-re. PC mag, szoros csatolással, 2 sor primer 0,6 x 0,25mm vezetékkel 38 menet, erre 2 sor 5 x 0,36 mm huzallal 2x13 menet, így teljes sorok adódtak, szórt induktivitás 14uH. Soros induktivitás 50uH, rez. kondi 2x47n. Üresjárat 2x54V, terhelve 47 ohm ellenállással, 2x50V (kb. 2A) , kb. 200W amivel tartósan próbáltam, nagyobb melegedést nem tapasztaltam. Terhelt szekunderen mért jelalak viszont nem az igazi.
Mekkora a kapcsolófrekvencia? A megadott induktivitás kondi mellett 62kHz lenne a rezonancia, és a legnagyobb kivehető teljesítmény 500W.
Nézd meg (számold ki), hogy nem telítődik -e véletlenül a soros induktivitás. Ha laza csatolással tekernéd, akkor megspórolhatnád a soros induktivitást.
Pontosan 62KHz, terhelve 60KHz.
Tudom, hogy kihagyhatnám a soros induktivitást, de ez a nyák már PC trafóhoz lett kialakítva, ezért lett szoros csatolású a trafó . Egyszerűbb is így kivitelezni, mint osztott csévével bajlódni. Soros induktivitást primer vezetékével, légréses magra tekertem, hosszabb idő múlva kb. 45-50 fokos a mag, FET sem melegebb.
Próbáld meg rövid ideig nagyobb terheléssel.
Ha rondább lesz, akkor telítődik a soros induktivitás. Ha szebb lesz, akkor csak még nem érted el az optimális terhelést. Olyannal is próbálkozhatsz, hgoy rövid ideig a műterhelést közvetlen a szekunderre csatlakoztatod.
Szia!
Gondolom a kondik elöregedtek, cserélni kellene őket, Ha "bemelegszenek" még összesedik magukat és működget. Szerintem ha nem értesz hozzá sürgősen cserélj tápot mielőtt a fél gépet hazavágja.
Ha már nem garanciális szedd szét, és nézd meg, hgoy nem látsz -e benne felpúpozottt kondikat.
Ha van ESR mérőd, akkor süsd ki a kondikat és mérd meg az ESR-jöket, amelyik a gyanus azt cseréld. Gyakori a meghibásodásuk.
Szerintem ez a jelalak teljesen elfogadható. A "recés rész" simán lehet a PC trafó saját szórása, a tekercselési kapacitása, és a diódák kapacitása miatt. Az pedig, hogy az átmenetnél trapéz szerű a hullámforma, direkt jó, mert kevesebb felharmonikust tartalmaz, mint egy négyszögjel.
Az, hogy nincs jelentős melegedés szintén azt támasztja alá, hogy nincs különösebb probléma.
Köszönöm, hogy megnézted, csináltam egy másik 50uH induktivitást, ezzel még kipróbálom. Szerintem sincs nagyobb probléma, jól tűri a terhelést, stabilan indul.
Az új induktivitással ez a terhelt jelalak.
Ez roszabb, mint az előző. A felfutások nagyon gyorsan indulnak, tehát az induktivitás nem fejti áramszabályzó hatását. Nagyon magas felharmonikusok is benne vannak, míg az előző felharmonikustartalma biztos sokkal kevesebb.
Próbálj kísérletezni az induktivitásokkal. A legjobb ha be tudsz szerezni ismert kis ferritet, beleraksz ismert légrést, és akkor tudsz vele számolni, hogy biztos ne telítsen be. Persze a laza csatolású transzformátor másik előnye itt jön ki, hogy a szórt induktivitás nem nagyon tud betelítődni.
Ez biztos, hogy rosszabb, percek alatt forró lett.
Megszületett a megoldás, fazékmag, nem melegszik, szuper jelalak.
Üdv Mindenki
Olyan rajzra volna szükségem amivel egy 2*100W-os QUAD-405 végfokot meg tudnék hajtani.A lényeg hogy olyan legyen amiben PC táp trafó van eredeti állapotban hogy ne kelljen tekerni. Nagy szükségem volna a segítségetekre. ![]() |
Bejelentkezés
Hirdetés |