Fórum témák
» Több friss téma |
A félhíd áramváltoban amit látsz tüskék, az ugye az áramváltó ahogy tölti a gate-eket. Változik a szekunder impedancia, így nem ideális áramváltó lesz. A gate töltéshez pedig áram kell.
Az az idióta lépcső amit meg látsz a gate eszkókon az szerintem pedig a miller-plató lesz.. Mivel minden összefügg mindennel (vagyis az áramváltódon több szekunder van). Ezért az egyik FET miller platója a másik FEen negatívként jelenik meg. Ez a táp nem ZVS, így bekapcsoláskor van miller plató.
FET GS jelalakok, és az áramváltón áram mérés:
Mit szóltok? Ebben is látszik pici törés, viszont itt szinte kézmeleg maradt a FET. Jó a frekvencia 43kHz körül volt, az önrezgőben 62kHz, de nem hinném, hogy ez számítana ennyit. Vagy igeN?
A félhíd felfutásodon látszik egy zavar. Vagyis a félhíd nem egy L-t (szórt induktivitás és mágnesező induktivitás), C-t (rezonáns kondi), R (terhelés) lát, hanem annál bonyolultabbat.
Miután a nyákterv kaki,v agyis igazából nincs nyákterv, ezért van egy szekunder rezonancia is valószínűleg. Ez akkor van, ha: - a trafónak jelentős szórt kapacitása van - a soros tekercsednek jelentős szórt kapacitása van - valahole gy tekercs csatol valami mással Miután az első kép tökéletes zakotaságról árulkodik, ezért próbáld arrrébb raknia z eszközöket, sé újra mérni. Ha változik, vagy javul, akkor a "hiba" oka a zakotaság!
Én ezt a Millet Plató fogalmat nem igazán értem mi ez, mire jó, mit csinál.
A táp mikor lenne ZVS? Ez mikor látszik? Mert tudok a rezonancia freki alá és felé is menni. Rezó freki alatt lenne a ZCS mód, felette pedig a ZVS nem? És ez meg pontosan úgy van állítva, hogy a lehető legszinuszosabb jelet lássam a szkópon. Akkor az a ZVS tartományba esik még éppen nem?
A FET gate-en brilliánsan látszik a miller paltó, vagyis közel sem vagy a ZVS-hez.
AZ áramváltón látszik, hogy nuku a mágnesező áram nagysága, vagyis nem is leszel soha közelebb a ZVS-hez, amíg nem adsz neki egy kis mágnesező áramot.
Juuj. Ez most összetett nekem. Tehát, minek kell nagyobb mágnesező áramot adni? Az áramváltóról tekerjek le az 50menetből, és mondjuk legyen 10menet 10ohm-al?
Vagy magának a főtrafónak, ami PC táp trafó, na annak kéne adni egy kis mágnesező áramot. Azt meg úgy tudom elérni, ha lentebb megyek a frekvenciával igaz?
Gondolom, ez már ZVS akar lenni. A 2. és 3. ábrán az látszik, hogy nincs elég terhelőárama a félhídnak, ezért nem töltődik teljesen fel a holtidő alatt a ZVS kondi. Ezért kell a légrés a trafóba, hogy legyen egy kis áram, ami a holtidő alatt áttölti a ZVS kondikat. Ha most hosszabb lenne a holtideje az ic-nek, akkor lehetne látni, hogy elkezd a félhíd kimeneti feszültsége visszafelé lengeni.
Nem érted a Miller platót? az Nagy baj, elő a tankkönyvekkel.
Most eygszerűen elmagyarázom neked: A MOSFET gate és drain között van egy kapacitás, ezt hívják reverz transfzer kapacitásnak (Crss), ami nem lineáris amúgy. A kapacitás egy feszültségszabyálzó esköz, azaz igyekszi, mindnent megteni, hogy feszültsége állandó legyen. Amikor te a FET-et be vagy ki akarod kapcsolni, akkor ugye a gate-drain feszültség változni akar, és ettől egy kapacitás szomorú lesz, de nagyon. Annyira szomorú lesz, mert ő a feszültséget állandóan akarja tartani, hogy töltéseket igényel. Egészen addig nem engedi a gate(-source) feszültséget nőni, amíg a gate-drain feszültség változik (azaz a drain-soruce és így a gate-drain). ZVS esetében a MOSFET-en a drain feszütlség nullára esik (például azért mert egy kis üde hálás mágnesező áram áttölti nekünk), és utána küldjük a gate-re a bekapcsoló jelet. Mivel a drain feszültség nulla, ezért a drain-gate feszültség nem változik (jelentősen). Így az előbbi gonosz kapacitás nem igényel töltéseket, így nem mutatja z előbbi miller platót a drágaszág. Rezonancaifrekin nem lesz tökéeltes szinusz! Mert ott van a mágnesező áram is. Vagy ha nincs mágnesező áram (vagy alig van),akkor nem tölti át a drain kapacitást, és így a gonosz kis Crss manó miller platóval csínt tesz.
Nem
és Nem. A főtrafóva kell légrést raknod vagy kevesebb primer menet használod. Nem nyert, Vágó István kéri a következő jelentkeztő a legyen ön is milliomosba
Aha. NA most a soros induktivitásban az önrezgőnél légréssel van beállítva a kívánt 51uH.
Akkor az se elég. De hogy a pékbe terheljem jobban ezt a félhidat. Nem értem mit kellene tennem vele.
Hát, nem jól válaszolt, de kap egy hangszórót...
Ha jól gondolom ( látom ) akkor most a szekunder be sincs kötve? Ha be van kötve, akkor növeld egy kicsit a terhelést. Ekkor fogod látni, hogy a drain-source feszültség kezd kiegyenesedni. Vagyis, kezd egyre jobban belesimulnia tápfeszbe.
Ha nincs a szekunderen semmi, akkor ugyanezt a hatást eléred azzal is, ha a főtrafóban elkezded növelni a légrést. Vagyis, nő a mágnesezőárama a trafónak, tehát, a tranyók átkapcsolásánál lesz áram, ami áttölti a ZVS kondikat.
Nagyon király vagy! Ezt megértettem elsőre.
A manóba! Akkor ezt ki kell szednem onnan. De a PC táp trafóba nem tudok légrést tenni, hacsak nem vágom földhöz és ragasztom össze Letekerni a primerből az szintén bontással jár. Akkor ez eredeti állapotában ettől többet nem fog tudni? De ha csökkentem a frekvenciát akkor hót ziher, hogy sokkal nagyobb mágnesező áram kellesz a vasnak, és akkor talán alacsonyabb frekvencián kiküszöbölhető a Miller effektus?! Csak elmélkedek... Kezd nagyon tetszeni ez a tápos téma. Ilyen mélyre sose mentem bele a dolgokba. Ez most a nem megy oszt jólvan kategória lesz akkor.
A szekunder a drótkazallal be van kötve egyenirányítóba és pufferbe, ami még nincs a nyákon mert minek egyelőre. 150W terhelés volt mind a két esetben a mérések alatt is!
Növeld egy kicsit a terhelést és közben nézd a drain-source feszültséget.
Ha van még pc táp trafód, akkor egyet törjél össze és tegyél bele mondjuk egy másolópapír darabot légrésnek. De úgy ragaszd össze, hogy változtatható legyen a légrés. Ezután a primert egyszerűen kösd párhuzamosan a bent levő, régi trafóval. Ezzel tudod majd elérni, hogy terhelés nélkül is ZVS lesz, hiszen ez az új trafó fojtónak fog számítani és ő adja azt az áramot, ami üresjárásban is áttölti a ZVS kondikat.
A leborult szivarvégit. Kössek párhuzamosan a jelenlegi PC táp trafóval egy széttört PC táp trafó primerét? :O Nem lehetne oda is készítenem valami induktivitást, ami légréses és a légréssel beállítani ZVS-be? Azt valahogy bejátszani?!
És ha kiszedem a miller platót, meg ZVS lesz, akkor szuperül fog működni? :S
Az 51 uH-t hagy úgy, ahogy van. A primerből ne tekerj le, bár elvileg jó megoldás, de az a baj, hogy a ferritek tulajdonságai változnak a hőmérséklettel, tehát változni fog a mágnesezőáram is. Be lehet szenvedni, de inkább ne csinálj ilyet.
Még azt nem értem, hogy ha folyamatosan rajta volt a 150W terhelés a szekunderen, akkor az miért nem elég? Mert nem ment üresen. És most ezen fennakadtam, hogy terheljem be nagyobb mágnesező árammal.
Dehogynem lehet készíteni. De széttörni egy trafót nem egyszerűbb? A drót rajta van, csak légrés kell bele... És ezzel a megoldással mindjéárt fogod tudni, hogy mekkora légrés kell egy pc táp trafóba ahhoz, hogy pont jó legyen. ( majdnem... )
Szuperül? Hajaj! Ha addig fel nem robban...
Azért, mert nem elég az áram ahhoz, hogy áttöltse ZVS kondikat. Pl: túl nagyok kapacitásra a kondik. A kondiknak mindegy, hogy mágnesezőáramot, vagy terhelőáramot látnak...
Biztató.
Amúgy ez így egész összetett kört fog alkotni. Került bele két rezonáns kondi, egy soros induktivitás, majd végülis még tenni kell a trafóval is párhuzamba egy légréses induktivitást, csak azért, hogy terheljem a félhidat, és ZVS legyen. Asszem kezdem megérteni. De ez így jó maszek... Jaj, ne robbanjon már fel! Most nincs kedvem robbantani. A hozzászólás módosítva: Jan 19, 2016
Nem egyszerű... viszont bonyolult... semmit nem adnak ingyébe...
Ezért kellene a Laci cikkét elolvasni. Az elejétől. És ahol nem érted, akkor azt megkérdezni. A végén már nem is kellene kérdezned a bemérésnél, mert végül is hihetetlenül logikus a működés... A hozzászólás módosítva: Jan 19, 2016
De érdekes nagyon. Ahogy lehet látni, hogy áll össze a rendszer.
És már majdnem sikerült lemondanom a PC táp trafókról, és tekerni egy légréses ETD49-et a nulláról kezdve. Mert eskü jöbban járnék, ha beleraknám a szórt induktivitással a rezonanciához szükségeset légréssel.
Melyik cikk az? Az irs27951-est olvastam, az nekem nem volt világos mindenhol. De van másik cikk is? Kipróbálom a keresőt.
Szépen leírtad, hogy mi lesz a végeredmény... a pc trafókat el fogod felejteni.
Van három cikk is, ami ezzel foglalkozik...
Transztyuszeres cikkében látom, hogy a MOSFET DS kivezetésével párhuzamosan tett 1-1nF kondit. Az miért jó ott neki? Azzal nem lehetne nekem is terhelni a félhidat? Esetleg átmenjen ZVS-be? Vagy ez hülyeség?
Megörjitesz! Azok az 1nF-os kondik a ZVS kondik! ( A tranyók drain-source kapacitásával együtt ) Azok a piros kondik nem ezek a paneleden? Azokat a ZVS kondikat kell áttölteni, amikor a félhíd vált!
A hozzászólás módosítva: Jan 19, 2016
Bocsánat, akkor kellesz egy rajzot összedobni, nem, a kis kondik a rezó kondik.
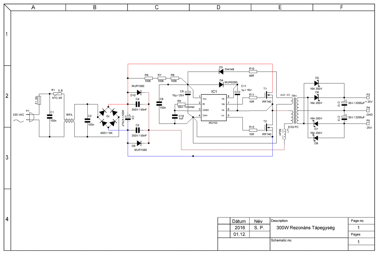
Így van most az IR2153. Soros Lr, és Cr.
A hozzászólás módosítva: Jan 19, 2016
|
Bejelentkezés
Hirdetés |








Akkor az se elég.






