Fórum témák
» Több friss téma |
Szia! 3-6, a bejövővel kösd párhuzamosan. (A kép a csalóka vagy most a bejövő tényleg a 3-1-be van kötve?)
Holnap megnézem, szerintem csalóka a kép.
Köszönöm!
Megérkezett a kapcsoló, a telefont is szétszedtem, jó lenne a bekötés a leírtak alapján.
A kérdésem az lenne, hogy vajon tudom-e a telefont, mint áramforrást használni a kapcsolóhoz, vagy mindenképpen oda kell vezetnem a 12V-ot? Köszönöm!
sziasztok,
az ötlet jó, de manapság a kaputel központok figyelnek arra hogy ne lehessen egy egyszerű vonal rövid zárral nyitni!!! Hasonló témában szenvedek én is.... Codefon központ és a képeden látható u.n. MKT készülék van rajta. Ezek nagyon régiek és a technológia is még az őskorból való. De sok helyen meghagyják, mert a központhoz lehet kapni MKT dekóder kártyát is és akkor nem kell minden lakásban lecserélni a kaputelefont, hanem elég csak a központot. Pl. a Codefon központ digitális és egy buszra vagy vonalra vannak felfűzve a készülékek, ez a vonal ad tápfeszt is nekik és a tápfeszre ráültetett digitális impulzusok vezérlik(csenget, nyit..) Azonban ahol meghagyták a régi készülékeket ott a digitális vonal csak egy MKT dekóder kártyába megy. Ezek a kártyák ált. egy mikrovezérlőbe írt programmal, illesztik a régi rendszert a digitális központhoz. Viszont figyelik is a vonal állapotát !!! ha rajta van a készülék csenget, de ha csak rövidzárat kap akkor simán eldobja a vonalat és nincs nyitás. Azt kell megoldani hogy a csengésre indul egy késleltető áramkör ami a hallgató bontóvilláját rövidre zárja, ezzel létrejön a "beszéd üzemmód" majd ezután egy másik késleltető áramkör megadja a nyitó gombra is a rövidzárat ami után már nyit. A kettő között pedig 2-5 másodpercnek el kell teljen, mert azt is teszteltem. Figyeli az áramkör hogy ne lehessen azonnal nyitni. mps: az hogy 1 es vagy 6 os az mindegy abban az esetben ha már nem kell külön zárnyitó szálat bekötni, mert akkor a zárnyitás már a vonalra adott rövidzárlat alapján történik. És az ilyen készülékekben az 1 és 6 os láb egy átkötéssel ugyanaz. (fotón J1 átkötés) Akad most nálam egy komplett központ dekóder karival meg készülékekkel, ha van ötlet, kérdés, akkor nyugodtan jöhet
Szia,
Hát ez érdekes, erre nem is gondolnék. Az a baj, hogy idő hiányába egyelőre nem tudtam tesztelni sem a kapcsolót és nem is tudom mikor sikerülhet ez. ![]() Mindenesetre a kapcsoló megvan, a telefon megvan, a Raspberry Pi is, ami a jelet fogja küldeni, és a program is nagyjából. Első körben a programot kell tesztelni rendesen, majd összepárosítani a RPi-t a kapcsolóval, majd a kapcsolót beépíteni. Van előttem munka és mivel teljesen magánba csinálom az iroda automatizálást, így ez időbe telik. Meddig lesznek nálad az eszközök? Mennyi időm van kérdezni? ![]() Köszi! ui.: nem Codefon a központ, valami nagyon régi csengetőnk van, amit folyamatosan kell nyomni amíg nem vesszük fel. Mivel ez elég régi, így talán van esély a sima rövidzárat használni. A hozzászólás módosítva: Máj 7, 2016
hmm igen annál van esély használni.
A legegyszerűbb hogy ketten kipróbáljátok: egyik fent a kézibeszélőt leveszi és a kezével visszanyomja a bontóvillát(csak akkor kell ha a nyitó gomb nem nyomható mert takarja a kézibeszélő). A másik felcsenget és közben a fenti csak egy nyitást nyom. Ha nyit akkor ok mert menni fog az általad elképzelt nyitás. Nálam vannak most egy ideig, mert ezt agyonverték rakattunk újat(biztosító), én meg szépen helyrehoztam és marad most játszani. Amúgy telepíteni nem nagyon szoktam ezeket viszont szerelni és karbantartani igen.
Remek, holnap ezt a tesztet megcsináljuk, aztán írok.
Teszteltük, jó lesz a sima rövidzár.
![]() A héten megpróbálom a programot belőni és összepárosítani a kapcsolóval az RPi-t. Jelzek, ha van haladás.
szuper én viszont elakadtam a másikkal, meg kellene tervezni egy egytranzisztoros késleltető áramkört illetve kettőt(az egyik "felveszi" a kézibeszélőt, a másik meg "megnyomja" a nyitó gombot), csak a méretezéssel vannak gondjaim .....
Ebben nem tudok segíteni sajnos.
![]() Remélem meg lesz, ha lesz programom ami működik, azt azért küldöm.
Sziasztok. Most regisztráltam és kérdésem lenne. Kertes családi házban kakom és a felújítás során kaputelefont vagy videó kaputelefont akarnák beszerelni. Kérdésem: milyet javasoltok (sima ill. video) elérhető árut). valamint hogyan tudom bekötni ? A kapu a lakástól kb. 20 m. A kinti résznek bírnia kellene az időjárást. Milyen vezeték kell ?
Várom válaszotokat.
Sziasztok,
Az lenne a kérdésem, hogy a képen látható Codefon kaputelefon esetén van-e lehetőség a csengetési hangerő csökkentésére, mert ezt valami elmebeteg állította be és nagyon durván hangos amikor valaki felcsenget! Esetleg lenne valami megoldás a halkításra? Azt néztem hogy külön csengő hangszóró nincs benne, így gondolom a beszéd hangszóró adja a csengetés hangját is. Akinek lenne ötlete kérem segítsen! üdv PIXI
Üdv,
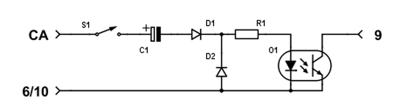
Adott egy 4+N-es URMET 925/210 központ és egy URMET 1133 kaputelefon. Ehhez szeretnék automatikus nyitást illeszteni - pl. a csengetés automatikusan nyissa az ajtót. Itt a fórumon találtam hasonló tervet, de nem tudom, hogy ez működne-e? Tudnátok kérlek segíteni benne? A CA a lakásonkénti egyedi csengető jel ami közvetlenül a kagyló hangszóróját használva csenget. A 9-es a kapunyitó kapcsolója. Kérdések: - megfelelő a kapcsolás? - a kondenzátor polaritása helyes? 470 µF elegendő? - mekkora ellenállásra van szükség? Köszi, János
Sziasztok,
Tudna vki segíteni CODEfon 111 kaputelefon van a házban egy ideje, de mostanában nem igazán akarja az igazságot. Több féle hibakódot is kidob. A kérdésem az lenne, hogy van vkinek listája a hibakódokról? Sehol sem találok a neten...
Központ üzenetei:
EEE - vonali zárlat (a hálózatban) off - nem látja a lakáskészüléket err - hibás számbevitel
Szia Köszönöm a választ, de nekem olyan hiba villog folyamatosan egymást váltogatva, hogy "H-13" és "H-19". Ezek mit jelentenek?
A hozzászólás módosítva: Aug 3, 2016
Megütötték a központot és a billentyűzet lámpái nem látják egymást. Az is lehet, hogy elkoszosodott a bordó plexi. WD40-el pucold meg a billentyűt és a bordó plexit. Ha nem segít, szét kell kapni a központot és beállítani a lámpákat.
Hali!
A képen látható kaputelefonunk már nincs meg és az újra fogalmam sincs melyik vezetéket hova kellene kötni, ezért kérdezném, hogy valaki látott-e már ilyen telefont és meg tudná mondani melyik vezeték mi a bekötés szerint?
Köszi szépen, megnézem!
Sziasztok! URMET 1148-45 (Sinthesi) 125 khz-es proxyolvasóhoz jó az olcsó kínai, mindehol használt 125-ös proxy? Állítólag nem(?), de ez egy "kissé" elfogult vélemény volt.
Az Urmet ezt ajánlja hozzá, listaár 1.380 + ÁFA: http://doorentrydirect.com/bitron-fd-010-012-bitron-transit-proximity-token Nem érzek rajta semmi különlegeset. Enyiért + minimális haszon senki sem veszi meg, inkább alárakok egy vandálbiztos olvasót és megrelézem. De az urmet saját olvasója igényesebb lenne a mostani billentyű helyére, két perc lenne szerelni és nem kell relézgetni, vezeték-keresni stb.
Szia!
A legegyszerűbb, ha elmész és veszel egy halk készüléket, mert lehet kapni halkat, normált és hangosat. Jó lenne tudni, hogy digitális-e a készülék, ezt ha szétszeded és befotózod, akkor itt valaki, akár én megmondom.
Ez egy Bolgár kaputelefon, MKT rendszerekhez való. Az új telefonodnak is ilyen típusúnak kell lenni. (hacsak közben át nem szerelték a társasház kaputelefonjait...) Ha küldesz egy képet az új telefonról tudom mondani a bekötést
Azt írják a drága kulcstartó a honlapján, hogy kompatibilis az összes 125 Khz-es olvasóval.
Szerintem jó az URMET-hez az óccó korong is. szvsz.
Sziasztok! Vásároltam egy RL-3207B típusú egylakásos, kétvezetékes, audio kaputelefon készletet. A problémám vele, hogy bentről kifelé tökéletesen működik, ha kintről szólnak bele, akkor viszont szinte egyáltalán nem lehet hallani semmit. Már garanciában kicseréltettem, de továbbra is ugyanaz a probléma. Találkozott már valaki ilyennel?
Sikerült kitakarítani, most teljesen jó
Nagyon szépen köszönöm a segítséget!
Sziasztok!
codefon MKT (két vezetékes rendszer)lehet PROEL PC-255 jamperes lakáskészüléket használni jampert mire kell állitani
Mivel a kaputelefonok többsége törpefeszültségű, a gyártóknak csak arra kell figyelniük, hogy a konkurencia termékei ne működjenek a rendszerükkel.
A Codefon csak a saját készülékével működik (tudom, tudom a DP-vel is működik, de ebbe ne menjünk bele) és a Proel is a KDC-t szereti kizárólag. szerintem
Sziasztok!
Nemrégibe szereltem itthonra egy commax kaputelefont. Árnyékolt kábelell kötöttem be és a kapuzárnak pedig külön táp kábelt huztam. Egy olyan problémám van, hogy a kagylóba elég zavaró háttérzaj hallatszik. Ha a kagyló ha le van rakva akkor is hallatszik. Mi lehet a gond? (A beltéri egységhez 230v tápkábel egy darabig az árnyékolt kinti egységet összekötő egyseg kábele mellett halad. 5m) Üdv. Orbán88 |
Bejelentkezés
Hirdetés |


















