Fórum témák
» Több friss téma |
Fórum » Knight Rider, oda-vissza futófény
Igazából mindegyik kimenet egy IRFZ44N-et nyit, mert LED-paneleket (1 panelen 132 DB 10 milis 25cd LED) hajtok meg vele. A kapcsolás tuti ez (mármint a kivitelezése), kimértem multiméterrel, nincs szakadás, stb... az IC-t is kicseréltem, nem változott. Valahogy azt kéne szabályozni, hogy mennyi ideig legyen egy kimenet nyitva attól függetlenül, hogy milyen gyorsan váltogatják a kimenetek egymást.
Rakj egy 1k-s ellenállást a test és a fet gate lába közé hogy le tudjon zárni rendesen hátha ez megoldja a problémát.
Igazad volt, így már a váltásnál, egyből zár a FET.
Köszi! ![]() Az ellenállás nagyságával lehetne állítani a tranzisztor zárásának időtartamát?
Késleltetni szeretnéd hogy kikapcsoljon? Ahhoz 2 ellenállás és egy kondi kell mert az ellenállás értékével csak annyit érsz el hogy instabilan fog működni mint eddig. A kondit az ellenállással amit pluszba betettél azzal kell párhuzamosan betenni és a másikat meg a diódák és a kondi ellenállás gate lábra. az 1k-s ellenállás értékének változtatásával lehet a kisütést változtatni ami hatással van a fet zárására is.
Értem, tehát a másik ellenállást a G, ás D láb közé kötöm.
Amúgy ezt azért akarom, mert alapesetben igaz, hogy 2-3 világított egyszerre, de amikor zárt egy tranyó, akkor elhalványodott a led (váltásnál), és ugye normális működésnél meg kialszik szinte egyből (váltásnál), ami számomra kevésbé hasznos.
így csináld meg, a kondi és a poti értéke az elhalványulást állítja de természetesen neked kell kikísérletezned a fix értékeket hogy milyen gyorsan is szeretnéd, és ha megvan a potit ki is lehet cserélni fix ellenállásra.
Üdv!
Megépítettem EZT a villogót, tökéletesen működik, csak annyi a problémám hogy csak akkor működik amikor folyamatosan nyomva tartom a nyomógombot. Ha elengedem, és megint nyomom, akkor állítja a sebességet is ahogy kell, csak ugye nyomva tartva... Az a kérdésem, hogy ezekben a mikor nyomógombokban is van nyitó meg záró? Mert gondolom ez a probléma nem? Vagy lehet egy nyomógombot fordítva berakni?? Remélem tudja valaki a megoldást! Előre is köszönöm! Üdv!
Sziasztok
Azt szeretnék kérdezni, hogy a futófénynek (a csóvásnak) Hogyan kell meg írni a kódját mert egy sima ide oda futót azt értem hogy egy switch -el el lehet intézni de hogyan lehet azt megadni a pic-be vagy AVR-be, hogy csóvát húzzon maga után ? ui.: lehetöleg c-ben kérném a segítséget.
Köszi majd még akkor utána nézek a pwm-nek mert még nagyon kezdő vagyok a programozásban.
Szevasztok!
Akarok csinálni egy "knight rider" villogót. Csak érdeklődnék h valaki itt már megépítette-e már ezt a kapcsolást? http://www.hobbielektronika.hu/kapcsolasok/knight_rider_futofeny_16...l?pg=2 vagy mi a véleményetek róla?? ( hogy mégis érdemes-e belekezdenem??)
Ha más nem a cikk írója biztosan megépítette.
Sziasztok .
Egy ilyen futófényt szeretnék építeni ami a mellékelt videó linken van 0:16 és 0:28 másodberc között. Kérdésem az lenne, hogy tud e valaki kapcsolási rajzot esetleg nyákrajzot? Köszönöm http://www.youtube.com/watch?v=oLZXe4OtCGM&feature=related
Sziasztok!
Van nekem egy ilyen knight rider áramköröm, tök jól működik. Hogyan tudnám úgy átépíteni, hogy egyel kevesebb leddel működjön?
Nem tudom, volt-e róla szó ebben a verzióban, de vagy 15 éve megépítettem egy ledes metronómot. A ledek mozgása olyan volt, hogy a mechanilkus metronóm ingájának a mozgását imitálták. Azaz a két vége felé lassuló mozgást mutatott.
Egyszer járt nálam egy kamionos, és mikor meglátta, azt mondta neki ilyen kell a kamion elejére! Addig nem hagyott békén, megépítettem neki ugynezt a kapcsolást a kattogó hangszóró nélkül, és a ledek helyére tranzisztorokkal kapcsolt izzók kerülek. Majd kibújt a bőréből, mikor felkerült a járgányára! Próbáljátok ki, nem olyan bonyolult.Itt egy ugyanolyan kapcsolás, mint anno készült...
Én is pont olyan metronómot szeretnék belőle csinálni. Nekem az a bajom. hogy nem igazán szerencsés, elrendezés szempontjából a páros számú led. Mert középre, az "inga" aljára két led jön ki, nem egy. Amit linkeltél az is páros, meg az enyém is. Nem akarok újat csinálni, akkor, marad ami van. Legfeljebb két sárga led lesz az alján.
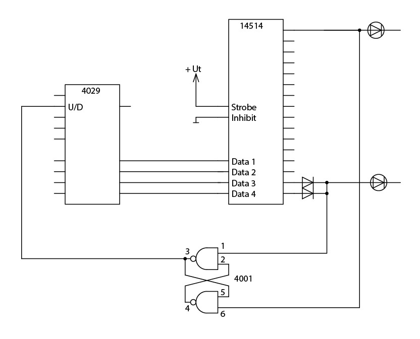
4001 egyik fele: NOR kapukkal tároló (fel, le vezérlés).
4001 másik fele: NOR kapukkal órajel előállítás 4029: Fel-le számláló 14514: 4 - 16 dekóder Egyszerűen a két utolsó kimenetet egy-egy diódával össze kell kötni és azt a tároló bemenetére adni. Így 15 kimenetet fogsz használni, nem 16-ot, máris lesz közepe a rendszernek.
Nem értem. A 82s129-nek a 9-es lábára egy diódát, 10-es lábára egy diódát, ezek végeit összekötni és rá a 74154 20-as lábára?
Vagy. A 74154 16-os lábára egy diódát és a 17-es lábára egy diódát, végeit összekötni és azt hová? Bocs, de nálam ez digitális elektronika sötét.
Én 14514-es IC-vel csináltam annó futófényt (jobban szeretem a 12 V-os tápfeszültséget), de szerintem egyre gomdolunk. Ebben a felállásban a 16 helyett 15 LED-es lesz a futófény. A két láb összekötése nem létfontosságú akkor, ha a számláló automatikusan nullázza magát 15 után (0-15 -ig számol). Elég a tároló bemenetét az utolsó előtti kimenetre kötni.
A tároló mondja meg a számlálónak (4029), hogy felfelé- vagy lefelé számoljon. Ha előbb kap jelet, akkor előbb billen át, tehát lehet csökkenteni a kimenetek számát, ha úgy kívánod. Nézegettem a virtuális metronóm kapcsolásokat, én hiányolom a lábak összekötésénél a diódákat a kimeneteken, hogy a magas kimeneten megjelenő feszültség ne tudjon áramot hajtani egy alacsony állapotban lévő kimenetbe. A hozzászólás módosítva: Dec 27, 2012
Nem jött össze, nem egyforma a két IC.
Sziasztok! Tudtok nekem mutatni olyan kapcsolási rajzot ami 4,5V-6V ról működne és mondjuk nem szívná le egyhamar az elemeket? (olyan min.6-ledesre gondoltam). Csináltam egy párat (persze csak szimulációban;-ugye itt nem tudom kiszámolni hogy kb mennyit bírna a 4 db 1,5V elemel). Meg volt olyan kapcsolási rajz is hogy 4,5V ot írt hozzá na de itt annyira nem világítottak erősen a ledek. (gondolom az élőben is így mutatta volna meg magát.) Ha tudtok olyat mutatni,vagy valaki már épített és nem merül le 10 perc alatt akkor azt megköszönném. Előre is köszönöm. Üdv.
Használj szuperfényes ledeket ,azok már 5mA árammal egészen jól világítanak, ha erre az áramra tervezed az előtét ellenállást akkor egy "laposelemmel" akár egy hónapot is elmegy kikapcsolás nélkül!
Köszönöm a választ! Kérhetek egy linket hogy mégis milyet? na meg szerinted melyik kapcsoláshoz? köszönöm,Üdv.
Olvass bele a témába , biztosan találsz 5-6 kapcsolást ami megfelel .
Sziasztok! Xilinx programban kellene megvalósítanom 8ledből álló oda vissza futófényt. Feltétel hogy 1db FF lehet benne és így ötletem nincs hogyan csinálhatnám meg. Esetleg tudnátok ötleteket adni,vagy ha vki tud kapcsolási rajzot? (Xilinxben ellenállásokat és kondikat se tudok használni szval ezek nélkül kellene)
Szia! Én ez esetben javasolnám a Texas Lauchpadját. Egyrészt mindössze kb 800Ft a készlet, másrészt egy citromba dugott két elektródáról is igen sokáig eljár. A szoftver pedig kissé buta és egyszerű, de működik:
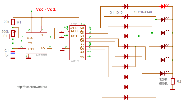
Sziasztok, készülök megépíteni egy ilyen futófényt 4017-tel.
A mellékelt képen a zöld számok jelzik az IC lábait, na de mik azok a Q-k? A kimenetek sorrendjét jelöli? De akkor miért vannak a lábak össze vissza? Vagy hogy is van ez?
Szia.
A 4017 tokozásán belül az adott lábak funkciója található. Q betűvel a kimeneteit jelöljük a Johnson számlálónak (is). A tokozáson kívül a zölddel írt számok a lábak. 4017 üzem közben
Köszönöm.
Tehát ha jól értem, nekem kell sorba rakni a kimeneteket.
Sziasztok nekem van egy knigt rideres futófényme, csak valamiért nem megy végig, a középső 4 nem világít, a vezetékezés mindenhol jó, kapcsolási rajzot nem tudok mutatni mert csak kaptam. Mi lehet a problémája. Csináltam róla egy videót is.
https://www.youtube.com/watch?v=Dq0IoQ6L0V8&feature=youtu.be
Szia ! Sajnos nem tudtam jól megszámolni a videón, de úgy tűnik, 24 LED-ed van és 20-bites vezérlésed. Persze tévedhettem is, mert nem igazán látni jól. Illetve nem látom azt sem mivel vezérled. Kicsit több infó nem ártana.
|
Bejelentkezés
Hirdetés |














