Fórum témák

» Több friss téma
Fórum » Központi zár
 
Témaindító: Zolcsi80, idő: Márc 26, 2007
Lapozás: OK   6 / 25
(#) Narancs válasza bbalazs_ hozzászólására (») Aug 20, 2009 /
 
De, tisztában vagyok, csak minnél jobban kifejtett a dolog előrehaladása /és ezért nem veszek minden alapvetőnek a beszélgetésben/ többen tudnak majd tanulni a dologból ezeket a sorokat olvasván.

A sebességet "feszültség ként" juttatja az elektronika a kilóméterórába? Arra gondoltam hogy valami jelként mint pl. a fordulatszámmérő, de így hogy mondod ez kézenfekvőbb.

Közben elkészült az Arduino-s program, kipróbáltam egy nyomógombbal, és nagyfesz nélkül, és működik.
ATtiny-val akarom megcsinálni, ehhez kérnék segítséget, hogy program íráshoz, illetve hogy mi az a legolcsóbb fajtája ami ezt meg tudja oldani.
(#) Narancs válasza lapose hozzászólására (») Aug 20, 2009 /
 
Ötletnek jó, elismerem. De pl ATtiny-val kb. 5 alkatrésszel megoldható.
(#) lapose válasza lapose hozzászólására (») Aug 20, 2009 /
 
Lehet bonyolultabb is, pl. ha megáll az autó akkor kinyissa-e az ajtókat, vagy maradjon lezárva. A gyáriakban szokott lenni egy figyelő is, hogyha kiold a légzsák nyitja a zárakat.
(#) Narancs válasza lapose hozzászólására (») Aug 20, 2009 /
 
Gyujtás levételekor nyit a rendszer, ez megoldott.
(#) lapose válasza Narancs hozzászólására (») Aug 20, 2009 /
 
Idézet:
„Ötletnek jó, elismerem. De pl ATtiny-val kb. 5 alkatrésszel megoldható.”


Idézet:
„ATtiny-val akarom megcsinálni, ehhez kérnék segítséget, hogy program íráshoz,”


Persze, ha meg tudod írni a programot..
(#) Narancs válasza (Felhasználó 15355) hozzászólására (») Aug 21, 2009 /
 
Beszállok, gyujtás rá hogy bekapcsoljam a rádiót, és csatt, ez nekem nem volna ideális.
(#) Narancs válasza lapose hozzászólására (») Aug 21, 2009 /
 
Ott a pont főnök!

De azért ráfeküdtem a dologra, mert programozni tudok, csak más nyelvből kell az ATtiny-ra fordítanom, mert amúgy már megvan írva mostanra. Ha összejön, írok is. De ha valami AT mágus előbb megtenné, kezet csókolnék neki.
(#) vzoole válasza Narancs hozzászólására (») Aug 21, 2009 /
 
Kb így nézne ki egy komplett áramkör...

Szerintem a nehezebb feladat a sebesség jelének levétele valahonnan.

Gondolom mechanikus a sebességmérő rendszer (a swiftben az) így semmiféle elektromos jelet nem lehet levenni.

Vagy egy optokapus, vagy egy reed relés érzékelőt be kell építeni valahova.

Mivel a bovdent megbontani "lehetetlen" így csak az órában helyezhető el az érzékelő...
vagy az óra és a bovden közé be kell tenni egy közdarabot, amibe beépíthető az érzékelő.
(#) Narancs válasza (Felhasználó 15355) hozzászólására (») Aug 21, 2009 /
 
Jah, értem, másra gondoltam. De a vezérlő ezt megoldja, csak a zárás részébe akarok belenyúlni.
(#) Narancs válasza vzoole hozzászólására (») Aug 21, 2009 /
 
Ezt mivel szerkesztetted, mármint az ábrát?

A gond hogy ez már nem huzalos megoldású kilométer óra.
(#) vzoole válasza Narancs hozzászólására (») Aug 21, 2009 /
 
Az nem gond, inkább jobb, mert egyszerűsödik a feladat...

Csak azt kell kideríteni milyen formában jön az órába a jel.

Analóg a mutató?

Eagle programmal csináltam a kapcsolási rajzot.
(#) kajozs hozzászólása Aug 21, 2009 /
 
Ha esetleg kell, itt a rajz az autóról (a pdf 35 mega).
alto
(#) vzoole válasza kajozs hozzászólására (») Aug 21, 2009 /
 
Így komolyabb átnézés nélkül azt vettem ki, hogy egy kis generátor küldi a jelet a kilométerórának.

Akkor még egyszerűbb, mert csak feszültséget kell figyelni.

Előtte viszont meg kéne mérni a műszerfalban, hogy milyen tartományban mozog ez a feszültség (és hogy valóban így működik-e).
(#) Amarton válasza Narancs hozzászólására (») Aug 21, 2009 /
 
Én ezt úgy oldanám meg, hogy a sebesség jelet, ami neked digitális integrálnám. Ugyan az az elve, mint a fordulatszám mérésnek.
Az integrálást meg lehet csinálni egy RC taggal, de szebb megoldás egy műveleti erősítő integrátor kapcsolásban.
Ez a váltakozó négyszögjelből megfelelő feszültségszintet állít elő.
Műveleti erősítőből lehet komparátort is építeni, ami a megfelelő analóg szint elérte után átbillen, és bekapcsolja neked a központi zárat.
Vannak olyan 8 lábú műveleti erősítők, amiben 2 erősítő van egy tokban, így az egész áramkör megoldható 1 8 lábú műv. erősítővel és pár ellenállás + 1 kondi.
Ha ez az elv megfelel, akkor összerakok neked egy elvi rajzot. Ha nem erre gondoltál, akkor nem babrálok vele
(#) VRubenX válasza Narancs hozzászólására (») Aug 21, 2009 /
 
Értelek!

Akkor még talán ha van benne ABS akkor valamelyik keréktől jövő jeladójából is le lehetne venni a jelet bár az lehet, hogy csak annyit tud hogy forog e a kerék vagy nem. Ha esetleg megmondod a kocsid típusát akkor lehet hogy tudunk kapcsolási rajzot keresni az elektronikájáról és úgy lehet hogy könnyebb lenne a dolog.
Üdv.
(#) Narancs válasza VRubenX hozzászólására (») Aug 21, 2009 /
 
Van benne ABS. Suzuki Alto 2005 a kocsi. Az ABS-nek utánakérdeztem autószerelőnél, azt mondta hogy onnan ne akarjak jelet venni, mert agyvérzést kap . Bonyolult, és macerás. Tehát marad a kilométer óra.
(#) Narancs válasza kajozs hozzászólására (») Aug 21, 2009 /
 
Ezt komolyan nem hiszem el, mióta keresem már, nem találtam sehol, és erre hopp te belinkeled. El sem tudod képzelni hogy milyen hülyének érzem magam, mert 6:47-kor küldted, és reggel 9-től délután 5-ig építettük be a zárat, és baromi nagy segítség lett volna. Csak most este ültem ide megnézni a postokat. Azért lesz még rá szükségem bőven!

Örök hálám!
(#) Narancs válasza Amarton hozzászólására (») Aug 21, 2009 /
 
Erre kíváncsi lennék, jöhet a dolog.
(#) lapose válasza Narancs hozzászólására (») Aug 21, 2009 /
 
Szia!

Kb. ilyet mutattam neked az első oldalon..
(#) Amarton válasza Narancs hozzászólására (») Aug 21, 2009 /
 
Valami ilyesmire gondoltam.
A potméterrel be tudod állítani a billenési szintet.
Attól függően, hogy a riasztónak milyen feszültség kell a kimenetre kötött alkatrésztől függ ( azt nem rajzoltam oda) Ha GND kell, akkor egy tranzisztort hajtson meg a második műveleti erősítő. Ha magas szint, akkor elvileg maradhat így is.
Ennek a kapcsolásnak a nagy előnye, hogy nem terhel rá a km órádra.

Ha csak 5V kell a riasztónak, akkor a műveleti erősítő tápját 5V-ra kell kötni.
(#) Narancs válasza lapose hozzászólására (») Aug 21, 2009 /
 
Mire írtad, már Én is rájöttem. Bocsesz.
(#) roka válasza Amarton hozzászólására (») Aug 21, 2009 /
 
Csak kérdezniszeretnék egyet. Éspedig azt ,hogy ha a sebesség jelado jelét veszed alapul ennél a kapcsolásnál akkor szerintem nem lessz korrekt értékelés mivel a jelado tudtommal negativ félhullámu négyszögjelet ad ki és nem feszültségszint változás van hanem freki változás.. Ha rosszul gondolom akkor gondolom kijavitassz, mert az indoklásodbol nem tünik ki az adott frekvenciához adott fesz érték rendelése a müv. erősitő által.
Nem kötekedésnek irtam ne érts félre légy szives, mert nem én vetettem fel ugyan ezt a témát de engem is érdekel kicsit másabb témában témában .
(#) Narancs válasza kajozs hozzászólására (») Aug 22, 2009 /
 
Esetleg az ehhez tartozó kapcsolási rajz könyved nincs meg?
(#) Narancs válasza roka hozzászólására (») Aug 22, 2009 /
 
Kiderült hogy soros átvitellel kommunikálnak a dolgok a kocsiban, így a kilométer óra is. Most feküdtem neki hogy ezt hogy csináljam, de vannak fejlemények. A soros átvitel némileg szabványos legalább.
(#) kajozs válasza Narancs hozzászólására (») Aug 22, 2009 /
 
Nincs mit. Az elektromos kapcsolása szerintem egy Autofit-ben, vagy Autodata-ban biztos megvan.
(#) Panhard válasza Narancs hozzászólására (») Aug 26, 2009 /
 
Igaza van VrubenX-nek, az ABS jeladóról a leg egyszerűbb levenni a jelet. Én a saját kocsimba építettem digitális kilométerórát, és hozzá a jelet a bal első kerék ABS jeladójáról vettem le, tökéletesen működik. Előnye az is, hogy nem kell szétbontani a műszerfalat, hogy hozzáférj a sebességmérő jeléhez, hanem a motortérből hozzáférni az ABS vezetékéhez.
Az pedig amit az autószerelő mondott nem igaz, nem lesz semmi baja tőle az ABS vezérlőnek. A jeladóban feszültség indukálódik, kerékfordulatonként kb: 40-szer, 2 eres vezeték megy rá, amire rákötheted a saját elektronikádat. A lényeg az, hogy ne terheld le a jeladót. Ha kell megkeresem a kapcsolási rajzot ami alapján rákötöttem a digitális kilométerórát.
(#) Narancs válasza Panhard hozzászólására (») Aug 26, 2009 /
 
Úgy értette a szerelő hogy elég problémás elhozni onnét, mert hülyén van megoldva nálam. De ha ennyire bevált, akkor kérném a kapcsolási rajzot, hátha tényleg ez lesz a vége a dolognak.
(#) akos70 válasza Narancs hozzászólására (») Aug 26, 2009 /
 
Csak egy gondolatot füznék a dologhoz. Nem akarok abba belemenni, hogy mivel jobb, ha 15km/h sebességnél, és nem feklenyomásra zár a központi zár, szerintem tökmindegy, és kár emiatt belebarmolni egy fiatal auto amugy is érzékeny lelkivilágába.

Viszont:
Idézet:
„Gyujtás levételekor nyit a rendszer, ez megoldott.”

Ez kevés. Ha balesetet szenvedsz, nem biztos, hogy le fogod venni a gyujtást, adott esetben a zárt ajtok hátrányosan is érinthetnek téged. (Jo, tudom,be lehet törni, de az is idö...)
Szoval ha már nem mindegy, hogy mire zár, szerintem az se legyen mindegy,hogy mikor legyen nyithato.
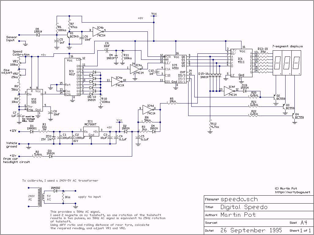
(#) Panhard válasza Narancs hozzászólására (») Aug 26, 2009 /
 
Itt a kapcsolás amiről beszéltem:

speedo.png
    
(#) bbb válasza akos70 hozzászólására (») Aug 26, 2009 /
 
Ha az ember olyan sérülést szenved egy autóban, hogy nem tudja kinyitni az ajtó gombját, akkor a tűzoltók simán levágják róla a kocsit.
Így tehát az örök vitatéma miszerint nyitva/zárva legyen az autó vezetés közben szerintem teljesen meddő, a tűzoltók simán bejutnak, nem feszélyezi őket egy bezárt ajtó látványa.
Következő: »»   6 / 25
Bejelentkezés

Belépés

Hirdetés
XDT.hu
Az oldalon sütiket használunk a helyes működéshez. Bővebb információt az adatvédelmi szabályzatban olvashatsz. Megértettem