Fórum témák
» Több friss téma |
Fórum » Labortápegység készítése
Most építem Attila86 labortápját. Elfogyott a 4.7k-s ellenállás (az alk.listán csak 2db van pedig 3 kell). Az R13 helyére ha 10k-s ellenállást rakok, akkor nem lesz gáz? Ahogy látom az csak kisüti a nagy elkót.
beültetési rajz kapcsrajz előre is köszi
Tegyél bele két ellenállást, vagy sorosan vagy párhuzamosan ami van otthon. Egy kis segítség. Bővebben: Link Én is ezt csinálom ha nincs otthon. Alkotó labortápjával ma készültem el, igaz "félkész" de működik, még pár hét és nem egy drót és trafóhalmaz nyáklappal a közepén, nagyon ígéretes, 6,8K 2W nem volt itthon összeraktam más ellenállásokból. Ha nem lett volna trafóm nem kezdtem volna neki.
Proli mester, lenne még egy kis problémám, tudod a leddel, nos az a helyzet, hogy a led 2-3mA nél nem kap többet amikor ugye áramkorlátozás van. Ezért a led előtti 3k3-at csökkentettem, így már világít amikor bekapcsol az áramkorlát de az a problémám vele, hogy nem akkor kapcsol be amikor bekapcsol az áramkorlát hanem amikor sokkal később, hogy ehy konkrét példát mondjak, 25V 5A nél vagyok, Rt 10ohm. Elkezdem lecsavarni az áram potit, 22v 4A- led nem gyullad ki, 18V kb 3A itt kezd kivillanni a led, nem tudok rájönni mi a gond. A led 5-6mA-t kap. Próbáltam tovább csökkenteni a led előtét ellenállását de nem lett jobb. Van ötleted esetleg merre keresgéljek?
Üdv.
Szia!
Itt ezt a problémát nem is tudod megoldani. Mivel egy LED nyitófeszültsége 1,6-2V között van, a LED csak akkor fog világítani, mikor a tranzisztor bázisellenállásán 1,6-2V feszültség esik. Üdv: Pioneer
Megnéztem a szimulátorban ezt a dolgot. Nekem az áramkorlát bekapcsolásakor 5V esik azon az ellenálláson, tehát a LED vílágít. A hiba akkor nálad keresendő. Mérd meg mekkora feszültség esik nálad az ellenálláson az áramkorlát létrejöttekor.
Szia, csatolom a legutóbbi szimulációs file-t. Minden jól be van lőve rajta már, tuti a táp ezt leszámítva.
Megmértem, ha 3k3 marad, akkor 6,5V esik rajta.
Végeztem méréseket. A led előtétjét csökkentettem 1k-ra. Abban a pillanatban ahogy bekapcsol az áramkorlát 4V esik rajta, itt még nem világít a led. Majd ahogy tekerem le a potit elkezd működni az áram szabályzás és emelkedik az ellenálláson eső fesz egészen 7V-ig. A kettő között valahol 5V környékét kezd világítani a led.
Lehet jobban járnák, ha az ellenálláson eső feszültségre kötném a ledet egy stab kockával
Hello!
Idézet: „A led előtétjét csökkentettem 1k-ra. Abban a pillanatban ahogy bekapcsol az áramkorlát 4V esik rajta, itt még nem világít a led.” Ez azért elégvicces, mert ez azt jelentené, hogy már 4mA folyik a Led-en. Akkor miért nem világít? üdv! proli007
A LED áramát állítsd be 2mA-re, a sönt ellenállást 1,2kohm-ra.
Nem tudom, de tényleg így van ahogyan írtam. Lehet ez is a szimulátor hibája? Pontosan 4mA megy át a leden ahogy mondod és nem világít, a lednél a potenciál különbség 1.8V Ettől már világítania kellene.
Azért nem világít, mert a szimulátorban magasabb érték van megadva hogy mikor világít. De ez állítható a led tulajdonságainál.
Na ennek utánnanézek, nem is gondoltam rá.
És működik! Köszi a tippet, így tökéletes az egész. Uraim, köszönöm mindenkinek a segítséget!
Hölgyek Urak!
Remélem nem tiltja semmi az ilyen kérdéseket! Tájékozódom, hogy az olvasók közül, illetve az ő ismeretségi körükben van-e (lenne-e) igény, a rádiótechnikás labortápegység (átalakítva 0-50V 0-5A) csomagban történő vásárlására? (természetesen az én nyákommal, és minden alkatrésszel együtt, no meg persze dokumentációval) Továbbá ha igen, akkor része legyen-e a csomagnak a digitális kijelző rész, illetve a trafó? továbbá az örök kérdés: a hűtőborda? Ez a táp, most már sokszorosan ki van próbálva, és azt hiszem, az amatőr igények legszélsőségesebbjét is képes nagyon megbízhatóan kielégíteni. Kérem a véleményeket, mert csak igény esetén szervezem meg a dolgot. Alkotó
Szép jó estét!
Szerintem jó ötlet.. Bár még nem találkoztam evvel a táppal
Szerintem jó ötlet. Kezdőknek haladóknak nagy segítség a nyák. Mindenre a mellékfelszerelésekre is áldozni kell, ez olyan dolog pont ami nélkül egy elektronikai hobbista nehezebben boldogul, ész érv azt diktálja hogy aki most kezd egy ilyen szélsőségesen kipróbált kitet megvásároljon. Főleg ha a nyák készítéssel bajban van, nem látok bele a he kit árösszetételébe, annyit mondhatok hogy ha még minden a helyi kiskeráron van és a nyák benne van megéri megvenni, egy ilyen nyák elkészítése ha még a terv meg is van nagyon halványan egy óra. Nem beszélve arról hogy vagy sikerül vagy nem. A minősége még a legkifinomultabb módszert használva is gyakorlással vasalásos technológiával kétséges. Visszatérve a helyi kisbolt áraira, egy 2n3055 ára 280 ft, és szinte minden más ami kell a duplája, kivéve amire nem merték rátenni a dupla árat mert akkor nem vinnék, nekem személy szerint szerencsém van mert tudom a bolt nem rendel félvezetőkből kétségeset, de sokféle boltos van nem csak ilyen...
A panelmérő modul jó kérdés, kitben olcsóbb de ha kispénzű az amatőr és beleszámítjuk a trafó kit doboz hűtőborda L idom összeszedésének nehézségeit opcióként javaslom egy tételben megvásárlását a panelmérőnek. Hűtőborda de legalább L idom jól jön, persze olyan dobozt kivitelezni ami ehhez kell ahhoz szerszámok kellenek, ha minden egy kitben van a doboz is lehet, persze azt meg kell tervezni. Amit tudok egy kitben én így vásárolnám meg ha szükségem lenne még kettő darabra szimmetrikus táphoz: nyák, alkatrészek, ajánlott L idom mérete opcióként: L-idom, panelmérők. Persze szerintem ha olyan a borda minimális vezetékelés, légszerelés saját felelőségre. Ez a táp, a panel így kerek ahogy most van.
Persze, remélem a szimulációs file megteszi. Ha elkészül a nyák is, akkor teszek fel teljes doksit. De ha nagyon kell akkor valahogy megoldom JPG-be is.
Üdv.
Jólvan tévedtem, jobb lett de nem tökéletes, 25V nál néztem ott rendesen működött, de ha emelem a feszültséget, akkor elmegy teljesen. Max feszültségen azaz 50V-nál, 10A-től jövök lefelé. és valahol 4A nél gyullad ki a led, addig semmi. Miért van ez?
Én nem ismerem ennek a tápnak a működését, de a potikat mozgatva nekem jónak tűnik.
Minden jó rajta, szépen szabályozza a feszültséget és az áramot is, csak próbáld meg légyszives, hogy feltolod a feszültséget 50V ra és az áramot is maxra, és nézd meg hogy nálad mikor, vagyis hány százalékos potiállásnál gyullad ki a led amikor veszed vissza az áram potit.
Szia!
Azért nem világított a LED 50V-os kimenőfeszültség mellett, mert az áramkorlát létrejöttekor csak 3V körüli feszültség esett az ellenálláson. Mellékeltem a javított kapcsolást. További jó kísérletezést. Üdvözlettel: Pioneer
Már épp kezdett nekem is összeállni, reggel óta nem hagyott nyugodni, nálam az értékek majdnem olyanok lettek mint nálad, de a te értékeiddel precízebb lett a led, azért nagyon köszönöm, azt fogom használni inkább. Ahogy én beállítottam az értékeket alacsony feszültségnél teljesen jó volt, max feszültség és áramnál csak 500mV után gyulladt ki a led, de a tiéd az szuper. Köszönöm szépen.
Egész jól alakulgat a dolog.
Javaslom nézd meg. Főleg ha tápra van szükséged, és főleg ha olyanra, amivel dolgozni lehet, nem pedig olyanra amit folyamatosan bütykölgetni szeretnél.
Alkotó
Nagyon karaj lett, ha szabad ezt mondani. Ennek örömére megcsináltam a 36V-os transzformátorhoz való változatot is, egy két értéket kellett módosítani, de szuper lett, és ezt már magamtól csináltam, ez azért már valami. Lassan elkezdhetem a nyákot tervezgetni.
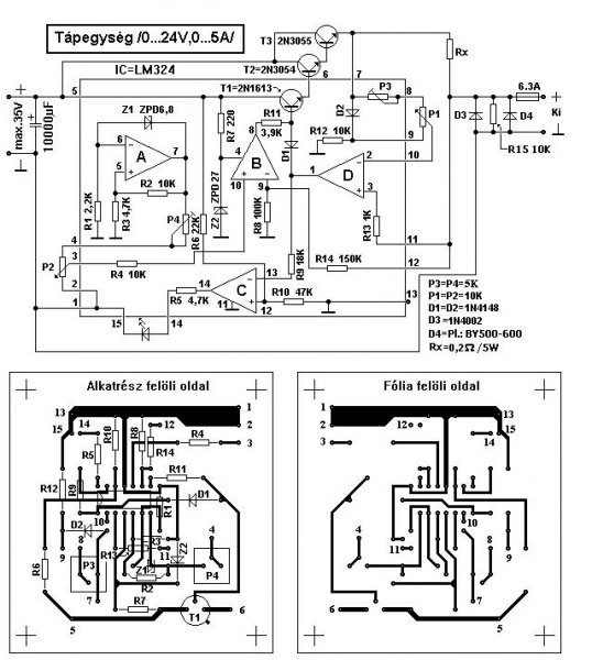
Sziasztok!
A csatolt tápegység bekötésére lennék kiváncsi. (bemenet a trafórol,valamint a kimenetekre,És az IC típusa is érdekelne,mert nem látom sehol odaírva.) Kapcsoltam a fóliarajzot is,hátha valaki kedvet kap a megépítésére!
Az ic típusa oda van írva :LM324
Bemenet barról és a kimenet ahova az van írva hogy KI. (De ez mind rajta van a rajzon.)
Hello, ravasz nagyon, mert a "max.35V" a bemenet, a "ki" pedig a kimenet. Az IC tipusát pedig "IC=" vel jelöli. De inkább ne ezt építsd...
|
Bejelentkezés
Hirdetés |











