Fórum témák
» Több friss téma |
Fórum » Labortápegység készítése
Sziasztok! van nekem egy 230/24voltos trafóm. ehhez szeretnék építeni egy egyszerű, szabályozható tápegységet, amiben az áramerősséget, és a feszültséget is tudom állítani 0-24 voltig , 0 és x amper közt. ez nem lényeges annyira, csak a feszültség. ha valaki tudna ilyen kapdcsirajzot küldeni nekem, egyszerűt, olocsón megépíthetőt hüly* gyerek számára, mint én, annnak nagyon nagyon örülnék. üdv: uli
sziasztok. tudom béna vagyok, de ott van kb 20 db kapcsolás. nekem melyiket kell néznem? üv:
ugye a leges legelső kapcsolásra van nekem szükségem? az 1,2-25 V adjustable regulator-ra? de azzal nem csak feszültséget tudok szabályozni? üdv: uli
sziasztok,
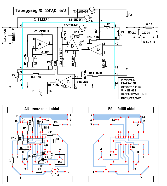
en megepitettem ezt a kapcsolast de valahogy nem mukodik. a gondom hogy a kimeneti feszultsegem csak 1.2 mV, es nem valtozik a potmeterek allitasaval. a bemeneten 34V AC van, egy graetz hid van a kondi ele kotve. tranzisztorok kozos kollektoran 46V korul mertem. a 2N3055 helyett egy Tesla KD503-ast, a 2N3054 helyett egy KU611-est az 1N1613 helyett egy KF506-ost, a 6.8V zener helyett pedig 2NZ70-et hasznaltam. a kondim 15000mikroF-s. szakadt kabel, rossz forrpont nincs. hol mit kene mernem hogy rajojjek a hiba okara?
Szevasz. Az IC 4-es és a 11-es pontja között 27V-ot lehet mérni?
Hali.
Akkor vagy rossz a Zener dióda vagy fordítva tetted be.
szia,
a rajz szerint tettem be, a katodja a kis fekete csik. megyek teszek a helyere masikat. egy hulye kerdes: hogy tudom kisutni a kondit? meg mindig 20V van rajt...
Egy 100 ohmos ellenállással zárd rövidre pár másodpercig.
Nekem még aggályaim vannak a bemenő fesz miatt is! A pufferon elég lenne 35V-a 46 helyett. Lehet hogy ez nyirta ki a zenert......túldisszipált,és a vége :zárlat. Sőt biztos!!!. A másik is tönkre fog menni ha nem csökkented a bemenő feszt!
A félreértések elkerülése végett csak megkérdezem hogy az IC 4-es és 11-es lába között mértél ekkora feszt vagy a rajzon megszámozott összekötések között.
a 4 es 11 lab kozott merek 1,6V-t. a kondi 15000mikro/35V. a zenert kicsereltem, ugyanaz. megforditsam? a 46V-t a minusz es a tranyok kollektora kozott mertem.
Mex-nek igaza van!
Az R7-es ellenállás nincs megégve? Én a 220ohm helyett inkább 2,2K ellenállást tennékR7 helyére ha 46V a bemenő fesz.
Mielőtt a harmadik zenert is betennéd mérj rá a kiépitett példányokra hogy zárlatosak-e. A zener katódja a 4-es lábbal és a 220ohmos ellenállással kell hogy összekötve legyen(gyűrű).
jelentem az r7-es az orok villamos mezokre koltozott, a zenereket bemertem, jok. hogyan tovabb?
az elso zener is jo volt, kar volt kitepni )
mielott nekialltam az epitesnek lemertem mennyi a feszultseg a graetz utan, 34.1V-t mutatott, pontosan. akkor meg nem volt rajta a kondi
Még szép hogy a kondi berakása után megemelkedett a fesz. ugyanis a kondi feltöltődött a csúcsfeszültség értékére de ez visszaesik ha terheled.
A hibásnak vélt alkatrészt sem kitépni hanem kiforrasztani szokták majd kiforrasztott állapotban bemérni hogy valóban hibás e. Mint mondottam az R7-est növeld meg, a műveleti erősítőnek nagyon kicsi az áramfelvétele így az is elég lessz oda.
2k7-sem van, megprobalom azzal, a zenert azert teptem ki mert nem akarom tul sokszor ki-be forrasztani, a masikat igy raforrasztottam ideiglenesen a kilogo labakra.
koszi fiuk, most mar muxik. 11mV-tol 18,2V-ig tudom szabalyozni a feszt, az aramszabalyozast hogyan merjem le?
milyen modon tudnam meg megemelni a maximalis kimeno feszt, legalabb 20-22V-ra? a potmeter ellenallaserteket esetleg eleg lenne megvaltoztatni? az aramkorlatozast is jo lenne letesztelni valahogy.
Ha a kimenetre kapcsolsz 2db 1ohmos ellenállást sorbakötve legalább 5W-osak legyenek.
És az áramkörbe sorba egy ampermérőt. Vagy az egyik ellenálláson méred a feszültségesést, ezért szerencsés az 1 ohmos ellenállás könnyebb számolni
Ha jól csalódom akkor a P3 és P4-es potikkal tudod beállítani a maximum értékeket
koszi. igen jol csalodsz a p3, p4-el allitom igy most max. 18,2-re, feltetelezem hogyha csak a trimmert cserelem kisebb ertekre (ami a max. kimenot adja) az eleg lesz nem?
terheles alatt a tapot hogyan tudnam kiprobalni, hirtelen nincs semmim ami komolyabb aramot tudna felvenni, van otleted?
26.6V van rajt. de buta vagyok persze hogy autoizzo
hiaba este van munka utan...
A potik értékét hiába cserélgeted.
Az IC 7. lábán 6.8V-van?
Szerintem a 2.7k a lónak a túlsó fele.A led is fogyaszt,cseréld ki~1-1.5k-ra.
|
Bejelentkezés
Hirdetés |





)





