Fórum témák
» Több friss téma |
Fórum » Labortápegység készítése
Tegyél sorba a potival egy kb. 100R-os ellenállást. Arra az oldalra, ahol a csuszkája van minimum állásban. Az ellenállást persze majd módosítani kell szükség szerint.
Okés. Egyébként most néztem, hogy a P1 áramkorlát potméter nagyban befolyásolja, hogy a kimeneten mekkora a - feszültség. Ugye a P1 fesz.osztóként üzemel. Viszont itt tanácstalan vagyok, hogy hova kellene raknom egy plusz ellenállást...
Köszi az eddigi segítséget.
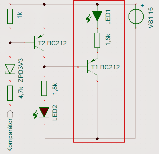
Szia! Ha már FET meg komparátor meg referenciafeszültség és mi egyéb. Nem akartam már ezt a tápot igazából itt tovább feszegetni, de hátha ad némi ihletet, végül is szerintem most pont témába illő a dolog. Itt ez a rajz, nálam bevált ebben a felépítésben. A fórumozók segítségével alakítottam át FET-es áteresztő fokozatúra. Származását és működését szerintem már ismered mint a tenyeredet. Kis kiegészítés a "CV" feszültséggenerátoros üzemmódot visszajelző LED. Ezt pedig Prolinak köszönhetem!
A hozzászólás módosítva: Feb 12, 2014
Szia!
Hát igen ez lényegében ugyan az mint az én mostani rajzom. A legfőbb különbség hogy a referencia itt uA723-al van előállítva, a fesszabályozás nem feszültségvezérelt és az üzemmódjelző LED másképp van megoldva. A potikon itt sincsenek lehúzó ellenállások és a poti recsegését és a kapcsoló prellegését gátoló kondik. A második képeden lévő módosítás pedig nem az igazi mert nem a feszültség-generátoros üzemmódot jelzi hanem az áramgenerátoros üzemmód-jelző LED-et invertálja. Azaz azt feltételezi hogy ha nem áramgenerátoros módban meg a táp akkor biztos feszgenerátorosban. Néhány napja már írtam erről itt hogy ez miért nem jó. Ráadásul ez a LED-eken kívül két ellenállást és két tranzisztor tartalmaz, a rajzom szerint bekötve elég csupán egy szem ellenállás is. (Amúgy ha tudtam volna ennek a rajznak a létezéséről, nagyjából elég lett volna csak ezt belinkelnem Alkotónak mikor kérdezte hogy milyen ötleteim vannak a 2.7.4 feljavítására. ) A hozzászólás módosítva: Feb 12, 2014
Pioneer, miért nem zár le szerinted a FET teljesen és mi okból nem lesz lineáris a szabályozás?
A FET-nek elméletileg le kellene zárnia, viszont szimulációban nem akarja ezt. Ezért ezt élesben kellene kipróbálni, mivelFET-ekkel eddig nem igazán dolgoztam még.
A szabályzás nem-linearitását is szimulációban néztem, de szerintem amiatt lehet ez, mivel "kettős" feszültségosztónk van. Egyik a szabályozó potméter, másik a negatív tápágon lévő ellenállás. A hozzászólás módosítva: Feb 13, 2014
Sziasztok!
Még régebben vettem egy labortáp kitet. Viszont egy jó darabig süllyesztőben volt és idő hiányában én sem nagyon űztem a hobbit. Mostanság viszont egyre nagyobb igény lenne egy normális, használható tápra. Kezdetnek az lenne a kérdésem hogy: érdemes e kezdenem vele valamit, vagy inkább nézzek innen egy jól bevált labortáp kapcsolást. (A kapcsolás 5A-esre alakítható.) A hozzászólás módosítva: Feb 13, 2014
Hello! Szerintem ha már úgyis megvan hozzá minden, akkor építsd meg ezt, és bár nem tudom mire szeretnéd használni, de ez jónak tűnik. Későbbiekben még mindig építhetsz innen egy másikat, ha ez kevés lesz. Sok sikert!
Szia! Ez a rajz így jó, ahogy feltüntették. Nem ajánlatos ebben a konstrukcióban átalakítani 5A-es áramkorlátozásra, mert az az egy szem TIP tranzisztor teljesen biztos, hogy nem fogja kibírni!
Köszönöm a válaszokat! A lényeg akkor hogy használhatónak tűnik, élesztési próba megvolt már működik. Az 5A-t nem én találtam ki a KIT rajza tér ki erre a lehetőségre. 3-4 A elég lenne kezdetnek szerintem ezt még tudja kis módosítással (pufferek, graetz, TIP csere).
A másik gondom meg az lenne hogy 24V-os trafó a leggyakoribb, ebből tudnék normális áron megfelelő teljesítményűt szerezni a kapcsolás meg max AC 22V bemenő feszt ír elő, ezzel lehet gond, így 33V körül lenne egyenirányítva pufferelve, ha igen megoldható módosítással?. A hozzászólás módosítva: Feb 13, 2014
Szia!
Az LM324 sajnos csak +-16V-ot bír ki, a 22V egyenirányítva 31V körül lesz. A 33V az már sok a komparátor miatt. Én tennék a komparátor tápjának egy 24V-os zéner diódát.
Idézet: „Én tennék a komparátor tápjának egy 24V-os zéner diódát.” Akkor a maximális kimeneti feszültség szűk 22volt lesz.
Így is úgy is. De akkor legalább meg tudja táplálni a trafójával.
Tehát akkor ennek az icnek ez a max, mással nem tudom ki cserélni komoly módosítás nélkül gondolom. A trafó nincs még meg. Egy 20 voltos trafóval 28 volt még ki jönne nem? Sajnálom hogy nem jó a 24v mert azt később is fel tudnám használni egy komolyabb táphoz .
Rakj össze 26-28V-nyi zenert, ezzel stabilizáld a műveleti erősítő tápját. Így működni fog a táp, ahogy kell, csak a kimenő feszültséged csökken nagyon kicsit, ahogy már dB_Thunder mondta. Más hiba nem lesz.
Sziasztok !
Ezt a tápot érdemes megépíteni? Van már labortápom de ezt is kipróbálnám.
Megkérhetlek hogy egy rajzzal vázold fel hogy hogyan gondolod. Nem teljesen értem hova és hogy kéne bekötni. Előre is köszönöm.
A hozzászólás módosítva: Feb 14, 2014
Szia!
Nagy vonalakban így, ahogy a képen van.
Rendben így menni fog köszönöm szépen (mindenkinek aki segített)!
Remélem ennek köszönhetően egy jó kis készülékkel gazdagodom.
Szerintem hosszú távon meg fog felelni az elvárásaidnak. Sokáig használtam egy hasonlót, nekem nagyon tetszett!
A zenerrel soros ellenálláson lehet csökkenteni, ha nem akar jól működni a kapcsolás, pl.ha összeesik a kimenő feszültség terhelés hatására, stb. Ezt majd a tesztek döntik el. Ha pl. 5A-t veszel ki, ahhoz azért kell bázisáram. Ha nem jó ez a megoldás, akkor tranzisztorra kell megfejelni a zenert, vagy LM317-tel is elő tudsz állítani 30V-ot, annak pedig nem gond a nagyobb bemenő feszültség. Talán most inkább utóbbi megoldást javasolnám, ha még nincs kész. LM317 sokkal pontosabb kimenő feszültséget ad, mint egy zener páros, és legalább terhelhető is! De persze csak akkor rakd be, ha a zeneres dolog nem megfelelően működik!
A hozzászólás módosítva: Feb 15, 2014
Sziasztok!
Lenne egy amatőr kérdésem. Meg szeretném építeni a Frankye által közzétett, egyszerű labortápot ami itt szerepel az oldalon: Bővebben: Link És ehhez ezt a feszültségmérőt: Bővebben: Link Az lenne kérdésem, hogy hogyan kéne átalakítani a kapcsolást, hogy a tápegységből le tudjak szedni stabil 5V-ot amihez a mérőműszert tudnám csatlakoztatni?
Nem csak +5V kell, hanem -5V is (aminek kicsi a terhelése).
Hello Mindenki!
Ma már minden "valamire való" univerzális töltő-kisütő készülékben található egy USB csatlakozó. Nem tudom gondolkozott e már valaki azon, hogy egy analóg labortápba USB-s "Data Loggert" építsen, melyet aztán PC-n keresztül a kijelzőn, akár "élőben" is, nyomon tudná követni az esetleges változásokat, diagrammal, értékekkel. pl.: akkuk feltöltési folyamatának nyomon követése, erősítők nyugalmi áramának beállási ideje, hibás, túlmelegedésre "megnyúló" alkatrészek tetten érése, be-ki kapcsolási tranziensek láthatóvá tétele, esetleg az élesztendő áramkör gerjedésének ellenőrzése, de akár a labortáp öntesztje is jól látható lenne a kijelzőn..stb (ezek csak hirtelen jött ötletek, biztos van akinek más is eszébe jut). A diagramot meg -ha kell- el is lehetne menteni valamilyen formátumban. Nagy hülyeség? (vagy ezt csak és kizárólag PIC-el vezérelt áramkörrel lehet...szokták alkalmazni) A hozzászólás módosítva: Feb 15, 2014
Próbapanelen megépítettem az áramkört, de sajnos nem sok mindenre jutottam vele. Annyit variáltam, hogy a bemeneti C12, C13 kondikat 2200µF értékűre cseréltem (ez volt kéznél), C11, C14, C15-öt, D6-ot kihagytam, a potikra kötött ellenállásokat (R21, R22), és kondenzátorokat (C16, C17) szintén. Terhelés nélkül indítottam, és azt vettem észre, hogy a kimeneti feszültség fokozatosan mászik felfelé, a potikra egyáltalán nem reagál. A pozitív stab. bemenetén kb. 19V-ot mértem, a C10 kapcsain pedig 23V körül, a kimenet pedig már 42V felett volt, amikor kikapcsoltam. Közben a FET iszonyú forró volt, remélem nem ment tönkre, a C10 is elég meleg volt, és a trafó is erősen zúgott. A negatív ág diódája (D5) észrevétlenül átment szakadásba, kicseréltem, de az is ugyanígy járt. Beraktam helyette egy erősebbet (1N5819), mondván hátha a nagy kondi miatt van, bár mind a kétszer a negatív ágban szállt el, az már túlélte, de ekkor meg a stab. (7912) melegedett erősen, és a FET is égetett. Van valakinek ötlete?
Első körben biztosíték és/vagy áramkorlátozó izzó a primer ágban. Utána egy képet a művedről és egy kapcsolási rajzot tölts fel.
Igen, ezt raktam össze. Képet rakhatok fel, de mivel még csak dugdosós próbapanel, túl sok mindent nem hiszem, hogy ki lehet venni belőle.
Ez jobban hangzik még nem kezdtem el semmiféle módosítást így még lehet ötletelgetni.
Itt a rajz jól értettem? Jelöltem a módosításokat is. |
Bejelentkezés
Hirdetés |






) 









