Fórum témák
» Több friss téma |
Fórum » Labortápegység készítése
12V-ot írtam volna?? Tényleg megyek aludni, 15V kisáram, 36V 11A.
Tudom hogy jó a tápodhoz, ezért írtam idézőjelbe hogy "valamire" elhasználom. Igazából van még rajta egy kisebb kimenet, azt hiszem az a 12, de lehet hogy nem, nem tudom megmérem majd de a 15 az biztos.. Gondoltam rá hogy eladom, régebben, úgy is hirdettem itt a HE-n hogy a te tápodhoz tökéletes, de nem kellett senkinek, 8-10 körül árultam a kettőt irányáron, de rájöttem jobb is hogy nem adtam el, annyira szép állapotban vannak hogy nagyon.Egy-egy disco lámpából valóak, 36V400W-os izzókat hajtottak egész éjjel. Szóval lehet egyszer még megépítem a te tápodat is , ha ezt kevésnek találom, azokba gyártatni sem lehetne jobbat ennél. Na jó lehetne de ez tök jó bele. Vígan elvinné.
Na pár kép az elkészült tápról.
Te , ezek nem MAN kijelzők? ha igen honnan szerezted, nem tudsz még egy párat? ÜDV.
Írtam van 50Ft/darabért zöld a délinél a mikrovill-ben, ezt a pirosat meg a ret-ben vettem, nem man, hanem valami más a 4 szám stimmelt, letöltöttem az adatlapot, lábkiosztás stimmelt, kipróbáltam, bejött. Darabja 140Ft körül volt.
Leteszteltem én is az elektronics-labos tápomat: 12V-on 1.5A terhelésre 140mV-ot esik. Sokallom :no:
Ha az R11 alsó lábát külön kivezetem a negativ kimenetre, segitene valamit? kapcsrajz A táp panelről a kimenetet 1.5-ös sodrott rézvezetékkel vezettem ki. A tápról bő 3A-t tudok kivenni, igy gondolom kizárhatom a teljesitmény tranyó (3055) és az azt meghajtó Q2 (2N2219) tranyó alulméretezését(?) Milyen ötletetek van?
Szia. R11 alsó lábát a negatív és R12 és a kondenzátor jobb lábát pedig a pozitiv csatlakozóra vezesd ki.
Négyvezetékes kimenet!
![]() Szerintem nem biztos, hogy az R11 kivezetése elég lenne...
Sziasztok!
Szert tettem a napokban egy 1K-ohmos helipotra, előlapra szerelhető, arra gondoltam beépítem a SPafi tápba áramkorlát potinak, érdekelne, hogy használt már valaki helipotot áramkorlátra, és mik a tapasztalatai effelől, tehát mennyire "kényelmes" ez a megoldás, jobb e így vagy a kétpotis e a jobb? Nem rossz e a nagyon sok tekergetés, avagy jó mert precíz.Szóval ha valakinek vannak már tapasztalatai szivesen meghallgatnám. Üdv. igen eddig én is eljutottam ám
Hello!
Én a tápomba mind két helyre helipotot tettem. Egyetlen hibája, a magas ára. Igazán akkor lenne hasznos, ha kalibrált lenne az áramkorlát poti, mert akkor rövidzárás nélkül is előre beállítható lenne az áramkorlát érték. (bár készíthető olyan kapcsolást, ahol ez megvalósítható) Sajnos csak tíz fordulatos kapható jelenleg belőle, és az értékállító is csak 100-as osztással készül. A három fordulatú, célszerűbb lenne, de az égen földön nincs, és valószinűleg nem is lesz már soha. Sajnos az értékállító diál csak precíziós kivitelben ér valamit, viszont a potinál is többe kerü. Így marad az egyszerű forgatógomb rá. Régebben ezres osztású "digitális diálú" potit is használtunk, ami dekádonként volt állítható fel és le. Ma már csak elérhetetlen álom. üdv! proli007
Pro:
- A helipot jobb minőségű még a fém házas normál potiknál is. - Csak 1db poti kell, így kevesebb helyet foglal a készülék előlapján. Kontra: - A helipot k**va drága. - A helipotiknak általában nincs tengelye (legalábbis amiket én ismerek). - Két normál potival (durva és finomhangolás) gyorsabban be lehet állítani a kimenő áramot. - Két normál potival lehet olyat játszani, hogy a durva potit határolóként használod (a finomhangoló osztásarányának erejéig). - Az nem igaz hogy helipotival pontosabban be lehet állítani akármit is, hiszen két poti esetén az egyikre kisebb osztásarányt kell hagyni (finomhangoló poti) és máris ugyan az a helyzet.
Szia!
én mindenképpen kettőt teszek bele, de nem helitrimmert. Én a fesz állító potit fogom kettőből tenni a 10K mellé egy 1K. Nekem nem lesz szükségem olyan pontos áramkorlátra szerintem. Általában végfokokat készítek, és ott olyan mindegy, hogy 0,4 vagy 0,7A. Ha nem jó neki úgy ahogy be tudom állítani egy potival akkó egye meg a fene... Fontosabbnak tartom az eddigi tápegységeimből kiindulva a feszültség pontos állítását. Egy sztereo potival állítottam az ős tápomnál a feszt, aszt csá, hát olyan is volt. Az újabbnál egy sztereo poti plusz két kisebb mono, a Spafi félénél meg két külön poti plusz két kisebb ellenállású sorba vele. Jó munkát! üdv.
Kedves Proli007, Attila86 és Hapro, mindhármótok véleményét olvasva és végiggondolva, fogalmam sincs mi tévő legyek!
De tényleg, Tulajdonképpen mindkét megoldásnak megvannak az előnyei/hátrányai. Bár ez a helipot nem annyia drága, precízíós, 10fordulatos, 300Ft/Db, +posta, majdnem ennyi egy gagyi poti is.Végül is úgy döntöttem beleteszem a tápba és majd az idő eldönti, ha használatkor nem fog zavarni a sok tekergetés megmarad, ha zavarni fog akkor kidobom belőle, bár most így eszembe jutott valami, mégpedig az ,hogy helipotnál ránézésre nem is lehet megmondani mennyi áram van engedve míg a simánál nagyjából meg lehet saccolni. Hmm lehet jobban jártam volna, ha 10K-s at szerzek és inkább a feszhez rakok helipotot, mert azt folyamatosan látom úgyis, vagy ezt az 1K-t berakhatom a 10K-s feszállító poti mögé is nem? Így extra pontos fesz állítást valósíthatnék meg mindamellet, hogy ha szükség van rá azonnal le is tudom tekerni a feszt vagy az áramot, mert akkor az áramnak normál 1K-100ohm potikat tennék be. Erről mi a vélemény?
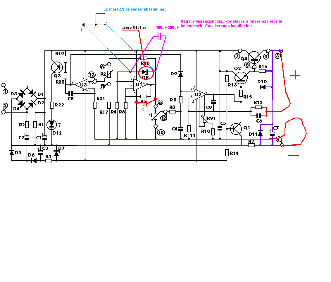
Szia! Én nem ismerem ezt a tápot, de átnéztem. Az R11 kivezetése nem elég. Azt a negatív ágat, ami a C7 kimeneti kondi negatív ágához csatlakozik a rajzon (R11, R10, C5, R4, R6 stb) és az R12-C6 csatlakozását a pozitívra hozd vissza a kimenetről olyan messziről, ahogy csak tudod. Ha kimeneti kapcsolód van, akkor egészen addig vidd ki. Két 1,5mm2-es vezetékkel gyere vissza. Így lesz belőle négyvezetékes. A méréseket ezeknek a csatlakozásánál mérd legközelebb, mert ez lesz az igazi szabályozási pontod. A kapcsoló után az más kérdés, az a kapcsolótól függ már. Azért muszály kivezetni az egész negatív ágat, mert ezen van a referencia is, ami ugye a szabályozásban sarokpontja az egésznek. Ezen kívül a D8-at cseréld le egy TL431-re, a bekötés és kapcsolás az adatlapján. R4-re tehetsz párhuzamosan egy 100nF-ot (stabilizál), és az U1 kimenete és a test közé is elfér egy 100nF(a visszavezetett testpontra ezt is). Szerintem ennyi lenne. Ha ezeket megcsinálod, biztos jobb lesz (sokkal). Az eredményeket azért majd írd le, hogy lássuk.
Ma nekiestem, vezetősávot kapartam, összeforrasztottam.
Az P1-re raktam 100nF-es, a D8-ra 470pF-es kondit. A C7-es kondi alá becsatlakozó teljes ágat (kapcsrajzon látszik) 1:1-be lekötöttem és kivezettem a műszerdoboz negativ tápcsatijára. Az R12 || C6 jobb oldali pontját (szintén kapcsrajzon látszik) átkötöttem a "DC OFF" kapcsolóm áramkör felöli oldalára. A szabályozási körbe beleraktam a deprez A mérőt is, viszont ugye a kapcsolót nem tudtam, igy 1.7A terhelésre 10mV a hibafesz a kimeneti kapcsokon, a szabályozási pontokon pedig ~0mV. Multiméter 2V-os méréshatárában kellett mérnem, hogy kimutatható legyen a változás: 1.995V -> 1.994 0.8A Egyébként: 13.90V -> 13.90V 2A Úgyh, nagyooon pipec lett ![]() Sajnos a nyákrajzon nem úgy jönnek az alkatrészek, mint a kapcsrajzon, igy bele kellett nyúlni. A TL431-et többek közt ezért nem akartam már beleépíteni + a zener fix 5.4V, ahogy az R4-en lévő feszültség is stabil volt. Idővel át akarom tervezni ezt az áramkört 4 vezetékesre, akkor mindenképp beletervezem a TL431-et, megnyerő az adatlapja Köszönöm szépen minden segitőnek, kiemelve Freddy kollégát privátban nyújtott segitségéért
Freddy bölcs javaslatára csatolom az e-mailben küldött kiegészítő rajzát is (schem3.gif), és az ez alapján módosított nyákrajzom (layout2.gif).
Természetesen a negativot nem úgy füztem fel ahogy átrajzoltam, csak nem akartam nagyon összefirkálni Az R16-os nincs áthúzva, próbáltam módosítani utólag. Tehát az alatta lévő vezetősávot kell megszakitani.A 2-vel fentebb emlitett 100nF kondit_ne_tegyük_az R4-re! A P1-en (100nF) és D8-on (100-500pF) viszont elfér. Ha jól tapasztaltaltam, kis áramkorlátnál nem hullámzik be a kimenet, mint korábban.
Sziasztok!
Lenne egy kérdésem az alábbi táphoz: Bővebben: Link Volt egy tranyóelszállás, amit javítottam, és gondoltam akkor már a potikat is cserélem, mert a bent lévő műanyagok, nagyon szutyok módon működtek. Betettem két ilyet ezek helyett, aminek hatására a táp egyáltalában nem hajlandó működni. 2 napba telt mire kiderült, hogy ez lehet a hiba. Ha a fém potikat kimérem ellenállásmérővel, gyönyörűen megy, de a táp nem megy vele. Van valakinek ötlete, miért? (az értékek 10k mindnél, és elvileg lineáris mind)
Hello!
Számomra ez így hangzik.. Tegnap kicseréltem a kocsimon a nyári gumikat télire, de azóta nem forognak. Nem tudjátok miért? Telán feszültségeket kellene mérni, vagy valami támponttal szolgálni. Különben azt tanácsolom, kapcsold be! üdv! proli007
Sziasztok!
Egy kis segítség kellene, mert az adatlapból nem jöttem rá a dologra. Az ICL7135 miben tér el a TLC7135-től? Azért lenne ez fontos, mert szeretnék egy kis táphoz hétszegmenses kijelzőt, amihez láttam is itt egy kapcsolást, abban ICL van, nekem meg van 5 db. TCL-em. Nekem Texas Instruments-től van, az adatlapjuk közös, itt elérhető.
Csak a gyártó ami különbözik.
Jó kis ic-k,de vigyázz nagyon nem szeretik a statikus feltöltődést.
Kösz! Közben pont a kezembe kerültek (keresem a kijelzőket, mert nem emlékszem, hogy az anód, vagy a katód közös), ezeknek mind a 2 név rajta van a hátán. De akkor ezért. Akkor még egyszer köszi!
Méricskéltem, kaptam segítséget, de nem jöttünk rá mi a baj. Nagyon úgy festett, hogy a referencia nem jut el a B erősítőbe. (a 7es lábon 9,8 V, R4-nél már csak 2, de minden alkatrész hibátlan) Aztán egyszercsak megjavult... Azóta jó. Egyrészt örülök, hogy nem kidobott pénz, másrészt morcos vagyok, hogy 2 nap elment a semmire. Nem tudom, mi lehetett a baja, de azért köszönöm, hogy te is ránéztél.
Hello!
Ez jó mérés volt, csak nem írtad, hogy az R4 melyik lábán mérted. Nem írtad, hogy a poti maximálisan fel volt-e tekerve. Mert nem csak a mérési eredmények számítanak, hanem a körülmények is ahogyan mérsz. (Egyébként, az R4-en feszültség nem nagyon eshet, mert csak az IC bemenő árama folyik rakta keresztül, de ha rossz az IC folyhat áram.) Meg kellett volna mérni közben, a poti közepén (3) és tetején (4) is a feszültséget. mert akkor kiderült volna mi a bibi. - Egyébként leg gyanúsabb, a P4 trimmer beforrasztása, mert ha nem érintkezik vagy kontaktos, vagy rosszul van beforrasztva) akkor a P2-re már nem jut ki a feszültség. Egyébként nem is értem, a P4 miért 5kohm-os értékű. Az R14/R8 osztóbol kiszámítható, hogy 24V kimeneti feszültség esetén, az ICb 9.lábán 6,9V mérhető. Tehát a potiról lejövő feszültségnek is ennyinek kell lenni. Ha a referencia feszültség 9,8V mint írtad, akkor a P4 potin csak 0,2V-nak kell esni. Ha a P2 potin 9,6V-van, akkor azon 0,96mA áram folyik. Tehát a P4 potin 0,2V feszültséget kellbeállítani, miközben 0,96mA áram folyik rajta ez 208ohm. Hogyan lehet ezt az ellenállást tisztesen beállítani a 5kohm-on? Nehezen! Tehát a P4-nek egy 1kohm-os trimmer is bőven megtenné. üdv! proli007
Elkészült a végleges* labortápom. A "ki mit épített" topicban írtam róla egy hsz-t. Urak, köszönöm a segítségeiteket!
*Az R7-es ellenállást kicserélem 10W-osra és a graetz hidat is nagyobbra, mert 2A-en már 55-60°C és az R7 is ekkörüli.
sziasztok!
Ezen a tápon a feszültség finom szabályozását a 10Kohm-hoz (P1 jelölés) kötött 1kohmos potival szeretném megoldani. A kérdésem az, hogy hova célszerű tenni az 1kohmos potit? A 10k-s középső lába után és az utánna következő R2 ellenállás közé egy változtatható ellenállásként vagy a két szélső lába valamelyikére szintén változtathaó ellenállásként?
Hello!
Úgy éppen semmit nem csinál. Hapro! Esetleg egy dupla potit, alá és fölé. Ha az egyik nő, a másik csökken stílusban. Mert ha csak alá vagy fölé teszed, valahol szinte semmit nem szabályoz. üdv! proli007
Nos igen...
Ismét hamarabb cselekedtem mint gondolkodtam. Már megvan a két mono poti...Aztán remélem visszacserélik 2 sztereora. A kérdés akkor vetődött fel bennem mikor be akartam kötni a potit. A dillemát az szolgáltatta, hogy ha a 10k poti valamelyik széléhez kötöm, akkor gyakorlatilag mindegy a középső láb szempontjából, hogy melyik oldalon van. Viszont nem tudtam/tudom, mennyit befolyásol az a plusz 1kohm a T1 tranzisztor szempontjából... Ha pedig a középső lábra teszem, akkor szintén hasonló problémát láttam, de most már az IC szempontjából. Tudom a plusz táphoz képest ez nem oszt nem szoroz semmit, de a tranzisztor szempontjából már ismét befolyásolhat valamit... Erre a megoldásra nem is gondoltam amit írtál, de tényleg ez a legjobb. Egyik oldalon pluszba a másikon meg minuszba szabályoz. Ez lesz. Köszi |
Bejelentkezés
Hirdetés |



















