Fórum témák
» Több friss téma |
Csinálhatsz is leválasztót de Vehetsz is.
Sziasztok!
Hátha valaki tud segíteni: Van egy Samsung 932b monitor, csak 1 másodpercre ad képet, belevilágítva marad a kép, csak nincs háttérfény. A csövek is jók! Az összes kondi cserélve lett, de még az inverter trafó is! (új) A hiba továbbra is fennáll. Esetleg vezérlő ic.t is cseréljek benne? Az ic felirata szerint nem találok hasonlót. ( MBRF10100CT ) Hogy kellene rákeresni? Üdv: Lauro A hozzászólás módosítva: Ápr 22, 2015
Szia.
A neoncsöveket cseréld ki. Az egyik neon már haldokolhat, ezt érzi a táp, és ezért áll meg. Pontosan tegnap volt egy ilyen hibám.
Sziasztok.
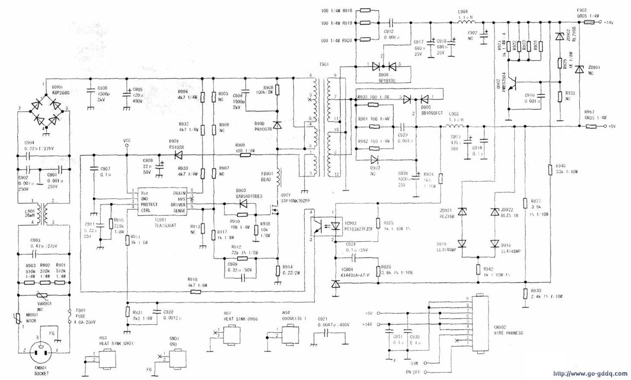
Énhozzám egy villámkárosúlt monitor került. A táptrafó szekunder oldalán egy fikarcnyi feszültség sem volt, csak a primer oldalon 290-300V. Cseréltem a trafó FET-jét (P10nk70ZFP), P10NK80ZFP-re, csak ilyet tudtam rendelni. Most az van, hogy a szekunder oldalon, megjelent némi feszültség de nem sok. 14V helyett 7-8V, 5V helyett 2-3V.A meghajtó IC (TEA1530A) Tápot kap (9V) Ami két másodpercenként felugrik 10,5V-ra és a megugrás pillanatában a FET Gain lábán 1-1,3V mérhető. Szóval mintha indúlni akarna de nem tud. Lehet a 80ZFP-t nem bírja beindítani az IC? Vagy valami más.....
Köszi! De sajnos nem ez a baj, mert vannak tesztcsöveim is, azzal is ezt csinálja. Azok a csövek másik monitorral szépen muzsikálnak, és ez a kijelző (ami a 932b-ben van) is megy másik monitorral.
De azért köszönöm a választ!
Hali!
Válaszd le a scalert és próbálj tápot mérni. Ha nincs akkor szakítsd meg az inverter felé menő (14V) ágat és valamilyen műterheléssel rátéve mondjuk egy kis teljesítmény autó izzó 12V 5 W rátéve indítani.Ha világít és tudod mérni akkor már tudod a hiba helyét is . Ha nem akkor a vezérlő van be állva vagy valamelyik kondi. A hozzászólás módosítva: Ápr 22, 2015
Csattanás szisszenés vagy egyéb hang nincs amikor indulna?B terv LED
A hozzászólás módosítva: Ápr 22, 2015
Nincs semmi hang, csak felvillan fél másodpercre és ezt ismétli ahányszor ki-be kapcsolom. A LED-esítéshez meg főképpen nem értek, sajnos.
Az egész panel ki van szedve, és úgy próbálom, nincs kötve semmire.
Ez a ledesítés már kezd mánia lenni, a táphibás monitort is ledesítsük? Az mégis mit oldana meg?
![]() djseed1. Cseréld az optocsatolót és ellenőrizd az összes ellenállást a primeroldalon és diódát is.
Az inverteren meg van a tápfeszültség? 12 v vagy 14 v
Nem tudok mérni, de biztos megvan ha beindul egy fél másodpercre, csak utána letilt. De az az igazság, hogy nem nagyon értek hozzá.Azt szeretném tudni, hogy milyen vezérlő ic-t kéne szereznem hozzá... mert azt olvasom itt-ott, hogy az is lehet a baja. Ez van ráírva: MBRF10100CT de így nem találok semmit a neten, csak az ebay-en. Kettő van belőle, külsőre nem látszik hibásnak. (Ha egyáltalán ez a vezérlő ic?) vagy feszültség szabályzó talán?
A hozzászólás módosítva: Ápr 22, 2015
Ja most nézem, azt a samsungra a válaszoltad, bocsánat.
![]() Laurox Nem valószínű, hogy az IC lenne a hibás, tényleg kellene tápfeszültséget mérni kezdetnek.
Oké, de ha meg is tudnám mérni, hogy nem jó a tápfeszültség, akkor hogyan tovább? Köszi.
Majd ha ott tartunk, nem vagyok jós, ja lennék, mérned sem kéne.
Honnan tudod hogy táphibás?Írta látszódik a kép a monitoron ha belevilágít. Ha nem bír vele akkor meg miért ne?
Egyébként több oka is van amiért én személy szerint favorizálom. Olcsó (3000-4000 HUF ból kijön) Otthon is kivitelezhető,gyorsan el lehet végezni a cserét, kevesebbet fogyaszt, nem zavarja a szemet.
Üdvözlet az uraknak !
Van egy Samsung LED monitor nálam ami, ha sokáig egy adott képet mutat, utána váltok egy kékes vagy szürkés képre (tehát sötétebbre), az előző kép ott marad halványan az LCD-n. Teljesen fehér, vagy tök sötét képen nem látszik. Ha kikapcsolom 5 percre, makulátlan ugyan ezeken a kékes vagy szürkés háttereken. Tisztában vagyok vele, hogy kijelző hiba....én sormeghajtóra gyanakszom! De mivel ritkábban foglalkozom LCD/TFT panelek elektronikájának javításával, így nem tudom, hogy hol az édes a....ban keressem, s hogy néz ki. Kerestem guglin, de sok info nincs róla. Kérném tapasztaltabb szakik véleményét/segítségét, mert már a halálba idegesít. Előre is köszönöm...Üdv !
Szerintem pedig ez termeszetes jelenseg, az a kijelzo olyan. Egyebkent az en ceges monitorom is ilyen. Nem kell kikapcsolni, eleg kivarni azt az 5 percet es halvanyul, elmulik.
Az, hogy LED-es vagy csoves, nincs osszefuggesben vele.
Mennyi ideig marad ott? Csak mert a jelenség normális akár fél percig is látszódhat egy egészséges kijelzőn, főleg a VA kijelzők hajlamosak erre. Nálam is gyakori a nagyobb IPS kijelzőkön, hogy, ha sokáig nézek egy adatlapot, majd átváltom a képet, látszik rajta az adatlap.
A hozzászólás módosítva: Ápr 24, 2015
Szia!
Idézet: „Van egy Samsung LED monitor” Idézet: „hogy kijelző hiba....én sormeghajtóra gyanakszom!” Szóval hogy is van ez?
Egy LCD monitorban is van ilyesmi.
Ha kiszedsz egy kepernyot, abban ott az a zold panel, amire a csati megy. Azon van egy jokora, szettaposott fekete ic, millio labbal, valamint par kondi, tekercs, fet,dioda. Azok a segedfeszeket allitjak elo, a kontrasztfeszek ezek. Azon kivul ehhez a panelhez csatlakozik foliakabelekkel a tetejen az oszlopmeghajtok sora, valamint oldalt a sormeghajto chipek foliaja. Ezeket a modern keszulekekben ugy oldjak meg, hogy a folian van rajta a chip, tehat a zold panel es az uveg kozotti foliakabelen. Azok a kicsi, nagyjabol 2x8mm-es fekete hasabok. Vegul a folia az uvegre csatlakozik, ahova egy speci vezetoragasztoval teszik fel. Az uvegen vannak a TFT-k (vekonyfilm tranzisztorok, ahonnan a technikat elneveztek).
Sziasztok!
Nem biztos, hogy a megfelelő topicba írom a kérdésem, de ahová szerintem leginkább való lenne, ott 2008-as az utolsó hsz, így nem látok rá sok esélyt, hogy ott reagálni valaki a kérdésre.. (Mindenesetre enlézést a részleges OFF-ért!) A kérdésem: Tabletet szeretnék autóba beépíteni viszont tartok tőle, hogy a sötétszürke műszerfalba beépítve olyan hőmérsékletnek pedig lenne kitéve az eszköz (télen -15 akár -20 fok, nyáron napon álló autóban, az üveg alatt akár +70 - +90 fok ) amit a kijelzője már nem viselne el. Próbáltam utánajárni a kérdésnek, de nemigazán találtam erről semmi. Tudna valaki felvilágosítást adni ezügyben? Előre is köszi a segítséget!
A legtobb kijelzo 0 es 40 fok kozott mukodhet, tarolas kikapcsolt allapotban meg altalaban -20 es +50 kozott. de nem csak a kijelzo hatarozza meg, a tobbi alkatresz is befolyasolja, hogy latsz-e kepet.
Nalam van a kocsiban ot eve egy boduletesen kommersz, 7 collos LCD TV, meg sohasem volt olyan, hogy ne kapcsolt volna be es ne lattam volna kepet. De a tabletekrol biztosan kijelenteni valamit csak a kepernyo adatlapja alapjan lehet.
Sziasztok!
![]() Van egy régebbi LCD monitorom ami TV is egyben, de most monitorként van használatban. A hibajelenség elég fura: Bekapcsolom majd kb. 3-4 napig semmi gond, használható tökéletesen a készülék! Amint eltelik ez a pár nap, onnantól kezdve nem kapcsol be! Majd eltelik 2-3 hónap és ismét bekapcsol és használható pár napig. Szerintetek mi lehet a gondja? Köszönöm ha segítetek!
a vibrálást megszüntette a leválasztó de a tv képminősége nagyon sokat romlott. mitől lehet ez?
|
Bejelentkezés
Hirdetés |










