Fórum témák
» Több friss téma |
Ha szakadt akkor miért van az hogy 75hz a fél monitor csíkos, 60hz meg pár csík van? Nemrég találtam hozzá központi panelt 8000Ft megrendeltem. Ha megjön kipróbálom. Ha nem megy eladásra
Ha ezt korábban mondod, akkor én is jobban hajlok a main hibára. Meglátjuk, ha kicserélted.
![]() Egyébként ez a monitor gyárilag tudja a 75 Hz-et vagy overdrive? Mert ha az utóbbi akkor egyértelmű, hogy azért csíkoz többet mert nem bírja az időzítéseket a T-CON, ami ha jól sejtem, akkor ebben az esetben a main-re van integrálva. A hozzászólás módosítva: Jan 11, 2026
Gyárilag is tudja a 75hzNincs mókolva rajta semmi. 8000ft egy kisérlet megér. Max eladom apránként és visszajön a ráfordított ára.
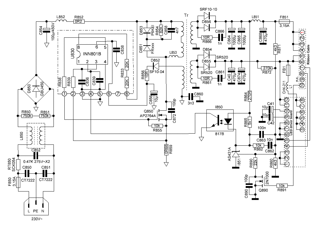
HP LA2306x monitor hibaSziasztokA címben jelzett LED háttér világítású PC monitorom működés közben megállt. és azóta nem ad életjelet. Nem mai modell (2012 Aug.), de eddig gond nélkül bírta. A tápegység nem indul el, és mivel ebben a galaxisban nem találtam rajzot, vagy service manualt hozzá, ezért azt visszarajzoltam. A panelen, és alkatrészein semmilyen hiba - égés, sérülés,"dundi" elkók, stb. - nem látható. A primer oldali puffer elkón megvan a háromszázhuszon valahány Volt, és semmi több. Tovább nem bontottam, tehát még nem mértem, és nem cseréltem elkókat, FET-et, stb. A kapcsoló FET típusa: AP2764A (600V/4A), az öcsi panelen lévő vezérlő IC: INN 801B, valamint van még rajta egy LED vezérlő panel is. Tudom, hogy egy ilyen korú elektronikánál már minden is előfordulhat - látszólag "szép" állapotú elkó is lehet kukás, de még mielőtt mindent kicserélnék, tanácsot kérnék. Szerintetek hol kezdjem el, milyen sorrendben haladjak ? Azonkívül egy amatőr kérdés: az SMPS panelre integrált LED meghajtó nem sérül-e, ha azon nincs terhelés? PS: (Jobb gomb- Megnyitás új lapon - a képek jól láthatók) Segítségetek előre is megköszönöm. Üdvözlettel: circuit A hozzászólás módosítva: Jan 11, 2026
Az IC 8 lábán mit mérsz?
Valamint a két soros ellenállás közepén? Üdv. M.
Szia. Megjött a központi. Csere volt de nem lett se jobb se rosszabb.
Na akkor új monitor és ezt elengedem ha kell majd valakinek. MAIN és a keret tökéletes.
Az LCD kijelző volt a fő gyanúsított...ami be is jött. Utólag megnevezhetnéd a típusát (már utaltam a hiányra). Ez azért érdekes, mert ez alapján lehet adatokat megtudni.
Nem csak COF hiba, a ragasztás problémája, hanem pl. lyukgalván korhadás is lehet. Régen "drótozással" megjavítottunk sok TV LCD-t... A hozzászólás módosítva: Jan 14, 2026
Samsung f24t350fhrxen a monitor típusa(első poszt első kép) Ha ezt kérdezted, ha nem akkor passz. Azon felül mi van benne nem tudom megmondani nem is nagyon néztem. Csak cseréltem. De szombaton újra szétkapom és fotózni fogom.
LCD (LED háteres) "képernyő" típusazonosító számát kérdeztem. A gugli már nem az igazi, nem tudja megmondani mivel szerelték azt a monitort. 1920 x 1080 Full HD (1080p) @ 75 Hz a felbontása.
Akkor igazam volt, sajnos.
Sajnos. Ennyit bírt. De nem bánom használom még egy darabig majd veszek egy másikat akkor ezt meg eladom valakinek ha kell. A main ára vissza fog jönni.
Az biztos, hiszen így most 2 jó alaplapod is van hozzá.
Szia
Elnézést a megkésett válaszért. Az IC 8-as lábán is megvan a kb. 320 Volt. DE - azóta sikerült megjavítani. Egy fórumtárs javaslatára - ezúton is köszönet érte - ellenőriztem a szekunder köri Schottky diódákat, az egyik zárlatos volt. Csere SB5200-ra, tökéletes lett. Üdvözlettel: circuit
Erre jó egy szkóp és egy leválasztó trafó.
Az indulási kisérleteket lehet látni FET gét lábon, és a FET trafóhoz menő lábán a kb. 400 V-os tüskéket, ha a FET nem hibás. Üdv. M.
Érdekes ez a monitor. A szobában volt egy kis átrendezés és az ablak közelébe került a monitor. Igaz már csak egyéb dolgokra használom. Feltűnt hogyha kinyitom az ablakot megjönnek a vonalak egyre jobban. Ahogy hűl ki egyre több van. Ha meleg van 2 erős és egy gyenge van. Lehet hogy nem is a szalagon lévő chipek a rossz hanem maga a panelon rossz a forrasztás?
És/vagy az átvezető fólia kabel kontaktos.
Vagy az üvegre ragasztott flat kábel válik el, és átmeneti ellenállás lép fel.
Üdv. M. |
Bejelentkezés
Hirdetés |













Na akkor új monitor és ezt elengedem ha kell majd valakinek. MAIN és a keret tökéletes. 





