Fórum témák
» Több friss téma |
Fórum » LED-es index
Témaindító: Einstein21, idő: Márc 29, 2006
Témakörök:
olvasgattam, de nem találtam olyat amire nekem lenne szükségem. a problélmám a következő: (remélem tudtok segíteni, és köszönöm így előre is az esetleges válaszokat) egyes fiat punto-m van az indexeit szeretném átalakítani ledesre, 3 lábú relé van benne gyárilag, mit kellene tennem a relével hogy jól működjön ledes indexeknél?
Sziasztok!
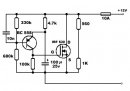
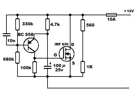
Én is szeretnék a motoromba LED-es indexet,bár én nem divatoznék vele,pusztán e.takarékossági szempont miatt. Erre a LED panelre gondoltam, na és persze kell az e-index relé is, mert az enyémben még a régi "hőrelés" megoldás van. Két csatlakozós a relém, tehát olyan elektronikát keresek,amit egyszerűen "rádugok" a régi helyére. Olvasgattam a témában, kettő kapcsolást találtam, mellékelem őket. Szerintetek jók nekem ezek a kapcsolások, és melyiket javasoljátok?Köszi Üdv. Zoli U.i.: Elfelejtettem mondani, az első kapcsolás 220v-ra van tervezve,lehetséges ill. érdemes ezt 12V-ra megcsinálni?
Sziasztok. Nos az a kérdésem lenne, hogy van nekem egy kis motorom, 49ccm, 6voltos világító tekercs van benne, arról megy az első és a hátsó lámpa, ami 6voltosak... Na most arra gondoltam, hogy lehet-e egy 4db ledből álló index lámpát csinálni, hogy termel-e annyi áramot hogy használat közben 2x4db ledet ellát-e árammal (indexelés közben). Meg egy kapcsolóval el kellene látni is... Meg egy szabályzóval, ami szabályozza a pislogást. Egyáltalán ezt meg lehet csinálni? Ez a kérdésem
(Nagyon kezdő vagyok, szóval ha lehet akkor kapcsolási rajzot is mellékeljen valaki ) Köszi és Üdv Krisz
Üdv a mestereknek..... Én egy lelkes amatőr (aki nem ért hozzá) vagyok, aki elakadt.
A motorom elejére szerettem volna nappali menetfényt késziteni ledekből, a Xenon kímélése végett. Az indexbúrám alól kivettem az izzós panelt, és a helyére egy nyákot tettem, amibe fehér és sárga ledek kerültek. Következő a problémám, amiben kérlek segitsetek: A fehér ledek nagyon zavaróak, mivel indexeléskor az erős fényükkel elnyomják a sárgákat. Ezért azt találtam ki, hogy amikor a sárgák felkapcsolódnak, azzal a fehérek lekapcsolódnak. Fel és le. Nem szeretnék relét beépiteni. A tranyóval ezt sikerült is elérnem, de: a tranyó Bázisán megjelent kb 10 volt, amikor a fehérek világitanak csak. Ezért a sárga ledek is halványan világitottak állandóan. Erre beraktam a 2 számú diódát, ami ezt a problémát megoldotta. Az asztalon minden működik. A motorba épitve vannak gondok. A fehér ledek szépen világitanak. Amint megjelenik az index relétől a 12 volt, a sárga ledek világitanak, de a fehérek is halványan "égnek" mellettük. Miért van az, hogy a tranyó B lábán megjelenik a 10 volt?? Miért nem zár a tranyó rendesen??? Ha tudnátok segiteni azt megköszönném. két kép van, az egyiken nincs benne a 2 számú dióda.
A 2-es szamu dioda valoban a kapcsolasi rajznak megfeleloen lett bekotve? Mert ha igen, akkor elegge vacak tipust rakhattal oda. A nagy visszarama miatt mukodik egyaltalan az egesz, maskulonben nem tortenne semmi a feher LED-es oldalon, mivel a PNP tranzisztorok bazisarama "kifele jon".
Hello!
A második rajzot nem látom, de vélhetően úgy tted be a diódát, ahogy én. - Egy tranyót, hogy ne folyjon kollektor áram, le kel zárni. Egy sima tranyónál, ez kb. 600mV alatti feszültséget jelent. Darlingtonnál kétszeres bázis van, tehát 1,2V-ot. - A bázisáram lehúzó dióda, nyitófeszültsége kb. 700mV, tehát magasabb mint egy bázis feszültség. Így elvileg működni kellene, hiszen a darlingtonhoz 1,2V kell, a dióda pedig 700mV-ot adna. Tehát le kellene hogy zárjon. - A hiba abból adódik, hogy a TIP127-ben a bázisok között van lezáró ellenállás. Így nem 1,2V kell a kinyitáshoz, mert az első bázis ellenállásán keresztül, 600mV felett, már a második tranyó nyitni kezd. Persze nem akkora árammal, mert annak erősítése bétányi, a darlingtoné, meg bétászor béta. - De ha az emitterbe beteszel egy soros diódát, a tranyó csak akkor fog elkezdeni nyitni, mikor a vezérlő feszültség, hátsó tranyó bázis-emitter feszültségét plusz a dióda nyitófeszültségét meghaladta. EZ teljesül, mert a lehúzó dióda kb. 700mV, a tranyó plusz dióda 600mV+700mV=1,3V üdv! proli007
Köszönöm a válaszodat. A kettes diódával nem jön ki áram a tranyó felől. A baj az, hogy a fehér ledek nem alszanak ki teljesen akkor, ha a motor áramkörén vannak. Teszt áramkörnél kialszanak,,,
köszönöm!! Átépitem a rajzod szerint!!
Szia
Ez a kapcsolás tökéletesen működik egy Honda motorban! Csak rá kell dugni a régi relé helyére megfelelő polarításban Üdv. Zoli
Köszönöm a segitségedet, tökéletesen működik. Megsöntöltem egy 8 ohm 21 wattos ellenállással, amitől még a villogás sebessége is jó lett.
Tisztelt Proli007
)A kapcsolásod alapján nagyon jól működik a dolog. Egy kis hiba azért akad, hátha tudod a megoldást. A rajzodtól eltérően a kapcsolást söntöltem egy 20w 8 ohm körüli ellenállással, hogy a villogás sebessége rendben legyen. Ennek a motornak elektronikus az indexreléje. A hiba az, hogy normál sebességgel indul a villogás, és egyszer csak elkezd gyorsan villogni, és onnan nem tér vissza. Ha ujra inditom akkor megint lassan kezd. Nem mindig csinálja. Nem tudtam szándékosan előidézni azzal pl. hogy terheltem a rendszert. Mi lehet a baj szerinted?
Hello!
Sajnos fogalmam sincs, mert nem ismerem a motor index reléjét. Lehet vagy melegszik valami, vagy kevés a terhelés. (Mert arra is gyorsulni szoktak a régi bimetallos villogók) üdv! proli007
Sziasztok, segítséget szeretnék kérni.
Van egy 3lábas (31, 49a, 49 lábkiosztású) indexrelém, ezt szeretném átalakítani úgy, hogy lehessen változtatni a villogtatás sebességét, olvastam valahol róla hogy megfelelő helyre beszerelt potméterrel, vagy az egyik ellenálás lecserélésével lehetséges a dolog, de nemtudom hogy melyik ellenálással próbálkozzam (3van) Gyárilag 2(4)X21W+0...5W a teljesítménye legalább is ez van ráírva. Ledeket kellene meghajtanom vele, 4X3W-ot és 2x0,...W-ot (3-3 5mm-es extrafényű narancs ledet). Tudom hogy a ledes indexhez kapható relé lenne a legegyszerűbb megoldás, de szeretném magam megoldani. Remélem jó helyre írtam, mihamarabbi válaszokat előre is köszönöm.
Itt van egy kicsit nagyobb felbontás az előző képekből, (talán jobban láthatóak a dolgok)
http://kepfeltoltes.hu/view/111108/20111108174_www.kepfeltoltes.hu_.jpg - http://kepfeltoltes.hu/view/111108/20111108175_www.kepfeltoltes.hu_.jpg - http://kepfeltoltes.hu/view/111108/20111108176_www.kepfeltoltes.hu_.jpg - http://kepfeltoltes.hu/view/111108/20111108177_www.kepfeltoltes.hu_.jpg - http://kepfeltoltes.hu/view/111108/20111108179_www.kepfeltoltes.hu_.jpg
Itt például találsz adatlapot és kapcsolást a benne levő IC-ről. Bővebben: Link Az R1 vagy a C1 értékének módosításával változtathatod a villogás ütemét.
Lecseréltem az R1-et 335kohm-os értékűre, ledes indexszel a villogás sebessége jó lett, de az első indexszelésnél az első "villanás" időtartama hosszabb, majd egyforma hosszú és ütemű a többi. Mitől lehet ez?
Próbáltam a C1 kondi variálásával, de csak a villogtatás sebessége változott, az első villantás ugyanúgy hosszabb a többinél.
Üdvözletem!
A következőkben szeretném a segítségetek kérni. Nemrégiben vásároltam a motoromra 4db ledes irányjelzőt, és ehhez való relét is. Felszerelés után azt tapasztaltam, hogy simán csak rákapcsolt gyújtásnál rendben üzemel, viszont járó motor mellett szabálytalanul villog, egész pontosan két villogás közt van egy apró visszavillanása a ledeknek, így "vibráló" hatása van az irányjelzőnek. Korábbi hozzászólásoknál láttam, hogy zavarszűrő beépítését javasolják! Találtam is fent egy kapcsolási rajzot, melyet el is készítettem, de sajnos ez sem oldotta meg a problémát. Ha a relé elé kötöttem semmi változást nem tapasztaltam, ha viszont mögé akkor pedig megváltoztatta a villogást (lassabb lett, és nem aludtak ki teljesen a ledek). Jómagam, nem sokat értek az elektronikához ezért ötletem sincs, hogy mi okozhatja ezt a problémát, illetve mivel lehetne kiküszöbölni. Ha valaki találkozott már ezzel a hiba jelenséggel, vagy tudja a megoldást, szívesen venném a segítségét! Előre is köszönöm!
Milyen motorról van szó? A legtöbb esetben segíteni szokott egy zavarszűrős gyertyapipa beszerelése, illetve a gyertya kicserélése szintén zavarszűrősre (a nevében R betű jelöli ezt a tulajdonságát).
Kawasaki ZX9R (Ninja) Ez hasznos ötletnek tűnik ugyan, bár elég költségesnek is. Utánanézek, ezen alkatrész áraknak, de ha van, akkor jó lenne valami költség hatékonyabb megoldás.
Köszönöm!
Idézet: „költség hatékonyabb megoldás” Szereld vissza a gyári indexet (az legalább látszik nappali fénynél is)!
SZiasztok sos ben segitséget szeretnék kapni. Van egy Suzuki gs 500-as motorom indexet cseréltem rajta megvettem a ledes indexeket és a 2-lábu relét mert kétlábu volt az a relé is ami eredetileg volt hozzá,bekötöttem mindent de nem müxik! nem tudom mi lehet a gond?
De én ezeket szeretném rajta hagyni ,mert a régi akkora mint egy krumpli! Valami segitség esetleg ,hogy hol ronthattam el?
SZIASZTOK Szakik!
Problémámra szeretnék itt okos emberektől választ kapni mert sajnos meghaladta a probléma a megoldóképességemet ![]() HONDA motorkerékpáron így a tél alkalmával lecseréltem az indexeket ledesre. A relét is beépítettem a gyári helyére /3 vezetékes/. végeredmény h tökéletesen működik. A probléma ott kezdődött, hogy a már motorban lévő riasztó index villogtató szálait és a helyükre kötöttem és ekkor a következő jelenzég zajlik le: -gyujtás állapotban a működés tökéletes a villogás zavarmentes -beindított állapotban járó motornál pedig zavaros. ezt kifejtve a normális villogási sebességével működik de 2 felvillanás között nem alszik el teljesen sőt olyan mintha közé is villantana csak kisebb feszültséggel mert ugye a fényerő kisebb mint rendes periódus szerinti villanáskor. A riasztót lekötöttem a rendszerről és a probléma nem szűnt meg. tehát innentől nemértem a dolgot akinek vmi tipp akad nyugodtan írjon bármit mert már az sem kizárt h teljesen alapvető hiba felett siklott el a szemem. Előre is köszönöm mindenkinek!
Miért nem lehet ilyenkor a relét simán kifelejteni? Néhány LED villogtatásához bőven elég lenne egy kapcsolótranzisztor. A meghajtás hozzá egy kéttranyós astabilról vagy egy 555 IC-s szerkezettel simán megoldható.
Az egész nem fogyasztana többet 100 mA-nél, míg az addigi relés az izzókkal együtt megevett vagy másfél A-t. Nem tudom, milyen motor ez? 6 voltos az akksija?
CBR 600 F4. 12v akksi 8 Ah és azért van így kész relével midnennel mert ez Salgótarján... a pusztulat városa ahol semmilyen alkatrész nem beszerezhető max horribilis rendelési postaköltséggel együtt vagy nemtom...
Üdvözöllek!
Mint láthatod egy nem túl régebbi hozzászólásban én is ugyan ezzel a problémával álltam elő! Az egyik motor szerelő ismerősömtől hallottam később, hogy ez elég gyakori jelenség ami az olcsóbb kínai gyártmányú relének köszönhető! Én ugyan nem próbáltam ki másik relével, mivel elég gyenge és nehezen észre vehető a ledes index fénye nappali fénynél (főleg erősebb napsütésben) úgy döntöttem, hogy veszek rá inkább izzós indexet, de ha esetleg az ismeretségedben van valaki akinek van jobb fajta ledes reléje, akkor szerintem mindenképp érdemes kölcsön kérni tőle legalább egy próba erejéig! Üdv!
Köszi szépen! Rá fogok próbálni amint lehet, de már nem szeretném izzósra visszacserélni mert ez darabonként 16 ledes és igen erős fényű
A relé gyártója meg akkor kapja be....
Sziasztok!
Segítség kellene nekem szeretnék készíteni egy Power Ledes irányjelzőt a motoromba. 1 Wattos 20-25 lm-es ledeket használnék kellene nekem egy kapcsolás ami tudná villogtatni lehetőleg egyszerű. Stabilizált 12 Volt van a motoron. Nagyon megköszönném ha valaki tudna nekem segíteni . ( Amúgy azért lenne szükség a ledes indexre mert nem akarok akkumulátort tenni a motorba mert azzal csak a gond van.) |
Bejelentkezés
Hirdetés |




Két csatlakozós a relém, tehát olyan elektronikát keresek,amit egyszerűen "rádugok" a régi helyére. Olvasgattam a témában, kettő kapcsolást találtam, mellékelem őket. Szerintetek jók nekem ezek a kapcsolások, és melyiket javasoljátok?

(Nagyon kezdő vagyok, szóval ha lehet akkor kapcsolási rajzot is mellékeljen valaki
) 













