Fórum témák
» Több friss téma |
Fórum » Led/Lámpa ütemre villogása! Hogyan a legegyszerűbb?
Témaindító: gorcsek, idő: Ápr 22, 2006
Témakörök:
na ez levag... ebbe most mi az igaz? h zenet halgattal..azt elhiszem
) de a kettonek mikoze? talan ugy dongott a haz hogy a korte a basszustol kialudt es a kovetkezonel meggyult...de nem valoszinu h az aram megszakitasa miatt aludt ki...
Sziasztok! Valaki tudna egy kapcsolást ami mély hangra egy ledet villogtat fülhalgató kimnetről? Egy keverőpulthoz kellene. Köszi előre.
Fényorgona "mélyhang" vezérlő része a kimeneten pedig nem opto hanem led PL urbánelektronika.
Én valami egyszerűbbre gondoltam ami kis helyen is elfér és kevés alkatrészből áll. Valami ilyesmi nincs esetleg?
Csak ennyit kell megépítened kb. belőle .Szerintem ha rákeresel hogy fényorgona, egy csomó kapcsolást találsz azt hasonló módszerekkel átalakítod és kész.
Szerintem az LM3915 az pont ilyen dolgokra jó .
http://www.hobbielektronika.hu/katalogus/files/lm3915.pdf
Valahogy úgy kellene megoldani hogy van egy RCA bemenet és egy Rca kimenet rajta és a hangminőségen sem ekllene rontania.
Keress rá youtubon az lm 3915-re és nézd meg hogy miket lehet belőle kihozni hátha jó lesz !
http://www.youtube.com/watch?v=7noMzLZSdYU
Ami a videón van az egy kivezérlésjelző. Nekem egy darab ledet kellene villogtatnia amit a keverő bemenete és a számitógép audió kimenete közé szeretnék kötni.
Az alkatrészértékeket majd kikisérletezed a neked megfelelő táphoz ledhez karakterisztikához (a tranzisztor CB közötti kondival tudod a magas hangokat kiszűrni)
Szia!
nem kell egyenirányítani a hangfrekvenciás jelet?
Szerintem, ha a mélyhangok csúcsaira állítod be akkor így is elmegy.(kipróbált kapcsolással sajnos nem szolgálhatok).Lehet a tranzisztor bázisáról a + ra menő ellenállást el is hagyhatod ,ha elég nagy a hangfrekis bemenőjeled.
A bemenetre min 10mF és esetleg egy potméter ,vagy egy sokos 5... K ellenállás hogy ne terheljen be a kimenőjelnek.
egy 5voltos tápról szeretném működtetni , de még annyira nem vagyok jártas a szakmában ugyhogy kellene egykis segítség az alkatrészértékekhez.
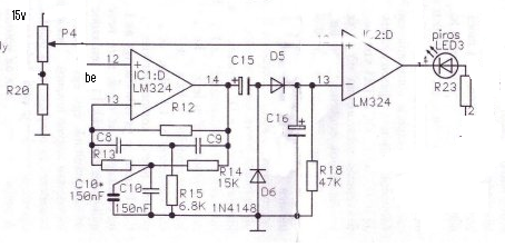
Idézet: „Jujj!!! Amiket itt leírtál, egyenáramú összetevő, koszinusz fí, fordított polaritás, meg csak basszusra villog, hát hadd ne kelljen minősítenem! Egy ütemre villogó kapcsolás. Ez nem basszusra, hanem nagyjából ütemre villog, méghozzá a hangerőtől kevéssé függően. Kicsit lehet még játszani az időállandókkal, hogy tökéletesebben kövesse az ütemet.” Valaki el tudná magyarázni a működését, hogy melyik opamp milyen kapcsolásban van bekötve stb...? Sajnos én csak a processzorokhoz meg a digitális dolgokhoz értek.Erről van szó az idézetben
Hát szerintem elég bonyolult.
1 Opa virtuális föld /féltáp előállítása 2 Szűrés 3 Négyszögesíti a bemenő jelet 4 Megfelelő szinten kapcsolja a ledet.
Na senki sem tud segíteni az alkatrész értékekben? De valahogy úgy kellene hogy tutira működjön is. Fontos lenne...
Sziasztok!
Olyan kérdésem lenne, hogy hogyan lehetne megcsinálni azt, hogy egy 12V-os kis DC motor valamennyire a zene ütemére forogjon. Mármint ha csend van akkor ne forogjon, és utána meg a zene ütemére gyorsítson, lassítson.
Lehet a diszkófények házilag topicban találsz rá megoldást.
Régen (bár az inkább rángatózás volt) egy fényorgonaszerű kapcsolás kimenetére egy monostabilt kötöttem ,és azzal vezéreltem a motort. Ha ezt kellene megcsinálnom egy egy tranzisztoros erősítő kimenetét egyenirányítanám,esetleg még ezen erősítenék ,és ezzel hajtanám a motort. (bár ez hangerő függő inkább,de ha egy fényorgona szerű kapcsolás mélyhang részére teszed akkor talán azt csinálja amit szeretnél)
Egy másik Hobbielektronikás felhasználótól ugyan ezt a megoldást kaptam, csak PM-ben, de ugyanez
Erősítő után egyenirányítással kössem ...Köszi a választ enked is
nem én fogom összetenni hanem majd egy ismerösöm de megszertném kérdezni hogy ebben hányled van? mert én nem értek hozzá ?
és ezt az ütem villogót hogy lehet majd rákötni a hangfalamra?
ebben két led van, ott van jobb oldalt (led1, led2)
ezek mekkora ledek mekkora a fényerejük?
több ledes verzóra hogy lehetne átalakítani?
ezekez az pótalkatrészeket miért kell beépíteni?
köszi a választ 5.6 zenert hol lehet kapni?
megkérdezem hogy hol lehet a neten ilyen alkatrészeket rendelni ?
mert nem tudok ilyen boltokat
például: www.hestore.hu (csoda, hogy nem vetted még észre, ennek a weboldalnak a tetején van a reklámja
)
Sziasztok!
2 kapcsolásban kérném a segítségetek: -Adott egy hangdoboz, egy mély hangszóróval. Ehhez szeretnék egy primitív szűrőkapcsolási rajzot kérni, ami csak kb. 400Hz-alatt ereszt át, a hangszóró 8Ohm impedanciájú. -Ehhez a dobozhoz készítenék egy led-es villogó kapcsolást, ami nagyjából a ritmusra villog, itt csak a látvány lenne a lényeg Ezeknek a megvalósításához szeretnék kérni két egyszerű, de hiteles kapcsolási rajzot!Előre is nagyon köszi!
Szia!
A 2. kapcsolás az talán van nekem olyan, de az mikro-motor vezérlő. Az a lényege, hogy egy kis áttételes motort a zene ütemére mozgat (random-oda-vissza) tehát megy a tuc-tuc és akkor: előre, előre, előre. vissza, előre, vissza, vissza stb. Ha nem mikromotort kötsz bele, hanem olyan ledet ami két féle képpen világít akkor működhet. Nemrég találkoztam olyan ledde, hogy ha az anódot a negatívra, a katódot a pozitívra kötöd, akkor pirosan, ha fordítva, akkor zölden világít. Ha ez a kapcsolás érdekel akkor megkereshetem suli után, most indulnom kell. (amúgy mikromotorra megépítettem, azzal működik)
Szia!
Érdekelne a kapcsolás, esetleg úgy is működhetne, hogy két ledet építek be a motor helyett, az egyiket +-, a másikat pedig fordított polaritással? Gondolom ilyenkor egyszer az egyik, egyszer a másik világítana.
Szerintem működhet a dolog, bár arra kell vigyázni, hogy a ledek azt hiszem 15-20mA-esek, a kapcsolás meg több száz mA-ert produkál. (ha jól emlékszem)
Igazság szerint le kellene mérni, hány mA és utána azt lecsökkenteni 1 led szintjére, vagy a kapott értéket elosztani 20-szal és annyi ledet belerakni, amennyi az érték lett. A kapcsolás a bss oldalon található, adom a linket: Bővebben: Link Ez lenne az! Olvasd el a hozzászólásokat, mielőtt megépíted. Egy kedves felhasználó itt a He-n a kérésemre megcsinálta a nyáktervet Sprint Layout 5.0-ában, csastoltam. |
Bejelentkezés
Hirdetés |




) de a kettonek mikoze? talan ugy dongott a haz hogy a korte a basszustol kialudt es a kovetkezonel meggyult...de nem valoszinu h az aram megszakitasa miatt aludt ki... 

)
a másik világítana.




