Fórum témák
» Több friss téma |
Fórum » Léptető számláló
Témaindító: instantwater, idő: Szept 26, 2008
Témakörök:
Hello!
Az 555-el, az egyenkénti léptetés is megoldható. Mikor megnyomod a gombot, az kisüti a C1 kondit, a kimenet magas szintű lesz. A C1 kondi, és az 555 mint komparátor, megoldja a prellmentesítést. A kimenet addig magas szintű marad, míg nyomos a gombot, plusz R1*C1 ideig. A kimeneti jellel lehet léptetni a számlálót, és ha egy tranyót is vezérelsz vele, ami kapcsolja a 820ohm-ot, akkor csak addig ég a megfelelő Led, míg az időzítés tart. Ha a bekapcsoláskori Reset meg van oldva, akkor bármikor lehet törölni, De jelenleg ez nincs kialakítva az áramkörben. (Miért akarod privátba? Titkos a dolog? Mert eddig a dolog valódi értelmét nem igazán látom. De ha gondolod..) üdv! proli007 A hozzászólás módosítva: Okt 8, 2012
Nagyjából értem a dolgot. Privátban csak azért akartam, mert nem igazán értek ezen részhez és nem akarok hülyeséget mondani illetve kérdezni.
A kapcsolás tűzijáték elektromos indításához kellene, ezért érdeklődöm felőle. Van egy másik hasonló kapcsolás, az is 4017-es IC-s kapcsolással van megoldva és FET-eket vezérel. Nekem az lenne a lényeg, hogy kb. 50 kimenetet lehessen vezérelni egy nyomógombbal, egymás után. Egy lenyomás egy lépés csak felfelé. A kimenet csak pár tized másodperig kapjon áramot (vagy csak a gomblenyomás idejéig). Mivel az izzógyújtók 2-3 Ohm ellenállással rendelkeznek, illetve elműködéskor rövidzárra is összeéghetnek védeni kell a FET-eket valahogy. Szóval ezen töröm a fejem (illetve más fejét) A mellékelt kapcsolás is jó csak kevés a kimenet. A hozzászólás módosítva: Okt 8, 2012
Hello!
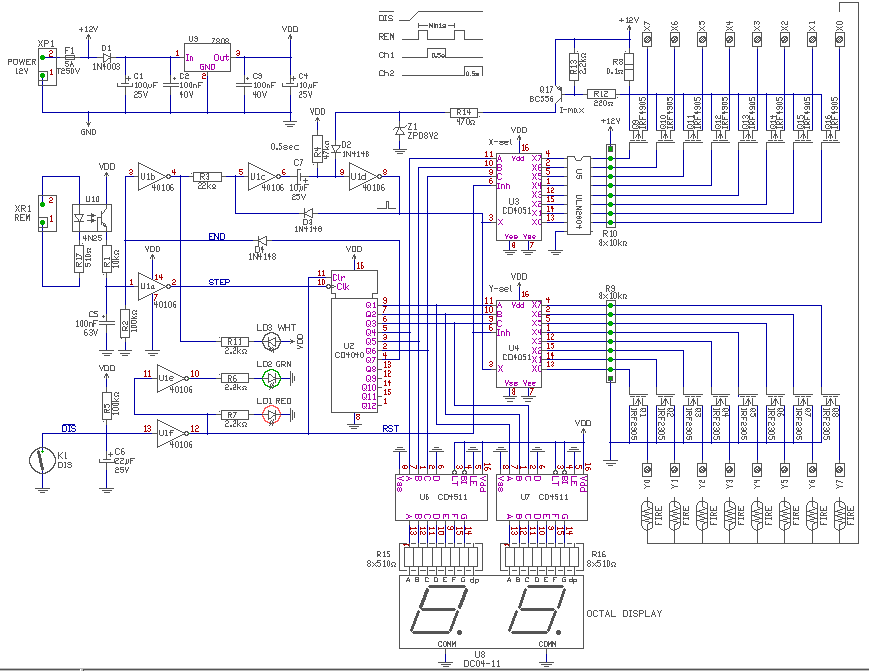
Készítettem már ilyen áramkört, valakinek. (Hogy kinek, már fogalmam sincs..) Ezt egy rádiós távvezérlővel léptették. Lehet élesíteni, időzíti a gyújtást. Kijelzés nincs rajta, De kis kompromisszummal megoldható. Lévén hogy "oktális rendszerben működik", egy oktális kijelzés viszonylag egyszerűen hozzákapcsolható lenne. (Ez plusz két 4511-et és két hétszegmenses kijelző lenen.) A különbség mindössze annyi, hogy nem a tízes, hanem a nyolcas számrendszerben jelezné ki. (0..7 majd 10..17 majd 20..27 stb.) Gyakorlatilag 64 kimenetig egyszerűen bővíthető, pontosabban 63-ig, mert a 0. kimentet nem lehet használni. Mert törléskor-tiltáskor ide áll be. (Kerestem a fórumon, de úgy láttam nemtettem még fel. Pontosabban nem láttam..) üdv! proli007 A hozzászólás módosítva: Okt 8, 2012
Szia!
Ez igen komoly, látszik benne a jó lehetőség! Tetszik! A vezérlés rádiósan megy, a véletlen indítás ellen (más rádió jeltől) védi valami? Rádiós cuccokhoz végképp nem igazán értek sajnos, bár vezérléstechnikailag célszerűbb/jobb. Ha mondjuk 5-6 ilyen eszköz működik egymás mellett azok nem zavarják egymást? Nem tudom milyen jellel és hogyan kommunikálnak egymással. Ezt lehet tudni? Más: nemrég utánépítettem az NTC FAN6 nevű ventilátorvezérlőt amit te terveztél, összeépítve Alkotó egyik hangszóróvédő kapcsolásával. Nagyon jó lett, tökéletesen teszi a dolgát! Köszönöm!
Hello!
Ennek igazából nincs köze magához a rádió összeköttetéshez, mindössze annyi, hogy adta hozzá a REM indítójelet. Hogy a vétel ne legyen zavart, helytelen indítású, egymást ne zavarják, ahhoz az adó-vevőnek kódoltnak kell lenni. De ma már kapható mindenféle kapunyitóhoz távrángató, szerintem ott is fontosak ezek a biztonsági dolgok. Ha a DIS kapcsoló bekapcsolt állapotú, akkor nem lehet indítani. Vagy is indítás előtt ezzel kell "élesíteni" a rendszert. Az élesített és bénított állapotot Led is jelzi. Egyébként nem is tudom, inkább mátrixba kötve kellene a meghajtani az elsütőket. Mert akkor a 63 kimenethez, 16db Fet-re lenne "csak" szükség. Bekötés szerint meg mindegy, hiszen minden gyutacstól úgy is két-két vezeték érkezik az elsütőhöz (gondolom én). (Szívesen! Én is örülök, ha valami realizálódik abból amit kitalálok, nem csak feleslegesen "túráztatom magamat", mint meg-annyiszor..) üdv! proli007
Értem! Akkor a REM a már a rádiójel vevőből érkező impulzust fogadó csati. Bármilyen egycsatornás adó-vevővel össze lehetne kötni gondolom. Akkor olyan mintha pl. 555 IC-ből kapna inditójelet REM csatinál?
A mátrixba való bekötés jó ötlet, nem lenne FET temető!
Hello!
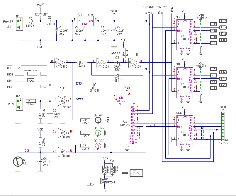
Pontosan. Közben a zárlati áram védelméről is gondolkodtam. A plusz tápágba be lehetne tenni egy ellenállást. Ha ezen túláram lép fel, akkor egy tranyót kinyitni, és az időzítő ellenállást "lesöntölni". Ekkor véget érne a gyújtó impulzus idő előtt. Gondolom, hogy a 2..3ohm a gyutacs hideg-ellenállása. Vagy is az indulóáram, maximum 6A körül lesz, felfűtve gondolom kevesebb. Mátrixban csak két 4051 kell, mer egyik a sort, másik az oszlopot választja ki. Az INH bemenetekkel lehet gyújtóimpulzust, és a tiltójelet bevinni. Ekkor a Led meghajtó panel, és a vezérlő közé 10 vezeték kell. (Mert talán a meghajtókat célszerű külön áramkörön felépíteni a vezérlő és kijelző egységtől.) Valahogy így.. üdv! proli007
Igen az izzógyújtó hideg ellenállása a 2-3Ohm. Mérések szerint egy izzógyújtó (tökéletesen nem egyforma egyik sem) de max. 4-4,5A-t vett fel míg el nem mú
űködött. A legtöbb azért 2-3A-nél már elműködött. Egyébként szabványosan 0,8A mellett mindnek működnie kell tökéletesen. Lehet, hogy működne áramkorláttal is, de a te verziód jobb, mert ugye sokszor zárlatos lesz az elműködése után (összeég), és akkor meg minek már a vezérlő áram neki! A sönt ellenállást az izzógyújtó tápágába kellene tenni ugye? Az időzítő ellenállás az R4 ha jól gondolom, ezt kéne lesöntölnie a tranyónak? Az azt jelenti jelen esetben, hogy földre húzni? Lehet nem jót írok, akkor bocsánat. Igen, a paneleket külön-külön jobb kivitelezni, már csak az áramkülönbségek miatt is! A mátrix még kicsit bonyesznak tűnik, bár lehet nem az.
Hello!
- Így van az R4 ellenállást kel söntölni. De nem a GND-re, hanem vele párhuzamosan. Kis komplikáció azért van, mert az áramfigyelő a +12V-on van, az IC-k tápja meg 8V. De azért ezt a problémát át lehet hidalni egy zénerrel, és egy diódával. Esetleg azt is meg lehet oldani, hogy egy optocsatolót bevetni. Az áramfigyelőről táplálni az opto Led-et ellenálláson keresztül, a tranyót meg párhuzamosan kötni az R4-el. Ekkor nincs szintillesztési gond. (ki kellene próbálni. - A mátrix nem gond, csak P-csatornás Fet kell felülre, alulra meg N-csatornás. A P-k meghajtásánál kell valamit tenni, mert annak Drain-je a 12Von lesz, a stab feszültsége meg 8V. Vagy is lehet meghajtó tranyót kell előtte alkalmazni. Esetleg ULN2804 meghajtót, abban úgy is nyolc van. üdv! proli007 A hozzászólás módosítva: Okt 9, 2012
Szia!
Nem vettem figyelembe a 8v-os ic tápot... Ezen a söntölésen gondolkodnom kell, mert nem teljesen állt össze (amatőr vagyok ebben nagyon). A képen lent a FET bekötésnél a FIRE feliratú "ellenállások" a gyújtók? Csak azért kérdezem, hogy direkt van 2 darab ott párhuzamban, vagy valami jelzésértékkel? Mert szokás több gyújtót párhuzamban egy kimenetre kötni (bár emeli a gyújtóáramot rendesen) Gondolkodom ezen a kapcsoláson, hogy megépítem, csak valami jó távirányítós vezérlőt kéne találni! Ettől azért félek.
Hello!
Nem kell távirányítóval léptetni. A kolléga ezzel kérte. Pontosabban a REM távrángató 12V-ot adott ki. Igen két gyutacs volt párhuzamosan. Az áram, rendesen nő. Megrajzoltam a mátrix kapcsolást is. Remélem érthető, és főleg működik is ha ne adj ég megépíted. Mert ugye szokásomhoz híven én csak rajzolok.. (Ezen nem sok látható, pdf-et meg nem ette meg..) üdv! proli007 A rajz kérésre kivéve, fentebb megtalálható. A hozzászólás módosítva: Okt 21, 2012
Szia!
Ez nagyon szép munka, már így is! Nagyon köszönöm a munkádat és segítséged! Értem is nagyjából (ha igaz) annak ellenére, hogy igen, a kép kicsit nehezen olvasható. Ezzel most nagyon felcsigáztál, már jár az agyam a dolgon! Megpróbálom kikalkulálni a bekerülési költséget és meglátom mi legyen. Bár nem lehet veszélyes az összeg szerintem.Addig is elkezdem bevinni Sprint Layout-ba, aztán alakul valahogy. IRF2305-öt nem találtam, helyette 3205 jó lehet? Nem tudom mi a jó párja a 4905-nek.
Hello!
Igen elírtam a Fet típusát. Sok szerencsét hozzá. Én a helyedben azért elsőként összedugdosnám dugipanelen az alapáramkört, Fet meghajtók nélkül, és néhány Led segítségével kipróbálnám hogy működik, vagy sem. Ha gondolod a pdf-et átküldöm máshogy. üdv! proli007
Szia!
Köszi a tanácsot, megfogadom! Elsőnek csak LED-del élesztem fel. A pdf-t megköszönöm, igazából a huzalozások keresztezéseinél nem derül ki, hogy mit hol kell összekötni, vagy épp nem kell. Bár ki lehet szemezgetni ![]() Az e-mail címemre nyugodtan küldheted! Nem tudom, hogy köszönjem meg a segítséged!? Itt csak így tudom, köszönöm! Írok a fejleményekről!
Szia!
Alakulgat a dolog, az áramkörök már nyomtatásra és maratásra készek (bizom benne, hogy jól vittem be a Sprint-be). Annyiban változott a dolog, hogy nem manuálisan lesz 12V kapcsolva a REM-re impulzusként, hanem egy ARDUINO Controller fog neki jelet adni. Amit nem tudok eldönteni, hogy hogyan tegye ezt: az ARDUINO 5,5V-ot és max 40mA tud kiadni, mint vezérlő jel. Na most ezzel kapcsoltassak egy relét ami a REM-re 12V-ot kapcsol, vagy egy tranzisztorral kellene inkább ezt megoldani? Szívem szerint az utóbbi jobban tetszene, csak ezt nem merem/tudom saját kútfőből beépíteni, mert ott füst lesz csak belőle. Tudsz-e segíteni nekem ebben? (milyen tranzisztor stb.) Köszönöm válaszod/segítséged! A hozzászólás módosítva: Okt 17, 2012
Még egy dolog jutott eszembe! A rajzon az van (ha jól gondolom), hogy a vezérlő jelek min. 1 másodpercenként követhetik egymást. Ez csökkenthető kevesebbre is? Gondolom, ez a 0,5 másodperces gyújtási időtartam csökkentésével megoldható lenne, amit az R4 szabályoz!? Mert lehet elég lenne 0,2 másodperc is gyújtásnak, így szűkülhetne a jelek közti minimális 1 másodperc időintervallum is.
Szia!
Elkészült az áramkör vezérlő része. A fetek másik panelen lesznek, tehát a panel a rajz szerinti két ellenállás sorig tart. A kijelző is egy másik panelen lesz. A működésében vannak kérdéseim, mert gyanús a dolog. Leddel próbálgatom, és érdekesen működik a rendszer. Ha lesz időd zaklatnálak vele!
Hello!
- Inkább használj az ARDUINO és a "gép" közé, egy optocsatolót. Az jó zavarvédelmet nyújt és grátiszként galvanikusan el is választ. 5..10mA-el megtáplálod a Led-diódáját, a tranyó kellektor-emitterét meg bekötöd a REM 2-es pontja és a +8V közé. (Mert indításhoz logikai H-szintre van szükség.) - Ha a gyújtásidőt csökkented, akkor gyorsulhat a gyújtás, bár meg kell vizsgálni milyen sebességre van egyáltalán fizikailag szükség. Ha nem egy relé fogja meghajtani akkor ott kontakthibára sem kell számítani. - A panelen az ellenállás soroknak és a Fet-eknek egy helyen kell lenni. Mert vezeték szakadás, vagy kontakt hiba esetén a Fet-enk zárva kell lenni. üdv! proli007
Szia! Köszönöm válaszod!
Értem eddig, a gyújtásidő csökkentését az R4 csökkentésével, vagy növelésével tudom módosítani? A C7 kondinak nincs ebben szerepe? A hozzászólás módosítva: Okt 20, 2012
Hello!
Nyilván valóan van, hiszen hozzávetőlegesen ennek az RC tagnak időállandója állítja be a késleltetési időt. T=R*C alapján (Természetesen a tápfesz nagysága és az IC hiszterézise is befolyásolja, de nem durván.) üdv! proli007
Szia! Bocsánat, hogy zaklatlak, csak szeretném ha működne ez a dolog!
A kijelzőnél levő 2db 4511-es IC-nek, ami a kijelzőt működteti, direkt nincs bekötve a 8-as és a 16-os lába? Vdd és Vss? Illetve a kijelzőnél van az a 2*8db 510R, az a szaggatott vonal ott körülöttük mit jelöl? A dp-hez tartozó ellenállás vége szabadon van ott? Ami még ott nem világos, hogy hol kap testet a kijelző? Mert a rajzon rajta van de a kijelzőnek nincs több lába mint 2*8.
Szia! Dolgoztam az ügyön.
A 4511-es IC-knek aztam tápfeszültséget és testet a 8 és 16-os lábaira, a DC04-11 kijelzőnek meg a DP lábaira testet és működik a kijelző, de: elkezdem nyomni a jeladót és a kijelző kihagy lépéseket, illetve előrébb ugrik bizonyos számokra. Pl: indításkor a 00-ról csak a 03-at mutatja, a 04-05 rendben de innen csak a 07-re lép majd a 10-re. Ezt csinálja és felfelé többször többet ugrik előre. 64 lépésnél a kijelző 70 feletti számot mutat. Mi oka lehet ennek? Köszönöm előre is!
Nem sikerült módosítanom a fenti hozzászólásom, leírom mégegyszer:
Tehát elkezdem léptetni, és csak a következő számok jelennek meg a kijelzőn: 00-03-04-07-10-13-14-17-20.... Amikor a 10-et mutatja, valójában még csak a 8-dik lépésnél járok. A 20-nál is előreugrik. A 64. léptetésnél a kijelző 70 felett jár jóval. Mi lehet ennek oka? Üdv: Sanyi
Hello!
- Bocs, a 4511-nél, én felejtetem el beírni a tápokat. (A program a táp lábakat rejtetten ábrázolja, mert digitális áramköröknél tudja hol van a táp, ezért nem jelzi ki. Ami a rajzokon látható, azt én szoktam utólag berajzolni, hogy érthető legyen. Itt meg kifelejtettem.) - A nyolc db. ellenállás egy DIP ellenállás pakkot alkot, amiben 8*510ohm van. Mivel ebben 8db különálló ellenállás van a tizedespontnak is "jutott" egy, amire persze nincs szükség. Természetesen használható helyette 8 (7) önálló ellenállás is. - Ha megnézed a kijelzett számok bináris kódját, akkor látható, hol van hiba. CBA 000 =0 001 =1 010 =2 011 =3 100 =4 101 =5 110 =6 111 =7 Csak az aláhúzottakat jelzi ki. Tehát látható, hogy ekkor az 'A' és 'B' bit mindig együtt változik. Soha nincs olyan, hogy A=0 B=1 vagy A=1 B=0. Tehát vagy el van kötve, vagy a B is az A-ra van kötve, vagy zárlat van a két vonal között. - Az természetes, hogy 8-nál 10-et mutat, hiszen írtam, hogy oktális (nyolcas) számrendszerben jelez ki! Ellentétben a 10-es számrendszerrel, ahol egy helyi értéken 0..9 lehet, az oktális számrendszerben 0..7-lehet. Így az oktális 10 egyenlő a decimális 8-al. Lehet hogy ez számodra fura, de mivel a mátrix is 8*8-as szervezésű, könnyű eligazodni, hiszen ha 10-et jelez, akkor az 1-es sorban a 0. fog gyújtani. Vagy is a gyutacsokhoz a sorkapcsokat is célszerű 8*8-ban kiépíteni, nem sorban a 0..63-at. Amúgy 00..77-et fog mutatni ha minden rendben lesz. üdv! proli007
Szia!
Hogy mekkora h...e vagyok! Tényleg írtad korábban hogy ez így működik! (illetve erre én is rájöhettem volna!) Csak annyira az élt bennem, hogy 1,2,3,4.... De a jó hír akkor az, hogy eddig jól működik a rendszer, a panelt meg átnézem hiba gyanánt! Az, hogy az 4511-es táp lábai nincsenek a rajzon szintén az én (nem) ismereteimet tükrözi, mert ha értenék hozzá, autómatikusan belerajzolom! (őszintén megvallva, mikor rajzoltam a Sprintbe feltűnt a dolog, de gondoltam így jó) De nincs gond, megoldjuk! ![]() A kijelzőnek én a dp lábára adtam GND-t, így hét + hét szegmens dolgozik a pont nélkül. Ma nekiállok beforrasztom a FET-eket (ajánlásod szerint átteszem az ellenállás sorokat is erre a panelra), és kiderül, hogy a rendszer egyben működik-e!? Köszönöm segítséged! (még biztosan keresni foglak, elnézést!) A hozzászólás módosítva: Okt 21, 2012
Ennyire szeretnék hozzá érteni mint Te! Zárlat volt két forrszem között az egyik 4511-nél! (a figyelmetlenség megint..) Az oktális rendszer jó így, sőt makulátlan!!
Köszönöm ismét!
Hello!
Kijavítottam a változásokat, meg a hibákat, ha igaz.. üdv! proli007
Hálás köszönetem!
üdv! dudassandor
Sziasztok!
Szükségem lenne hegesztőtrafóba egy léptetőre 1-8-ig, két nyomógombbal (fel-le) lehessen léptetni és egy 7 szegmenses kijelzőn jelezné, hogy hányadik állásban van, a 8 kimenetnek 8 külön relét kellene vezérelnie, ezek kapcsolnák a primer tekercseket és így szabályozható az áram. Jó sok IC vel is, illetve ha valaki tud programot és rajzot PIC-re az még jobb lenne, az egyszerűsége miatt... Sajnos nem is tudom, hogy a neten milyen szavakkal keressek rá. Előre is köszönöm a válaszokat! ![]() mhatalyak
Láttam az első oldalon ebben a témában a 4017es kapcsolást és ebből kiindulva szeretnék én építeni egy predátor karján levő kijelzőt építeni. A lényeg az, hogy adott 4db 8szegmensből álló "predátoros kijelző" amit úgy kellene meghajtani, hogy tápfesz megjelenésétől elkezdene számolni az első szegmens, ha megtelt a számláló akkor az első úgy maradna és folytatná a második szegmens a számolást. Ez így menne a 4. ig, majd ha megszűnik a tápfesz, akkor kikapcsol. Nem akarok PIC-et, nem gond ha IC halom van, csak működjön.
Szerintetek menne ez, abbol a rajzból kiindulva? Igazából az volna a legkirályabb, ha amikor mind a 4 kijelző megtelt, össze vissza villognának mindegyik, bár ezt halvány fogalmam sincs hogy lehetne elérni, ugyhogy maradok az eredeti ötletnél. Ha tudnátok segíteni, megköszönném! |
Bejelentkezés
Hirdetés |








Megpróbálom kikalkulálni a bekerülési költséget és meglátom mi legyen. Bár nem lehet veszélyes az összeg szerintem.







