Fórum témák
» Több friss téma |
Fórum » Léptetőmotorok (vezérlése)
Sziasztok
szeretnék érdeklődni hogy van nekem 1 unipoláris léptetőmotorom amit szkennerböl termeltem ki. működés közben melegszik kellően és a fordorész pedig kattog de ha picit megfogom a fogaskereket akkor a kattogás abban marad. tudna nekem valaki ebben segiteni hogy ez mitöl lehet?
ha kézzel tekerem a forgórészt akkor szépen lépked egymás után előre is és hátra is.
de viszont ha elinditom eléggé melegszik
sajnos ehhez a léptetőmotorhoz semmiféle adatlapot nem találtam sehol sem
ennyi adat van feltüntetve a motoron:
24sa32
semmi minden fixen van rajta egy kicsit mozog a forgórész fel -le
Bocsi, technikai probléma miatt kiszorultam az oldalról.
Mekkora árammal hajtod? Tartó áramnál, azaz léptetés nélkül van holtjátéka a tengelynek? Bármely irányban.
Sziasztok
Szeretnék egy segítséget kérni Van egy léptető motorom, van hozzá meghajtóm de, a meghajtót nem tudom, hogy mivel kel vezérelni A fotókból remélem ti, ki tudtok csomózni egy megoldást Az egyik képen, amit ki tudtam okoskodni rá írtam, de ez nem sok Ettől még nem indul el sajnos
Az alkatrészek doksia is meg van
A motornak mi lehet a feszkoja? SANYO DENKI 103H7126-07d1 027K16070 3A 1.8 deg
Már közben sikerült megoldanom nem volt megfelelő a fázisssorrend!
már megjavult szépen léptet.
Valószínűleg Step/Dir/Ena jelek kellnek neki. Mérd meg hoyg myilen feszültség van alapból a három vezetéken. és ellentétes polaritásu jelet adj neki
az egyiket tad tartósan rá hoyg az engedélezés meglgyen. majd adj egy dróttal impulzust kulön külön mindkettőre s figyeld, hoyg mozdul e a motor ha nem akkor eg tüskével menj arréb és uygan ezt jászd el meg keel mozdln a motornak az irány most még nem édekes
El is feledtem a motort milyen feszültséggel hajtsam?
Szia!
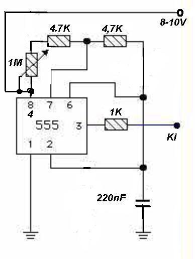
Az STK6713xxx adatlapját tanulmányozd át, a müködtető feszültség abból kitalálható. (Min18V, max. 42V!), tehát 24V-36V körüli lesz. Én mérném az áramkörön átfolyó áramot a motor különböző terhelésével, és nagy valószínűséggel DC24V lesz az ideális működtető feszültsége az egységnek. Az még nem derült ki a közölt adatokból, hogy kell-e külső órajel, ill. rendelkezik-e az áramkör saját órajel generátprral. Ha ez szükséges a vezérléséhez, egy 555 megfelelhet, pl. egy ilyen.
Köszönöm az eddigi segítséget
Meg építem az 555 vezérlést Jelzek, hogy működik egyáltalán Talán meg tudom fordítani a forgás irányt?
Szia!
Azon a csatlakozó soron, ahol az IC 5V táp is csatlakozik, valószínű, hogy az órajel benete és az irányváltás is rajta van. Ha már működik, könnyebben kitalálható lesz, mert a (maradék) pólus(ok), vagy alacsonyra, vagy éppen magasra húzva lehet majd a kivánt irányt meghatározni(?) (A képek minősége miatt ez nehezen követhető, legjobb egy teljes kapcsolási vázlat lenne jó tanulmányozásra).
ha már tudod melyik láb a dir akkor egyszerűen ellenkező polaritást adsz neki. Meg fog fordulni a lépés irány.
igen adhatsz neki 555-l léptető impulzust. elvileg a meghajtóban van áramfigyelés az osccilátor frekvenciája határozza meg. a rajz szerint a motorfeszlütség mivel nyitott a kimenet a motor határozza megt. Ezért, ha 5 volton kezdet próbálni nagy baj nincs. ha kicsi a nyomaték emelheted a feszt. de nézd a motorfázisáramát a biztonság kedvéért Az adalapo alapján közölt képletből utánaszámolhatsz a benen levő érétékekből.
Ne zavarjon nekem is néha össze, jön a rossz helyes írás
Az a lényeg hogy más meg értse, amit akarsz mondani és nekem teljesen érthető volt és világos
Amúgy a lamináló gépembe lenne a hajtás
Később szeretnék egy cnc felsőmarót csinálni
Laminálógépbe nem túlzás az? Ajánlanék kisebbet helyette, vezérléssel.
Üdv!
Kivettem egy léptetőmotort egy nyomtatóból, de nem nagyon találtam semmi adatot róla a neten (nyomaték, fesz, lépésszám). Ha valaki tudna nekem segíteni nagyon megköszönném
Üdv!
Ismer valaki olyan kapcsolást amivel egy léptetőmotort (most konkrétan egy régi winchester motorjáról van szó ami a korongokat forgatta) max fordulatszámon lehet pörgetni ha meg a fordulatszámát állítani lehet egy potival akkor még jobb lenne. A motor 6 vezetékes ha kell csinálhatok képet is róla!
7200rpm egy léptetőmotortól? 1000-et ha tudnak az enyémek. Biztos léptetőmotor van benne?
Az egy háromfázisú szinkron motor, háromfázisú négyszög feszültséggel is megforgatható fokozatosan, nulláról növelve a frekvenciát.
És az mit jelent és hogy oldhatnám meg a forgatását?
van itt valami wincsimotoros topic, keress rá
És egy léptetőmotort hogy lehet forgatni?
Vannak hozzá vezérlők. a tekercsekre kell áramot adni szépen sorban, és ugye akkor arra rántja a mágnest. Van róla leírás a neten kilószámra
Bővebben: Link
Heló!
Nagyon kezdő vagyok ezen a téren!! Milyen összefüggések vannak a motor adatai között, amiket általában feltüntetnek a motorokon? Ellenállás, áramerősség, feszültség, megközelítőleg itt is érvényesek a teljesítmény számítási képletek pl: P=U*I ? Köszi a segítséget |
Bejelentkezés
Hirdetés |


















