Fórum témák
» Több friss téma |
Fórum » Leválasztó transzformátor
A felkészültebbeknél elektronikus mérleg van, és ezredgrammra lemérik. Tapasztalat!
Ge Lee, tök mindegy, hogy méterre vagy kilóra adja, letekerni úgyis le kell, szóval nem értem, hogy ha kilóra adja, akkor a vezeték sérthetetlen vagy mi?
![]() granpa címet tudnál adni ahol így ezredponossággal adnak? Különben én nem azt mondtam, hogy ő a hibás, mert kilóra adja, hanem azt"áldom" aki az egészet kitalálta, hogy ezt így kell mérni... A hozzászólás módosítva: Okt 8, 2013
Nem írhatom be a 'holkaphatóba', mert csak nála láttam, és ő nem bolt, nem is tekercsel mindent, és nincs nála mindenféle méret. A barátom, Dóri Péter; Kisgépjavító, Bp. XIV. Szugló u. 86.
A hozzászólás módosítva: Okt 8, 2013
Higanygőz égő fojtójából nem fogsz igazán jó trf-t készíteni!
Ha meg nézed a mag "E" lemezét figyelmesen, kiderül, hogy a lemez középső része rövidebb mint a két szélső szár. Ez már egy alap "légrést" ad a magnak. A lényeg: ezzel nagyobb szórása van a magnak. Ha váltakozva teszed be a lemezeket (minden trf-nál így kell - kivétel hegesztő trf.) akkor is megmarad ez a légrés, a trf-od relatív nagy szórású lesz, vagyis a primer fesz a megszokodtól jobban fog esni terhelés hatására.
Azaz a szekunder fesz.
Attól függ melyik fajta van, nem mind légréses (nem találkoztam olyannal, tán az újabbak ilyenek).
A régi hagyományos EI magos higanygőz fojtók jók voltak. A csavarozott vasvázas, távtartós légréssel. Az újabb sajtolt vasmag nem való másra, mint fojtónak. Pl. CO2 hegesztőhöz a 400 W-osból.
Egykor 125-ös magból 1+1/3 vastagsággal készítettem akkutöltőt. 14 V 20 A, 28 V 10 A-rel terhelhető. Önindítók próbájánál, bikázásnál az ampermérő kitért a hitéből, de a töltő még vígan üzemel. ~25 éve?
Az már barátibb, mint 1 kg. 20 dg nem túl sok, hamar elfogy.
Helló!
Nos én megmértem tolómérővel a széső szárakat is meg a középsőt is, és ez tökéletesen egyforma (64mm). Szóval itt nincs légrés. Vagyis volt, jó vastag trafópapír volt betéve az E és az I közé, vagy 2mm légrést létrehozva ezzel. De ha rakom össze (ha sikerűl végre drótot szereznem hozzá), össze lesz forgatva, olyan egyet jobbról, egyet balról módszerrel. Szóval ennek mennie kell... Mese nincs.
Jah*, és volna még egy beugratós kérdésem, úgy általánoosan akármillyen trafóval kapcsolatban. Leválasztó, vagy hálózati trafó az most mindegy. Szóval van ez az átlátszó úgynevezett folpack fólia, a rugalmasabb fajta (nem a celofán). Az használható a soronkénti (nem a primer és szekunder elválasztáshoz) szigetelésnek amúgy? Akár több rétegben, mert az elég vékony azért. Arra gondoltam ha jó feszesen rátekeri az ember, az azért szorít annyit a dróton, hogy ad némi plusz mechanikai rögzítést is, már hogy a zizegést elkerüljük. Nem mintha nem lenne trafópapírom (van). Csak láttam azt a videót itt amiben trafót tekert az öregúr, és ő zsírpapirt használt.
A hozzászólás módosítva: Okt 12, 2013
Jogos
Akkumulátor töltőnek egyébként nem rossz hogy a szekunder fesz kicsit lekornyad.
Akkor szerencsédre, neked egy olyan gyártási szériából van a magod, amikor kifogytak a "fojtómagból". (Mind a két fajta maggal gyártottak fojtót!) Előfordul a sima trf. mag is. A szórást (légrést) prespánnal állították be.
A hozzászólás módosítva: Okt 12, 2013
A zsírpapír 'hőálló' (normál üzemben kibírja a melegedést, sőt többet is), a fólia nagyon nem. Vékony huzallal tekeréshez legjobb a kondenzátorpapír (motor indító, fénycső kondi bontásból).
Anno, az orosz, de más akkutöltők is, egyenes lemezcsomagra készültek, pont ezért. Mint írtam régen egyáltalán nem találkoztam rövidített középső tagú lemezes nagy(obb) teljesítményű (Hg) fojtóval, csak EI+prespán. A bitumenes, fém,-vagy bakelitházas f.cső fojtóknak volt M lemezük, azoknak rövidebb volt a közepe. Anódtápba jók voltak.
Sziasztok!
Egy leválasztó transzformátort ha külön fémdobozba szerelek akkor szabad-e a fémdobozt földpotenciálra kötnöm?
Egyenesen kötelező, így lesz I. ÉV osztályú. De a szekundert ne földeld le, csak a vasmagot...
Hogyha a transzformátor egyik kivezetését sem kötöd hozzá, akkor le KELL földelni.
Akkor a doboz a vassal együtt megy a földre. A szekunder természetesen nem lesz földelve. Köszönöm mindkettőtöknek a villámgyors választ!
Sziasztok! Gözöm nincsen erről a leválasztó traforól, de vettem oszcilloszkópot és írják, hogy kellene hozz. Na jó, de hogyan kell ilyet csinálni, milyen trafó kell hozzá? Mert itthon van sok fajta kukázva. És ha ez meg van utánna hogy kell a szkóphoz kötni? Lehet marhaságot kérdeztem, bocs. Köszi!
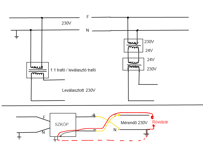
A leválasztó trafó 230V-ból 230V-ot csinál. Trafó lévén a kimeneti 230V galvanikusan le van választva a bemenettől, azaz ha a szkóp földelt mérőcsipeszét fázisra kötöd, akkor pukk, tarfóval pedig semmi, azaz de, mérés. Leválasztó trafót lehet készen venni, ha csak a szkóphoz kell, nem kell olyan nagy, de csinálni is lehet két ugyanolyan kimenetű trafóból is, ha szembefordítva összekötöd őket, pl egy 24V-ost. |230<->24|-----|24<->230| És ezt kötöd a skóp elé, mármint a skópot a második trafó/egy trafónál a szekunder/ kivezetésére.
A hozzászólás módosítva: Ápr 1, 2014
Szuper, köszi! De az volna a legjobb, ha le rajzolnád
Az volna a leg érthetőbb, nekem biztos.
Minden rajztudásomat összeszedtem
A lényeg, ha a felső két mód egyikével használod a skópot, nincs olyan pont amihez ha hozzáérsz a gnd-vel, akkor rövidzárat okozz, mint ahogy az alsón próbáltam rajzolni. A trafó kimenete és bemenete nincs összekötve (kivétel: autótrafó) ezért a földelést leválasztja és nincs min záródnia a körnek, mert a szkóp mindkét tapintója földfüggetlen lesz. Remélem érthető volt.Üdv.
Ez így már érthető! Köszi!
Szia!
Szünetmentes tápból csináltam leválasztó trafót kapcsolóüzemű pc tápok mérésére elsősorban. A szekeunder tekercsek nincsenek a "dobozon" a fémdoboz pedig le van földelve a vasmaggal együtt a konnektorban. A szekunderre rá lehet kötni a szkópot és a mérendő pc táp panelt is? A hozzászólás módosítva: Jan 21, 2015
Egyszerre nem, mert a pc tápok gnd-je földelve van.
Akkor hogyan mérjem a panelt?
A szkóp maradhat a hálózaton, a mérendő eszköz kapjon mindentől független táplálást!
Értem, köszönöm, régebben is így volt.
A hozzászólás módosítva: Jan 21, 2015
Hello! Tudna-e Valaki segíteni abban,hogy a mellékelt rajzon lévő 2 drb. Transzformátor össze kapcsolható --e a rajz alapján? Leválasztó trafó készítés lenne a cél,és ez a két trafó így rendelkezésemre áll. Köszönöm!
A hozzászólás módosítva: Feb 8, 2015
|
Bejelentkezés
Hirdetés |





Attól függ melyik fajta van, nem mind légréses (nem találkoztam olyannal, tán az újabbak ilyenek).
Az volna a leg érthetőbb, nekem biztos. 

