Fórum témák
» Több friss téma |
Köszönöm a választ, az akkut beépítettem, 72 db 5050 tip. ledet hajt meg.Eddig jól működik.
Szia!
A megoldás végül blokkvázlatosan a következő lett (mivel némi feszültségesés megengedhető volt a panel működése szempontjából): csatolmány. Az 5V-os LDO és a két Shottky együtt kevesebb, mint 100 Ft. Köszönöm az ötleteket! Ki fogom próbálni őket, már csak azért is, hogy tanuljak belőle. Ádám
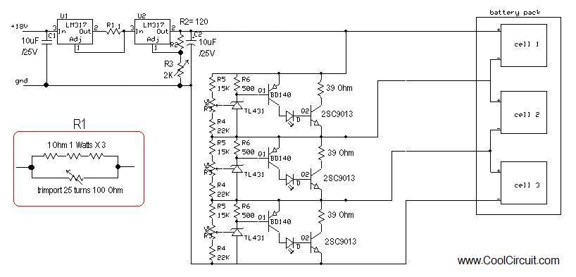
Sziasztok. Az alábbi kapcsolásirajz balanszer része használható? Milyen célt szolgálnak ott a 2SC9013 bázisán a ledek?
Hello!
- Használható, ha a kiegyenlítendő áram nem több, mint 100mA. - Vajon mi célt szolgál, egy Led? ![]() üdv!
Értem én, hogy világit, de minek?
Ha a 2SC9013 helyére tennék pl. fet-et és kiegésziteném a gate-jén kisütő ellenállással, akkor úgy lehetne növelni a kiegyenlitő áramot? Kisütés közben hogyan lehetne megoldani, hogy a cellűk egyformán merüljenek? Mert nem biztos, hogy egyforma állapotuak a cellák és egy csavarbehajtó akkuja lenne. A hozzászólás módosítva: Dec 1, 2013
Már értem. Köszönöm. Akkor nekilátok és megcsinálom
Üdv Mindenkinek.
Valaki tudna segíteni abba hogy a mellékelt kapcsolás használható-e egy 10.8 v-os akku packhoz némi módosítással. Ha igen milyen értékeket kellene módosítani. Előre is köszönöm
Lehet változtatni, de több cella esetén nem igazán jó, balanszeres töltő kellene.
A rajzon az LM317 különböző beállításai vannak, át kell számolnod cellaszámx4,2 V.
Sziasztok!
Tudnátok nekem ajánlani vagy linkelni olyan töltő rajzot, amivel tudok tölteni sorba kötött Li-ion akkupakkot. 14,8V lenne a pack. És 18V 500mA tudnám táplálni a tölőt, de ha ez kevás akkor van 32-35V adapterem is. Köszi!
Ki kell egészítened egy fokozattal, és a stabil feszültséget hozzá kell emelni. Bővebben: Link
A hozzászólás módosítva: Dec 9, 2013
Sziasztok. Megépitettem a balancert, csak nem vagyok tisztába a beállításával. Kérem valami magyarázza el. Bocsánat, hogy ennyit értetlenkedek
Hello!
- Ha a három cellát 4,1V-ra szeretnéd tölteni, akkor a P2 potival, cellák nélkül, 3*4,1=12,3V-ot kel beállítani. - A balancer egy Shunt stabilizátor. Vagy is párhuzamosan söntöli a cellát, ha annak feszültsége meghaladná, a 4,1V-ot. Vagy is ha az 1. balancert állítod, akkor a másik két cella helyére tegyél 47ohm-os ellenállást. Az 1. potijával állíts be az 1. cellán mérve a 4,1V feszültséget. És így tovább. üdv!
Köszönöm mindkettőtöknek. Magamtól nem birtam rájönni, hogy hogyan kell.
Üdvözletem mindenkinek!
Segítséget szeretnék kérni, hogy a MAX712 akkumulátor töltő vezérlő köré épített kapcsolást át lehet-e alakítani 30A max töltőáramra? MAX712 adatlap Gondolom, M1-et, L1-et, D1-2-t és R3-at kellene módositani.. Előre is köszönöm és szép vasárnapot mindenkinek!
üdv
Mindenkinek kellemes ünnepeket! Lenne egy olyan kérdésem: Van 2db 7,4v fogyasztóm, amit darabonként két sorba kötött 3,7v li-ion 3000ma-es akkuval hajtanék. Azaz van 2db 7,4v 3000ma akku amit minél egyszerűbben tölteni szeretnék. Találtam a neten egy 7,5v 800ma adaptert, ezzel lehetne a két akut egyszerre tölteni? Válaszokat előre is köszi.
Nem! A két feltöltött akku feszültsége 8,2V. A lithium akkut egyébként sem lehet simán egy adapterrel tölteni, töltőáramkör szükséges a töltéséhez.
kösz a gyors választ.
Ijet lehet vásárolni?
Milyen méretű akkumulátorod van? 18650 mérethez ez jó lehet.
A méret jó de én ilyen cellára gondoltam
Ja a képen párhuzamos a kötés ezért van 3,7 ráirva.
Ha párhuzamos a kötés, akkor miért akarod sorba kötve tölteni? Ne bonyolítsd az életed, maradj a 3.7V feszültségnél.
Bocs zavaros lett az egész.
A kép csak példa volt. A fogyasztóim 7,4v-rol működnek, ezért akarok 7,4v-os cellákat készíteni, a képen látható formában a csatlakozó, a zsugorcső és a 18650 akkuk stimmelnek, csak a kötés nem A hozzászólás módosítva: Dec 29, 2013
És mivel fix a cella ezért kéne 7,4V töltő, ja és eb[color=redöl is kettő van. Jó volna egyszerre tölteni
A hozzászólás módosítva: Dec 29, 2013
A csatlakozót úgy kellene megoldani, hogy csak a kütyüdben kösse sorba a cellákat, töltéskor pedig egymástól függetlenül legyenek. Akkor Két ilyen olcsó megoldás lehet
Igen ezzel mondasz valamit.
Csak ki kell találnom az új csatlakozókat. És sajna nem vagyok jártas a eday vásárlásban. Ilyen nincs valahol magyarban
Sziasztok!
Szeretnék segítséget kérni tőletek.Van egy tabletem amiben van egy 3,7V 3000mAH-s akku. Egyik nap lemerült és később se kép se hang.Szétszedtem és először az akkura mértem rá.természetesen 0V-ot mértem.Amint csatlakoztatom a töltő egységhez az akku csatlakozópontjain megjelenik 3,4V.De az akku nem tölt.Rossz lenne?Ha igen kerestem helyette fizikai méretben megfelelőt ,de az csak 2200mAH.Ha rossz akkor kicserélhetem erre? -A Töltőáramkör IC típusa AXP209-
Kicserélheted, csak kevesebbet fog tudni, mint az eredeti.
Köszönöm a gyors választ.tehát ha megvan a töltőfesz de az aksi nem tölt akkor tuti rossz.
Ilyenkor mi romlik el benne?
Szevasztok! Kérhetem a segítségeteket egy gyári fejlámpa töltő átalakításában? Eredetileg, egy 4 voltos gondozásmentes kis ("géles") akku van benne, amit egy kapcsolóüzemü, 5,2 V-os szekunder kimenetü töltővel lehet tölteni. Ezen a töltőn egy zöld LED jelezte a tápveszt és egy piros LED a töltést és ha az befejeződött, a piros LED kialudt. Az akkuját kicseréltem egy 3,6 voltos Li-ion (1300mA) hengeres rúd akkumulátorra amihez ezt a töltőt átszeretném alakítani 4,1 V-os kimenetűre úgy, hogy a LED funkciók megmaradjanak. A primér körbe kicseréltem az 5,6 V-os zénert 4,7 V-ra, de a LED-ek etől villogtak, így vissza raktam az eredetit. A következő az volt, hogy a TL431 reff körében lévő 1070 Ohm-os ellenállások helyére tettem egy 2,2 K potit úgy, hogy a potméter középső lábát a TL431 reff lábára, a poti egyik szelső lábát a plusz -ra a másik szélsőt a minusz -ra forrasztottam. Így szépen lehetett is állítani a piros LED ki és be "kapcsolási hátárát", de a kimeneti feszültség nem változot (5,2 V). Primer vagy szekunder körben kellene változtatni? Vissza rajzoltom a kapcsolást és a töltőről is készitettem képeket. Köszönöm a türelmetek! Tiszteletem!
Hi!
A kimenő feszt a ZD1 cserével tudod csökkenteni. De ezt a tőltőt feletsd el a nevezett akku töltésére, hacsak nem akarod, hogy az akku felrobbanjon. Keress másikat, aminek a primer és szekunder között opto található, és a szekunderen van TL431 az opto előtt. Üdv. |
Bejelentkezés
Hirdetés |







Ha a 2SC9013 helyére tennék pl. fet-et és kiegésziteném a gate-jén kisütő ellenállással, akkor úgy lehetne növelni a kiegyenlitő áramot? Kisütés közben hogyan lehetne megoldani, hogy a cellűk egyformán merüljenek? Mert nem biztos, hogy egyforma állapotuak a cellák és egy csavarbehajtó akkuja lenne. 











