Fórum témák
» Több friss téma |
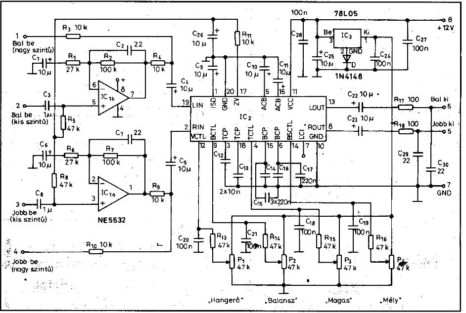
Fórum » LM1036 sztereo hangszínszabályzó áramkör
Témaindító: Krajcsooo, idő: Máj 29, 2006
Témakörök:
Ha poti biztosan jó, akkor a bekötéssel lesz a gond. Tippem a csúszkára megy a +5V.
Szia!
Ezt Sprint Layout 5 vagy 6-tal tudod megnyitni! Most leszedtem a fenti linkről, nekem megnyitja mindkét progi...
Alkotó! Erről nincs esetleg egy nyomtathatós PDF fájlod? Csak a panel tervet szeretném.
Na a kérdésem valahogyan elveszett. Tehát az előző hozzászólásomnál van egy terv. Nos az működőképes? Megtetszett, hogy van benne előerősítés is és ha jó akkor megépiteném.
A keresett rajz nem az enyém.
Ebben tudnék segíteni, ha megfelel.Bővebben: Link
Értem. Azt gondoltam, hogy talán megvan a vasalhatós terv is a beültetésin kivül. Azért köszönöm.
Elbeszélsz mellettem.
A linkemen lévő tervhez mindenem megvan, arról bármit tudok küldeni. De ez nem az, amit Te kértél csak ahhoz nagyon hasonló.
Hát arról kérdeztem, csak becsatoltam véletlen egy .lay fájlt. Amire egy kérdést is rtam, de a kérdésem eltünt sajnos nem értem hogyan, ezért irtam egy újabb hozzászólást.
Nos ha nem lenne nagy kérés akkor a Tiédhez szeretnék kérni egy nyáktervet vasaláshoz és egy beültetési rajzot. Előre is köszönöm.
A vasaláshoz szükséges nézetek.
A tervet Én nem próbáltam ki, de tudok sikeres utánépítésről. Javaslom az elkészítés előtt ellenőrizni.
Köszönöm szépen. Szerintem nem fontos átnéznem ha már van belőle működő példány.
Ez rossz hozzáállás. Az nem jelent semmit, hogy "azt hallottam valakitől, hogy működik".
Persze, jó eséllyel nincs benne hiba, de azért valami kis apróság becsúszhat, ezért ha ellenőrzöd, és találsz valamit (amit el is mondasz nekem) akkor lehetőségem nyílik javítani a tervet.
Jólvan. Már kimarattam ma a nyákot, és valószínűleg, holnap nekiállok összerakni és ha találok valami furcsaságot akkor mindenképpen jelzem feléd.
Egyet értek Alkotóval, mert a boltba vásárolt alkatrészeket is át kell nézni, mérni beültetés előtt. Sok olyan példát hallottam meg tapasztaltam, hogy az az ellenállás nem annyi volt amennyit a színkód jelölt, vagy hasonló eset. És ilyenkor jött, hogy nem működik, de újak az alkatrészek, akkor mi lehet a baj. Utána pár napos szenvedés, és hibakeresés után megtalálja az ember azt a hibás alkatrészt és csodálkozik, hogy nem annyi amennyi rá van írva.
Pár hete rendeltem a lomextől 50kΩ-os potikat, a csomagoláson ott ált az 50kΩ felirat. Alaposan szemrevételezve 250Ω volt ráírva mindre, mérés multival 250-et mutatott mind az 5 db. Szerencsére rendesek voltak és ingyen küldték az 5db 50kΩ-osat.
Sziasztok!
Milyen probléma származik abból ha az LM1036 nak a két oldali bemenetét, és kimenetét összekötöm, és úgy használom. Vagy kérek valakit segítsen. A keverőmön mono szimmetrikus kimenet van a monitorra. Ide szeretném használni ezt a hangszínszabályzót. Nem látom tisztán a szimmetrikus kimenet, és a hangszínszabályzó bemenet összehozását. Az 1-3 as lábat kössem össze a keverőből kijövet, és menjek fél oldallal hangszínszabályzóval.? Köszönöm! A hozzászólás módosítva: Máj 1, 2013
Szia! Azt hittem ez volt már. Az LM1036-nak nyugodtan használhatod külön az egyik felét. Ha nagyon precízen szeretnél eljárni, akkor a nem használt oldal bemenetét csatold a testre, hogy elkerüld egy estleges zaj áthallását.
A szimmetrikus jelet kedved/igényed szerint aszimmetrikussá alakíthatod egy műveleti erősítő segítségével, vagy csak egyik ágát használod, ahogy írtad is. Ezeket a fogásokat szerintem ismered. Ha csak megerősítésre vártál, akkor megtörtént
Ez a testelés úgy is megtörténhet, hogy bemenetnek mono jack dugót használok, és az már zárja is fél oldalát.? Köszönöm!
Ha a bemenet sztereó jack aljzat, akkor kiváló megoldás.
Igen sztereó a bemenet, ez rendben.
A kimenet is sztereó, a végfokba a bemenet viszont szimmetrikus. Ha én a végfokba is mono jack al megyek be, az nekem a hangszínszabályzó sztereó kimeneten káoszt csinál. (gondolom) Igaz, hogy a végfok bemenetet aszimmetriálja, de mi történik a kábel másik végén, vagyis a hangszínszabályzó sztereó kimeneten.? Köszönöm!
A kimenetet ne tekintsd sztereónak, mert csak az egyik csatorna fog üzemelni. Ennek a csatornának a kimeneti pontját kösd a jack csúcsára.
Tekintsd úgy az áramkört, mint két független erősítő, amiknek közös a tápja és a vezérlése. Neked csak az egyik kell, tehát a másik bemenetét rövidre zárod, a kimenetét meg hagyod lengedezni (nem lesz rajta semmi, mert a bemenetét rövidre zártad, de ha az megnyugtat, akkor egy mondjuk 10kR-al ezt is a GND-re kötheted). A maradék erősítőnek meg lesz egy aktív bemenete és egy szintén élő kimenete.
A bemenet rövidre zárását semmiképpen se bízd a csatlakozóra, mert nincs arra garancia, hogy mindig monó dugó kerül a lyukba. Belül, fixen kösd a GND-re, az a tuti.
Szia!
Régebben megépítettem már a kapcsolást és akkor működött is. Most is szeretném, de két alkatrésznek nem tudom az értékét. A kapcsolási rajzon nem szerepelnek, de a panel tervben benne vannak. Régebben megoldottam csak nem emlékszem hogy hogyan. Nem találom a gépemen a régi kapcsolást és panel tervet. A kész panelt pedig már beépítették máshova. Előre is köszönöm a válaszod.
Azonosítani kellene valahogyan, melyik alkatrészekről van szó, mert így nem tudok segíteni. Pl jó lehet egy fotó a panelről, amin jelölöd a hiányzókat.
Egyébiránt itt a fórumban is találsz kapcsolást, Pl olyat is, amit Én rajzoltam át, amin jó eséllyel megadtam az értékeket.
Pontosan az R3 és az R10-ről lenne szó. A te rajzolatodon nem szerepelnek.
A panelterven rajta vannak, de a kapcsolási rajzon nem. A hozzászólás módosítva: Máj 20, 2013
Azokat én műtöttem le. Itt megtalálod.
Köszönöm a választ.
Elég ha simán átkötöm őket vagy azért rakjam be? A hozzászólás módosítva: Máj 20, 2013
Ezen a két ellenálláson magas szintű bementet lehet fogadni. Igen ám de akkor minek bele a műveleti erősítő? Ennek a bementi lehetőségnek a céltalansága miatt vettem le őket anno.
Mekkora jelszint fog a kapcsolásra érkezni?
Fogalmam sincs. Ehhez a lejátszóhoz lesz: Bővebben: Link
|
Bejelentkezés
Hirdetés |




