Fórum témák
» Több friss téma |
Fórum » Mérőműszer nullpont eltolása
Határértékkapcsoló műszer GANZ 96 vK-1
Ennek a műszernek az átalakitához kérnék segitséget. Nullapont eltolással,mérjen feszültséget 10V és 15V határok között. Próbáltam a zener diódás megoldásokat de a számitási ismeret hiánya miatt nem sikerült . .. A műszer adattábláján 1.5 számérték áll. Értelmezésem szerint 1.5 mA végkitérést jelent, vagy tévedek? Kérem a hozzáértők segitségét Sajnos itt a fórumon ilyen témát nem találtam. . Válaszokat előre is megköszönöm. Üdvözlettel: lászló
Szia !
A műszeren található "1,5" jelölés az osztáspontosságra utal, nem a műszer érzékenységére. Az általad megoldani kivánt feladat ezzel a műszerrel ,- csak önmagában-nem megoldható. A hozzászólás módosítva: Márc 7, 2013
T. HG6DAB! Köszönöm a gyors reagálást. Megpróbáltam a fotót küldeni
Üdv : laszlo
Első körben szét kellene szedni ,és feszültség mérőt csinálni belőle ,azután jöhet a zéneres kivonó .A maga 2 ohmos ellenállásával feszültség mérésre nem igen alkalmas.
Szia Justice! Most hogy irtad nekem is beugrott , igazad van. Kb. 50 éve tanitottak erről érintőlegesen. Egyébként valami spéci félvezetős elektronikára gondoltam nem így önmagában. Neked is köszönet a gyors reagálásért!
Üdv: laszlo
Szia Proba! A fesz.mérésig eljutottam: 2. 7 Kohm-os előtéttel 12V a végkitérése. Nos itt következne a zéneres vagy egyéb megoldás a nullpont eltolásra. A korábban emlitett 10-15V
tartomány eddig is működött kapcsoló üzemben, de tul sürű volt a skála osztás, ezért szeretném kiterjeszteni. Van erre valami ötleted? Üdv: laszlo
Tedd sorba vele a zénert, nagyjából ott fog kezdődni a skála, amilyen értékű zénert teszel. Lehetőleg kisteljesítményű zénert válassz, pl. ZPDxx. A végkitérés marad az eredeti.
A hozzászólás módosítva: Márc 7, 2013
Szia,
az általad adott parameterek alapján egy ZPD10 és vele sorban kb. 1.1 KOhm meg is felel. Ugyanakkor gondolom hitelesíteni is kellene, tehat a nullpontnak is és a végkitérésnek is állíthatonak kellene lenni, gondolom. A végkitérés az eléggé egyszerű: Mondjuk 820 OHm és vele sorva egy 470 Ohm trimmer. A nullpont már nehezebb dió. De mivel úgyis új skálát (nem teljesen lesz lineáris és a számok is mások lesznek rajta) kell rajzolnod, ezért akár maradhat is a zener ![]() Sok sikert, G.
Köszönöm a segitségeteket! Holnap megyek a Lomex-be megveszem a zénert, és más apróságot is, mert már eléggé kifogyott a "készlet". Ezt követően beszámolok az eredményről.
Üdv. és szép napot: laszlo
Létezik feszültségből 4ma -től 20mA-ig konvertáló kapcsolás, de csak otthon tudok utánanézni. Viszont ha autóban akarod alkalmazni, nem biztos, hogy jól fogja tűrni a rázkódást.
Rossz kép került betöltésre, tehát ha szétszedésnél kiderül, hogy megfelel a műszer érzékenysége, akkor ezt a kapcsolást használhatod.
A hozzászólás módosítva: Márc 7, 2013
Még ezt is 4-20mA forum nézd meg!
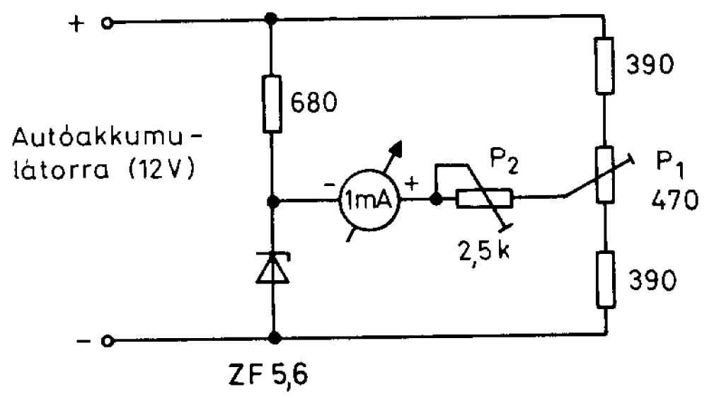
Hello! Tessék! Itt egy szerintem egyszerű, és komplett megoldás. üdv!
Üdvözöllek Proli 007! Köszönöm a rajzot, tényleg egyszerű,holnap elkészítem. Már más oldalakról ismerős vagy,sok értékes hozzászólás és segitség kapcsán. Még 2008-ból is találkoztam kapcs. rajzaiddal, érthető magyarázat kiséretében.
Üdv,jó éjt: laszlo
Szia Gafly! A fentebb irt leirásod alapján kisérleteztem, és sikerült a próbapanelon a dolog.
Kis finomitással, de ez természetesen a vele járó dolog. Köszönöm a segitséged! Üdv: laszló
Hello Proli 007! Megcsináltam a kapcs.rajzod alapján rendesen nyák-ra és nagyon jól működik. Ez szuper! Köszönöm.
Üdv: laszlo
Hello hg6dab! Ezt a kapcsolást már több helyen láttam, azt hiszem legrégebben még az egykori ezermesterben. Valamikor volt Dácia kombimban ford.számmérő és ennek az alapműszerét egészitettem ki volmérő funkcióval. Természetesen más alkatrész adatokkal.
Sajnos az akkori feljegyzésem már nincs meg,mert igyekeztem megszabadulni a Dáciától . Köszönöm Neked is a segitséget! Üdv: laszlo |
Bejelentkezés
Hirdetés |













