Fórum témák
» Több friss téma |
Tudom, az első link rossz volt. Javítva.
Sziaszok van egy Orion típusú par éves mikrom es egyszercsak gondol egyet, bekapcsol rajta a gyerekzar (?), megjelenik egy lakat es elkezd csipogni időközönként ameg ki nem nyomom. Aztán egy db-ig csend es újra ugyanez áramtalanitottam is mar hosszabb - rövidebb időre is de ugyanugy visszajon
Talán nem is lehet már tekerős időzítős mikrót kapni? Persze, mert az akár 30 évig is bírja.
nemtudom de azok tartosabbak szerintem
Okosmikrók.
A hozzászólás módosítva: Jan 11, 2023
Volt tekerős mikróm több is, mindnek az érintkezői égtek el.
Mienk túl van a 30-on, de még nem kellett javítani.
Orion-Samsung
Én adnék egy kis WD40-et a gomboknak, meg a rotary encodert (gondolom az van benne) kipucolnám. Kondikat is meg lehet szemlélni. Ezek csak tippek.
Üdv! Ennyi idő távlatából emlékszel még mi lett a vége a dolognak? Dettó ugyanezt a jelenséget produkálja egy aeg mikró. Ha becsukom az ajtót elindul, majd időközönként +30mp-et rápakol. Megállítani csak az ajtó nyitásával lehet vagy ha ki húzom az áramkábelt.
Szia!
Átvezet a tasztatúra.Az a leggyakrabban használt gomb. Nem egyszerű a javítása.Már olyan megoldást is láttam hogy ki van iktatva az a kapcsoló,és külső nyomógombbal van kiváltva (...) TJ
Nálam a mechanikus takarítás is eredményt hozott...
Szia! Lett rá megoldás...vagy még nem?
Sziasztok! Mi okozhatja a magnetron túlmelegedését? 2-3 perc után a hőbizti mindig lekapcsolja,várni kell kb egy percet míg visszahűl aztán ismét 2-3 percig ismét dolgozik.
Szia!
Nekem fél éve garisban cserélték ki a magnetront...még a dobozt is melegítette, de nem kapcsolt le a rendszer.
Nem az egész rendszer kapcsol le,csak a magnetron,ami a tetejére van csavarozva hőbizti az szakitja meg,ventillátor,tálca,kijelző az működik továbbra is...a magnetron:WITOL 2M319J.
A "dolgozik" azt jelenti, hogy mondjuk a hasznos terhelést (például pohár vizet) ugyanúgy melegíti?
Daewoo mikró 30 éve
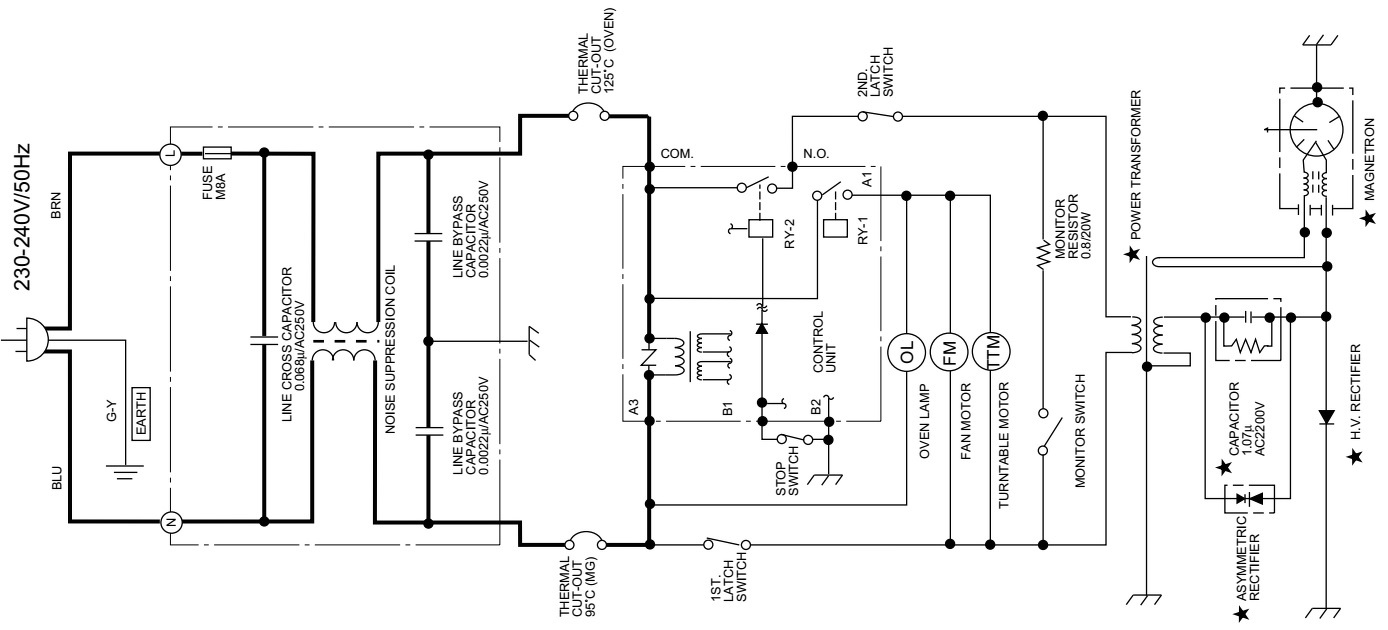
![]() '90 körül vettünk egy egyszerű mikrót, ez eddigi problémákat csokorba gyűjtöttem. Pár éves korában egy molypille zárta le testre a nagyfeszültséget (igen, annyira közel hajtották meg a dióda lábát a testhez), ekkor a félvezetőkészletét és a biztit egy talált mikróból pótoltam. Később került hozzánk egy ugyanilyen készülék, ami a ventilátor agyának az elrepedése miatt furcsán búgott, ezért kidobták. Már vagy 20 éves korában elromlott a tányérforgató motor, ezt a másikból átépítéssel orvosoltam. A napokban induláskor kiverte a biztit, minden előzmény nélkül. Megvizsgálva a kondival párhuzamos védődiódát zárlatosnak mértem. A nagyfesz diódát 24V DC-re kötöttem - sorban a DMM-el - így láttam, hogy egyik irányban a DMM pár tized V-ot mutat, míg nyitóirányban 20V felett valamivel, így azt jónak minősítettem. A készüléket bekapcsoltam védődióda nélkül, de igen fura hangja volt a trafónak, és pillanatok alatt égett szag is jött. Leállítottam a mikrót, és - utólag rámértem a magnetronra, ami totál zárlatot mutatott. A magnetront kicserélve a készülék jól működik. Tanulság (a részemre mindenképp): A magnetronra első körben rá kell mérni! A védődióda valószínűleg a kondenzátorra jutó feszültséget korlátozza (főleg, hogy "átmegy" pillanatok alatt rövidzárba), nélküle nem tudom, mikor olvadt volna ki a bizti, de vele kb. 1 sec, nélküle 10-15 sec után sem. Nekem úgy tűnik, hogy "szándékosan" zárlatot csinál.
Bátya!
Ha a "védődióda" a nagyfeszültségű dióda lenne, akkor ebben az esetben feszültségemelő kapcsolásban van a kondenzátorral, nem csak egyenirányító+puffer. Ha a diódát kiveszed, teljes hullámú tápot kap a kondin keresztül, igaz nem a megemelt feszültségűt.
Ha az a dióda ami nem védő hanem egyenirányító bármilyen irányban pár tized voltot mutat akkor az visszáramos azaz kuka. A magnetronnak meg alapból zárlatot kell mutatnia a két bemenő csúcsa között mivel az a fűtése. Ahova nem mutathat zárlatot az a 2 pont és a fém ház, mert ott van benne egy egy kis zavarszűrő kondi, azok szoktak zárlatosak lenni. Egy mikróban a magnetron az kb. a legutolsó hiba, sokkal előbb megy benne tönkre bármelyik másik alkatrész.
Ehhez képest a mellékelt rajzodon sincs "védődióda", tehát alkalmazása opcionális, nem kötelező érvényű. Most nélküle üzemel a készülék (úgy, mint a rajzodon).
Két nagyfesz diódám volt, mindkettő azonos mérési eredményeket mutatott. Azóta ez egyikkel működik a készülék, már 10-15 melegítési ciklust jól teljesített. (Ahhoz, hogy egy DMM pár tized V-os "kitérést" mutasson, azért nem kell túl nagy áram, valószínűsíthetően 100M feletti ellenálláson keresztül is összejöhet. Mikor lehoztam a rom-mikrót a padlásról, és a hideg dióda bepárásodott, záróirányban is mindenféle értéket mutatott, tehát azért ebben az impedancia-tartományban elég sok minden minősül vezetőnek - valamilyen szinten).
Nyilván nem a fűtőszálat méregettem, hanem a fűtőszál, és test között. A zavarszűrő dobozkában konkrétan nem volt kondenzátor, csak két tekercs. Azokat lecsípve is a katód testelt. Szóval, akár szokott a magnetron kihasalni, akár nem, ez egyértelműen megtette.
Neked nincs a konkrét mikróról rajzod? A fedő belső oldalán esetleg. Mert lövésem sincs milyen dióda lehet. Valami különleges és ritka, jó lenne több infó...
A kondival párhuzamos valamiről beszélünk
Reggel óta keresem, ezt találtam. Kuriózum...
A nagyfeszkondival párhuzamos kisütőellenállással párhuzamos "asymmetric rectifier". ![]() "Az aszimmetrikus egyenirányító vagy rövidzárlatvédő, ahogy néha nevezik, az áramkörbe tartozik, hogy megakadályozza a nagyfeszültségű transzformátor és a nagyfeszültségű kondenzátor károsodását, ha rövidzárlat lép fel a magnetron vagy a nagyfeszültségű diódán. A rövid védő hatására a vezetékbiztosíték a fenti hibahelyzetekben kiég. A készülék semmilyen irányban nem vezet, ezért normál üzemi körülmények között nincs hatással az áramkörre. A D1 inverz csúcsfeszültsége 6kV, a D2 pedig 1,5 kV. Meghibásodás esetén, amikor rövidzárlat lép fel, a D2 inverz csúcsfeszültsége túllépődik, ez a dióda rövidzárlatát okozza. Ez viszont nagyon nagy előremenő áramot okoz a D1-en keresztül, ami rövidzárlatot is okoz. Ez egy holtzárlatot okoz a másodlagosan nagyfeszültségű transzformátorban, amely kifújja a vezetékbiztosítékot, eltávolítva az áramot a nagyfeszültségű transzformátorhoz."
No, hát akkor ez pontosan egyezik a megfigyelésemmel.
Még lehet is kapni... Bővebben: Link A hozzászólás módosítva: Jan 29, 2023
Igen, mindig tanul..
De elgondolkoztató ha ez tönkremegy csak ezt cserélni? Legalábbis több hibára is lehet gondolni. Más fórumon leírták: - nagyfeszdióda hiba ( a nagyfeszoldali biztosíték értékénél alacsonyabb áram miatt, mert a dióda még nem lett teljesen rövidzárlatos ) - magnetron zárlat ( mint nálad ) - nagyfesz kondi hiba ( itt volt szó védelemről, mert a kondenzátor kipukkanása, olajköd keletkezés és tűz miatt )
Sziasztok !
Gorenje mo20a3x mikró egyszer csak nem melegít. gondoltam megnézem a nagyfesz biztosítékot, mert azt írják több helyen hibának. Nem találom benne. Lehet kihagyták ? Ha így van, azon túl, hogy minden égjen, mi oka lehet ? Köszi. üdv zoltán
A spórolás, az olcsóbbakba nem szoktak nagyfesz biztosítékot tenni.
Sziasztok! Van egy Electrolux M8 mikrom. Minden működik,csak nem melegít. Biztiket végigmértem nagyfesz és a másik is rendben. Trafót mértem az mintha szakadt lenne. Van valakinek infója mit mérjek még meg? Van ilyen trafó ha ez romolhatott el nem mikrosutővel összemérhető áron? Van ötlet?
|
Bejelentkezés
Hirdetés |
















