Fórum témák
» Több friss téma |
Tehát a Volt és az Amper hányadosa adja meg az Ohm-ot.
Ez egy 1,5 V-os elem esetében hogyan is néz ki? nagyon alapdolgokkal nem vagyok tisztában, viszont zavar, hogy nem értem, mit mutat a műszer... ezért kérem a segítséget...
1mm2 kábellel, a 2 forrponthoz nyomtam, de nem forrasztottam. Lehet ez volt a baj?
Be kell forrasztani a panelba,különben az érintkezés átmeneti ellenállása nagyobb lesz mint a sönt ellenállása,mivel ugye itt csak mΩ-okról van szó,és így akkor nem érsz vele semmit.
Áhh, köszönöm! Akkor holnap ezt meg is próbálom!
Sziasztok! Lehet, hogy most nagy hülyeséget fogok kérdezni, de létezik olyan multiméter, amivel lehetne fázist keresni? Tehát fázisceruza helyett használni valahogy.
A hozzászólás módosítva: Dec 16, 2012
Bármelyikkel tudsz ilyet csinálni, ami képes 230V-os AC feszültséget mérni. A GND-jét tedd a földelésre. A másik mérővezetéket pedig ha a 0-ba dugod akkor 0 vagy ahhoz közeli értéket mutat, míg ha a fázisba, akkor 230V-ot vagy ahhoz közeli értéket mutat.
Üdv.: Miki
Nekem MX-25401 van, az ilyesmi módon is használható.
Aztán van olyan is, ami szigetelésen keresztül, érintésmentesen jelzi a fázist (tulajdonképpen váltakozó mágneses, elektromos teret érzékel). Ha fázis közelébe tartod, a fehér vége pirosan kezd világítani. Persze korlátozottan lehet ezt is használni, ugyanúgy mint a fázisceruzát. (Legbiztosabb fáziskeresésre a próbalámpa.) Az utóbbi időben ezt az érintésmentest szoktam használni, ha csak úgy keresgélni kell, hogy miben lehet fázis. Érintésmentes feszültségkereső Mondjuk én jóval olcsóbban vettem... A hozzászólás módosítva: Dec 16, 2012
Sziasztok! Ismét problémám van az Eltronix BD 303-as multiméteremmel! 1000V-os DC állásban mértem kb. 400V DC-t, és azóta mindenféle hülyeséget mér! Ellenállást még mér, csak mindenhol odaszámol + 20-at (tehát az 40 Ohm 60, de a 10K Ohm is 30, sőt! a 20M Ohm-os állásban rövidre zárt mérőzsinórral is 0,017M Ohm-ot mutat... feszültséget nem lehet vele egyáltalán mérni, mert "kiakad", bármilyen mérőállásban! Mi lehet a baja? Ez előtt is csinált már olyat, hogy mondjuk 20V állásban magától, 1 V-onként számolt felfelé, de 1 kis kocoktatással/ ki-be kapcsolással ez megjavult.. de így használhatatlan!
Előre is köszi!
Sziasztok!
Adott egy PANCONTROL PAN 184 tip digit.m.meter..Eléggé jó kis műszer, csak van egy kis idegesítő szokása! Ha bekapcsolom állandóan sípol. ...Persze volt előzménye..ugyanis szakadás/diódavizsgálat állásban rámértek a 230 as váltófeszre. Azóta idegesít, s persze szakadást nem tudok mérni. A többi funkcióban jó. égésnyom panelen, alkatrészeken nincs, zárlatos, szakadt diódát , ellenállást nem találtam. Örüljek, hogy ennyivel megúszta, vagy esetleg tudtok segíteni?
Szia!
Igen, örülj, hogy ennyivel megúszta és ha nagyon zavar a sípolás, akkor kösd ki a piezóhangszórót.
Sza!
Egy régi multim pont ugyanezt csinálta,annak egy zárlatos tranzisztor volt az oka.
Sziasztok!
Van egy analóg, tehát mutatós multiméterem. Elég pontos, gyakran használom a digitális mellett, főleg feszültség, és ellenállás mérésre. Most azonban egy kis baleset érte, tv javítás közben. Mielőtt hozzányúlnék a működő TV-hez, szokásosan megmérem a sasszé és a földelés (ez esetben a radiátor) közti feszültséget, nehogy meglepetés érjen, és megrázzon, ha éppen úgy van bedugva, hogy a fázis a sasszéra kerül, ami egyébként normális egy TV-nél. A lényeg, hogy tranzisztorvizsgáló állásban hagytam a készüléket, és szépen rövidrezártam a hálózatot. Az automata természetesen lecsapott. Azóta semmit se mér. A műszer tekercse, szerencsére nem ment tönkre, csak valahol szakadás van. Valakinek van hozzá rajza? Nem túl átlátható, a huzalrengeteg miatt. ![]() Egy ilyen készülék a következő oldalon látható:Bővebben: Link A hozzászólás módosítva: Jan 1, 2013
Köszi a gyors választ!
![]() A hozzászólás módosítva: Jan 1, 2013
Ahhoz képest, hogy elég régi a műszer, van részletes orosz leírás, alkatrészjegyzék, és ez mind dokumentum, nem szkennelt papír. Lehet, hogy még mindig nagy számban használják ezt a típust az oroszok, esetleg gyártják is?
Hát igen,manapság már a mai multikra ez nem jellemző (mármint a részletes leírás).Eléggé népszerű volt ez a típus anno,régebben nekem is volt egy ilyenem,de sajnos mára már csak a rajza maradt meg.Amúgy nem gyártják már.
Helló,helló!
Szeretnék a profi elektrósoktól szakmai tanácsot kérni! A képen látható műszert párr napja vettem a helyembéli elektronikai üzletben. Kérdések: 1.Miért sipol mindog a szakadásvizsgálat,dioda kivizsgálásnál??? 2.Nem kérdés inkáb segélykérés , valahogy nem mérr áramot akkárhogy próbálom!(pl 9v elemre kötötem a müszert , majd egy 1kohmos ellenállást -azt aztán az elem minuszára.és nem mér semmit mi a hiba mit csinálok roszul???) 3.Véletlenül az öcsém ő amatör és leakkarta ,,mérni a 4,5v elem ellenállásátt,, szóval ohm funkcióban a műszere feszültségforás lett kötve. Ez a történés óta nem mér ellenállást semelyik mérőhatárban , csak ösze visza jelez ki minden féle eredményt.??? Mit tegyek keresek valakit aki megjavítja a műszert , vagy inkább mongyak le róla???
1. Lehet, hogy zárlatos a dióda. Vagy nem diódát mérsz.
2. Áram méréshez sorosan kell kötni a műszert az ellenállással. (Ha nem így tettél akkor biztosíték csere is szükséges.) 3. Ha csak egy 4.5 Voltos elemet mért meg attól még nem lenne szabad tönkremennie. (szerintem) A hozzászólás módosítva: Jan 5, 2013
De a műszer papírján azt írja:
A műszert ohm funkcióban soha ne kapcsoljuk feszultség forásra! Meg ahogy a képen látod egy biztosítékról megy az egyenfeszültség és az egyenáram mérése is ha kiment a biztosíték akkor egyiknek se kellene , hogy működjön!Vagy tévedek??? mert egyen és váltó feszültséget tökéletesen mér! A hozzászólás módosítva: Jan 6, 2013
Sziasztok.
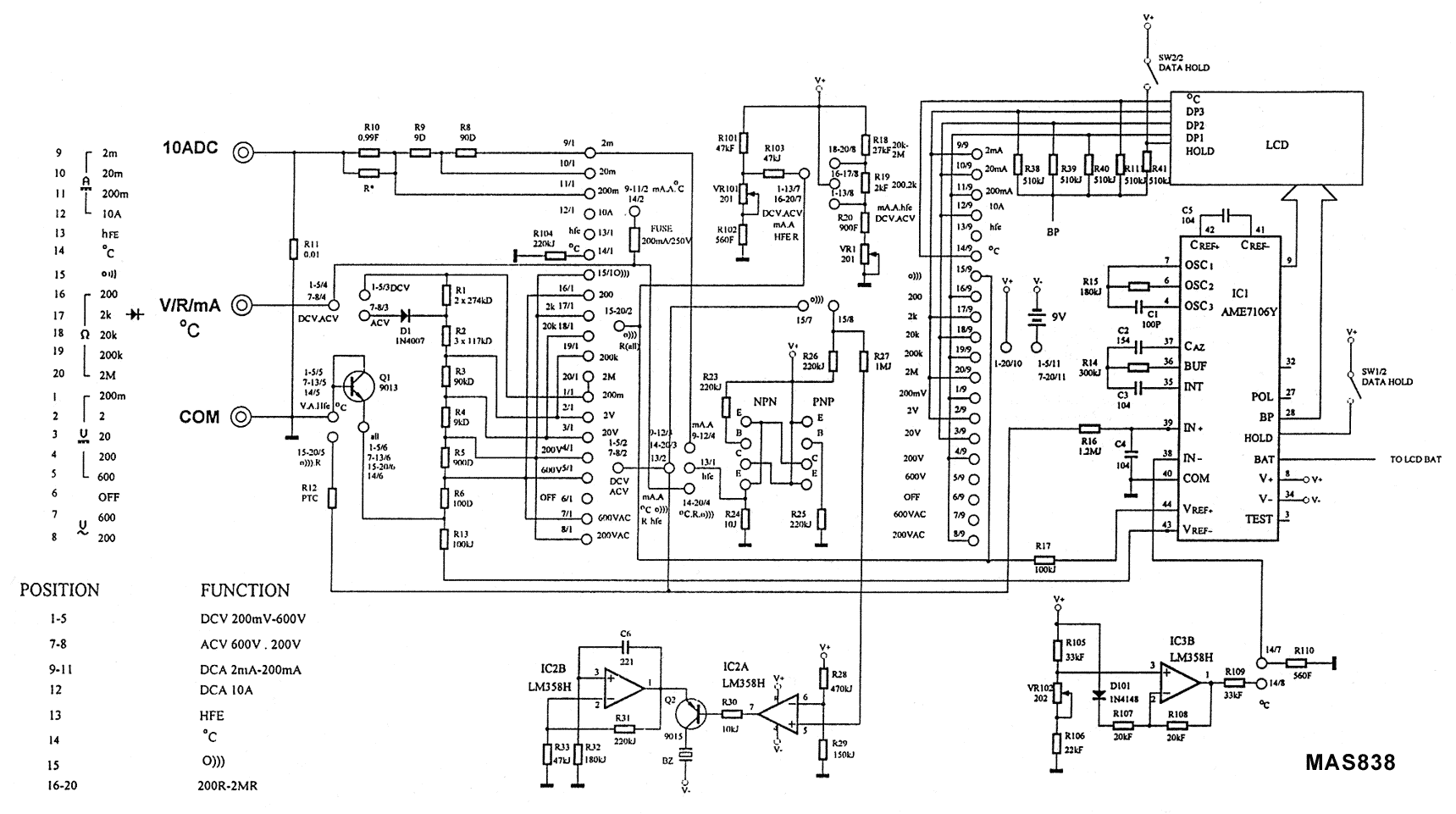
A problémám a következő lenne. Van egy Sal MAS830H típusu multiméterem és amikor szakadásvizsgálatot akarok csinálni vele már akkor neki áll sípolni mikor még a mérendő vezeték nincs is hozzá kötve. Valakinek van valami ötlete hogy mi lehet a probléma. Válaszokat előre is köszönöm
Tönkrement. Mondjuk valaki szakadásvizsgáló állásban rákötötte a 220-ra.
Ha kibontás után látszik, hogy mi füstölt el, akkor talán javítható, persze meg kéne nézni egy másik ugyanilyen, de jó készüléken, hogy az adott alkatrész pontosan mi volt.
Az olcsóbbakban amikor ellenállásmérő állásban feszt kap, megszakad egy SMD ellenállás (párszáz ohm ). Szabad szemmel nem mindig látszik mert néha csak egy tűhegynyi lyuk lesz a közepén, lámpa+nagyító ajánlott.
A hozzászólás módosítva: Jan 6, 2013
Sziasztok!
Van egy voltcraft/metex m3650 multiméterem, ami érdekes jelenséget produkál. Működni ugyan működik, de pontatlan. Feszültség és ellenállásmérésnél is 8-10 %-ot csal felfelé. A rajzot megnéztem, de nem teljesen tiszta, hol lehet a hiba. Tudnátok esetleg segíteni, honnét érdemes elindulni? A dobozból kiszerelve a kijelző alatt jobbra van egy helipoti, ezzel a feszültséget be tudom állítani pontosra, de az ellenállásmérés nem változik, így gondolom, a bemenethez közelebb lehet a hiba, esetleg egy feszültségosztónál, de az ellenállásait végigmértem, azok megfelelnek a csíkozásuknak. A többi trimmert nem mertem tekergetni, nem tudom, mit állítanak. A műszer előéletét nem ismerem, már így kaptam, de szeretném használni, ha fődarab csere nélkül javítható. A bemenetnél a varisztor megvan, és gyárinak tűnik, valószínűleg nem kapott túlfeszt. Bármilyen tanácsot, tippet szívesen fogadok. A kapcsolási rajza itt érhető el: Bővebben: Link. (Csaba hozzászólásában)
Első lépés minden méréshatár,minden funkció leellenőrzése.ahol a legnagyobb eltérés van ,esetleg nem mér semmit ,ott érdemes keresgélni.
Sziasztok!
Egy nagy kéréssel fordulnék hozzátok. Van egy Mastech M92A digitális multiméterem, még jópár éve valamit rosszul mértem árammérő üzemmódban, és meghalt benne valami. Mindent jól mér kivéve az áramot, mA, A-es tartományban is hülyeségeket mér. Nem tudjátok véletlen, hogy a TL062, vagy a TC7106CPL IC sérülhetett meg benne? Hogyan, és melyik IC-n keresztül méri az áramot? Van még benne egy GD4011B és egy HD14070BP IC is. A műszer így néz ki: http://helikon7.wordpress.com/2012/04/14/mastech-m92a/ A műszer hasonló kapcsolási rajzát is mellékelem. Előre is köszönöm szépen a segítségetek! A hozzászólás módosítva: Jan 18, 2013
Hello, a biztosítékával mi a helyzet? Az árammérésben -legjobb tudomásom szerint- nem vesz részt az LM358.
A hozzászólás módosítva: Jan 18, 2013
|
Bejelentkezés
Hirdetés |




...Persze volt előzménye..ugyanis szakadás/diódavizsgálat állásban rámértek a 230 as váltófeszre. Azóta idegesít, s persze szakadást nem tudok mérni. A többi funkcióban jó. égésnyom panelen, alkatrészeken nincs, zárlatos, szakadt diódát , ellenállást nem találtam. Örüljek, hogy ennyivel megúszta, vagy esetleg tudtok segíteni? 








