Fórum témák
» Több friss téma |
Fórum » Nagyfeszültség sorkimenő trafóval
Témaindító: (Felhasználó 1306), idő: Márc 1, 2006
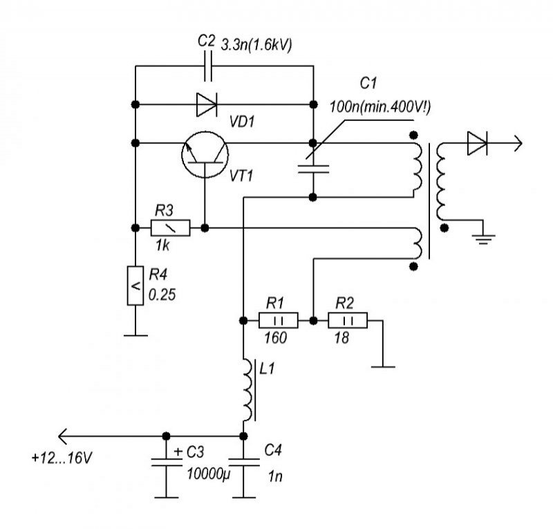
Sziasztok. Ha az alábbi kapcsolásban a tranzisztor elé darlingtonba kötök egy másikat, akkor a feszültségosztó ellenállások értéke lehet nagyobb?
Sziasztok.
Útálni fogtok, de azért kérdezek Szereztem egy ETF39L3001AZ sorkimenőt, de sehogysem találok róla leírást. Elvileg orosz kollégák (csak elvileg, mert oroszul nem tudok) szerint Samsung 700S ill. Belinea monitorokban volt. A lényeg csak az lenne, hogy ezt a 10+3 lábú jószágot hogyan tudom működésre bírni ![]() Ez első 10 oldalt a topicban elolvastam, de a maradék 60-ra nem volt ingerenciám
Szia!
Egy feszültségosztóban a feszültség az ellenállásokkal egyenes arányban oszlik meg.Azzal pedig,hogy mindkét ellenállás értékeit egyszerre növeled meg,a kimenő feszültségen nem változtatsz.Egyébként ha érdekel,akkor ezt a következő módon ki is számíthatod: U2=Utáp*R2/R1+R2 Ahol: U2 - az R2 ellenálláson megoszló feszültség; Utáp - tápfesz.
Jó én ezt értem, hogy a kimenő feszültség nem vátozik, de ha növelem az ellenállások értékét (hogy ne kelljen nagy teljesitményű) akkor a kimenő áram csökken. Ezért érdekel, hogy lehet e darlington kapcsolást alkalmazni.
Szia.
Nagyfessz természetesen (áram csak annyi, h. ~7-8mm legyen az átütés) Hogy a kérdésedre is válaszoljak: Rovarölő ![]() És akkor már csak egy kérdés maradt, h. sikerülhet-e ezt kis árammal meghajtani ~250-500mA, h. ne zabáljon sokat ![]() üdv, és köszi a választ, B.Panther
Szerintetek nem lehetne egy ZVS-t 110voltról hajtani, ha irf730-asak a Fetek és a védődióda FR303?
Hali! Az a probléma, hogy a FETnek 5x 6x nagyobb feszültséget kell bírnia mint a tápáram, kellően alacsony rds(ON) max. 0,20-0,15 ohm mellett, én ilyen magas fesz. mellett inkább IGBT használnék. Azért is mert szinuszos feszültséget állít elő a ZVS és nincs ideje "pihenni" a FETnek. Mellesleg nem tudom milyen sorkimenő bírná ezt a feszültséget el.
OK köszi.
Valószínűleg berezegne darlingtonnal is, de a munkapontot szinte biztos hogy újra be kell állítani akkor. Továbbá nagyobb ellenállású osztóval, a visszacsatoló tekercs árama is csökkenne, nem tudom hogy ez számít-e. Az oszcillátorok működése elég valószínűtlen számomra
Ja vagy úgy! Akkor igen,a fesz marad, az áram pedig csökkenni fog...
Rovarölő? Az hasznos dolog.Milyen kapcsolás alapján szeretnéd megoldani?
Egyébként pedig az lenne a legegyszerűbb,ha nem a saját primerjeit használnád,hanem ha egy különálló primer tekercset tekernél fel a vasmagra...Az pedig,hogy 500mA-tól ne legyen nagyobb áramfelvétele meg lehetne oldani,de hogy így mennyit zabálna,azt már csak az ehhez arányuló feszültség döntené el. De miért fontos ez ennyire,netán akkuról szeretnéd meghajtani? Idézet: „Szerintetek nem lehetne egy ZVS-t 110voltról hajtani, ha irf730-asak a Fetek és a védődióda FR303?” Itt milyen védődiódáról beszélsz? Amúgy pedig nemcsak FET kellene más,hanem a konstrukciónak is egy kicsit változnia kellene,például a visszacsatoló diódákkal sorosan még két fojtó ellenállásra is szükség lenne,különben a FET-ek és a zener-ek azonnal tönkremennének.Továbbá a többi ellenállás értékeit,és a trafó menetszámát is növelni kell.
Köszönöm. Akkor nem szükséges olyan nagy teljesítmányű ellenállásokat használni.
Így van,ha a nagyobb ellenállás miatt kissebb áram folyik,akkor az kevesebb teljesítményt is jelent.
Egyébként itt mi célod van a nagyobb erősítési tényező elérésével?
Csak az hogy kissebb teljesítményü ellenállások legyenek benne, mert nincs jelenleg megfelelő értékü 2W-os ellenállásom.
Akkor inkább soros/párhuzamos ellenállásokkal csilálj egy pontos értéket. Így biztos működik
Darlingtonnal is kell működnie,nekem is ment vele,csakhát ez esetben valóban egyszerűbb lenne,ha több kissebb ellenállásból hozna össze egy nagy teljesítményűt,de szerintem ennek az ötletnek azért van egy minimális kísérleti célja is.
Hát, a 12V az nem egy rossz megoldás, konkrétan most arra gondoltam, igen
![]() De egyelőre még mindig a legnagyobb gondban a lábkiosztásaival vagyok ennek a szörnyetegnek, mert sehol sem találtam leírást. Ha esetleg valaki tud lábkiosztást, sematikus rajzot adni/feltölteni az említett "ETF39L3001AZ" nevű jószághoz, azt szívesen fogadnám. Köszönettel, B.Panther
Halli.
Szerintem a külső ferritmagra tekersz egyszer 10menet 0.8 mm-s primert, és egyszer 4menet 0.3mm-s feedback(visszacsatoló), egy NPN telj. tranyó, + két ellenállás(min. 2W), és néhány vezeték. Ui. Az ellenállásokat a tranyóhoz kell méretezni!(általában 20ohm-1kohm intervallumos tartomány) Sok sikert.
Köszi a választ.
Bár bevallom őszintén, h. jelen pillanatban még nem értem, h. mire gondolsz. Ez a sortrafó egy beöntött izé , sajnos nem igazán értem, h. hova és miként kéne tekernem. Ez egy színes monitor sorkimenője, igazából a tekercsek megvannak, a lényeg egy lábkiosztás lenne ehhez a szörnyhöz.Köszi még egyszer, most megint nyertem egy kis erőt, kicsit megint visszaolvasgatok, hátha előrébb jutok ![]() üdv, és szép napot, B.Panther
Tekerj a kilógó vasmagra pár menetet, ne az eredetit használd!
Köszönöm :yes:
Idő közben leesett Sima UTP bélből egy szálpárt 18(x2) tekertem, úgy néz ki, h. mindenképp ellenállással kell használnom 0.6 ohm az nem sok, nehogy leolvadjon. Kicsit majd kísérletezek bifilláris lehetőségggel is (visszafordítva, bár elvileg így a spint kioltom) mindegy azért egy pródát megér majd. Idő közben megtaláltam a lábak közül a melegér másik végét is (van egy 12v-os adapterem, ami 12v-os állásban, üresjáratban 21.4v-ot produkál, így sikerült 0.6v-ot lelni a végén ) üdv és szép napot, B.Panther
Szerintem te tekerj le, egy régi sortrafót /ami még nem volt kiöntve gyantába/,és gyorsan rájössz hogy néhány menet nem elég, pláne nem 16-18KHz-en, ahová ezek a vasmagok gyártva lettek.
Én 37-42menetesekkel találkoztam, /primer/ lásd régi VT. Grundig, Orion színes tv.k. Az első ionizátor nf.trafóknál ilyen vasmagokat használtam, primernek/ kellett rá a 35T. 0,45mm. huzalból, még a 0,5-0,7es légrés ellenére is.
Már tekertem le többet is 5menet bőven elég primernek.
Leírást nem találsz, viszont induktívítás mérős multival gyorsan kimérheted tv.trafót monitor trafót/használtat is.
Gyakorlatban ez magmérettől függően 0,200mH-0,470mH értéket jelent.
Hát akkor te tudod, de az biztos hogy elég rossz hatásfokkal dolgozhat az a tekercs Tr. vagyis az áramfelvétel igencsak nagy lehet, és a freki is vagy 50KHz.
Nálam az ák. felvétele a primer áramnak megfelelően max. 0,4A/12V, és 13,8V/0,52A, a kapcsoló tranyó But18A,4cmx5cm. 6bordás hűtővel, bordák kb1,5cm. alig melegszik, 50fok körül van nyáron a műhelyben.
Bocs én ZVS-el hajtom az elég más kategória.
Annak az áramfelvétele 9,7 Amper volt 40 voltos feszültség mellett, szóval én kicsit túlhajtottam a sorkimenőt, de a hatásfoka egyáltalán nem volt rossz.(Mivel kb fél óra után sem melegedtek a fetek.) De azt magyarázd el nekem hogy az 5 menetes primerből hogy következtetted ki a nagy frekvenciát. Idézet: „De azt magyarázd el nekem hogy az 5 menetes primerből hogy következtetted ki a nagy frekvenciát.” Ebben azért van némi igazság,ugyanis a rezgőköröknél a tekercs kissebb menetszáma kissebb induktivitást eredményez,a kissebb induktivitás miatt pedig gyorsabban megy végbe a rezgés folyamata ami egyértelműen frekvencia növekedést eredményez,és ez esetben a zvs sem kivétel.Attól,hogy fetekkel van megoldva még akkor is csak egy sima LC rezgőkör marad.Hogy felhozzak erre egy példát,akkor figyeld meg,hogyan alakul a zvs meghajtóval hajtott 5+5 menetes tekercs működési frekvenciája vasmaggal,majd ugyanez a tekercs vasmag nélkül.Vasmaggal jóval nagyobb a tekercs induktivitása ezért a maximális felső frekvencia határ nem fogja meghaladni a 20-30kHz-et,míg vasmag nélkül akár az 1MHz-es tartományt is könnyen elérheti.Nekem például volt,hogy az induktív hevítővel 4MHz közeli értéket értem el ideális szinuszjel mellett,igaz itt már súrolta a diódák 150ns-os tűréshatárát...
Nem arra értettem hogy más kategória, hanem teljesítményileg.
|
Bejelentkezés
Hirdetés |





De miért fontos ez ennyire,netán akkuról szeretnéd meghajtani?
, sajnos nem igazán értem, h. hova és miként kéne tekernem. Ez egy színes monitor sorkimenője, igazából a tekercsek megvannak, a lényeg egy lábkiosztás lenne ehhez a szörnyhöz.
(van egy 12v-os adapterem, ami 12v-os állásban, üresjáratban 21.4v-ot produkál, így sikerült 0.6v-ot lelni a végén )




