Fórum témák

» Több friss téma
Fórum » Nagyfeszültség sorkimenő trafóval
 
Témaindító: (Felhasználó 1306), idő: Márc 1, 2006
Témakörök:
Lapozás: OK   72 / 97
(#) alfa007 hozzászólása Júl 4, 2011 /
 
Kicsit helyre raktam a ZVS-m, és kipróbáltam sokszorozóval. Íme egy videó (HD-s), csak nektek.
(#) mandor válasza stihl hozzászólására (») Júl 4, 2011 /
 
Ha nem megy tekerj rá egy pár menetes primert és egy ZVS meghajtóval megy is.
(#) alfa007 válasza mandor hozzászólására (») Júl 4, 2011 /
 
ZVS a király.
(#) mandor válasza alfa007 hozzászólására (») Júl 4, 2011 /
 
Mondhatjuk így is... Nekem pl az 555-ös időzítő némi potival és fetel fűszerezve jobban tetszik mivel állítható,de ha a teljesítményt nézzük akkor ZVS...
(#) alfa007 válasza mandor hozzászólására (») Júl 4, 2011 /
 
Még tegnap raktam össze, új fet-ek (IRF740), de főként új primer kondi(1200V/0,3uF).
Hála az új kondinak, stabilabb a freki, valamint működési idő jelentősen megnőtt. (Eddig csak 2-3 percig ment csak.)
A stabilabb frekinek köszönhetően, NINCS teljesítmény csökkenés (ha van is, akkor is csak -10-20W), kisebb feki intervallum (kb. 18-25kHz, EZ csak feltéttelezés!).

Külön köszönet: Hodinkának, és Collektornak, a hasznos tippekért.
(#) stihl válasza alfa007 hozzászólására (») Júl 4, 2011 /
 
Köszi az infot. Ilyen zvs kapcsolást tudnál nekem mutatni? és hogy primernek mégis mennyit tekerjek azt megmondanád?
(#) mandor válasza stihl hozzászólására (») Júl 4, 2011 /
 
Az hiszem EZ egy ZVS kapcsolás. Van egy collectorátal tervezett nyák is a képek közt.
(#) alfa007 válasza stihl hozzászólására (») Júl 4, 2011 /
 
2×5 menet, vagy 2×7 menet +10-10ohm/10W ellenállással(tuning verzió)

Javasolt FET-ek:IRFP250, IRFP260, vagy hasonló.
Ha nincs kéznél, akkor IRF540, vagy hasonló

Táp: Mivel sok áramot eszik, ezért minimum 10-15A kell neki.
A fesz pedig 12-42V kell
Használható: PC táp(min. 350W vagy nagyobb), autó akksi, vagy a erős trafó régi erősítőből (pl. Videoton, stb.), régi videóból. Lényeg hogy pufferelve legyen egy min. 10-15 ezer µF-s kondival.
(#) alfa007 válasza mandor hozzászólására (») Júl 4, 2011 /
 
Bocsi de téves, mert ez a megfelelő kapcsolás. De semmi baj.
(#) Bulcsú hozzászólása Júl 13, 2011 /
 
Sziasztok!!!

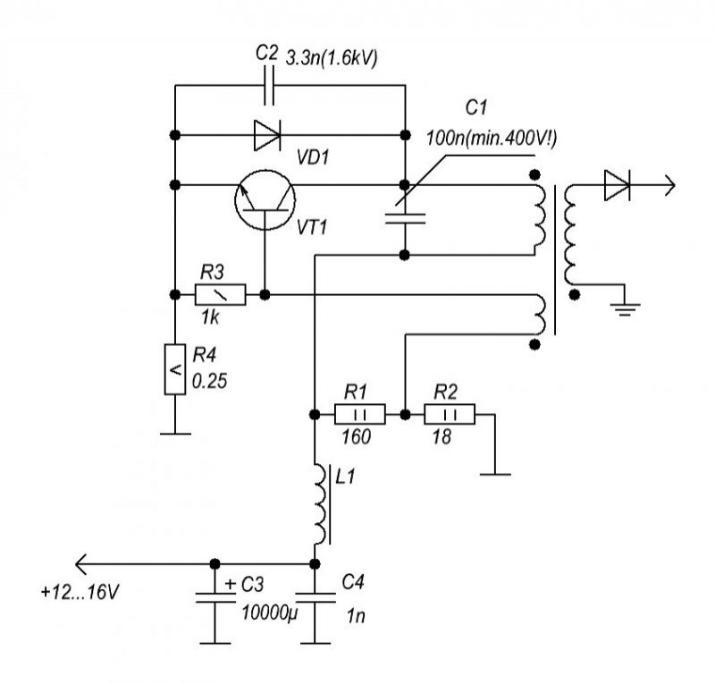
Olvasgattam a fórumot mert én is szeretnék építeni egy sorkimenő meghajtó kapcsolást. Elkezdtem tervezni egy push-pull elrendezésűt. De mivel még soha nem csináltam ilyet ezért kérném a segítségeteket, hogy megfelelő-e a kapcsolás?Mert nem igazán tudom hogy hogyan védjem a feteket meg többi alkatrészt az önindukciós feszültséglökésektől.

És abban sem vagyok biztos hogy a sorkimenő trafó ami állítólag légmagos jól fog üzemelni ezzel az elrendezéssel.Most minden sorkimenő légmagos vagy nem?Még sose szedtem szét egyet sem.Van TV-sorkimenőm is amibe talán nincs egyenirányító sem de nem vagyok ebbe biztos és van monitorból szedett sorkimenőm is.

Én tekerjek primer meneteket a vasra vagy használjam a trafón lévőket?Mert gondolom ha trafón lévőket használom azok szoros csatolásban vannak szekunderrel ezért kisebb lesz a szórási induktivitásom és ezáltal az önindukciós túllövések is, de a mágnese dolgokkal nem vagyok a legjobb barátságban még

Várom az észrevételeiteket és szívesen fogadom a kritikákat is amiből tanulhatok.

pwms.jpg
    
(#) velkey válasza Bulcsú hozzászólására (») Júl 13, 2011 /
 
A sorkimenő nem légmagos hanem vasmagos és nagyobb szikrákat érhetsz el vele, hogyha te tekered fel a meneteket. Egyébként minek ennyire túlbonyolítani azt a kapcsolást? Én a helyedben egy ZVS-t csinálnék hozzá.
(#) Bulcsú válasza velkey hozzászólására (») Júl 13, 2011 /
 
Bocs légrésest akartam írni. Azért ilyen vezérlésből indultam ki mert a későbbiekben ha inden frankón működik már akkor egy modulált PWM jellel akarom majd meghajtani a sorkimenőt tehát plazmahangszórót is akarok majd belőle csinálni és ezt a kapcsolást szeretném még felhasználni nagyfeszültségű vízbontásos kísérleteimhez és a ZVS meg önrezgő ott csak az alkatrészek (rezonáns kondi és a tekercs induktivitásának változtatásával tudnám állítani a frekit ahhoz meg szét kéne bombázni a kapcsolást mindig amit nagyon nem szeretnék.De nem hinnám hogy olyan bonyolult lenne amit feltettem csak egy pic ami pwm jelet előállít olyat amilyet akarok egy 2db fetmeghajtó és még pár alkatrész. Csak pl fet védelmére kéne még valami nem tudom mi.

Olvasgattam, snubberekről RC DRC vagy MOV de ezek isten igazából elfűtik az önindukciós feszültségtüskéket engem valami hatékonyabb megoldás érdekelne mondjuk visszavezetni valahogy a puffer kondiba vagy az akksiba, a lehető legegyszerűbb módon. És még fontos lenne a jó hatásfok is mellesleg.
(#) bmajor válasza Bulcsú hozzászólására (») Júl 13, 2011 /
 
Hello!

Az én sorkimenő meghajtóm egy gyors diódán keresztül egy 150 ohmos 10 wattos ellenálláson fűti el az önindukciós tüskéket. A pufferkondiba szerintem egy zener diódával szabályozva egy soros diódán keresztül tudnád visszatölteni.

Az 555-nek is van vezérlő bemenete, amivel impulzusszélesség modulálni lehet, én azzal építettem plazmahangszórót. Olcsóbb mint a PIC, és van hogy megmakkan az is, számomra érthetetlen oknál fogva. (Rendes FET meghajtóm van, nem járatom túlfeszültségen stb...) Szerintem a nagyfesz valahol visszakerül a vezérlőáramkörbe.
(#) Bulcsú válasza bmajor hozzászólására (») Júl 13, 2011 /
 
Milyen fetmeghajtót használsz mert én TC4420-at meg TC427-et próbáltam és ezekbe van a kimeneteken Lach-up protection a TC4420 asnál 1,5A ig. tehát ha jó a fetmeghajtó akkor azon keresztül nem juthat vissza áram .Feltennéd a kapcsolásodat?

Hát arra is gondoltam hogy egy külön kondiba gyűjtöm csak be amit egy izzón ledeken neoncsövön akármint keresztül kisütök akkor legalább fény is lesz belőle nem csak hő.M

Nem is biztos hogy jó ötlet ez a visszatáplálás nekem mert csak 12V a tápfeszem és ha 100V keletkezik az önindukciókor akkor a nagy részét a Zener fogja hővé alakítani.Van két darab 680µF 200V PC tápból azoba is gyűjthetném.
(#) bmajor válasza Bulcsú hozzászólására (») Júl 14, 2011 /
 
Hello!

Fetmeghajtónak egy PNP-NPN tranzisztorpárt használok. De nem rendes nyákon van az áramkör, meg elég összedobott az egész, ráadásul a sorkimenő beépített fesz. sokszorozója miatt a nagyfesz. kivezetések koronáznak, megeshet hogy onnan húzott át amikor legutóbb megmakkant. Azóta beborítottam megeltakony ragasztóval, így eddig nem volt baj.

A visszatáplálással én nem vacakolnék, ez nem a hatásfokra megy (hacsak nem ionizátornak építed)

A plazmahangszórónak amúgy szerintem kicsi egy monitor sorvégtrafó, mert nagy hangerőn a magas hangok jól szólnak, de a nagyobb amplitúdójú mélyeknél annyira lecsökken az impulzusok szélessége, hogy megszakadozik az ív, és recseg. Vagyis hát játéknak jó, de a szobahangerőtől egy sorvégtrafó elég messze áll. (NEKEM nem sikerült megcsinálni)
(#) Bulcsú válasza bmajor hozzászólására (») Júl 14, 2011 /
 
Megírtam a vezérlőprogramot a push-pull-hoz nem sokat kellet módosítani a sima pwm inicializáláson, és összedobtam hozzá az áramkört és kimentre 2 ledet tettem egyenlőre amíg nincs védelem építve hozzá.Teszek fel pár képet.Meg egy kis vidit is csináltam róla.Bővebben: Link

És itt egy elég jó kis hangszóró nekem is valami hasonló a cél: http://www.youtube.com/user/nepenep#p/a/u/2/mwZXT1kalCw
(#) Collector válasza Bulcsú hozzászólására (») Júl 14, 2011 /
 
Az a huzal oda primernek kevés lesz.
(#) Bulcsú válasza Collector hozzászólására (») Júl 14, 2011 /
 
Van vastagabb huzalom is csak ezt könnyebb volt feltekerni,mert először a vastagabbal próbáltam csak azzal nem tudtam ilyen szorosan.És az elrendezése jó így a meneteknek vagy inkább egymára tekerjem a primereket?Hogy lesz kisebb a szórt induktivitás?
(#) bmajor válasza Bulcsú hozzászólására (») Júl 14, 2011 /
 
Én 10 menet sima szigetelt kábelt használok. Az enyém ilyen: http://www.youtube.com/watch?v=r6I_tqouIUM
(#) Collector válasza Bulcsú hozzászólására (») Júl 14, 2011 /
 
Ide vastag, sodort vezeték kell, vastag zománchuzalt nem célszerű rátekerni egy négyzetes magra. Ha lehet, legyen normálisan elrendezve. Egymásra tekerés helyett inkább egymás mellé tekerd a jobb csatolás végett.
(#) Bulcsú válasza Collector hozzászólására (») Júl 14, 2011 /
 
Oké bonok szét PC táp trafót azt hiszem azon sodort vezeték van.Sajnos még egyáltalán nincs tapasztalatom transzformátortekercselésben, de valahol el kell kezdeni
Köszönöm az eddigi tippeket. Push-pull elrendezésnél mekkora önindukciós fesz keletkezik?Gondolom függ a menetszámtól meg a tekercsen áthajtott áramtól is meg a csatolástól is.De mégis pontosan hogyan.El tudná ezt valaki magyarázni nekem?
(#) Bulcsú hozzászólása Júl 14, 2011 /
 
Arra gondoltam hogy az önindukciókor keletkező feszültségimpulzusokat fel lehetne használni egy zselés akkumulátor töltésre.Mivel elviseli a nagy feszültségtüskéket ez a fajta akkumulátor sőt ha jól tudom a szulfátmentesítő áramkörök is valami hasonló módon működnek.

Kíváncsi vagyok mit gondoltok erről?

push-pull.png
    
(#) _BiG_ válasza Bulcsú hozzászólására (») Júl 14, 2011 /
 
Azt, hogy a negatív tüskét levezeti a D1-D2, az akksiba meg csak pozitív töltés tudna menni, de honnan? A tápból? A D3-D4 diódák nyitófeszültsége miatt aligha.
(#) Bulcsú válasza _BiG_ hozzászólására (») Júl 14, 2011 /
 
A D3 és D4 diódák nyitófeszültsége ha jól tudom 0,4V körül van és ha jól gondolom(ez nem biztos) akkor az önindukciós feszültség iránya az olyan hogy pont ki tudja nyitni a diódákat ha nagyobb a feszültsége mint 0,4V és ha tegyük fel 100V az önindukciós feszültségem akkor az szerintem kinyitja. De lehet hogy valamit rosszul gondolok.
Akkor viszont megköszönném ha valaki belerajzolná a kapcsolásba hogy hogyan oldható meg hogy az önindukciós tüskékkel egy akkut töltsek mondjuk és ne hővé alakítsam mondjuk egy soros RC-n vagy diódán keresztül.
(#) alfa007 válasza Bulcsú hozzászólására (») Júl 15, 2011 /
 
Nem rossz konstrukció. Igaz nem igazán értek a PIC, ill. AWR fabrikáláshoz, inkább az egyszerű meghajtások híve vagyok.

Itt a rendes link.
Ha jól láttam a videón, csak egy módosított ZVS (gate vezérelt), valamilyen műveleti erősítő, és valami audió szűrő van(ezért szól szépen a zene).
(#) wtc hozzászólása Júl 15, 2011 /
 
Sziasztok!
Kiszedtem egy monitorból a képeken látható sorvégtrafót, szertnék nagyfeszt előállítani ezzel kapcsolással, azt olvastam hogy az alján lévő 10 kivezetéssel nem kell foglalkozni, csak a kiálló ferritre kell tekercselni azt az 5 és 3 menetet, csak azt nem értem hogy ugye a tapadókorongos vezeték igaz a + nagyfesz, de a - nagyfesz, az melyik? Illetve a - nagyfeszt össze kell kötni a gnd-vel?
köszi előre is a válaszotokat!
(#) bmajor válasza wtc hozzászólására (») Júl 15, 2011 / 1
 
A tapadókorongos kivezetést működés közben közelíted a lábakhoz, és ahol a legnagyobbat szikrázza az lesz a nagyfesz - kivezetése.
(#) alfa007 válasza wtc hozzászólására (») Júl 15, 2011 / 1
 
Mázlid van mert nekem van most egy hasonló.
Ami a képen van, valószínű hogy az lesz a másik nagyfesz kivezetés.

DSCF0599.JPG
    
(#) wtc válasza alfa007 hozzászólására (») Júl 15, 2011 /
 
Köszi szépen a válaszotokat!
Annyit szeretnék még hogy hogyan próbálhatom ki hogy a trafóm működőképes-e? Illetve hogy ha
ebbe a kapcsolásba a primerrre több menetet tekerek, akkor nagyob lesz a fesz?
Köszi előre is!
(#) velkey hozzászólása Júl 15, 2011 /
 
Nem több, éppen hogy kevesebb lesz a szekunder feszültség csak jobb lesz a hatásfok.
Következő: »»   72 / 97
Bejelentkezés

Belépés

Hirdetés
XDT.hu
Az oldalon sütiket használunk a helyes működéshez. Bővebb információt az adatvédelmi szabályzatban olvashatsz. Megértettem