Fórum témák
» Több friss téma |
Fórum » NiMh akku-töltő
Hello!
Létezik NiMh akkuhoz (1 cella) töltő IC ami a töltés végén kikapcsol?
A töltő ic-ket (pl.: Linear technology, maxim, ...) több kategóriába sorolja: Lineáris-, Switch-, Pulzus töltők. Mi ezeknek a működési elve? Melyik a jobb megoldás?
Üdv: bberti
A legjobb megoldás a TE igényeidtől függ.
- Hol akarod használni(megbízhatóság): lakás, autó, esetleg terepen napelemről. A lineáris többet fogyaszt(disszipáció), de nem olyan érzékeny mint a kapcsolóüzemű. - Fontos-e az energiatakarékosság: a kapcsolóüzemű kevesebb plusz energiát használ, a lineárisnak több a vesztesége. - Mennyi pénzből akarod kihozni: a lineáris olcsóbb(kevesebb alkatrész), a kapcsolóüzemű többe kerül(több alkatrész). - Beszerezhető-e könnyen a belevaló alkatrész. -Az akkumulátorok felhasználásától is függ, hogy milyen töltési technikát használsz. A világításra használt akkuhoz elegendő a lineáris áramgenerátoros, vagy a kapcsolóüzemű áramgenerátoros, melyek töltőáramtól függően hőérzékelővel is el vannak látva és a max cellafeszültség elérésekor kikapcsolnak vagy csepptöltésre állnak át. Az impulzus töltők nagy fogyasztású, gyorsan lemerülő alkalmazásoknál előnyös, ahol gyorstöltéssel töltöd az akkukat. -szerintem- De várd meg más véleményét is!
Sziasztok!
Korábban felvetettem már ezt a kérdést, de igazából nem kaptam számomra is érthető választ ezért megkérdezem. Van egy GPS készülék, az akksija 3.7 V 900 mAh. Nincs hozzá hálózati töltőm. Ha gyárit vennék az 5 V 2000 mA tudna leadni. Ezt a neten kikerestem. Viszont van egy mobil töltöm ugyanolyan csatolási felülettel (mini usb ) 5 V 550 mA kimenettel. A kérdés az, hogy ez a mobiltöltő fel tudja-e tölteni a GPS akksiját?
Hálózati töltő alatt a készülékbe csatlakoztatható tápegységre gondolsz? A készülék töltődik, miközben usb-n keresztül számítógépre van kötve (gondolom nem véletlenül miniusb a csatlakozás)?
Szia !
Ha számítógéphez csatlakoztatom usb n keresztül akkor töltődik. A hálózati töltő ami nekem van az csak 550mA es ha boltban vennék hozzá gyárit az 2000 mA tudna. Akkor elvileg a számitógépről is fel tudnám tölteni + az 550 mA es tápegység is fel tudja nyomni ? Bocs, hogy ilyen szájbarágósan kérem, de lövésem sincs az elektronikához, azért kérdezem.
Ha úgy töltődik, akkor elképzelhető, hogy az 550mA-es tápról is megy. Azt sem tudom persze kizárni, hogy másképp viselkedik a készülék, ha számítógép helyett a töltő van rádugva, ki kell próbálni. Nincs a készüléken vagy a leírásában feltüntetve az áramfelvétele? Valami oka csak kell legyen, hogy a gyári adapter 2A-t tud leadni...
Gyári alatt azt érted, hogy ehhez a készülékhez gyártó által ajánlott tartozék?
Szia ! Köszi a válaszod.
Ma reggel kipróbáltam az 550 mA es töltőt. Bő másfél óra alatt feltöltötte, vagy legalábbis a GPS en kialudt a töltést jelző fény. Ezután próbaként kihúztam a töltőt, majd kb. egy perc múlva ismételten rádugtam. Ezután kb. 30 másodperc alatt ismét kialudt a töltést jelzőfény. Remélem joggal bízhatok abban, hogy fel is töltődött rendesen. Üdv !
Sziasztok!
Egy hordozható eszköz tápelláását szeretném megoldani, amiben 2 db NiMh akku van. Az akkuk feszültsége dc-dc konverteren keresztül táplálná az áramkört. Ha az akkuk lemerülnek külső stabil 5V csatlakoztatásával és az eszközön belüli NiMh akkutöltő IC töltené az akkukat. A mellékletben lévő áramköröket kell használnom. A problémám az, hogy a dc-dc konverter tekercse is és az akkutöltő töltő, mérő vezetékei is a cellákra csatlakozik. A kérdésem pedig, hogy a két áramkör nem fogja egymást zavarni működés közben? Hogyan lehet őket szétválasztani? A feladatomat bonyolítja, hogy egy napelem (1,5V , esetleg 3V) is kell a rendszerhez ami a dc-dc-n és az akkutöltőn keresztül tölti a cellákat. Remélem eltaláltam a topicot. A segítségeteket kérem, hogyan valósítsam meg azt az áramkört?
Igazából szerintem ez a töltő nem erre való. Van olyan, aminek a kimenete terhelhető is, mint a max712. Lehet inkább azzal kellene csinálni a töltő részt.
haló
Tudna valaki segíteni? Egy NI-MH 4xAA 550mAh akksihoz szeretnék egy egyszerű töltőt építeni. köszi
Helló!
Van 2db NiMH aksim ezeket szeretném tölteni, az egyik 8,4V-os 7 cellás 1100mAh-s, a másik 9,6V 8cella 2000mAh. Megnéztem ezt a cikket:Bővebben: Link A kapcsolási rajzon kicsit egyszerűsítettem, megtudnátok nézni h jó-e? Az áramgenerátoros résznél az aksi bekötésben nem vagyok biztos. A kisütő 6,3V-os zenerje a 8,4V-os aksikhoz jó? 9,6V-os aksihoz 7,2V-os zener kell?
Üdv Nektek!
Van nekem 2db 200mAh 9V nimh akkum.Ez a típus. Fel szeretném őket tölteni,ebben szeretnék segítséget kérni.A papírján a töltéssel kapcsolatban ez áll:16 óra töltésidő mellett,20mA áramot igényel. Össze is dobtam egy áramgenerátort lm317T-vel.Először egy szintén lm317T-vel felépített feszültséggenerátor után kötöttem az áramgenerátoromat,de gerjedt a cucc,így az áramerősség nem stimmelt.Azután találtam a fiókban egy kis trafót,ami egyenirányítás nélkül 9V-ot ad le.Próbaképpen egyenirányítottam,az áramgenerátort rákötöttem,mértem áramerősséget,és az általam kívánt értéket kaptam(20mA).Mértem feszültséget is,az már nem annyira tetszett,9V felé emelkedett szépen lassan,9,22-nél bontottam az áramkört. Mit tegyek,hogy ne töltsem túl az akkut? Üdv.:Zoli
Nem kell félni tőle, nem pont 9V-ig kell tölteni. Ha 7 cellás, akkor a névleges feszültsége 8.4V (7x1.2), ha pedig 8, akkor 9.6V. Tölteni előbbit kb 9.8V-ig, utóbbit kb 11.2V-ig kell.
Azonban, ha töltés előtt mindig lemeríted, akkor hagyatkozhatsz a 14-16 órán keresztül, a kapacitás tizedével (jelen esetben 20mA) történő töltéshez. Nem kell semmiféle feszültséggenerátor csak egy áramgenerátor, és egy olyan tápforrás, ami egyenirányítva tud legalább 13-14V-ot.
Csak tippelni tudok,mivel nem szeretném megbontani az akkut.Biztos ami biztos alapon akkor 7 cellásnak tekintem,akkor nem tölthetem túl.Így akkor csak a feszültséget kell figyelnem,amikor eléri a 9,8V-ot,akkor lekapcs?
Igen. De mint írtam, ha le van merítve, akkor időre könnyebb tölteni.
Értem.Köszönöm szépen a segítséget!
Üdv.:Zoli
Gondolom ide kevés a 2,5VA-es trafó..Kb 15perc töltés után forró..
Hehe,a kis trafó másik szekundere zárlatos volt.
Most már ok.Üdv.:Zoli
Nem kell megbontani. Töltöd kb. 6 órán át, és megméred a feszültségét. Abból kiderül, hogy hány cellás.
Üdvözletem.
Ni-Mh 1800mA AAA akukból szeretnék 10db-ot összekötni. Ehhez mit javasoltok milyen töltőt építsek? köszönöm.
egy idelye olvasgatom a témátokat és azt hiszem sokatok számára megoldást jelent egy computeres töltő amit a legtöbb modellező használ tölt: Pb, NiMh, NiCd, LiPo, LiFe aksikat utóbbi kettőt ballanszírozva és nem beszélve arról az előnyről h be tudod állítani a cellaszámot töltőáramot max töltési időt cellazárlatra túlhevülésre és egyéb problémákra leálnak. szerintem ez mindenki problémályára orvosság. (bocs a helyes írásért)
Üdv!
Az a "h" betű most azt jelenti hogy hol vagy azt hogy hogyan?
Ott a link a hozzászólásodban, onnan tudsz rendelni.
Ne ijedj meg a "magas" kapocsfeszültségtől, töltés közben teljesen normális lehet! Ilyen akkuból van nekem is pár darabom, nemrég kísérleteztem töltő építésével hozzájuk. Még nincs teljesen kész, csak próbapanelen van összerakva, de a funkciói jónak tűnnek. A vezérlést egy PIC-kel oldottam meg.
Szóval ez az akku valóban 7 cellás, 8.4V-os. én 100mA árammal töltöttem, így két óránál nem sokkal több idő után kapcsolt ki az automatika (feszültségmaximumot figyel), az akku a töltés végére is csak "erősen kézmeleg" volt (kb. olyan 40-45 fok között). A töltés folyamatát egy PC-re köthető voltmérővel monitoroztam, és a csúcsfeszültség a telep kapcsain valóban 10.3V környékén volt. Több ugyanilyen telepet is feltöltöttem ezzel a módszerrel és ki is sütöttem őket (100mA árammal) úgy, hogy közben mértem a leadott energiát, a számítások alapján 150mAh feletti értékek voltak minden esetben.
Üdv!
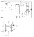
Tegnap és ma végigolvastam ezt a topicot, és majd lenne pár elméleti jellegű kérdésem a hozzáértőkhöz. De előbb az, hogy hol tartok most. Az apropó, amiért elkezdtem a témával foglalkozni, az az előző hozzászólásomban említet 9V-os akkutöltő, mivel nemrég vettem pár ilyet és gyári töltőm nem volt hozzájuk. Viszont ha már úgyis a töltőkkel foglalkozom, akkor szeretnék egy normális darabot összehozni AA (és AAA) cellákhoz, ami egyrészt nem teszi tönkre az akkukat, másrészt - ha lehet - valami többletinformációt is szolgáltat az akkuk állapotáról. Van pár gyári töltőm ilyen cellákhoz (egy régebbi Ansmann, egy Ansmann Photocam III, egy Uniross, meg valami régi Hama is), de egyiknek sem vagyok a megbízhatóságáról meggyőződve. Az évek során jópár féle akku is összegyűlt a lakásban, nemrég megpróbáltam mindet összeszedni, hogy egyenként leellenőrizzem, és ha lehet, rendbe tegyem őket. Az első lépés az volt, hogy összeütöttem egy kapcsolást, amivel konstans árammal tudok egy cellát tölteni, közben tudom mérni a cella kapocsfeszültségét. Az analóg elektronikát egy PIC vezérli. A PIC-ben az A/D átalakítás külső, 2.5V-os referenciával történik, az eredményeként kapott értékeket még egy digitális aluláteresztő szűrőn is keresztülfuttatom, így gyakorlatilag 1mV felbontással, eléggé zajmentesen tudok kapocsfeszt mérni. A program a feszültségmaximumot keresi, és 5mV-os esésnél történő lekapcsolással a tapasztalat szerint már biztonságosan működik. A PIC soros porton keresztül küld másodpercenként egy sorban adatokat a PC felé, ezt szövegfileba rögzítve később ki lehet értékelni a töltés folyamatát. Hőmérő egyelőre nincs a cellánál, mert nem vagyok meggyőződve róla, hogy megfelelő hőkontaktussal bármit oda tudnék nyomni a cserélhető cellához, de egy egyszerű diódás érzékelővel akarok azért egy próbát tenni mindenképp. A kisütő ellenállás még csak tegnap került bele az áramkörbe, így azzal majd csak most fogok elkezdeni dolgozni, de mivel gyakorlatilag minden itthon lévő, és használhatónak tűnő akku padlóra volt merülve, eddig nem is volt szükség rá. A kisütés egy fix ellenállással fog történni, ilyen kis kapocsfeszültségre egyszerű áramgenerátort nem lehet építeni, túlbonyolítani meg nem akartam, a PIC majd számol pillanatnyi áramot a kapocsfeszültségből és az ellenállás értékéből. A töltést fix, 1A-es áramgenerátor végzi, az áramot a csillaggal jelölt ellenállással lehet pontosra beállítani. A két BD tranzisztor közös hűtésen van, a nagyáramú 5V-ot egy ATX tápegységből veszem. |
Bejelentkezés
Hirdetés |






Most már ok.








