Fórum témák
» Több friss téma |
Fórum » NYÁK terv ellenőrzése
Szia !
Kusza vonalakat javítsd ki, maradt 3db gumi oda tegyél VIA-t a GND-nek, aztán szerintem egynek jó lesz. Üdv!
Köszi, este megnézem. De mi az a VIA?
Egyébként szerinted müködni fog ez a szerkezet?
A "VIA" tulajdonképpen az átkötő forrpont. (Olyasmi, mint a "gyári" NYÁK-ok esetében a furatgalvanizált átkötés a felső és az alső réteg között.) Persze Neke nem kell furatgalvanizálnod a NYÁK-ot, elég, ha a két rétegen van egy-egy forrpont, közéjük meg egy átfűzött vezetékkel (alkatrész levágott lába) viszed át. Mind a két rétegre ráforrasztod, és ennyi.
Szívesen segítenék. :yes: :yes: :yes:
De az EAGLE és SpiritLay valamint az ExpreszPCB mellé már nincs kedvem feltelepiteni és megtanuli (legalább alapszinten) még egy nyákrajzló progit. :no: :no: :no: ... ( Még az ORAD-ot kellene egyszer kipróbálni. Állitólag nagyon profi, és nehéz... De ez már más téma.) S tudomásom szerint a DipTrace is, salyát fájlformátumot kezel. Ha rosszúltudom bocs , mert nem ellenőriztem le eddig, hogy másik rajzoló kezeli-e a DipTrace fájljait... ... S ha mást nem, egy mülödőképes nyákrajzot az elvi "vázlatból" biztosan összehoznák (-nánk ). Idézet: „Egy kérdés, teli van ez a kapcsolás VCC és föld közé betett kondikkal. Mire jó ez? A VCC a kapcsolás minden pontján VCC és ugyanez igaz a földre is. Vagyis tök mindegy lenne, hogy hová rakom őket. Akkor viszont minek annyi, elég lenne 1 is?!” Azok a kondik a tápfeszültségből szürik ki a zavarjeleket, pl a mit a motorok üzen közben keltenek. Ezeknélkül a kapcsolás akár instabillá is váltat bizonyos körülmények között. S célszerü az IC-k közvetlen közelébe elhelyezni. Az összes VCC egy "vezetéket" jelöl! Az nagyon leegyszerűsítí az elvi rajz áttekinthetőségét, ha mint egy önálló közös pontképt hivatkozunk rá. (Ez vonatkozik a GND-re is!) Legtöbb nyáktervező (az EAGLE biztosan.) ezeket a pontokat (GND, Vcc, Vpp. és egyéb táppontokkat) automatikusan egy-egy különálló vezetősávként kezeli le. Tehát külön nem kell lehuzalozni őket.
Köszi!
Ne tarts hálátlannak, de ez nem 2 oldalas nyák? Hogy fogok én ilyet csinálni? Elvben tudom, de a gyakorlat mindig más.
Feltettem az Eagles sch-t.
A forrás http://www.pt-boat.com/electric/speedcontroller.html ill. http://users.cybercity.dk/~dsl327225/el.htm Innen vettem az ötletet, hogy a 2db NE555 helyetesítsem 1db NE556-tal. Közben támadt még 1 ötletem. Nem lehet a teljes Servo2PWM részt 1db M51660L-lel helyettesíteni? (tudom ez nem nyák kérdés, csak nem tudom hol tegyem fel)
Szia !
Ez kétoldalas igen, mert ami kapcsolást küldtél az egyoldalra finoman szólva sok. Nem megoldhatattlan, csak akkor használj több smd alkatrészt. Ami méretet írtál az elején az sem jön ki ezzel az alakatrész tipusokkal. Üdv!
Köszi. Erős fejvakarásban vagyok a probléma feloldását illetőleg.
Szia !
Én nem macskáznék, ellenállások, kondik menne smd-nek, többi maradna az ami most, kétoldalas lenne, és a kívánt méret is jó lenne. Üdv!
Igen. A 2DB 555-ös egy 556-ossal helytettesíthető...
A műverősítőig helyettesítettem mindent 1db M51660-nal. Nagyjából meg van az új tervrajz, már csak infot gyűjtök, hogy kell-e a műverősitő és elég-e a 2-2db fet. Azért ezt a zip tokozást kihagytam volna.
Szia!
Gondolkodtam én is azon, hogy ellenállásosztóval létrehozok egy virtuális földpontot, de akkor az magasabban potenciálon lesz, mint az erősítő IC földje. És ezeknek találkozni is kellene, viszont így nem lenne szerencsés kimenetelű... A TL hogyan mehetne 12voltról?adatlapban nem láttam ezt a megoldást (Mit kötök +Vs-re, -Vs-re, GND-re?) Az smd kondikon a jelölés fordítva van, mint a nomrálá kondikon? Akkor most mit jelölnek a csíkkal? Köszi!
Eredetileg a "-" jelöli a csík, de volt már szerencsém igazi china kondikkal is (smd) amik ettöl szétdurrantak.
Nekem ez van a TDA7294 -es erölködőmben, igaz 4700µF kondikkal. Bár ahogy nézegettem a kapcsolást, ez neked nem jó
Csak megnyugtatás-képpen... az SMD tantál kondikat kizárólag úgy szokták jelölni, hogy a pozitív felére festenek csíkot. Hallottam már ennek az ellenkezőjét is, az a gyártó egy barom, amelyik fordítva jelöli ezt a dolgot és nagyon-nagyon-nagyon ritka esetben fordul csak elő.
Tehát az SMD tantál csíkkal jelzett oldala a pozitív! Ennek értelmében jó irányban van a NYÁK-odon beültetve.
Igy igaz, de én voltam aki már találkozott a forditottjával. Szerencsére tényleg elég ritka de eddig két kinai szeméttel találkoztam ami forditva volt, sőt sajnos egyszer találkoztam olyan elkóval amin a negativ jelölés gyönyörüen ott vigyorgott és ő volt a pozitiv......
Gondolkodom majd valami egyszerü kis célműszeren, amivel a kondi polaritását egyértelmüen és nagyon egyszerüen ki lehetne jeleztetni, mert elég gáz ha gyártók baromságai miatt füstjelekkel kell kommunikálnom a frissen készitett áramkörömmel....... Idézet: „Gondolkodom majd valami egyszerü kis célműszeren, amivel a kondi polaritását egyértelmüen és nagyon egyszerüen ki lehetne jeleztetni,...” Egy ilyenre magam is "befizetnék"!
Hozzuk össze.
Nagyon egyszerü, ismerek egy olyan oldalt a neten ahol van egy rakás segitőkész ember, akik ilyen nemes célokra mindig kaphatók. Te nem jártál még ott véletlenül ? Most lettek 3 évesek..... Akkor nem veszek többet nálunk a boltban... inkább rendelek.Nemrég vettem 10µF -es tantált, és a csík + ra tól szétdurant, fordítva meg nem Akkor elnézést, rosszul tudtam Sebaj, mostmár legalább tudom.
Hmmm. Nem is tudom, hirtelen... Kire gondolsz?
Elhasználtad az összes segitségedet....Törd egy kicsit az agyad.
Akkor felhívok valakit, hogy melyiket válasszam: A közönséget, vagy a számítógépet...
köszönöm szépen! be- és kicsatoló kondik állását sose sikerült megjegyeznem... régen volt egy kapcsolásom, amiről lekoppintottam az állást (merthogy az adatlapban sincs jelölés, csak egy kondi, van, mikor érték nélkül:S ), de azóta eltűnt a gépemről újratelepítés után...
De mindegy, mert mostmár tudni fogom, hogy hogyan kell állnia! Köszönöm szépen a rajzot, meg azt is , hogy próbáltál segíteni a tápfeszes dologban is! Lehet, hogy 555-tel létrehozok neki max.50mA-rel terhelhető negatív ágat... még utánaolvasok, hogy az smd kondikon lévő vonal mekkora megbízhatósággal mutatja a pozitívot... Köszi!
Ez a kép alapján a be- és kicsatoló kondik pozitívja a 741 felé néz. A csatolt képemen viszont ha megnézed, egy kondi már rosszul van beültetve. ha csík=pozitív... Kérlek, nyugtass meg megint
Köszi!Azért szeretem HE-át, mert itt tényleg segítenek az emberek!
És miért látok én a fényképen 1k-s és 100k-s értékű ellenállásokat, miközben a kapcs. rajzon szinte csak 1M-sak vannak az IC körül?
Hát azért mert ez a kapcsolási rajz teljesen másról szól, az egy 4csatornás keverőpult Ezt Sprofan adta, hogy lássam, milyen polaritással kell a be- és kicsatoló kondikat beforrasztani! Csak személtetés volt a célja!Én egy előerősítőt építettem. Az IC is TL072, nem pedig 741. A mellékletben van a kapcsolási rajz (eltérés lehetséges, hogy van még így is, mert pl. a 7805 előtt és után is 220nF-os kondi van) Tudsz mondani véleményt ez előző kérdésemre, a kondikkal kapcsolatban? Köszi!
Nem tudom mivel megnyitni az SCH fájlt... kéne keresni ennek a témának valami hozzáillő topikot
Norberto-nak!
Itt van a kép!
Nos, az a helyzet, hogy szerintem mind a 3 kis tantált fordítva kéne berakni... viszont a TDA erősítő mellé szerintem érdemesebb lett volna/lenne fólia típusút használni.
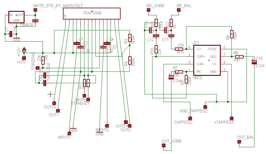
Szeretnék építeni egy 2.1-es erősítőt a tönkrement Creative erősítőm helyett.
A kapcsolási rajzot a TDA7375 gyári adatlapjáról vettem, és kiegészítettem egy subfilterrel, amit a fórumon találtam. Ehhez csináltam egy nyáktervet. Ha valaki átnézné, nagyon hálás lennék. működőképes lesz? (Köthető közvetlenül a hangkártya kimenetére?)
Felrakom a Sprint Layout fájlt is, hátha ezzel könnyebb átnézni.
|
Bejelentkezés
Hirdetés |





, mert nem ellenőriztem le eddig, hogy másik rajzoló kezeli-e a DipTrace fájljait...
).

Akkor nem veszek többet nálunk a boltban... inkább rendelek.








