Fórum témák
» Több friss téma |
Köszönöm mindenkinek a segítséget!
Ez CTR (Current Transfer Ratio) dolgot nem néztem, ez alapján már tudok választani. Mégegyszer köszönöm a segítséget!
Sziasztok! Fordulatszám mérőt szeretnék vezérelni. Autóba lesz, de a megszakító jele nem használható. Optoelektronikával szeretném megoldani. Van infra LEDem meg BPW41-em. AKárhogy próbálkozok nem akar működni. Van a kapcsolásban egy Led is ami akkor világít ha a Led és a fototranzisztor között van valami. De nem akar összejönni. Tudnátok nekem segíteni?
Így gondoltam: Bővebben: Link
Hello!
A BPW41 csak egy fotodióda, amit záróirényba kel használni, és egy soros ellenálláson levenni a feszültséget. De sokkal célszerűbb egy fotodarlingtont alkalmazni. Annak általában lencséje is van, és egy ellenállást simán le tud húzogatni. Roggyant egérben találsz kettőt is. Vagy egy kész optokaput, ha mechanikusan megfelel. üdv! proli007
Értem. Maradok a BPW41nél. Yenka-val sikerült megcsinálnom ahogy leírtad. Már csak egy nagyon amatőr kérdés.
Melyik lába az emitter és a bázis? Az adatlapjából nem jöttem rá.
Hello!
A BPW41 egy dióda! (Nincs bázis meg emitter..) Vagy is simán megmérheted a multiméterrel is, dióda vagy Ohm állásban is. Sőt, záróirányban egyből látni fogod, hogy a fényre érzékeny. Mer pont olyan, mint ha záróirányban átvezetne, csak a fény erejétől függően. Amúgy a kabátján felül, van egy kis letörés. Az jelöli a katódot.. üdv! proli007
Szia!
A diódának nincs bázisa meg emittere, csak anódja és katódja. A "Dimensions in mm" kép felső ábrája mutatja a bekötést, ahol a "C" a katód, az "A" az anód. A hozzászólás módosítva: Szept 23, 2012
Akkor azért nem találtam. Nem tudom miért, de úgy emlékeztem hogy ez fototranzisztor. Köszönöm! Sikerült is!
Egyenlőre csak egy ledet kapcsol, de jó lesz. Egy tranzisztorra kicserélem a ledet és ha a fordulatszám mérő jelnek akarom használni akkor így már működhet igaz?
Hello! Első hozzászólásomban ezt írtam! "A BPW41 csak egy fotodióda.."
üdv! proli007
Sziasztok!
Egy laborműszer TTL kimenetét szeretném mágnesszelep működtetésre felhasználni optikai leválasztással. A kimenetre direktben 4N25-öt kötve nem működik, csak fél mA áram folyik át a leden. Elé raktam egy BC547-es tranzisztort 12V-ot kötve a kollektorra, de így se jó. Hogyan kellene ezt jól megoldani???? Létezik olyan optó, amit direktben fogadja a TTL jelet? Hogyan és milyen tranyót kéne elé kötni a 4N25-nek? Esetleg FET-et?
Valamit elronthattál. Egy TTL kimenettel meg lehet hajtani egy 4N25-öt, ha pedig raksz elé egy tranzisztort, akkor meg aztán pláne. Az viszont lehet gond, hogy mA-es tartományban fog a 4N25 kimenete kapcsolni, hiszen a diódaáram 50%-áig tud jellemzően felmenni. Vagy Darlingtonos optocsatolót kell használni (pl. 4N3x sorozat), vagy kell mögé rakni valami tranzisztoros kapcsolást.
Hello!
Nem mindegy milyen TTL kimenetre kötötted. A másik, hogy a TTL inkább a GND-re szereti lehúzni a kimenetét, nem fel. Vagy is a +5V és a kimenet közé téve az optót jobban jársz. Persze nem direktbe, hanem előtét ellenállással. Az opto kimenetére viszont kell valami erősítő, hogy a mágnesszelepet meghajtsa. Amúgy van olyan opto, ami közvetlen rákapcsolható, SSR-nek hívják. ![]() üdv!
Nem értem pontosan hogy gondolod. A kártyából 3 féle kimenet van: TTL kimenet, ami alapesetben földhöz képest +5V, de nem terhelhető, +12V 1A-el terhelhető, és föld. Én a TTL és a föld közé próbáltam tenni az optót. Nem ment.
Ha +12V és +5V közé teszem akkor nem fog áram folyni a +12 felől a +5V felé?
Pc tápról ráadott 5V-os "jellel" működik, bár csak bekapcsolás után néhány alkalommal. 10-20 másodperc után nem megy át több jel. Ezután ki kell kapcsolni, majd vissza, és megint megy. Az optó kimenetére TIP122-t raktam.
Lerajzolnád?? Sürgős lenne a dolog. Előre is köszi!
Az 5V és a TTL kimenet közé kéne kötni a diódát. És akkor jön a kérdés, hogy a leírásodba ez hogy passzol bele, mert nem írtad, hogy a fix 5V-os TTL tápvonal ki van-e vezetve. Bár azt sem írtad, hogy a GND ki van...
Hello!
Te írtad, hogy 5V jön ki a TTL kimeneten, de nem terhelhető. Akkor miért kötötted oda? De így van, ahogy _vl_ írja a műszer 5V-os tápja és a TTL kimenet közé kellene tenni a diódát. Ez az 5V-ról táplálva 20 másodpercig működik, elég varázslatos. A GND-ket összekötötted? Tettél ellenállást a Led-el sorba? A 12V és az 5 közé, nem köthetsz semmit. Valamint azt is illett volna megnézni, milyen TTL IC van a kimeneten. Mert lerajzolni elsőként neked kellett volna mit alkottál, akkor nem lettek volna tisztelet körök. üdv!
Először is köszi, hogy próbáltok segíteni! Nyilván én nem adtam elegendő információt, de azt reméltem, hogy biztosan valami triviális dolgot rontok el, és majd valaki dob egy linket egy kapcsolási rajzhoz, hogy TTL kimenetre mit és hogyan kell rákötni.
Kezdem az elején: a laborműszer egy 400bar-os pumpa, automata mintaadagolóval, UV-látható detektorral. Szóval egy 70 kilós maci, oldalán egy 30x40cm-es nyákkal. 20 éves amcsi konstrukció, sok-sok ic-vel és mikrokontrollerrel (kb 10 léptetőmotort vezérel, meg végállásokat figyel, nyomást mér, A/D-t konvertál, HPIB-n keresztül kommunikál...). Nem is próbáltam a lelkivilágát megfejteni, például, hogy pontosan honnan jön ki a TTL. Egy sor csoki áll rendelkezésre: 4db TTL kimenet, 4db föld és +12V 1A. 5V nincsen kivezetve. Elsőként a földeket közösítettem, és 1-1 TIP122-t kötöttem a TTL kimenetekre, és utána egy-egy relét, hogy megfordítsam a TTL logikáját, ugyanis a szelepnek, ami a relére van kötve akkor kell tápot kapni, amikor a TTL 5V-ja 0-ra esik. Ez így működött is pár napig, de előfordult néha, hogy az egész rendszer lefagyott, és nem kommunikált. Újra kellett indítani. Valószínűleg az lehetett a baj, hogy a TIP122 kollektorára azt a 24V-ot kötöttem (külső tápról) amit a relé is kapcsolt. Aztán megpróbáltam a belső 12V-ot is rákötni, de ez is fagyást okozott. Itt döntöttem úgy, hogy inkább nem kockáztatok, inkább csak optóval terhelem. De ez meg nem akar sikerülni. Első körben 4N25-öt kötöttem a TTL és a föld közé, előtétellenállással. A TTL kimenetek és optók földje mindenhol közös volt. Az optó után TIP122-t raktam, mostmár relé nélkül, mert az opto tranyójával invertáltam a jelet. Ez a kapcsolás próbapanelen, PC táp 5V-jával működött. A pumpa TTL jeleivel nem. Ha jól emlékszem, itt mértem fél mA áramot az optó ledjén keresztül. Aztán beraktam az optó elé egy BC547-et. Ez így működött. Néha. Ugyanis arra is adott jelet, ha a kezem odatartottam. Próbáltam levágni az optó 6-os lábát, de ez sem segített csak két csatornánál.... Próbáltam kondit, vagy ellenállást tenni az optó bázisa és emittere közé, attól se lett jó.... Szóval annyi mindent próbálgattam már, hogy mostmár azt szeretném kérni, hogy valaki mondja meg, hogyan lehetne ezt jól megcsinálni. Nyilván nem bonyolult, csak én az alapokat kihagyva, gyorsan és olcsón szeretném megoldani a problémát. Keressem meg valahol a TTL IC-ket, és azok körül egy 5V-ot, ami akkor is 5, amikor a kimeneten 0 van? Vezessem ki ezt, és kössem az optót az 5V és a TTL kimenet közé??? Először csatolom a gépkönyv kimenetekről szóló összes információját, aztán megpróbálom lerajzolni, hogy mit barkácsoltam össze.
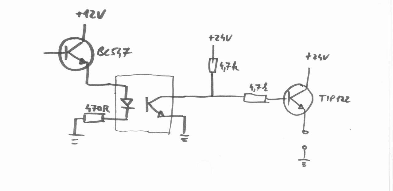
Itt a "rajz". Bocsi a firkáért, nincs kéznél semmi progi.
Hello!
Végül is amit csináltál, az majdnem jó. Így kellett volna működnie az optónak a tranyóval. De ha így sem működött, akkor erős a gyanúm, hogy ez a TTL kimenet egy nyitott kollektoros végfokkal van kivezetve. A +12V feszültség a csatlakozón is ezt sugallja. Akkor pedig nem csoda ha nem terhelhető. Elsőként próbálj meg egy 10kohm-os ellenállást tenni a tranyó bázisa, és a +12V közé. Ha még is normál TTL kimenet lenne (de nem lehet az) akkor sem esne bántódása az 1mA áramtól. Viszont a tranyónak "megengedné hogy működjön". A GND-ket nem illik összekapcsolni a két oldalon (TTL és +24V tápnál), mert pont azért használsz optót, hogy le legyen választva. Ekkor nem fagyasztja le a gépet a szelep. Valamint a szeleppel, párhuzamosan kell egy 1N4001..4007 dióda az induktív lökések levágására. Az 5V-al nem kell foglalkozni, ott a +12V, abból bármikor lehet 5-ot készíteni. De mindenek előtt "mindent" mérni kellett volna, abból látható mi is a helyzet. üdv! A hozzászólás módosítva: Márc 1, 2013
Köszi a tippet, megpróbálom.
A jobb és baloldali föld mostmár természetesen nem közös, csak nem tudom az ilyet hogy szokták jelölni. Hogy érted azt, hogy a tranyónak "megengedné hogy működjön"? Hol lehet ezekről a TTL-ekről valami jó összefoglalást találni? Pl: hogyan tudom eldönteni, hogy miféle, és mit hogyan kell rákötni. Attól tartok, hogy fogok még ilyesmivel találkozni.
Hello!
Csak azt szerettem volna írni általa, hogy az ellenállás kis áram nem teszi tönkre a TTL kimenetet, de a tranyónak biztosítja a nyitásához a szükséges bázisáramot. Amennyiben nyitott kollektoros a kimenet, egyből működni fog. A GND jelölésére számtalan szokvány van. (A "földelés jele" ami egyébként nem szerencsés, mert erősáramú védővezetőt jelent felén, de Amerikában mások a jelölési szokások.) Egyébként meg teljesen mindegy, csak megkülönböztethető legyen a kettő. Itt az is lehetséges, hogy a PC felől egyszerűen jelölöd a csati melyik lábára megy, aztán hogy az a PC GND pontja már nem számít. De ezen jelen kívül lehet még "fodított T betűt használni", aztán a T alja egy háromszögjel, vagy ferde vonalak. Valamint ha nagyon fontos ki kicsoda akkor oda is szokták mellé írni, "PGND" ez a teljesítmény közös pontja, "DGMD" ez általában a digitális GND-t jelöli, vagy "AGND" az analóg áramkörök közös pontja. Sokszor ezek összeköttetésben vannak, nem is külön potenciálon, de a földáramok miatt, még sem mindegy, ki kivel van összekötve és majd hol közösödik, stb.. Egy TTL katalógusban megtalálsz mindent, de számtalan könyv is volt forgalomban ami ezt taglalta. pld. "TEXAS TTL receptek". A hálón biztos találsz róla valamit, de nem egy nagy varázslat. Pont azért szabványosították a terhelhetőségeket jelszinteket, hogy szinte szabadon egymás után köthetőek legyenek a logikai áramkörök. Egyszerű kimenetre kb 10 bement köthető, a megerősített kimenetekre pedig 30 bement. A nyitott kollektorosok pont feszültségszint illesztéshez, vagy valaminek a meghajtáshoz készültek, de az adatlapból simán kiolvashatod a maximális feszültség és terhelőárama. De elsőkét a villamos áramkör építőelemeinek tulajdonságait, kapcsolásait, annak jellemzőit kell megismerni, aztán lehet boldogulni simán ezekkel. üdv!
Sajnos nem jött be a 10k-s ellenállás a tranyó bázisa meg a 12V közé. Így folyamatosan világít az optó ledje. Nem kéne még valami nagyobb ellenállás a BC547 emittere meg a föld közé?
Okozhat az gondot, hogy a fogyasztó (LED+ellenállás) a tranyó és a föld között van, nem a tranyó és a +12v között? Egyébként nagyon érdekes dolgot tapasztaltam az ellenállás kipróbálása után. Miután a fenti ábrának megfelelő állapotba visszaállítottam az áramkört tökéletesen működött több ki/be kapcsolás után, felváltva mind a 4 csatornáján! Nem értem, múlt héten össze-vissza vacakolt, "feltöltődött" stb., most meg tökéletesen vitte a szelepeket. Persze csak addig, amíg egy PC táp 5V-jával ingereltem a bemeneteket. Amint ráraktam a TTL kimenetekre megint ugyanaz a rendszertelen viselkedés, hunyorgó ledek, bizonytalan kapcsolás. Nem értem mi a fene baja van. Berakjak egy TIP122-t a BC547 helyére? Azzal megbízhatóan kapcsolta az utána kötött reléket.
Hello!
Elsőkét tiszta vizet kellene már a pohárba önteni. Mert így ez semmit nem ér. Biztos, hogy TTL kimenetek vannak itt? Ha a 10kohm fel todta húzni a bázist, akkor az olyan mint ha semmi nem lett volna a kimeneten, vagy tényleg nyitott kollektor van rajta, csak éppen nem változik a szintje. - Egy sima 1kohm-os ellenállással meg kellene terhelni a kimentet, a GND felé, és megnézni mi van rajta, ha húznia kellene a szelepnek, és amikor elengedni. - Majd ugyan ezt az ellenállást bekötni egy külső +5V és a kiment közé, (A táp és a készülék GND persze közös) és ismét megmérni a feszültséget a GND-hez képest, mikor húzna vagy ejtene a szelep. Mert így csak helyben járás van. Olyan , mint ha a kimenet csak lógna valahol a levegőben. Meg kellene nézni, pontosabban ohm-mérővel visszamérni, hogy a kikötött kimenet hova megy a készülékbe, ott milyen IC/akármi van. üdv!
Végre!
Úgy tűnik mostmár menni fog a dolog, bár még csak pár tesztet csináltam, és csak 1 csatornával, de bíztatóbb mint eddig. Belebújtam egy kicsit a nyákba (mármint a vezérlő elektronikába, aminek a kimeneteit akarom használni) és a TTL kimenet csokihoz gyanús közelségben 4db IRF541-es N-csatornás mosfet-et találtam. Nagyon gyanús kezdett lenni, hogy azért tettek ide ennyire túlméretes alkatrészt, mert ezen ampereknek kéne szaladgálni, nekem meg csak 0,5mA jön át egy leden.... Végül beraktam az optó bemenetét a +12V és a "kimenet" (alapból +5v, kapcsoláskor 0V) közé, és működött. Igaz, hogy most pont fordítva van a logikája, de az optó kimeneti oldalát már meg tudom variálni. Ezer köszönet a segítségért!!!!
Hello!
Akkor még is nyitott kollektoros (vagy is most már Drain-es) meghajtó van benne. A vicces, hogy a 10kohm-os felhúzóval, is működnie kellett volna. Egy kis matatásnak, mindig gyorsabb eredménye van, mint a találgatásnak. üdv! A hozzászólás módosítva: Márc 5, 2013
Idézet: „Nagyon gyanús kezdett lenni, hogy azért tettek ide ennyire túlméretes alkatrészt, mert ezen ampereknek kéne szaladgálni, nekem meg csak 0,5mA jön át egy leden....” Az általad linkelt adattáblán ha jól emlékszem az áll, hogy max.1A csatornánként, de a 4 összesen nem haladhatja meg a 1,5A-t. Ennek simán mennie kellett volna relékkel közvetlenül.
Ment is. Csak éppen naponta egyszer előfordult egy teljes lefagyás (műszer kijelzőjén nincs kép, kapcsolat az adatgyűjtő számítógéppel elszáll, de a pumpa megy, belső szelepek kattognak). Két hiba között 30-40 sikeres relékapcsolás volt, és érdekes módon nem akkor volt fagyás, amikor a relé váltott. Sajna ilyen hibaaránnyal nem tudtam együttélni, mert elég drága anyagokat mérünk rajta. Remélem mostmár fog menni rendesen.
Volt a relével párhuzamosan záróirányba egy dióda?
Mekkora relék voltak ezek? Milyen ellenállású volt a behúzójuk?
"érdekes módon nem akkor volt fagyás, amikor a relé váltott"...
Igen, volt 1-1 1N4007-es a TIP122-esek lábai között.
Most nem tudok pontos értéket mondani, de csak kicsi olcsó miniatűr reléket használok. Nem esznek sokat, de mind a 4 folyamatosan behúzva volt, amikor éppen nem kapcsolta a szelepét. Az új variáció egyenlőre megbízhatóan működik. Lement pár szelepváltási tesztsorozat, és nem hibázott. Holnap betárazok egy kísérletsorozatra, és egész nap hajtani fogom. Mindenkinek köszi a tippeket. |
Bejelentkezés
Hirdetés |




Melyik lába az emitter és a bázis? Az adatlapjából nem jöttem rá.
Egyenlőre csak egy ledet kapcsol, de jó lesz. Egy tranzisztorra kicserélem a ledet és ha a fordulatszám mérő jelnek akarom használni akkor így már működhet igaz? 






