Fórum témák
» Több friss téma |
Fórum » OTL erősítők építése
Szia
Természetesen van, hiszen a terhelés a katód oldalon van az erősítő mindkét felén. Magyarán a kimenet push-pull katódkövető, tökéletes szimmetriával. Egyébként ezt az archiektúrát erősen javallott félvezetős erősítőben is követni, hiszen elméletileg a kimeneti fokozatot célszerű azonos struktúrájó eszközökből készíteni. Ez a felépítés mindkét (csöves és félvezetős) esetben maradéktalanul kielégíti a követelményeket. A másik Általad felvázolt kapcsolás amolyan kvázikomplementer szerű, annak előnyével és nem kis hátrányával. Én inkább csinálnék öt tápot, és a circlotront. - Persze a kibicnek semmi nem drága. És mégvalami: a sima OTL és félvezetős párjának a jel két félperiódusában NEM azomos a jelemelkedési sebessége, szerencsétlen esetben ez hallható is. Ezérzt kell egy OTL-SE kivitelnél "észnél" lenni, mivel a jel egyik félperiódusában mindössze a munkaellenállás van. E tolpikban már írtam, de megism,étlem: ilyen kapcsolásban mindenképp nagáramú cső kell, mivel a csövet csatolás nélkül terheljük a hangsugárzóval. Tehát az E(P)L 34, 6L6GC, stb ide nem alkalmas. Elnézést, hogy kicsit bőlére sikeredett, de magam is ambícionálok egy ilyet, mivel örököltem egy halom GU 50-et.
Üdv!
Akkor kísérletezek picit a circlotron kapcsolással. Szerinted érdemes külön előfeszt állítani csőfelenként? 6n13s csövekkel készítettem el, és ezeknek még búrán belül is nagy a szórása. Illetve felvázoltam egy tápot sztereo végfokhoz, ez járható út? Vagy mindenképpen négy szekunderre lesz szükségem.
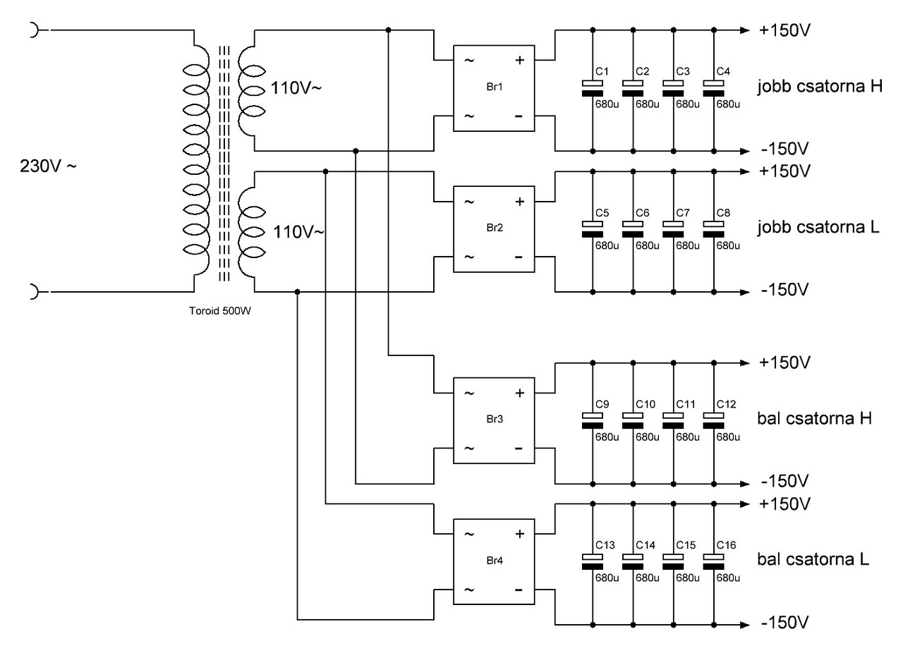
A 110 volt kevés lesz a 150 Volt DC eléréséhez , 1,3 al számolj csak és egy - egy R tagot tegyél közbe és úgy méretezd hogy 5 Volt essen legalább ...
Igazából ha én csinálnám kettő R -tagot tennék be, és így alakulna : AC125 -R tag -5 majd megint R tag -5 =DC150
Szia
Egyet értek CIROKL hozzászólásáva, sajos a 110V AC kevéske lesz 150V előállításához. Én L tagokkal szűrnék kondenzátorcsoportok között. Szerintem nyugodtan számolhatsz nyers AC-nek 150V-ot. A szűrőrendszeren úgy is esik majd annyi, hogy meg legyen a +/- 150V DC. A végfokozat esetében kötelező az erősítőfelenkénti előfeszültség állítás, a meghajtó rendszerben szerintem fölösleges vesződni vele. Szumma szummárum, ha külön táp kell erősítőfelenként, akkor az előfeszültségeknek is galvanikusan leválasztottnak kell lennie egymástól, de ez a kapcsolástechnika sajátja. A kimenő nem adja magát egykönnyen, vagy bonyolult táp, vagy bonyolult kimenő..... Bocsánat, utólag néztem a rajzot, a kapcsolási rajz ezt egyértelműsíti is. Az építéshez sok sikert, és ha lehet, meghallgatási tapasztalatot légy szíves megosztani a kedves Fórumtársakkal A hozzászólás módosítva: Júl 7, 2014
Olyan trafóra lesz szükséged, amelyiknek legalább négy egyforma szekunder tekercse van és ez még csak a végfokozat anódfeszültségének előállításához elég. Ehez jön még az 4db előfeszültség, külön külön tekercsről, az előfok anódfeszültsége, és a fűtés(ek).
A hozzászólás módosítva: Júl 7, 2014
Szia
Viszont cserébe nagyon komoly esélye van egy igazán remek hangú erősítőre ![]() Egy ilyen hálózati trafót még csak csak megtekercselnék, de kimenőt........SOHA... Nem beszélve arról, hogy még egy ilyen hálózati trafó is nagyságrendekkel olcsóbb, mint egy tisztességes kimenő.... A hozzászólás módosítva: Júl 7, 2014
Az ide való kimenő szokásos csöves végtrafó struktúrájú , vagy még jobban meg van "tekerve" ?
Azt hiszem ide sokkal kisebb arányú , vagyis kisebb impedanciás trafó kell , jól tudom? Kb nem 5K/8R , hanem 1,25K/8R , ugyanazon csöveket és munkapontokat használva , jól gondolom?
Épp most agyalok olyan megoldáson , ahol circlotron végek lennének , sztereóban , aktív sávszűrőként szétválasztva (tehát 4 végfok) mélyre sima hálózati toroidot , sávszűrő vágási frekije 2KHz körül , közép - magasra pedig üvegfémes trafót betenni , így a sub trafó tekerését (próbára ) megúsznám , a másikhoz meg nem kell embertelen nagy menetszám .
Igaz hogy a tápot 8 szekunder tekercsből gondoltam , de kapcsolóüzemben az is toroidra tekerve nem igazán vészes , végcsövek gu30 . Véleményeket várok . A hozzászólás módosítva: Júl 7, 2014
Én is azért álltam neki ennek, mert kimenőt azt ne... Jó vasat nehéz beszerezni, többszáz menet stb... Ma összedobtam deszkán a circlotron egyik oldalát. Az előfeszültséget egy szekunderről nyerem, szerintem felesleges külön szedni, hisz közös a föld pontjuk. A nyugalmit 200mA-re állítottam (kb. 40mA csövenként) a felső ágban, és hozzá állítottam az alsót, hogy ki legyen egyenlítve. Nem használtam sem R, sem L tagot a szűrésben csak 3*680µF tápáganként. Első bekapcsolásnál nagyon meglepett, egyszerűen semmi brumm, csak a toroid búgása, azt hittem nem működik
. Hihetetlen jó hangja van, remek dinamika erős mélyek, a magasok is rendben. Gondom, hogy nem fér már a trafóra még két 110V-os szekunder. Illetve a csövek fűtésének megoldása. Egyenlőre sorosan, áramgenerátorral fűtöm a csöveket, valószínűleg ez marad a végleges megoldás. Párhuzamos fűtésnél 12,5A kellene oldalanként, szerintem ez nem kis hőt termelne az egyenirányítás során.
Szia
Nem kell olyan srtuktúrában goldolkodni, és fölösleges is. Sima hálózati trafó, csak némileg több szekunderrel, és jobb szigeteléssel a szekunderek között is - gondolva a meghajtó 300V környéki tápjára... Természetesen eléggé masszívan terhelhető példányok kellenek. Azért kell(enek), mert nem vagyok abban biztos, hogy annyi és olyan terhelhetőségű tekercs felfér a vasra. Egyébként is, ezen a szinten már mindenképp a duál-mono kivitel a nyerő. - Nem is beszélve arról, hogy egyszerűbb is a tefód, csak kettő kell belőle ![]() Jaj és DaviS : az a táp megoldás csak egy darab erősítőre lesz jó, a négy erősítőfél tápját mindenképp el kell választani egymástól. ehhez még kelleni fognak az előfeszültségek szekunderei is, így a meghajtórendszernek külön táp építhető, szőröstől-bőröstől.
Szia
Az előfeszültség előállítása természetesen megér egy misét, a fűtés pedig főleg. Arra mindenképp figyelj majd oda, hogy a katód-fűtőszál átütési feszültségét még csak véletlenül sem közelítsd meg. A hangminőségét illetően kb ezt vártam válaszként. Én sajnos csak figyelemmel kísérem az ilyen projecteket, mivel sajnos a technológiai lehetőségeim erősen korlátozottak.Maradjunk annyiban, hogy egyelőre csak "csorgatom a nyálam" egy ilyenért
Azért is gondoltam kapcsolóüzemű tápra mert oda max 50-100 menet kellene csak (primer - szekunder) azt meg nem kaland rátekerni egy toroidra , csövenként 300 - 600 V szabályozható tápra
, csövenként 2X50 mA , max 400 mA (ilyen huzalom van) , akár több KW is ráfér a táp toroidra . Egy másik kapcsitáp meg a fűtések áramát csinálná ugyanígy , azzal a különbséggel , hogy a felfűtés idő vezérelten emelkedő fesszel (3-6-9-12V) képzeltem , ugyanúgy 8 szek tekercs , az is sokkal kisebb méret és kapacitás lenne mint 50Hz - nél. A hozzászólás módosítva: Júl 7, 2014
Szia!
Én arra gondoltam, hogy a végfokozat triódáinak külön-külön csinálok előfeszültséget, azaz 10db potméter oldalanként. Ezekre az orosz csövekre elég nagy szórás jellemző, még búrán belül is komoly különbségek vannak a triódákban. Így csövenként azonosra lehetne venni a nyugalmi áramot, kicsivel több alkatrész, de szerintem így kerek. Trafóra 2*113V-ot tekertem, 1mm-es huzalból, 155V a nyugalmi feszültség, a tapasztalat egyenlőre azt mutatja hogy elég csak kondi szűrés, de még csak egy oldal szól.. Az is lehet hogy kevés lesz az 500W, még a fűtés külön trafóról megy, az is dob majd 160W-ot még pluszba
Szia
Szerintem a kapcsitáp felejtős, én mindenképp ambícionálnám a hagyományos tápot. A GU30 valószínűleg jó választás, ha jól tévedek akkor ő a 829B-nek felel meg. Ha RH adóvégcsőnek jó, akkor itt is meg fogja állni a helyét
Szia
Isten ments annyi potméter.... Akkora szórása nem lesz annak a csőerdőnek, hogy ne adj Isten kellene, mindössze a két erősítőfelet kell tökéletesen egyformára belőni.
Hát ilyesfajta szórás jellemző. Nem én végeztem a mérést, már így vettem őket. Alkatrész van felhalmozva elég itthon, türelem is akad csöveket állítgatni...
Háááááááát
Én erre a szórásra csak annyit mondanék, hogy figyelemreméltóan kifinomult gyártástechnológia. Ennyi szórást nyugodtan negligálhatsz, nem lesz az égvilágon semmi baj, az eltérés még az 5%-ot sem éri el. De ha érzel Magadban annyi mazochizmust, lelked rajta, de én inkább lebeszéllek annyi potiró, mert egyszerűen nincs értelme, annyira minimális az eltérés... A katódellenállások pedig kiegyenlítik ezeket az eltéréseket A hozzászólás módosítva: Júl 7, 2014
Sziasztok!
Ma felszereltem a foglalatokat a sasszira, és végeztem pár mérést a deszka modellen. Kimeneti ellenállás nvcs. nélkül 25-30 ohm, nvcs.-vel 8 ohmig levihető, de úgy már csak előfokkal lehet kihajtani. 1Khz-en 8 ohmos műterheléssel 80Vpp szinuszt tudtam kivenni, ami szkópon még nem tűnt torznak, sajnos nincs torzításmérőm. Ez kb. mekkora teljesítménynek felel meg? Terveztem az előfeszültségnek egy stabilizátort, amivel könnyen után lehet állítani a szimmetriát, ha elcsúszna a csövek öregedésével. A hozzászólás módosítva: Júl 14, 2014
80 Vpp 8 Ohm-on 100 W-ot jelent. Érdemes volna hangsugárzóval is kipróbálni, mert az oszcilloszkóp és egyéb mérőműszerek néha teljesen mást mutatnak, mint a fülünk.
A hozzászólás módosítva: Júl 14, 2014
80V eleve esélytelen. Inkább 8V, és mérd újra. Készíts értelmezhető képet a mérésről!
Köszi! Hangsugárzóval is megmértem, ott egy kicsit csálébb volt a szinusz, de hangra jó volt és elképesztően hangos.
Majd még a szkópot megnézem hiteles-e, mert nekem túl soknak tűnik a 100W. Bár a multiméter szerint 1A felett zabált anódáramból a kicsike.
Mindenképpen újra mérem majd és dokumentálom, de a deszkamodell ma el lett bontva. 20V-os állásban 4 rasztert fogott át a szinusz. Persze lehet az öreg szkóp tréfált meg, de azért 8V-nál biztos több kijön belőle.
A hozzászólás módosítva: Júl 14, 2014
Jó lehet az a 100w körüli, pontosabban, lehet csak 60-70w, de nem 1-2w.
1A-nél 300w a felvett teljesítmény abból lehet 70w simán kimenő sinusos OTL-nél. Bírják egyébként a csövek? Csak 130 mA limit van az adatlapon.. A hozzászólás módosítva: Júl 15, 2014
Persze gondolom folyamatosan nem bírnák, de impulzusokban igen. Magas kivezérlésnél látható egy kék fény az üvegbúra belső oldalán, gondolom ez csak azért van, mert még újak a csövek.
Valszin. Ott azért már sok elektron röpül a burában.
Az anódot kell nézni ne izzon fel, az már túlterhelést jelez. Nyugalmi áram mennyi?
40-50mA csövenként. 200mA körül tápáganként.
Akkor azt jól megnyomatod
![]() Én a Tim Mellow féle cuccot építettem meg 6c33-al, állítólag jobb hangú mint a ciklotronos cucc (nem hallottam még, nem tom), hasonlóan 200 mA nyugiáramra tettem, túlképp analóg valamennyire csak itt egy nagy cső van a 4-5 kisebb helyett. Leírása 25w-ot ír 8R-ra, én szinusszal kinyomtam 40w-ra, nem vágta ott sem a tetőt.(sztem még bírta volna feljebb is...) De haa ezt nem is bírja szinuszban de zenében tuti bírja a 40w-ot, bár itt már 700-800 mA-t is kajál, ami bajt nem okoz ugyan, de valamivel csökkenti a cső élettartamát. Na ja nagy a mellényem kb. 15-20w-al hallgatom 15 nm-en, ennél több is nem kell, mert így sem díjazzák körülöttem, meg zúg is néha már hosszas hallgatózás után a fülem.Na még írok erről az OTL-ről párat.
Tim Mellow-s Otl-hez visszatérve, sokan vissza akartak tartani az OTL-ek megépítésétől. Hogy asszondja drága, sokat eszik, meg nem is jó, meg mindenféle....persze tapasztalat nélkül.
Sikerült megcáfolnom a rossz hatásfokot is, kimértem, persze nem jó, de nem is olyan rossz. Lényegében megmértem a PP csövesem és az SE csövesem teljesítményfelvételét, és persze az OTL-nek is. 35-40w-os kiterhelésen sem volt több 300-350 w a teljes kakaófelvétel sztereóba. Úgyhogy nem kell erőművi trafó a tápba sem. Nos igaz hogy egy átlagos PP vagy SE csak 80-120w kakaót eszik de ügye ehhez 8-10-15w kimenő teljesítmény megy csak ki. Tehát arányaiban ugyanott vagyunk, nem rosszabb a hatásfok egy átlag PP-nél (kb. 25%).
Az ára pedig 60-70e-ből alapban megvan (igaz ingyen fabrikáltam dobozt), kisebb fejlesztéssel pl. TFK ECC83-al felturbózva meg éteri hangot lehet kapni. (fejlesztésekkel 100e-re feltornáztam az árát.)
Feszes, valósághű, dinamikus részletes, és kellemesen meleg hangja van, nemigen tudtam rosszat találni a hangjában. A torzítása kellően kicsi, még felső teljesítmény tartományban is. 20 év után mindenféle erősítők építése után, úgy néz ki ez marad most már, még a legjobb kimenőtrafós csöveseknél és tranyósoknál is jobban bejön a hangja. Nem lehet lecuppanni róla, nem is építek több erősítőt egyenlőre
Sziasztok!
A 4*150V-os szekundereket elég 0,63-as drótból tekerni? Szerintem 1mm-esből nem fér rá a vasra mind a négy. |
Bejelentkezés
Hirdetés |






. Hihetetlen jó hangja van, remek dinamika erős mélyek, a magasok is rendben. Gondom, hogy nem fér már a trafóra még két 110V-os szekunder. Illetve a csövek fűtésének megoldása. Egyenlőre sorosan, áramgenerátorral fűtöm a csöveket, valószínűleg ez marad a végleges megoldás. Párhuzamos fűtésnél 12,5A kellene oldalanként, szerintem ez nem kis hőt termelne az egyenirányítás során. 









