Fórum témák

» Több friss téma
Fórum » PC táp átalakítás
 
Témaindító: kand, idő: Nov 13, 2005
Lapozás: OK   141 / 200
(#) djhans válasza sector99 hozzászólására (») Szept 21, 2013 /
 
Ebben nincsen áramkorlát.
(#) sector99 válasza djhans hozzászólására (») Szept 21, 2013 /
 
Ok, akkor ezek szerint nagyon kell vigyázni a túlterhelésre, rövidzárlatra stb.
(#) norbi97 hozzászólása Szept 21, 2013 /
 
Sziasztok!
Mi lehet a probléma, ha a 12v-os ágakon 8v-ott mérek?
(#) djhans válasza sector99 hozzászólására (») Szept 22, 2013 /
 
Szia!

Igen, vigyázni kell. Elvileg a meghajtó trafó egyik tekercse, amin a főtrafó árama áthalad, megóvja rövidzár esetén de én azért nem próbálom ki. 18V-hoz elvileg elég ha kicseréled az 5,6K ellnállást 10K-ra.
(#) djhans válasza norbi97 hozzászólására (») Szept 22, 2013 /
 
Melyik kapcsolásról van szó?
(#) djhans válasza Ge Lee hozzászólására (») Szept 22, 2013 /
 
EI39-es PC táptrafó szerinted elé lenne vagy keressek nagyobbat?
(#) djhans hozzászólása Szept 22, 2013 /
 
Sikerült véletlenül rövidre zárni a 12V 20A-es tápot. Ez lett az eredménye:

13007.jpg
    
(#) pipi válasza norbi97 hozzászólására (») Szept 22, 2013 /
 
Hali!
At vagy atx? Terhelve vagy terheletlenül?
Én kondikra gyanakodnék. Szétszedted? Belenéztél?
(#) Doncso válasza djhans hozzászólására (») Szept 22, 2013 /
 
Szerintem nem ártana benne hagyni az áramkorlátot mint a fix tápban, csak átméretezve, vagy egy biztosítékot bele tervezni. áúú
(#) _vl_ válasza (Felhasználó 13571) hozzászólására (») Szept 22, 2013 /
 
Tranyó volt az valamikor, de ebben az állapotában már funkcionálisan ekvivalens a FET-tel
(#) djhans válasza Doncso hozzászólására (») Szept 22, 2013 /
 
Igen, lehetne. Új nyákot kell akkor terveznem.
(#) norbi97 válasza pipi hozzászólására (») Szept 22, 2013 /
 
Atx tápról van szó terheletlenül mérek rajta ennyit szétszedtem belenéztem nem tudom mi lehet a probléma kondik nincsenek fel fújódva panel nincs megszakadva sehol .
(#) Doncso válasza djhans hozzászólására (») Szept 22, 2013 /
 
Akkor dobj be egy autó biztosítékot, ami 20A-es, csak oda kell forrasztani.
(#) djhans válasza Doncso hozzászólására (») Szept 22, 2013 /
 
Igen, ezt most megtettem. De szerintem a tranyó gyorsabban elszáll mint a bizti.
(#) Ge Lee válasza djhans hozzászólására (») Szept 22, 2013 /
 
Ezt így fejből meg nem mondom hogy belefér-e a szükséges mennyiségű huzal. Ha nem, akkor feljebb kell vinni a frekit, és akkor biztos. Azért 80-90kHz-nél feljebb ne menj ezzel a tranyós megoldással.
(#) Ge Lee válasza djhans hozzászólására (») Szept 22, 2013 / 1
 
Abban biztos lehetsz. Olyan nagy költség az a sönt meg az a plusz 3-4 alkatrész? Megspóroltál néhány ellenállást, ezzel sikerült eldurrantani 2 tranyót. Megérte.
(#) djhans válasza Ge Lee hozzászólására (») Szept 22, 2013 /
 
Tudom hogy kellett volna a védelem. A 40A-es változatba már teszek valamilyet. A legkisebb kapható ellenállás 0,1 ohm ha abból teszek 10db-ot párhuzamosan az 0,01 ohm. 40A-nél 16W alakul hővé rajta ami nagyon sok. Lehet hogy inkább valami áramváltó kis trafó kellene a primer körbe. Annak a szekunder részén egyenirányítani a feszt és bevezetni az 494-es másik hibaerősítőjébe.
(#) bundyland válasza djhans hozzászólására (») Szept 22, 2013 /
 
(#) sector99 válasza djhans hozzászólására (») Szept 22, 2013 /
 
Na igen...Az ilyen látványt szeretném elkerülni, ezért csak valamilyen védelemmel fogom megcsinálni.
(#) Doncso válasza bundyland hozzászólására (») Szept 22, 2013 /
 
Na igen, ennek az egy ellenállásnak pont annyi az ára, mint 10 ilyen tápnak..
A hozzászólás módosítva: Szept 22, 2013
(#) _vl_ válasza djhans hozzászólására (») Szept 22, 2013 /
 
Nincs előttem a kapcsolási rajzod, de nem a primer oldalon van az áramkorlát? Oda csak nem kell 40A, vagy ha igen, akkor meg el lehet viselni a 16W-ot.
(#) buburobi hozzászólása Szept 22, 2013 /
 
Sziasztok!
Tudom furcsa így vasárnap este, "enyhén iluminált" éllapotban az egyik cimbivel az jutott eszünkbe, hogy: mi lenne ha, egy szabályzóval, külön meghajtó tranyó párral, stb... több (a szórástól eltekintve) egyforma trafót hajtanánk... amik végül egy feszültséget/áramot szolgáltatnának... Vajon életképes lenne? Most nem a kezdők hozzászólásait várom...
A hozzászólás módosítva: Szept 22, 2013
(#) Doncso válasza buburobi hozzászólására (») Szept 23, 2013 /
 
De mi a cél? Nagyobb áram párhuzamosan kapcsolva , nagyobb fesz sorosan, vagy szimmetrikus kimenet?
(#) eSDi válasza djhans hozzászólására (») Szept 23, 2013 /
 
Idézet:
„Lehet hogy inkább valami áramváltó kis trafó kellene a primer körbe. Annak a szekunder részén egyenirányítani a feszt és bevezetni az 494-es másik hibaerősítőjébe.”


Üdv!

Amit én átalakítottam AT tápot, abban pont ilyen volt, csak a DTC-t tiltotta le. Valahol még meg is van a kapcsolás, amit összehoztam, mert nekem csak a túláramot kellett figyelni és ebbe a részbe volt bekötve a többi fesz is. Előkeresem...
A hozzászólás módosítva: Szept 23, 2013
(#) sector99 válasza eSDi hozzászólására (») Szept 23, 2013 /
 
Ez engem is érdekelne... Köszi !
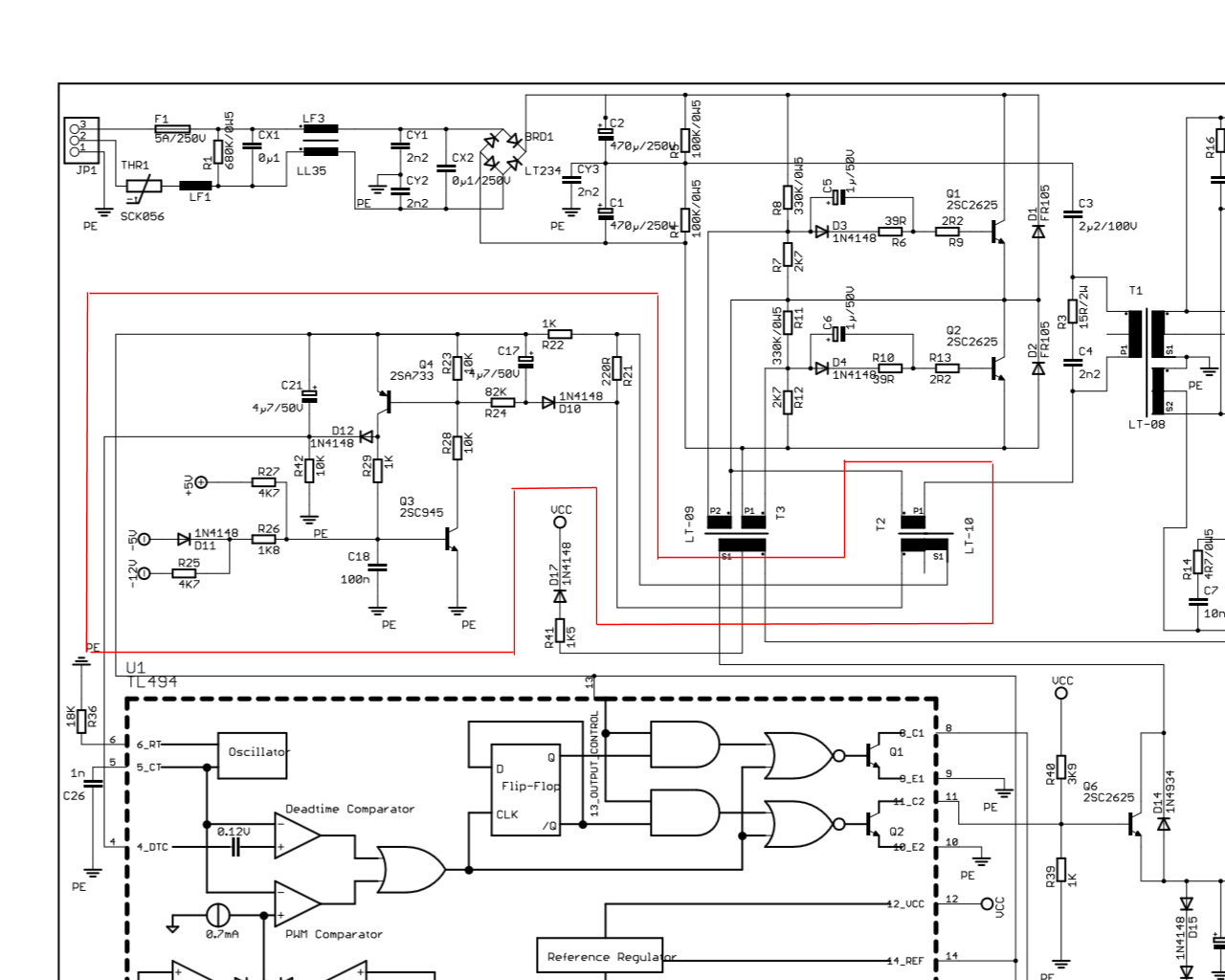
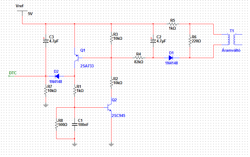
(#) Ge Lee válasza sector99 hozzászólására (») Szept 23, 2013 / 1
 
Csatolok két ilyen rajzot is. Az első maga a PC táp, a másik már át van alakítva fetes meghajtásúra, és a szekunder végfok táplálására. Ez az áram szabályozására nem a legjobb megoldás, de rövidzár védelemnek megteszi.
A hozzászólás módosítva: Szept 23, 2013
(#) eSDi válasza sector99 hozzászólására (») Szept 23, 2013 /
 
Az első képen pirossal bekereteztem, hogy mit kell átalakítani. A második pedig maga a kapcsolás ami az enyémhez jó lett. Az áramváltó trafó paramétereit nem tudom, illetve csak annyit, hogy a primer az 1 menet és, ha jól mértem akkor a olyan 8V~ körül kapcsolt az áramkör. Pontosan nem mértem meg, a nekem kellő áramot leadja a táp, rövidre zárva viszont azonnal lekapcsol. És végül pedig a Multisim11 fájl, ha valaki szimulálni is szeretné...
(#) sector99 válasza Ge Lee hozzászólására (») Szept 23, 2013 /
 
Köszönöm !
(#) sector99 válasza eSDi hozzászólására (») Szept 23, 2013 /
 
Köszi, hogy megkerested ! Azt a 8 V-ot hol és mikor mérted ?
(#) buburobi válasza Doncso hozzászólására (») Szept 23, 2013 /
 
Igazából nagyobb áram és több különböző fesz.
Következő: »»   141 / 200
Bejelentkezés

Belépés

Hirdetés
XDT.hu
Az oldalon sütiket használunk a helyes működéshez. Bővebb információt az adatvédelmi szabályzatban olvashatsz. Megértettem