Fórum témák
» Több friss téma |
Fórum » PC táp átalakítása akkutöltőnek
Témaindító: Sarok Adrián, idő: Nov 9, 2007
PC táp és nem szabványos feszültségei vannak? Azért gondolom, a +5VDC és a +12VDC azért meg van... Valami Dell, Fujitsu, HP, stb...lapos kompakt gép?
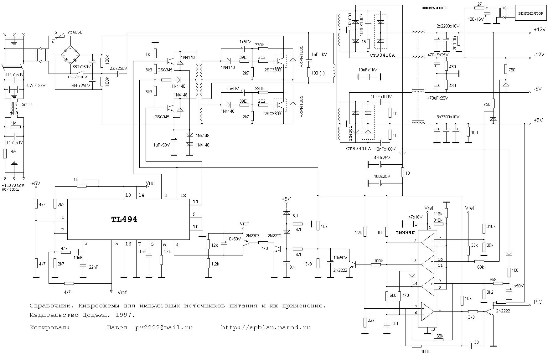
Szerintem is tökéletes alany. 200W összteljesítmény is sok mindenre elég lehet. Érdemes a TL494 adatlapját és egy hasonló PC táp rajzát magad elé venni és tanulmányozni. A szekunder oldalon elég sok mindent ki kell majd venni, de óvatosan, nehogy valami szükséges is kiessen. A szabályozhatónál akár a trafó testpontot is módosíthatod, hogy dupla feszültséged legyen. A lényeg, hogy TL494 megfelelő tápot kapjon és meg legyen a visszacsatolás. ATX tápoknál a TL494-nek a STBY adja a feszültséget, de ahogy beindul a nagy táp, rádolgozik. Van amelyiknél ilyenkor nagyobb feszültséget kap. Ezt a szabályozhatónál át kell alakítani. Ha kimenetre 12V-nál nagyobb feszültséget akarsz, akkor a puffereket is cserélni kell. Valamint a diódákat is meg kell nézned, mivel az 5V-os ág diódái nagyobb áramúak, de kisebb feszültségűek, mint a 12V-os ágé. Negyvenakárhány V-nál már gondok lennének velük. A hozzászólás módosítva: Dec 27, 2023
Hát én nem gondoltam, hogy ilyen azonosítóval találatot kapok. Minden mást beírtam a keresőbe de ezt nem.
Köszönet érte.
Szia! Ehhez hasonlót vagy talán pont ezt építettem meg. Bővebben: Link
A hozzászólás módosítva: Dec 28, 2023
Szia! Azért írtam, hogy nem szokványos ez a táp, mert ha ránézel a kimenetekre akkor ott nem találni +3.3V és +5V sem. A kék szálat (-12V) és a fehéret (-5V) azt már kiforrasztottam, hogy nem kell. A (PG) narancs szín azt nem tudom, hogy mi volna. Ha felismerné valaki erről a belsőről, hogy melyik kapcsolás ismerhető fel benne az segítene abban, hogy melyik kondenzátorokat kell cserélni és mely alkatrészek nem kellenek. A 7905 sem kell szerintem legalább is ilyen kimenet nem kell ha szabályozhatóval próbálkoznék. A BYW51 duál az biztosan szükséges. A diódák többsége 1N4148 de a plasztikok azok kiforrasztás után ismerhetők fel, mert mind lefelé van fordítva és a zenerek sincsenek külön jelölve, hogy melyik volna az. Lehet, hogy keresek egy felismerhető felépítésűt és majd azzal jövök vissza kérdezősködni ha elakadok.
Szia!
+3,3 V azért nincs, mert ez még nem ATX táp, hanem AT. Szerintem a +5 V-os kimenet alkatrészeit, és vezetékeit már valaki kiforrasztotta, ezért nem látod. Nem látni a feliratot a panelen, a ráhajtott vezetékek miatt, de szerintem a szélső sor a +5 V-os kimenet. A PG (Power good) neked nem szükséges az átalakított táphoz. Ha jól emlékszem, van valami hasonló, megnézem a műhelyben, ha lent járok, talán a rajza is le lett mentve.
Szerinted nem szokványos, mert túl kevés tápot láttál eddig. A két hosszú IC környéke sok táppal pontosan megegyezik. A fekete diódák FR101, PR101, esetleg más jelölésű gyors dióda. Ezek állítják elő a -5 és -12 V-ot. Már régen, ennek az AT körszakban készült tápnak az idejében is gyártottak olyan alaplapot, amin helyben állították elő a kisebb feszültségeket. Akkor még nem használták a 3,3 V-ot. Milyen jel van a narancs szál mellett? Éppen takarja.
Innen senki nem fogja megmondani, mit kell kivenni, cserélni. Az ezrével fellelhető AT tápok rajzai alapján kell kitotóznod, mi hova megy, mit csinál. A panel alsó felvételéből ki lehet bogarászni, ha találsz nagyon ráérő emberkét. Legfeljebb azt tudjuk megmondani, hogy a Tl494 melyik lábai lényegesek. De nem úszod meg a külső segédtápot. Legegyszerűbb régi telefontöltő vagy DSL modem trafójából, ha szükséges feszültségkétszerezéssel (Villard) előállítani 12-15 V-ot. Nem kell, hogy stabil legyen, de nem árt.Segédtáp nélkül lefelé nem tudod vinni a feszültséget, mert bizonytalanná válik a meghajtás.
Ezek kb. hasonlóak, a nálad lévőben van 7905, 7912 stabilizátor.
Közben megtaláltam a tápegységek rajzainak gűjtőhelyét és igen az első kapcsolás hasonlít a legjobban a nálam lévő darabra. Néztem egy-két megoldást, hogy hogyan lehet szabályozhatóvá tenni a "kimenetet" és úgy oldja meg az egyik esetben, hogy 50kΩ-os potméter két szélére köti a GND-t és a sárga (+12V) kimenetet és a csúszkát köti a "leválasztott" TL494 1. lábára. Így a kék (-12V) és a sárga(+12V)-os szálak között cca. 5V-tól majdnem 30V-ig lehet szabályozni a feszültséget. Bővebben: Link
![]() Találtam két tápegységet is amikben nem ezek a TL494 és LM339 van hanem az egyikben egy SDC606P PWM vezérlő és HS8108B van a másikban csak egy 2005Z van. Ez utóbbihoz is vannak megoldások a videóportálon. Hát még nézelődök egy kicsit.
Igen a panel szélénél voltak a +5V-os táp piros vezetékei amiket kiforrasztottam és a kondenzátorokat cserélni kell, mert púposak voltak. Gondolom a +5V-ra szükség van ha a vezetékeire nem is.
Idézet: „Gondolom a +5V-ra szükség van ha a vezetékeire nem is.” A szabályozhatóhoz nem igazán. A lényeg mindben kb hasonló. Van ahol a TL494 mellett van műveleti erősítő, van ahol nem raktak külön. Itt az oldalon fent levő "labortáp" rajz jó, működik. Csak a gyomlálásnál kell ügyesnek lenni, meg a TL494 táplálásánál. Illetve én a trafó 2 végét használom graetz-el, így szinte nullától 43V-ig tudom szabályozni, persze a vége már nem terhelhető túlságosan. Összességében használható táp, széles tartományban szabályozható és áram szabályzás is van. A primer oldali szabályzás miatt nem annyira precíz és gyors és a DC OFF sem oldható meg olyan szépen, mint egy rendesnél, de ezért kárpótol az, hogy ezt házilag gyakorlatilag a semmiből lehet előállítani. Csak a szabvány PC táp doboz lenne egy kicsivel nagyobb.
Sajnos, már a lépcsős 386-os dobozokat, az XT tápházakat meg egy tényleg hatalmas AT szerver táp dobozt régen kiszórtam.
Van még 2 lépcsős régi dobozosom, az egyik már évek óta át van alakítva fix 13,8V-osra. De az meg elég ormótlan. Sima ATX-be gyömöszöltem be egy szabályozhatót, finomszabályzókkal.
Csak a 230V-os kapcsoló van hátul...Majd rakok fel egy képet egy olyanról, ahol eldobták az agyukat a tervezők. Idézet: „Majd rakok fel egy képet egy olyanról, ahol eldobták az agyukat a tervezők.” Tudnám sorolni a példákat.
Mi lenne ha dcdc tapot kotnel utana?
Ebbol a legnagyobb aramu fix feszultseget hasznalod bemenetnek. Majd utana abbol csinal a dcdc valtoztathato tap barmit amit aramre es feszre tudsz szabalyozni. A rajta levo trimmereket kulso potikra cserelve. Kozel 0-30 50 V es 0-5 10 Amperes modulok is vannak. pl hestore vagy barhonnan hasonlo masik hasonlo Ha meg kell fix 5 12 -5 -12 kisebb terheleshez azokat is kirakhatod fixen a hazra. A hozzászólás módosítva: Jan 3, 2024
Ez is működhet, de minek, ha a PC tápot minden külső panel nélkül át lehet alakítani szabályozható "labortáppá"?
Itt egy gyöngyszem. Az első képen még semmi fura, a másodikon már látszik, hogy nem sima ügy, a harmadikon aztán már volt dolga a lakatos brigádnak.
Mivel nincs olyan tápegységem amiben kiismerném magam a rajzok alapján így "Kera_Will" ötletére gondoltam, hogy megvalósítom. A szomszédból rendeltem egy ilyen DCDC átalakítót ami nekem megfelelő lesz az elvárásaimnak. Építek bele egy ilyen USB töltőt is. Egy ilyen felépítésű tápegység van most kéznél amivel próbálkozhatok, remélem sikerül összehoznom belőle valami értelmeset. Majd kérdezek ha elakadnék valamiben.
Kb. duplájáért kapsz automata akkutöltőt, kijelzővel, csipeszekkel (amit szintén meg kell venni valahol), dobozban. Talán még olyan is akad, amiben USB töltő is van. Méretre, súlyra töredéke, nem kell gondolkodni, bütykölni, több kacatot összevariálni. Házi barkácsnak akkor lenne értelme, ha mindent meg tudnál csinálni, vagy éppen a tanulás miatt szórakoznál vele.
... de én egy kicsit eltérnék a topik címétől ebbe az irányba.
Írtuk már, hogy az az egyik legegyszerűbb és leggyakoribb táp típus. Bőven találsz rajzot, ami majdnem vagy teljesen megegyezik vele.
Sziasztok! Amiről már érdeklődtem felőletek a pc tápokkal kapcsolatban, hozzá jutottam egy ATX táphoz ami egy működő gépből lett kimentve, 2005Z az vezérlője. Ezt a videót néztem meg aminek az átalakított blokkvázlata a 7.43-nál van. Beszereztem hozzá egy ilyen DC-DC konvertert, egy USB csatlakozást és egy 10A-os kijelzőt. A kijelzőimben (mert, hogy kettő is van) SMD ellenállás van huzal helyett. Hát én nem tudom, hogy hogyan fogja elbírni a nagyobb áramokat, pedig 10 amperosnak adták el és azt írták, hogy sönttel van, mert a nélküliekhez venni kellett volna söntöt de mivel nem mutatták hátulról a kijelzőt így én azt nem láttam, hogy ez ilyen megoldású. A másik dolog a DC-DC átalakítóban vannak a helitrimmerek amik 10kΩ értékűek. Nekem is van kettő de az egyik az 20kΩ-os. Az átalakítóban úgy is az egyik potméter az csak két ponton van bekötve, így gondolom nem volna probléma ha oda a nagyobb értékűt tenném be vagy csináljam meg úgy a potmétert ahogyan a videóban mutatja, hogy a kiforrasztott helit ráapplikálja egy mezei potméter hátuljára. Nem volna gond megoldanom, mert már annak is összeszedtem a hozzávalókat, mert a 20kΩ-os heli az háromszor akkora, mint egy normál méretű potméter de a skálája a pöpec kiosztású.
Ha elakadnék valahol az összeépítés során majd jövök és kérdezek de ha már most is van olyan dolog amire figyeljek oda az összeszerelésnél, szóljatok nyugodtan. A képeket majd mindjárt felrakom a telefonról, mert onnan könnyebb nem úgy mint egy linket.
A képek.
Szia!
Átolvastam többször is, de nem sikerült rájönnöm, hogy Te most mit is szeretnél építeni? Akku töltőt, vagy egy tápegységet, aminek állítható a kimeneti feszültsége. Az előbbihez szerintem nem kell ez a sok kiegészítő, legfeljebb a kijelző modul, beállítod a PC tápon a kimeneti feszültséget pl. 14,4 V-ra, és töltöd az akkut. Ha tápegység a célod, akkor át kell alakítani a PC tápot, hogy a kimenő feszültsége legyen pl. 24 V, és azt szabályozhatod a DC-DC konverterrel, amit vettél. De ha már úgyis bele kell nyúlni a PC táp szabályzó körébe, akkor nem egyszerűbb, ha azt alakítod át szabályozhatóra? (A kijelző miatt nem kell aggódni, a mostaniak ilyen sönttel készülnek.)
Szia! Hát sajnos vagy nem de itt ragadtam ezzel az ATX táppal kapcsolatos felvetésemmel de ha moderátorok átollózzák a megfelelő helyre akkor ott leszek. A kapcsolást azt úgy oldotta meg a készítő, hogy a +12V és -12V-os kimenetet kötötte a DC-DC bemenetére és úgy lett neki 24V-ja.
Szerintem beszéltük már, hogy a PC táp vezérlését átalakítva ugyanúgy állítható lenne a kimeneti feszültség és áram.
A sönt max 1W-ot kell eldisszipáljon, 10A-nál esik rajta 100mV, mármint a 0,01Ω-oson. Valószínűleg viszonylag ritkán lesz tartósan 10A-el csapatva.
Említetted itt a kimenő feszültséghez való átalakítást amire én a videóban szereplő megoldást találtam DE a -12V az a diódák miatt (ami abban a negatív ágban ehhez a részhez tartozik) csak 0.8A terhelhetőségű. Ha meg lehetne azt csinálni, hogy ezek helyett kis áramú diódák helyett betenni egy olyan nagy duált (Schottky-t) mint pl. F12C20A-t és az FR157 helyett is nagyobb áramút, hogy jobban terhelhető legyen a 24V-os kimenet az jó lenne. Nem akarom kihasználni a teljes áramerősséget, megelégednék 3 max. 4A-ral is. A diódát sem tenném hűtőbordára. A rajz alapján gondoltam erre de ha más átalakítást kell csinálni abban kérném a segítségedet.
Ez a táp nem a legjobbak hírében áll így nem sajnálom de kidobni sem akarom, talán azokkal a kiegíszítőkkel amiket hozzá teszek és bedobozolom, talán használható lesz.
A panelen ezek a diódák így vannak beépítve amiket kicserélnék ha lehetséges ez a megoldás.
Szia!
Ha a mellékelt rajz szerinti a tápod, akkor szerintem nem ilyen egyszerű az átalakítás fix 24 V-ra. Az AT2005 (ha jól értelmezem az adatlapját) az 5-ös lábon figyeli a +12 V-ot is túlfeszültség védelem miatt, talán egy feszültség osztóval a +24 V is ráköthető. A 2-es lábon szintén ott a leosztott +12 V a szabályzás miatt, itt módosítani kell a két ellenállás (R44, R45?) értékét, illetve a 6-os lábról leválasztani a -12 V-ot.
Kértem, hogy helyezzék át ide az általam felvetett pc táp ilyen módon való átalakítását. Segítségedet előre is köszönöm de bárki aki hozzá akar szólni bármilyen ötlettel a fentebb említett felvetésemhez örömmel fogadom, mert nem vagyok benne jártas (mármint a pc tápegységek lelkivilágában és hogy mit lehet belőlük kihozni).
|
Bejelentkezés
Hirdetés |




Köszönet érte.




A panel alsó felvételéből ki lehet bogarászni, ha találsz nagyon ráérő emberkét. Legfeljebb azt tudjuk megmondani, hogy a 























