Fórum témák
» Több friss téma |
Fontos: PICKit2 klón építése tanácsok
Ha van feedback akkor erzekelnie kell a fw-nek, hogy nem sikerult a 3.3V-ot beallitania, es kajabalnia kell a hiba miatt. Akkor is kajabal a PicKit2 fw-e, ha mas gond van a Vdd-vel, nekem jopar cuccomnal felfedezett igy a PicKit2 aramkori hibat - ezert lenne jo a Feeback line-t valahogy meghagyni.
Ja, igen, így értem már, mi a gondod.
Egyébként éppen egy ilyen eseten morfondíroztam ebéd előtt. Ekkor viszont elég beépíteni a Vdd-re épülő clamp áramkört a tranzisztorokkal, és mivel a Vdd-t a külső áramkör megfelelő értéken tartja, így a clamp áramkör anélkül is tud működni, hogy a változtatható feszültségforrást megépítenénk. Arra a következtetésre jutottam, hogy ebben a felállásban elég univerzális maradna az utánépített PICkit2, egyedül az lenne az extra követelmény a használatával kapcsolatban, hogy olyan eszközt, ami nem tűri az 5V-ot, csak külső tápegység mellett lehet kezelni vele. Jól gondolkodom?
A feedback műkszik továbbra is, ez ettől független.
Aztán meg honnan tudná hogy milyen PIC van a túloldalon, ha nem kapcsolja be előbb a Vdd-t és nem néz rá a vonalra? Egy 2V-os áramkör eddigre kiakadt. Tudom aki ért hozzá előtte beállítja a feszt, meg a kérdéses PIC-et is. De szerintem bárkivel előfodulhat, hogy ezt elfelejti, ill. azt gondolja, hogy úgy is érzékeli a program, hogy a külső táp be van kapcsolva, nem kapcsolja be a sajátját. A én megoldásommal egyszerűen nem lehet tönkretenni semmilyen áramkört, még véletlenül sem.
Nem kell külső táp, mert a Vdd 5V-ja bemenne a regulátoraira(ugyanúgy, mint eddig, csak nem a PIC táplábára, kivéve az 5V-os rendszereket, ahol semmi dolog nincs, csak az 5V-ot visszaküldeni a clamp-ra)).
Az egyetlen kitétel, hogy a regulált feszt vissza kell vetetni a clamp áramkörre. Ha nem vezeted vissza, nincs semmi baj, csak nem fog égetni, mivel nem lesz a kimeneten jel.
Egyébként amondó vagyok, hogy az AUX-ra sincs semmi szükség. Van aki már használta valamire?
Gondolom, már elegetek van, hogy szinte mindent kidobálok belőle, de ha meglátjátok mekkora lesz és hogyan lehet majd használni, akkor biztos tetszeni fog! Idézet: „Aztán meg honnan tudná hogy milyen PIC van a túloldalon, ha nem kapcsolja be előbb a Vdd-t és nem néz rá a vonalra?” De ez problematikus az eredeti PicKit2-vel is... A readme-t ha nezed le is irjak, hogy amennyiben 3.3V-os pic-et teszel ra, akkor meg mielott ratenned allitsd be a csaladot (pl. 24HJxxx) es vedd le a Vdd-t 2.5 korulire, majd csak ezutan csatlakoztasd a celaramkort vagy headert. Amugy nem tudok mit mondani erre, ha van egy 3.3V-os PIC-ed amire rateszel egy regulatort meg PGD/PGC vedelmeket, akkor ki lehet probalni mit csinal ra a PicKit2 ha a Vdd nem valtozik neki. Ha pedig kiakad, akkor meg kell probalni manualisan felvinni +5-re a Vdd-t, hogy akkor hajlando-e firkalni a PIC-et (megnyugszik-e attol, hogy manualisan felvitted a Vdd-t amit mar el kell fogadni a a feedback szerint is). Idézet: „Arra a következtetésre jutottam, hogy ebben a felállásban elég univerzális maradna az utánépített PICkit2, egyedül az lenne az extra követelmény a használatával kapcsolatban, hogy olyan eszközt, ami nem tűri az 5V-ot, csak külső tápegység mellett lehet kezelni vele.” Szerintem jol gondolod, de ugyanugy, mikor vissza vezeted a 3.3V-ot a 10 ohmos jatek megvan, szoval azt nem lehet kihagyni - hacsak nem arra apellalsz, hogy a celaramkorben a vedelem ott kell legyen... de megmondom oszinten, inkabb egy db programozoban legyen PGD/PGC vedelem mint minden egyes armkoromben kulon-kulon - hisz mikor portnak hasznalom amugy is 5V tolerans. Idézet: „Gondolom, már elegetek van, hogy szinte mindent kidobálok belőle, de ha meglátjátok mekkora lesz és hogyan lehet majd használni, akkor biztos tetszeni fog!” Ha a specifikacioba azt is beteszed, hogy csak low voltage programmable chipeknel mukodik, akkor meg a Vpp pumpat is kihagyhatod Idézet: „De ez problematikus az eredeti PicKit2-vel is...” Hát persze, ezért nem követem a példát. Idézet: „akkor ki lehet probalni mit csinal ra a PicKit2 ha a Vdd nem valtozik neki” Én a visszacsatolt Vdd-t kötöm 4,7k-val az RA1-re. Így a program teljesen ki lesz elégítve, mert a felismert típushoz tartozó tápot fogja látni. Bekapcsoláskor lehet, hogy nyekeregne, ezen még gondolkodom.
Erre már reagáltam és itt is nyomatékosítom, hogy nincs szükség külső tápra.
Nem is értem miért gondoltátok az ellenkezőjét, próbáltam jól kifejteni!
Azért azt az egy tranyót és tekercset nem hagyom ki!
Mellesleg igyekszem a teljes és hasznos funkcionalitást megtartani, csak a feleslegeseket dobom ki. De tényleg az AUX-ot használta már valaki valamire? Idézet: „Erre már reagáltam és itt is nyomatékosítom, hogy nincs szükség külső tápra.” Most per pillanat en is elvagyok a PicKit2 tapjaval, de ez csak azert van mert egyik aramkorom sem zabalja le. Ha lenne valami nagyobb fogyasztasu cuccom, vagy valamiert az USB vacakolgat, akkor igenis szeretnem ha lenne kulso tap lehetosegem ![]() Mit is szamoltatok, mennyit vesz fel a PicKit2 onmagaban (iras / futtatas / debug modokban egyarant) es akkor ehhez kepest mennyi az a max amit egy celaramkor felvehet hogy az meg beleferjen az USB specifikacioba?
No, itt egy "kép", sajnos csak mobilos, de a méretarányok látszanak ezen is.
Az egységnek a programja kalibráló pontjával "5V only!" id-t adtam, így ez látszik a progi fejlécében is Idézet: „Most per pillanat en is elvagyok a PicKit2 tapjaval, de ez csak azert van mert egyik aramkorom sem zabalja le. Ha lenne valami nagyobb fogyasztasu cuccom, vagy valamiert az USB vacakolgat, akkor igenis szeretnem ha lenne kulso tap lehetosegem” Ennek semmi akadálya nincsen a terveink szerint. Simán lehet külső tápos is! USB specifikáció szerint alap 100mA, de nekem simán megy minden macera nélkül 500mA, potyo pedig 4A-ig terhelte! Szóval erre nem tudok válaszolni!
Tök jók azok a telifuratos próbanyákok!
A tekercs gyári 680uH-s? Idézet: „Simán lehet külső tápos is! USB specifikáció szerint alap 100mA, de nekem simán megy minden macera nélkül 500mA, potyo pedig 4A-ig terhelte! Szóval erre nem tudok válaszolni!” Nade akkor viszont már lehet értelme az alaplapból bontott 50A-es MOSFET-tel kapcsolni a tápot; no azért, mert ténylegesen 4A-t akarbábk kapcsolni, csak mert egy ilyen nagy áramú FET-nek néhány miiliohm a nyitott ellenállása, ami fontos lehet nagyobb terhelésnél.
Nem, tegnap este tekertem kínomban arra az E16-ra, ami ráadásul légrés nélküli, szóval nem ide való. Adatlap szerinti Al alapján számoltam a menetszámot. Megpróbáltam megmérni, olyan 900uH lett, ha jól mértem, és 150mA-ig még nem látszott, hogy telítődne a vasmag. Akartam ma venni valami gyárit, de itt a melóhelyem mellett semmit nem kaptam, el kell majd zarándokolnom a Lomexbe a közeljövőben...
Idézet: „USB specifikáció szerint alap 100mA, de nekem simán megy minden macera nélkül 500mA, potyo pedig 4A-ig terhelte! Szóval erre nem tudok válaszolni!” Na jo, de ez olyan "azon a gepen, azzal az USB chipsettel, azzal a hubbal es amikor a mars a jupiterrel egybe allt" dolog Mindegy, jo lesz ez szerintem, icikepicike pickitkettocske
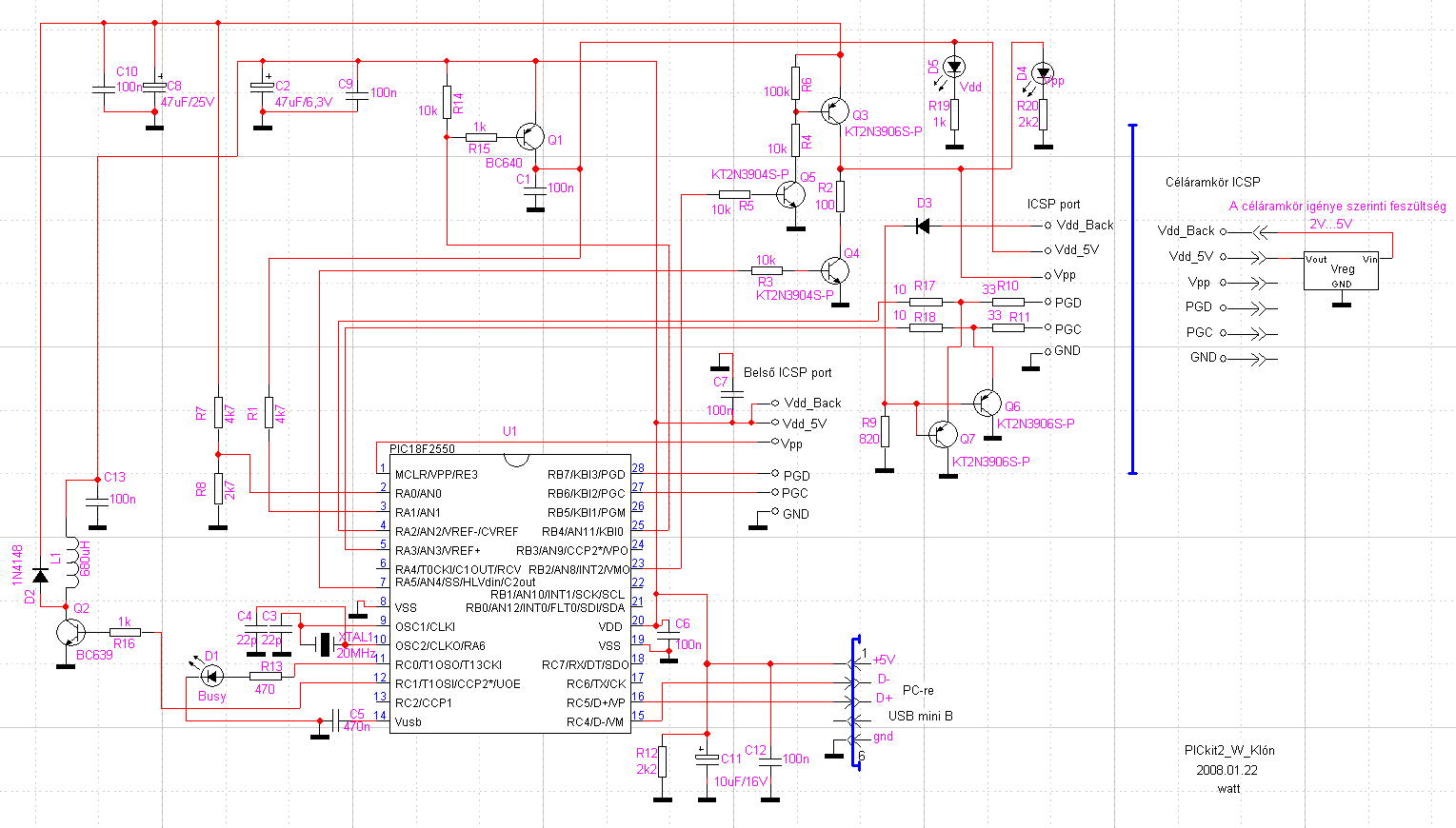
Én is szöszöltem tovább. Egy újabb hibát találtam a szoftverben. Az égetés elkezdésekor, amikor a Vdd-t vizsgálja, túl rövig ideig teszi ezt. Ezért ha a céláramkörben egy nagyobbacska kondi van(mondjuk 200uF) akkor nem képes felállni a vdd azonnal és a program azt jelzi, hogy nincs meg a Vdd!
Ezt bizonyítandó átkötöttem a Vdd-t vizsgáló ellenállást direktben a tápra(tehát nem a kapcsolt Vdd-re.) Ezután érdekes módon jónak vélte már a Vdd. Lenne ezen a progin is mit javítani. Azért 2 tizedet adhatna a Vdd felállásáig! Egyébként a Vdd-t mérve 4,85V! Azt különben egy 18F8520-asnál játszotta el, a házvezérlőm kozponti paneljénél, amin azért van egy két dolog(nem sok azért). Próbáltam csökkentenia Vdd-t kapcsoló tranyó bázis ellenállását, de szerintem 470ohm nak már bőven elégnek kéne lenni. Ennyit a feedback check-ről! A rajz ami most lógóban működik ez: (még nem végleges.)
Á dehogy, ez a 4A nem irányadó!
Én 500mA-t tartom ésszerű értéknek. Erre meg elég kisebb FET is!
trudnai!
A külső táp igényedről még anyit, hogy csak 5V-os rendszerben működhet, hiszen a 2550 is arról megy. Ha azt nézzük, hogy mit szenvedünk a kisebb feszekkel, akkor ez az igény nem nagyon fontos, de azért működik külső tápról is(a Vdd-t kapcsoló pnp tranyó simán elvisel a kollektorán 5V-ot minden gond nélkül, nem szükséges a dióda.)
Én mintha olvastam volna valamelyik gyári írásban a PICkit2-vel kapcsolatban, hogy ne használjunk a Vdd lábon nagy kondit.
Szóval az szerintem egy ismert jelenség és ha belegondolsz, nincs is rá jó módszer, hogy elkerüld. Pl. mi van, ha nem 100-200u, hanem 10000u van ott? Akkor vársz 5 vagy 10 másodpercet, hogy biztosan feltöltődjön? A Vdd-back megoldásod tulajdonképpen nagyon jópofa, de valahogy lehetőséget kellene adni rá, hogy az eredeti PICkit2-vel megegyező legyen a lábkiosztás. Ezt pl. úgy lehetne elérni, ha az esetek 99%-ában nem használt AUX láb helyére tennéd a Vdd back-et, és az áramkörökön jumperrel lehetne átállítani, hogy a Vdd visszakanyarodjon a Vdd back-re, az AUX-ra meg az eredeti AUX (soros 33 ohm-mal) kerüljön. Természetesen ilyenkor csak 5V-os PIC-ekkel lehetne használni. A jumperek másik állásában nincs AUX láb, hanem van helyette Vdd back. Ez két db 3 tüskés jumper vagy egy kétáramkörös váltókapcsoló.
Nem tudom. Én nem törekednék a csatlakozó kompatibilitásra, mert nincs sok értelme. Úgy is egyedi kábelt készít hozzá aki ilyet épít. Mivel másképp működik mint a gyári, nem lenne szerencsés, ha "belemenne" a gyári kábel.
A másik, hogy nem szeretném megtartani az AUX-ot egyáltalán. Nem a két ellenállás+tranyó miatt, hanem inkább amiatt, hogy nem hasznos. Ezért is kérdezgetem, hogy valaki használta e már valamire! Mert ha igen, és hasznos lenne nekem, vagy másnak, akkor beletenném. Idézet: „Szóval az szerintem egy ismert jelenség és ha belegondolsz, nincs is rá jó módszer, hogy elkerüld.” Ez azért erős állítás! A PICkit2-nek problémás panelt, a saját égetőmmel simán égetem! Itt nem másodpercekről van szó, hanem inkább századokról! Elég lenne 2-3tized mintavételi idő is, hogy felálljon a táp. Egyébként ez ellen úgy lehet védekezni, hogy bekapcsolod a céláramkör tápját. A dologhoz tartozik, hogy a check varázslóban a tápot tökéletesnek méri és detektálja, miközben a panelem rajta van! Aztán a Check Communication is bedetektálja a rajta lévő PIC-et. Érdekes nem!? Szóval lehet, hogy a fix Vdd-re fogom kötni a detektort. Még valami a Vdd detektálásról! Ha azért detektálna hibás értéket, mert olyan lassan áll fel a táp, hogy nem lehet égetni, akkor megérteném, de ha fix Vdd-re kötöm a detektáló bemenetet, akkor gyönyörűen éget, olvas ellenőriz! Tehát levonható, hogy ettől jobban is meg lehetne írni a programot. potyo, nézted, hogy az MPLAB honnan szedi elő azt a hex-et amit beletol a PICkit2-be ha megváltoztatod a hex-et?
A PICkit2-höz nem tartozik semmiféle kábel eredetileg. A céláramkörökbe beteszi az ember a 6-os tüskesort, és amikor szükség van rá, akkor a PICkit2-t egyszerűen rászúrja a tüskékre. A PICkit2 élén ugyanis ott a 6-os hüvelysor.
A klón, ha nem tud rámenni az eredeti PICkit2-nek kialakított tüskesorra, akkor mindenféle kábeleket, headereket, izé-mizéket kell hozzá gyártani. Mer nem fogok ezentúl más kiosztású tüskesort beépíteni, akkor ugyanis a gyári PICkit2-t nem tudnám használni vele. Nekem ezért lenne fontos, hogy megmaradjon a kompatibilis kiosztás, Neked meg a 3V-os PIC-ek miatt a Vdd back kellene.
Felmerül egy logikus kérdés:
Akinek van gyári PICkit2-je, az miért építene ilyet? Egyébként én is ilyen rászúrhatóra tervezem, de van ahova nem fér oda.
Nekem sem tetszik az, hogy a lábkiosztás eltérjen a gyáritól. Az ICD2 is ugyanazt a lábkiosztást használja, mint a Pickit2 (ok, itt tüskesor, ott meg RJ van, de az érintkezők sorrendje ugyanaz), szerintem érdemes megtartani a kompatibilitást.
Nekem meg az nem tetszene, ha eltérne az általam eddig megszokott kiosztástól!
De ez nem olyan nagy baj, lesz hozzá kétféle panel!
Igazan egyszeru a megoldas - ill ketto is adodik:
1. Mivel ez sajat epitesu, ki-ki megepitheto maganak ilyen vagy olyan kiosztassal - akar ugy is, hogy egy db pcb terv keszul es azt atkotesekkel lehet customizalni... 2. csinalni kell egy headert is ...a) Ha watt fele kiosztasu az a klon akkor watt->pickit2 ...b) Ha Pickit2 kiosztasu akkor meg ertelemszeruen forditottat 3. Jo hosszu negokabeleket csinalunk minden tuskenek es mindenki oda nyomkodja ahova akarja ![]() ![]()
Ez az átkötéses megoldás nagyon jó ötlet! Természetesen SMD 000-kal! Nem fog látszani semmi abból, hogy két funkcis a beültetés.
Egyébként arra is gondoltam, hogy egy rövid kis panellel lehet fordítót is csinálni. Mindenesetre ez a legkisebb probléma szerintem. Most pl. jól megszívatott, mert az MCLR élt az egyik áramkörömben, és a PICkit2 nem támogatja a felhúzást. Ezért betettem a szokásos dióda 10k párost, és lőn, jól működik a Vdd on-off is, azaz fut a progi! |
Bejelentkezés
Hirdetés |












