Fórum témák
» Több friss téma |
Ez nem PMR, (legfeljebb PAMR) a rádióamatőr topikban érdeklődj.
Köszi megpróbálom!
Sziasztok!
A minap sikerült szert tennem egy Baofeng uv-5r típusú PMR rádióra. Sajnos a kezelési utasítása elég szegényes, nincs benne túl sok dolog leírva. Mivel most ismerkedünk vele, nincs sok tapasztalatom. Csatornát már sikerült rajta beállítani, sikerült szóra bírni a szekszárdi papagájt, csináltunk pár sikeres QSO-t is. Nem tudok rájönni, hogy a beállított csatornákat hogyan tudom előhívni. Tudna valaki segíteni?
Vajon az alábbi RS232-es programozó kábel jó lehet az UV-5R-hez is? Mert ehhez mindenem megvan itthon.
Ez a rádió nem PMR rádió. Ne keverd össze. Kifejezetten kétsávos amatőr rádió. Ha van amatőr engedélyed, tudnod kellene, ha nincs, vitrinbe teheted. Az engedélyezett PMR sávon ez a készülék jogszerűen nem használható.
Bővebben: Link Bár gondolom, ez már meg van. A továbbiakat célszerűbb lenne a Rádióamatőrök topikjában folytatni. A PMR az egy olyan egyszerű adó-vevő, aminek nincs szüksége programozásra.
Üdv Mindenkinek!
Concorde FX 25-nek Valaki tudja a headset bekötését? Illetve PTT gomb megy a headsethez, vagy csak a fülhallgató és mikrofon? Stereo jack a csatlakozója, illetve ide megy a töltő is. köszönöm a válaszokat.
Sziasztok! Tudja valaki a Midland G7 típusú rádió töltőaljzatának bekötését és, hogy sztereo vagy mono jack való bele? Sajnos se kapcsolási rajzot nem találtam, se erre utaló infót. A rádiót töltő nélkül vásároltam, így meg vagyok lőve, főleg, hogy a túrákon nincs mindig kéznél a labortápom
![]() Köszönöm előre is!
Sziasztok!
Ismerősöm idehozott 2 darab Brondi PMR-t. Lemértem a frekiket egy Land Matic f 15 - 1.5 gigáig mérő műszerrel. Bővebben: Link Az egyiken 446. 03798 az 1 csatorna és 446. 12542 a 8-as A másikon-- 446.00851 az egyes, és 446.09547 a 8-as. Így kapta párban őket. Mi a csuda lehet ezekkel? A hozzászólás módosítva: Ápr 18, 2015
Semmi gond, a VCO -t be kell rendesen állítani.
Mármint a PLL - jének a referenciájára gondoltál. Ez többnyire egy kicsi trimmer kondi. Bár ekkora elcsúszást még nem láttam. De lehetséges. VCO-t a PLL bizgeti a benne lévő kontroller parancsai alapján.
Ha a referenciát állítod, (kristályfreki) akkor a csatorna osztást állítod. Kiszámoltam, az hibahatáron bellül jónak tűnik (12,5 kHz). A VCO center frekijének állításával lehet a pontos adófrekit állítani. Ha külön van a vevőnek is, akkor azt is be kell állítani, de ilyen a PMR -ekben nem szokás, a frekiváltást shifteléssel oldják meg.
A hozzászólás módosítva: Ápr 17, 2015
Igen érdekesnek tűnik. Igen változnia kellene a lépéstávolságnak is, de az alapfrekvenciának is. A VCO-t PLL hangolja varikappal, a beállított - az aktuálisan programozott csatornának megfelelően. VCO-nak csak a tekercséhez lehetne hozzáférni, de többnyire leforrasztott, zárt dobozkában lakik. A tekercs jusztírozásával csak a működési sávhatárait, illetve a PLL hangolófeszültsége a változik addig csak amíg zárt a hurok. Így a VCO-t nem lehet állítgatni. Ez a hibát csak a helyes osztásra programozott PLL -el lehet állítani, de a referencia értéke pontossága közvetlenül beleszól. Kicsi a valószínűsége, hogy átprogramozták a PMR-t, de a referencia állíthatósága többnyire mindegyikben benne van, így elcsavargatás esélyes a dolog, előző gazda bűne lehet, vagy kapott valami durva behatást, és az az oka.
Például a referencia legyen 14.4MHz 12.5 KHz lépéshez az R: osztás 1152
Ugyanez a N: osztónál 35680 446MHz hoz, csak így nagyvonalakban. Ezért a nagyságrenddel nagyobb N osztás miatt a referencia frekvencia változása sokkal jobban viszi a végfrekvenciát mint a lépésközt.
A mért értékekből számolva a csatornaosztás 12,49142 kHz re jön ki, ami elég pontosnak tűnik.
Nem ismerem a készüléket, de ez a kristály komolyabb helyeken általában TCXO, azt meg nemigen lehet hangászni, elhangolódni sem szokott. Bizony, a VCO hangászásával lehet a frekit pontosra állítani. Nem tudom, hogy ebben milyen van, ha nem hangolható, akkor lehet mechanikai behatás következménye is akár, de amiket én láttam, azoknál volt hangolási lehetőség. (de ha gondolod, mutatok neked rádiótelefon beállítási utasítást, igaz nem PMR re)
Ebben benne lehet a frekvencia mérés pontatlansága is. Igen, mivel a referencia a fő viszonyítási pont ezért annak a minősége érdekében jobb helyeken TCXO-t vagy jobbat is használnak. De ennek az értéke - stabilitása nem csak a lépésközre van hatással, hanem mindenre. Ha csak a lépés csuszikálna egy kicsit akkor nem kellene komoly oscillátor oda. Elhiszem, hogy vannak speciális esetek, mikor másképp van előállítva a jel... De többnyire egyszerű sémát követnek. A referenciát leosztják a szintézer hurokfrekvenciájáig, ez ad egy fix osztást, ez többnyire nem változtatják, mert erre van méretezve a hurokszűrője. A frekvencia változtatáshoz akár vételi akár adási, a PLL - fő osztóját programozzák kellő értékűre, A VCO frekvenciáját többnyire két lépcsőben leosszák egészen a hurok-frekvenciáig, és ezt hasonlítja a fázisdetektor, és ad egy hibafeszültséget, ami a VCO-t közvetlenül beállítja a számított viszonyított értékre. Így a VCO a hangolófeszültségtől függően állítja a működési frekvenciáját. Egy bezárt PLL -huroknál, mikor benntart az áramkör, akkor a benntartási tartományon belül hiába állítják pld a VCO-tekercsét- trimmer kondenzátorát, mert a behúzott PLL a varikappal kikompenzálja az elpiszkálást. Ez a dolga, köti a leosztott referenciához a VCO-t így teszi stabillá a működését. A referencia meg kvarcpontos, de többnyire állítható. VCO állítása csak a sávhatárokra a működési tartományára van hatással. Ha a PLL- nem tudja kívánt frekvenciára húzni, mert mondjuk már felső sávhatáron megy, pld, 5 Volt hangolófeszültségnél, VCO 172.5MHz a frekvenciája, de a proci 173MHz-ra programoz, amit a VCO már nem tud kiadni, mert a PLL kimenete mondjuk nem ad többet mint max 5Volt hangolófeszültség (kézirádiókban általános helyzet) Akkor kiakad a PLL, mert nem áll be a kívát frekvencia, UNLOCK állapot következik be, amitől jobb helyeken, tiltódik a működése. Ekkor lehet kijebb tekerni a vasmagot, vagy széthúzni a VCO - tekercsét, és megoldódik a működési probléma. Bezár un. lock-ol a PLL és a működés helyreáll.
A példámban, a referencia osztó és a fő osztó között 30 - szoros viszony van, ezért a frekvencia eltérés, a lépésköz és a végfrekvencia között is ennyi a viszonyszám. Ennyiszeres az eltérés a VCO rovására. 1kHz ref. változás 30kHz VCO változást okoz a példám szerint, csak hogy bemutassam az összefüggést.
Köszönöm a hozászolásokat. tanácsokat. Az a hölgy döntése, hogy visszaadja, oda ahonnan kapta. Ezeket valamilyen telepen használták ( De hogy párban nem az biztos) és lehet, ott piszkáltak bele. Minden jót mindnyájatoknak
Hát, igazán nincs mit. Egy próbát megért volna, az elcsúszott frekvenciájúba beletekerés, mert sokat nem romolhatott volna a helyzet már. Többnyire egy - kettő SMD trimmer potméter, és egy trimmer kondenzátor lakozik benne, ez utóbbi állítása, és a frekvencia mérős ellenőrzése valami eredményt hozhatott volna.
Mégis belekukkantottam .
- Semmi hangolási lehetőség nincsen. Se tekercs, se trimmerkondi, se poti ![]() Csináltam néhány képet: * *A tárhelyi képeket kivettem, a válaszablakban van lehetőséged a képeket tallózni! A hozzászólás módosítva: Ápr 18, 2015
Szóval a fotók. ( Köszi Modi
Így már látszik, hogy semmi állítási lehetőség nincsen. Kár így elvérezni a költséghatékonyság oltárán. Fogyóeszköz az egész világ... Nos, látszik, a IMG7427 képen a II.KF 450kHz szűrő mellett a I.KF 21.7MHz alant jobbra a PLL alatt egy 21.250MHz alacsony tokozású kvarc (ez a referencia kavics), meg van ragasztva valami kevéssé bizalomgerjesztő ragaccsal. Ennek a egyik láván szokott lenni smd trimmer kondi, meg többnyire előfordul még moduláció állítási lehetőség is. De ennél semmi. Gondolom a panel másik oldala az üres.
Még a ragacs is lehet bűnös, mert kissé nedvszívó a kötése után. Más öregebb rádiókban is előszeretettel alkalmazták a távol-keleten. Láttam - javítottam olyat, hogy elmart egy alkatrészlábat is, cirka 20 év alatt.
Igen, a másik oldal sima, üres. Szétszedtem a párját is, hátha valaki, valamikor le"pucolta" róla a piciny trimmert, de semmi.
Azt a "masszát " Nem is veszélytelen levakargatni, mert nagyon könnyen viszi magával az alatta levő SMD ket is.
Igen láttam. Ott vannak közel az smd kondik. De mintha gyárilag is hiányoznának onnan alkatrészek. Ép előkotortam egy bontott PMR-t, abban még van ilyen trimmer, sőt poti is. Ennél a kvarcnál a lábain ott a szokott kettő kondenzátor is, és mellette a trimmer is. Sajnos Nálad még a helyét is lehagyták.
A VCO általában egy jól árnyékolt részben szokott lenni, mert ez a legkényesebb rész. Az árnyékoló lemezeken néha található pici lyuk, azon keresztül lehet jusztírozni, már ha van.
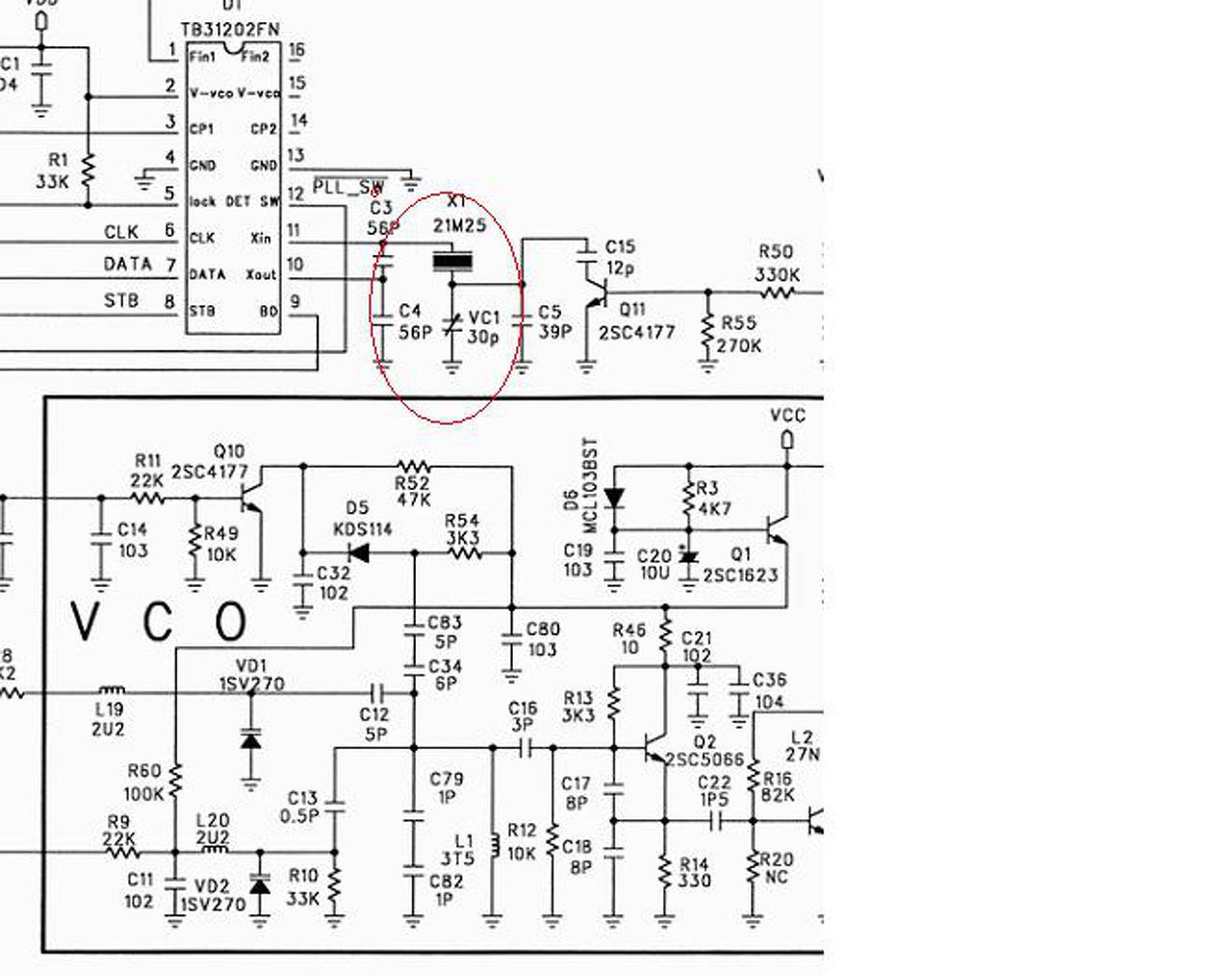
Csatolok egy rajzot példának, hátha segít, itt az L1 a VCO induktivitása.
Kérdezhetek valamit? Csatolt képen bekarikáztam. Ez pontosan mit állít? És mi a globális hatása?
"....Az árnyékoló lemezeken néha található pici lyuk,..."
Ez fiú rádió, semmi lyuk
Az a referencia kvarc. Az a rácsatlakozó tranzisztoros áramkör az tápfesz, és hőkompenzáció. A kvarc alatti trimmer a pontos csatornaosztás beállítására. Persze hatással van a végfrekvenciára is, de nem annak beállítására szolgál, mert a referencia osztó nem változik, nem az állítja a csatornaváltáskor a frekvenciát, hanem a VCO osztója.
Igen ez pontosan így van, a hatása a végfrekvenciára meg a VCO osztója és a referencia osztásának a hányadosa. A VCO pontos végfrekvenciáját (nem a sávátfogását) mivel lehet itt akkor beállítani, ha nem ezzel? A pontos csatorna osztást a referencia leosztása adja, ha a referencia megváltozik 10kHz-el, akkor a csatornaosztás változása is leoszlik a referencia osztásának az arányában. Jelen esetben 1700-ad részben módosul. Eddig gondolom jól tudom. Tanulni szeretnék, kérlek írd le ha nem jó amit gondoltam. 21.250MHz / 1700 (ref.osztó) = 12.5kHz lépés, 446000kHz VCO / 35680 = 12.5kHz ezt a két eredmény fázisát ill frekvenciáját hasonlítja a fázisdetektor a PLL-ben. Ha a ref.kvarc megváltozik 21260kHz re, / 1700 = 12.50588235kHz lesz a 'alap frekvencia ezt szorozzuk 35680 a fő osztóval, mert tudomásom szerint a PLL frekvencia szorzást végez így. Ezért a változatlan osztásarányok mellett a végfrekvencia = 446209.88 kHz re módosul. Ez jelentős változás ha jól számoltam. Persze a példa egyszerűsítéseket tartalmaz, nem számol shift-el meg ilyesmivel mert valójában nem szükséges.
A hozzászólás módosítva: Ápr 18, 2015
Persze 8 csatornánál kis eltérésnem nagy ügy, de 160, meg 200 csatornánál már ez nem jó módszer.
|
Bejelentkezés
Hirdetés |



















