Fórum témák

» Több friss téma
Fórum » Propeller Chip
 
Témaindító: Ardwaark, idő: Ápr 21, 2007
Lapozás: OK   5 / 13
(#) HERC válasza kameleon2 hozzászólására (») Jan 29, 2013 /
 
LONG ban 1xre 8 BCD az ami elférne. de
pl.:
0000_0000_0000_0000_0000_0000_0000_0000
végére berakok egy byteot ami pl 0000_0001 ez igy BCD 1 nek felel meg
a következő byteot csak byte al arrébb tehát 8 bitel tudom berakni de akkor igy nézne ki
0000_0001_0000_0001 ami nem jó mert igy kimarad 4 bit ezért előtte kéne egy ilyen hogy
shift <<4 ekkor igy nézne ki
0000_0001_0001_0000 ami jó mert igy 2 BCD kód már egymás mellett van de!
minden byte berakás elött kell shiftelés viszont 4 szer tudok csak shiftelni mielőtt kiesne az adat az elején nekem meg 5 kéne.
Néztem csak más programját még nehezebb megérteni mint egy sajátot.>>
A hozzászólás módosítva: Jan 29, 2013
(#) HERC válasza HERC hozzászólására (») Jan 29, 2013 /
 
Mondhatnám hogy Heuréka! közben rájöttem
nem balra kell shiftelni hanem jobbra és a byte betöltést nem alsó biteken kell kezdeni hanem felül és akkor a legvégére eltolni egy byteal és minden BCD kód a helyére kerül.
De hiányzik nekem a bitenkénti műveletek.
(#) kameleon2 válasza HERC hozzászólására (») Jan 29, 2013 /
 
Hát értem - én is ezt gondolom. De tanulni lehet belőle. Valóban nem elegáns megoldás, ha marad kihasználatlan hely, de fogd fel 1.0 verziónak . Ha már működik lehet tovább agyalni rajta, vagy elfelejteni a problémát... Én is megcsinálnám, eszembe is jutott egy jó teszteszköz. "Örököltem" némi alkatrészt így TIL311-eket is, aminek BCD az eleje és LED kijelző a vége. Csak az időm véges . Elvileg nem tűnik nagyon bonyolultnak, sőt egy soros kóder programból is lecsíphető a lényeg, hiszen ott is egymásután állítja az adatokat. A problémát azért nem értem teljesen, mert akár binárisban is adhatsz meg adatokat : %-al annyi bitet, amennyit használni akarsz, a többit meg elfelejted. pld. "bcd1 := %0001" Ezt feltöltöd egy tömbbe (DAT) és kész, hiszen neked összesen 10 bcd kód kell az órához nem?
(#) HERC hozzászólása Jan 29, 2013 /
 
10? 6 kell összesen 6 számjegyes az óra a bcd helye a longban határozza meg melyik
csőre megy ki.Az Anode-ok sorban egymás után kapcsolgatnak ki meg be közben pedig a
BCD ből eldől melyik katód lesz bekapcsolva amíg az Anode is be van.
Ez van a hozzászólásos programrészletben is.
(#) kameleon2 válasza HERC hozzászólására (») Jan 29, 2013 /
 
6darab bcd miatt akarsz görcsölni egy önálló BCD kóderrel? Kár rá az időt pazarolni....
(#) HERC válasza kameleon2 hozzászólására (») Jan 30, 2013 /
 
Hát hardware szimulációnak jó meg némi gyakorlásnak. Valamiért ez a DS csak nem akar
megjönni.
(#) kameleon2 válasza HERC hozzászólására (») Jan 30, 2013 /
 
Szia! Igaz - gyakorolni sosem árt, de szerintem tényleg elég az amit a Nibble tud. Én most a dmx-el kínlódok kicsit, mert valamiért a címzés elcsúszik az obex-es drivernél. Azaz ha 2-t adok meg címnek - ő azt 1-nek értelmezi. Legalábbis a PC-s szoftverek amivel tesztelem - ezt mutatják. Próbálok rátalálni a miértekre. Fura mert azt hittem először, hogy én rontok el valamit. Aztán kipróbáltam egy gyári eszközzel - annál is ugyanaz a jelenség. Még az is lehet, hogy maga a PC-s szoftver a hibás - még nem teljesen fogtam meg a hibát, de hiba van az biztos.
(#) HERC válasza kameleon2 hozzászólására (») Jan 31, 2013 / 1
 
Megcsináltam kommenteltem ha akarod rakd fel ahova beszéltük.
A magyarázat benne, úgyhogy itt nem is fűzök hozzá semmit.

ui.:Gondoltam felcsiholom a DOT-okat is a kijelzőn. Csak 3at kötöttem be így:
00.00.00. Hát erre most veszem észre az okos oroszok nem jobb oldalra
hanem bal oldalra tették a számok mellé a dot-okat így:
.0.0.0.0.0.0.0 most jól kitoltak velem az oroszok

clock_bcd.spin : 6 számjegyes óra szimuláció ami bcd-kódot generál
little endian: óó:pp:mm
(#) HERC válasza kameleon2 hozzászólására (») Feb 21, 2013 /
 
Néztem ezeket a midi spineket amiket linkeltél nekem ez kicsit bonyolult.
Lehet elrontottam de nekem egy 1w os erősítő van csak egy i/o lábra kondival
kötve. Proto boardon próbáltam a volcal trackt demot megszólaltatni de valamiért
nem sikerül. Hiába írom át az i/o lábkiosztást csak egy kattanás van a hangszórón.
Pedig annak is kéne mennie egy ilyen 1 csatornás erősítő icvel. Vagy kéne vajon ahoz más is?
Ja igen és a lényeg nekem valami olyasmi kéne hogy mondjuk egy bimbam megszólaljon vagy
egy hardkódolt zene. A synth amiben a counter van hajtva nem hiszem hogy alkalmas erre.
A hozzászólás módosítva: Feb 21, 2013
(#) kameleon2 válasza HERC hozzászólására (») Feb 21, 2013 /
 
Szia! Nem teljesen értem miért nem megy a vocal tract nálad. Eredetileg a 10, 11-es lábra van írva, ezt könnyen megtalálod a szoftverben, sima search funkcióval. Amíg nem volt gyári demoboardom én is átraktam másik lábra és működött. Arra kell vigyázni, hogy egy erősítőhöz nagy a bemeneti jel, könnyen túlvezérel. Én soros kondenzátort és potit tettem rá azelőtt és bőven elég volt 1 tranzisztor a megszólaltatáshoz. Ha netán mégis lesz időd és átjösz, könnyedén reprodukálható a dolog - csak a midi nem mert időközben beépítettem az egy szem kártyafoglalatomat egy modulba, a kártyával együtt és nem szívesen forrasztanám ki. Már gondoltam rá, hogy rendelek párat, csak ezek a piszkos anyagiak....
(#) HERC válasza kameleon2 hozzászólására (») Feb 21, 2013 /
 
Nem tudom nem értem csak a demoban kell átírni a start metódusban hogy mi legyen
nekem nem kell negatív delta se. Lehet túlvezérlés? Mekkora kondit raktál rá?
Persze sorosan értem én is nekem is úgy van.
(#) kameleon2 válasza HERC hozzászólására (») Feb 22, 2013 /
 
Kb 1µF elegendő. Ezzel még a nagyobb hangfalaimon is szépen szólt. Ha megnézed a demoboard kapcsolási rajzát, vagy a PIPI féle rajzot, abból sokat lehet tanulni.
(#) HERC válasza kameleon2 hozzászólására (») Feb 22, 2013 /
 
Hm én az erősítő adatlap szerint jártam el 25kohm-os bemeneti impedancia mellé
470nF kondit javasol.És 0.8V felett kezd müködni. De lehet kipróbálom 1µF akkor
duplája is lesz az Xc. Az is érdekes hogy nekem a P27 re kéne a hangot kiadni kikapcsoltam
a negatív deltát (elviekben ez a -1) és csodák csodája rápofázhatott a dolog az I2c buszra
mert teljesen elment az óraic beállítása.
(#) HERC válasza kameleon2 hozzászólására (») Feb 22, 2013 /
 
Áh rájöttem már miért nem jó..
A volcaltract nem müködik 64Mhz -en pedig az órában 8Mhz+pll8 van.
az ASM részben találtam pár gyanús bejegyzést 80000000 meg 40000000- ről
de hiába írtam át valószinüleg nem órajelet akar reprezentálni.Spin kódba meg
clkfreq constansal mahinál azért gondoltam hogy elindul ez 64Mhz-en is. De nem.
Lehetőségek adottak.Vagy átnézem az eddigi kódom hogy van e benne órajel érzékeny
művelet és átírom + felrakok egy 5Mhz kristályt vagy próbálok mahinálni a vocaltract-al.
De azt hiszem a második lehetőség nem fog menni.
(#) HERC válasza kameleon2 hozzászólására (») Feb 22, 2013 /
 
Na azt hiszem kimerültek a lehetőségek.
Kipróbáltam a vocaltract..wav player..midi player lehetőségeket.
Azzal az a baj hogy SD kártya kéne hozzá viszont annyi i/o lábam már nincs
meg egy legyártott panelre hova mókoljam.Meg az sd kártya olvasó progi nagyon sokat
zabál. Csak kevéske az a RAM ami a prociban van.
Próbálkoztam a C64/SID driverrel is szimpi is volna valamilyen hanghullám bankot
hordozna is magában nem is lenne olyan nagy de ezt a .mod .sid file elrendezést nem értem
meg amit töltöttem le editort azt sem. Hogyan jönnek mennek benne a szünetek a hangok.
Van még esetleg valami más ötleted erre hogyan lehetne némi zajt csinálni ezzel?
Kb ezzel kéne valahogy számolni:
Van egy I/O amire van téve egy 1w-os erősítő mono.
És más semmi csak az alap ami a propiba benne van.
Nem akarok sokat kihozni belőle csak egy pár másodperces zenét meg mondjuk egy bim-bam-ot
mikor vált az óra.( de azért a zene jó lenne ha felismerhető lenne)
(#) kameleon2 válasza HERC hozzászólására (») Feb 22, 2013 /
 
Szia! Most idővel állok csehül kicsit, mert egy multinak kell reléket rajzolnom. De jövő héten megpróbálok kicsit foglalkozni vele. Simán lehet "zajt" csinálni, de csodák nincsenek, a 32k az 32k. Ha kell, szerintem a színusz táblával lehetne szép lecsengő gongot is csinálni és kevés memória kell hozzá. Sima zenére van egy programom, ami a zx spectrumok AY hangchipjét emulálja. De ha gondolod bármelyik progit átírom neked, ha megmondod, melyik lábon kell szóljon. left a bal csatorna, right a jobb csatorna pin-je.
(#) HERC válasza kameleon2 hozzászólására (») Feb 23, 2013 /
 
Félreértesz lehet, kipróbáltam a dolgokat saját pinre. Az yamahás cuccot is kipróbáltam.
Még a Midi állna a legközelebb de a GM instrument készlet elég gyengusz.Tudom sokat ne várjak el a dologtól ezért lehet hogy a MIDI-t fogom megszabdalni kicsit, kiveszem azokat
a hangszereket amik sosem fognak kelleni és csinálok főlé egy progit ami dat ból olvas.
(lebutított midi) Az se egy rossz ötlet hogy sima bin fileból olvasom az adatot.Egyik progiban
van egy jó példa hogyan lehet a kódhoz hozzácsapni sima file-t. A Wav playerben van ilyen.
Marha jó dolog nem tudtam hogy lehet ilyet.
OFF: Nem a zajt segíts majd megcsinálni, hanem a szkópom mert anélkül fél ember vagyok
és aludni sem tudok.
(#) kameleon2 válasza HERC hozzászólására (») Feb 23, 2013 /
 
Nosza! eddig sem rajtam múlott a szkópjavítás ! Nem tudhattam mit működött és mi nem, mert így szövegesen nehezebb kitárgyalni egy problémát, mint élőben.
(#) kameleon2 hozzászólása Ápr 7, 2013 / 1
 
(#) kameleon2 hozzászólása Ápr 7, 2013 /
 
(#) kameleon2 hozzászólása Ápr 7, 2013 /
 
64 proci - egyben octoprop
(#) HERC válasza kameleon2 hozzászólására (») Ápr 8, 2013 /
 
Szép, nem néztem van hozzá valami alap elgondolás obex vagy példaprogi
is írva?
Egy a bökkenő ebben sehol egy szabad I/O láb.
Vagy a sok propi egymás ellen sakkoznak és aki veszít az füstöl?
(#) kameleon2 válasza HERC hozzászólására (») Ápr 8, 2013 /
 
Szia! Igazán nem tudom. Mindössze ennyit találtam a Parallax által támogatott, vagy a Parallax mérnökök által megoldott projektek között. Mivel nagyon kommunikatív a cég - én egyszerűen tőlük szoktam kérdezni, ha valamit nem tudok . Mindenesetre nekem is kell hamarosan megoldásokat keresnem több mikrokontroller egyszerre programozására egy panelen és a munka megosztására közöttük. Valamilyen fajta buszrendszer lesz a megoldás, lehet, hogy az i2C -vel is megoldható, hiszen az mindegyikben natívan benne van. De a lényeg: elgondolkodtató az a számítási teljesítmény, amit ez a 8 tok tud nyújtani a maga 64 procijával, 80MHz-en
(#) kameleon2 hozzászólása Máj 7, 2013 /
 
Ígértem - ezért feltöltöttem egy kis videót: Propeller general midi Felvett midi formátumok összehasonlítása
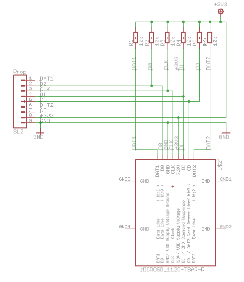
(#) HERC válasza kameleon2 hozzászólására (») Máj 14, 2013 /
 
Figyi!
Molex MicroSD hinge slot

Ehhez nem csináltál még véletlenül Eagle lib-et?(6.x)
Csak találtam a panelemen 4 szabad lábat.Úgyhogy vettem 2 ilyen
microSD foglalatot ami "hinge coveres" , igaz nincs ráírva hogy
molex lenne, de első rámérésre a távolságok jók.
Ha lenne neked ilyen és megosztanád velem(ünk) az tök jó lenne.
Nem kéne most azzal kezdenem hogy rajzolni hozzá.
(Mert azért csak csinálnék hozzá egy kis panelt.)
(#) kameleon2 válasza HERC hozzászólására (») Máj 14, 2013 /
 
Szia! De - sajnos . Azért sajnos, mert a gyakorlatban amikor cserélgetni kell a kártyát - megszívtam vele. Egy icipici forraszanyag odakerült a forgóponthoz, mert ugye kézzel más forrasztani - így a zsanér kicsit feszül. Nagyon nehezen tudom a kártyával lezárni. Hogy lásd kivel van dolgod - mailban ígértem - de legyen - közzéteszem, bár én az Attendet rajzoltam meg (HESTORE), de szerintem nem igazán lesz különbség:
(#) HERC hozzászólása Máj 14, 2013 /
 
Köszönet a többiek nevében is. Nekem kicsit máshol vannak a burkolat forrfülek.
Sd card series pinout and understanding
Ezek szerint (microSD Pinout SPI mode) 1-es 8-as lábra nincs szükség.Azt nem értem akkor
a parallaxoson minek a felhúzó? Mondjuk mindegy megcsinálom aztán max nem teszem fel rá
az ellenállásokat és úgy kipróbálom szerintem még a CLK/CS-re se nagyon kell.
(#) kameleon2 válasza HERC hozzászólására (») Máj 14, 2013 /
 
Szia! Én egy az egyben másoltam a Parallaxét, kivéve a kártya vizsgálatot - azaz nem detektálom, hogy van- e kártya vagy nincs. Amúgy a panel tesztelve van - azaz spi módban tökéletesen működik..
(#) HERC válasza kameleon2 hozzászólására (») Máj 21, 2013 /
 
Na megcsináltam az microSd olvasás írás nagyon jól megy már csak bele
kell stáholni az óra programjába.Közben gondolkoztam hogy az EaDogL kijelzőm 1K
ját milyen klassz dolog lenne uSd ről töltögetni, úgyhogy elkezdtem megírni hozzá a drivert.
Init már megy normálisan csak a ram feltöltést kell még normálisan összehozni rajta.
Jelenleg még nem megy a page váltás lehet azért mert invert módban van a ADC de lehet
hogy gyárilag nincs auto increment rajta és akkor kézzel kell megcsinálni hozzá.
De különben nagyon tetszetős kis kijelző.
(#) kameleon2 válasza HERC hozzászólására (») Máj 21, 2013 /
 
Szuper ! Végre eredmények !.... Én eleve - ha nagyobb a memória igény - külső txt-be teszem az SD-be a tartalmat és onnan küldöm ki. Egy óránál, nem számottevő az SPI sebessége. Nem tudom melyik EADog-od van, de ha mátrixos, akkor jópofa dolgokat is kiirathatsz így az időn kívül - akár gombnyomásra, vagy időponthoz rendelve. Milyen RTC-t használsz? Hardveres, vagy szoftveres? Én sokat agyaltam rajta, mert kell majd egy projekthez és mindenképpen GPS alapút használnék.... Ugyanis nem kellene állandóan állítgatni...
Következő: »»   5 / 13
Bejelentkezés

Belépés

Hirdetés
XDT.hu
Az oldalon sütiket használunk a helyes működéshez. Bővebb információt az adatvédelmi szabályzatban olvashatsz. Megértettem