Fórum témák
» Több friss téma |
Fórum » Propeller Clock
Hello!
Uh, mekkora mázlim van , haverom is most csinál prop clockot és holnapra elvileg csinál egy normális tekercset, ha utána se lesz jó maradnak a kék ledek holnap 14-15óra fele írok hogy működik-e! üdv!
Szia sikerült az általad leírt módon a fordítás
De az rc távirányítóé a módosított propellernél nem jó valami! Ott melyik asm-et kell betenni? Vagy mindet? Nem keletkezik hex file A távirányítós asm az megy tökéletesen! Sajna a távirányítót nem volt még időm elkészíteni de rajt leszek azon is ha engedi az időm! Jó az a módosított amúgy az én vicsys féle órámhoz!
Szia!
A kérdésre (amit ki tudtam hámozni) a válasz: - RC5 távirányító: Csak egy asm fájl van. Ezt kell a projecthez adni, fordítás (Release), hex készül, beégetés. Fut. - Propeller / Bázis / stb.: Több asm állomány közül csak a Prop*.asm -et vagy a Base*.asm -et kell a projecthez hozzáadni. A többinek ugyan abban a mappában kell lennie. (A programban levő #include fogja beilleszteni.) Fordítás (Release), hex készül, beégetés. Fut. Szia
Köszi! Próbálom! A távirányító gombkiosztását is lehet valahogy módosítani az MPLab-ban? Már jó is a fordítás köszi!
Sajna a módosított nem megy a vicsys félével
Más a kapcsolása a tiednek!
Szia Patexati!
Egy régebben forditott (628_20. verzió), állománya a "régi" hardverhez lett nálam is beüzemelve. Ez rendesen fut a (Vicsys) féle propelleren. A Keys628.asm is benne van a tömöritett állományban mindkét ismertebb távirányítóhoz, és az ékezetes CharGen628.asm is. A propeller program (prop628.asm) már át van írva a régi hardverhez! Nézd át, hogyan. Ezekkel kisérletezhetsz sikeresen a távi kódok átírásával, majd a forditással is. Szia.
Kösz rajt leszek! A gombkiosztást,hogy lehet cserélgetni azt nem tudom hol lehet hozzárendelni a parancsot vagyis ,hogy kell
Bocs a lámaságért!
Ez megy mit adtál csak "parancsolni" nem tudok neki!
Szia Patexati!
A hex URC22B-hez való! Ird át RC5-re A Keys. asm-et megnyitod egy (bármilyen) szövegszerkesztővel. Én a "total commandert" használom erre a célra, F4-el. Az URC-s keys tartalmaz megjegyzéseket is, melyik gomb mit eredményez a programban. Természetesen azt tudni kell, a távi gombjai milyen kódokat küldenek ki. Egy ilyen "kommentezett" Keys progit feltöltök még, nézd át tüzetesen. Szia.
Szia!
Az új távirámyító nem garantáltan meg a rágebbi propeller programmal - Én nem próbáltam. (Egy program fordítási hiba miatt ment valahogy, a C fordító nem tett a delay függvény végére "return"-t ???). Az újnál az idő beállítás gombokat nyomkodni kell.... Átkódolás: Ha data EEProm-mal rendelkező kontrollerre fordítottad, akkor a parancskódok az data EEProm segítségével átkódolhatók. Nézd meg a forrás (Rc5x.asm) végét. A négy laphoz (page) egy-egy 16 kódból álló sort találsz. A gombok sorszáma van felettük megjegyzésben (zöld sor). Az egyszerűség kedvéért itt egy az egyhez átkódolást írtam. Szabadon átírható, csak a darabszám maradjon 16. Nem kell fordítani sem hozzá, a programozóval is meg lehet változtatni az adat EEProm tartalmát. (A gombok sorszámozása bekötés függő...) Szia
Köszi! Akkor most várok még meg lesz építve az új távirányítóm!
Megtaláltam! Na még egyet kérdezek tőletek és nem lámáskodok többet
Az óra parancsait hol találom? Mármint melyik távirányítókód melyik funkciót viszi? Ezt hol tudom megnézni?
Szia!
A propeller fordításakor a key*.asm- ben levő értékadások határozzák meg... Szia
Azt is megtaláltam nem kell már a segítség
Most elleszek vele egy darabig utána lépek tovább ha ez már megy !
Szia Patexati!
Egy olyan HEX-et töltök fel, amely az RC5-16-hoz valószinüleg jó lesz, már amennyire a maga 16 gomjával ez elégséges. (Legalább 23 gomb, vagy több kellene). - A távi kódok elemzéséhez egy teljesen külön megépitett új bázisprogram, vagy min. egy "girder" kell. Szia.
Valami ilyesmit akartam átírni és is de akkor most ezt megpróbálom! Köszi! Üdv! Ismerem a GIDER-T csak még nem nagyon foglalkoztam vele van ir szenzor hozzá portra.
Szia Patexati!
Még egy utolsó javított prop628RC5-16 hex állományt felrakok, próbáld ki ezt is. (A korrábbi sajnos még tartalamaz olyan kódokat is, amit a prop nem tud értelmezni). Szia.
Szia!
Az új bázis ki tudná írni egy terminál program ablakába, hogy milyen parancsot kapott....Bővebben: Link
Szia!
Létezik egyszerű tipp az óra kicentríroztatásához? Minél tovább kísérletezek egyre rosszabb. Elsősorban orrészre ólom tömböt forrasztók. Most sem 100-pro.
Bővebben: Link
Én úgy csináltam, hogy az első LED alatt alátámasztottam a panelt, és úgy súlyoztam, hogy lehetőleg semerre se billenjen el. Aztán felszereltem a motorra a propellert, és ha valamelyik rész nehezebb volt, akkor az átellenes oldalra raktam súlyt. Megpörgetve véletlenszerű pozícióban kell megállnia a propellernek. Aztán alacsony feszültségről hajtva a motort, néztem, hogy üt-e (kézben fogva). A leglényegesebb pedig az, hogy az alkatrészoldalra kell a súlyokat rakni.
Szia Krisz03!
Köszönöm a részletes leírást. Ma már nem fogok neki, holnap sok türelemmel.
Szia
Megoldotta a problémám az új 16F, úgyhogy sínen vagyok a projectel. Találtam olyan Base hex-et amivel működik a URC-s távirányítóm üdv
Szia!
Van kedved az átalakításra? Szia
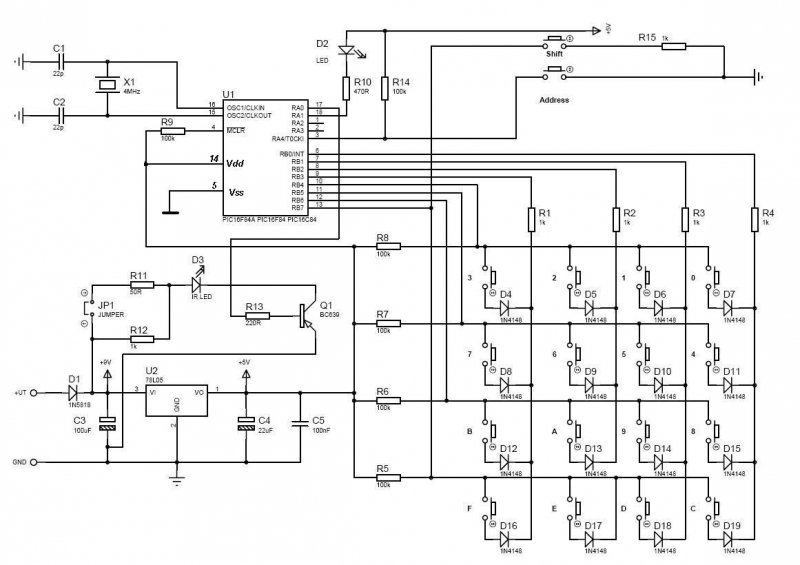
Hello! A távirányítót tervezgetem és a te rajzod alapján kéne átterveznem a panelt mert akarok rá icsp-t rakini és az enyémben a 4,14-es láb össze van kötve! A tieden nincs,de a 14-es be sincs kötve pedig ott kéne kapni a PIC-nek a +5V-ot
Az lemaradt vagy így is megy?
Szia Patexati!
Egy prop_RC5-16-os állományt készitettem ellenőrízve mind a 16 gomb funkcióját, és tesztelve RC5/16 távihoz. Hp41C legújabb, prop628_v2,27 verzióját írtam át. Ennek kell működni a "régi" hardvereken, ahoz állítottam be a funkciók kódjait. Kicsit nehézkesen megy, mert sok funkció csak egy gombbal működik, de így szinte minden fontosabbat tudod állítani. Csatolom tömörítve, (remélem a beírt szöveg is jó lett), szia.
Szia Patexati!
Ez az RC5x már elkészült nálam, megy a javított kapcsolási rajz! Szia.
Szia!
A táp (14 -> +5V) és a föld (5 -> GND) természetesen kell, de az az áramkörtervező program, amit használtam, annyira magától értedődőnek vette, hogy ki sem rajzolta.... Sajnos ez már az alapértelmezés, a huzalozás tervező, az automata huzalozó ternészetesen tudni fogja, hogy ezeket is be kell kötni. A rajzon csak vonallal tudnám lerajzolni (nem vezetékkel), de a múltkor az ilyen trükkök miatt elvesztettem a Wand óra félkész rajzát (nem volt hajlandó többet betölteni...) Szia
Sziasztok!
Most végre van új tekercs deviszont a venti egy kalap ***. Semmi súrlódás 14-15 volt körül és alig forog...Mit tanácsoltok, mit tegyek hogy legyen fordulat? üdv!
Szia Tony994!
Nagyon sok oka lehet a kevés fordulatnak. Egyáltalán, az a kevés mennyi lehet? A szabályozón (2941), átmegy a teljes meghajtó feszültség? Mérni-mérni mindenhol. Ha ezek rendben lennének, akkor a "centirozás" is komolyan befolyásolhatja a fordulatszámot. Mindent át kell vízsgálni, és ha nem megy jobban, akkor a venti kuka, lehet azt is cserélni. (Talán egy videó-fejmotor alkalmazása helyre tenné a dolgaidat). Szia.
Szia!
Annyira kevés hogy egy olyan 15 másodperc alatt elkezd futni a szöveg de úgy hogy nem olyan mint ha állna a kép ha nem még forog pedig 14 Voltot mértem a ventinél ilyenkor mit tudok tenni, több ventim nincs max ha gépet bontok ![]() "Mikor jó a tekercsem rossz a ventim , mikor jó a ventim rossz a tekercsem" -Morphy |
Bejelentkezés
Hirdetés |




De az rc távirányítóé a módosított propellernél nem jó valami! Ott melyik asm-et kell betenni? Vagy mindet? Nem keletkezik hex file
A távirányítós asm az megy tökéletesen! Sajna a távirányítót nem volt még időm elkészíteni de rajt leszek azon is ha engedi az időm! Jó az a módosított amúgy az én vicsys féle órámhoz!
Más a kapcsolása a tiednek!
Bocs a lámaságért!


