Fórum témák
» Több friss téma |
Üdv Mindenkinek
Most találtam a neten ezt a csöves FM kapcsolást. Mi a véleményetek róla? Szeretném megépíteni. Tisztelettel Madzagos
Elvileg működhet. A rajzon van némi bibi, gondolom a kezdők megtévesztésére, a második cső katód komplexuma egy kicsit furcsán van rajzolva. A kondenzátorok fojtó felőli végén levő pöttyöt át kell helyezni a kondenzátorok aljára, és akkor talán működni fog. Így, a rajz szerint mind a potméter csúszkája, mind a kondik rövidre van zárva, és testelve.
Igazad van. Megnéztem az eredeti rajzot nagyobb méretben és ott is úgy van rajzolva. A végerősítőt hogy tudnám kiváltani?Illetve a T1-es transzformátort?Sajnos nem tudok angolul és nem igazán értem az L1-es tekercs menetszámát és méretét. Tudtok benne segíteni?
Tisztelettel Madzagos A hozzászólás módosítva: Szept 12, 2013
Az L1 tekercs adatai:
5 menet AWG18 huzalból (1 mm átmérő), 3/8" belső átmérőre (9,5 mm átmérő), 1" hosszon (25,4 mm) T1 3:1 áttételű trafó (valamilyen mikrofontrafóra céloz), szerintem kiváltható egy munkaellenállással, amit úgy oldhatsz meg, hogy a trafót egyszerűen kihagyod, és a rövidrezárt helyéről egy kondival csatolsz tovább. A 150 k helyére egy 100 nF kondival. A T2 egy kimenő trafó, ha E(P)CL86 -ot használsz második csőnek, ahhoz létezik kimenő trafó.
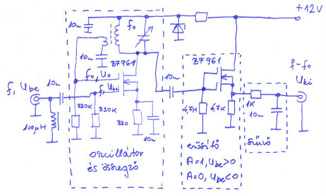
Sziasztok. Sikerült ahhoz az egy tranzisztoros szinkronoszcillátoros vevőhöz alkotnom előerősítőt, olyat, amivel nem gerjed össze. A régi csöves tévék csatornaváltójából ismert kaszkód kapcsolást építettem bele, BF241 tranzisztorokkal. Ez vált be nálam az olyan készülékeknél, melyek amúgy is nagyon gerjedékenyek, pl: a TDA7088-at tartalmazó kis kínai. Ezek erősítése nem sokkal több, mint az egy földelt emitteres trantzisztorosoké, de mégis sokkal kevésbé gerjedékenyebb. Az erősítő széles sávú, ennél a készüléknél beláttam, nincsen értelme a sok hangolt körös előfokozatnak. Azok együttfutását lehetetlen beállítani, a varicapok meg összegerjednek az oszcillátor fokozattal a tápfeszültségen keresztül. Az antennaerősítő kimenetét 2 menetes tekerccsel csatoltam be az oszcillátor rész antenna tekercséhez. Az előerősítő a doboz másik sarkában foglal helyet, a szinkrodin antennaköri tekercse árnyékolást kapott. Most már elegendő neki csak egy huzal antenna, és erős térerejű adónál lehet vele forogni, nem suhog, nem torzít be. Eddig az asztalon beállított pozícióból nem lehetett elmozdítani, mert elvesztette a beállított állomást.
Köszönöm a segítséget. Az L1-es tekercshez jó normál zománcozott rézhuzal? Illetve átrajzoltam a kapcsolást, így jó lesz?Az ECC81 helyett ECC85 jó-e? Katalógus szerint az ECC81 utódja az ECC85.
A hozzászólás módosítva: Szept 12, 2013
Jó az ECC85, erre való. A drótnak is jó a zománcozott, de az ezüstözött jobb lenne. Nem fontos a szigetelt drót, úgyis öntartónak kell lennie. Így is kb. fél centi lesz a menetek között, ezért kell az ilyen vastag drót.
A rajz így is furán néz ki, ha a kondikat átrajzolnád a másik oldalra, így ugyanis semmi közük a katódhoz. Valószínűleg az 1 kohm -os poti egy részének váltóáramú rövidre zárásával az erősítést szabályozza némileg. A hozzászólás módosítva: Szept 12, 2013
Hogy érted az átrajzolást a másik oldalra? Kivágtam a kérdéses darabot.
Nekem a B- és a föld azonossága is fura (a rajz szerint), minek két külön jelölés, bekötés?...
A 140V-ot se nagyon szűri más csak 1nF. Nem kéne az ellenállások közé egy elkó?
Elkészítettem az L1-es tekercset,ilyennek kéne lenni?A képek az előző hozzászólásomban.
A hozzászólás módosítva: Szept 12, 2013
Azért a tápban levő méretezetlen ellenállásosztó is érdekes.
Gondolom jól csináltad. Ez így maradhat, bár valami műszerrel jó lenne ellenőrizni. (erre lenne jó, egy GDO, előbb utóbb úgyis szükség lesz a megépítésére)
Ez az egész kapcsolás elég furának tűnik, elég kusza. Jobb lenne, ha ezt is inkább összeollóznád. A hangfrekis végfok egy közönséges PCL86, arra találni jól bevált kapcsolást. A nagyfrekis előfokozat egy földelt rácsú fokozat, annak a munka ellenállása a méretezetlen ellenállás osztó, az még talán elmenne, ha a "szupreg" (már ha az az akarna lenni) fokozat tápja nem ide csatlakozna. Ezt a fokozatot kellene leginkább rendbe tenni. Ide ollózzál valahonnan egy rendes audion kapcsolást. Az ECC85 miatt nem fontos a földelt rácsú beállítással bonyolítani. Szerintem. A hozzászólás módosítva: Szept 12, 2013
15mikroHenrys fojtót miből tudnék csinálni,mert a nálunk lévő elektro boltba 2 hétre tudnák rendelni?
Jól mondják a többiek: ez az új rajz így teljesen kukázható. Maradj az eredetinél.
Kell a T1 oda, az hogy a tápfeszről veszed le a hangfrekit továbberősítésre.. nem jó
Annyi van írva hogy 1:3 arányú.
Ellenütemű csöves végfok meghajtótrafója jó lenne oda. Vagy a régi niedertrafók... De azok aranyárban vannak.
Kimenőtrafóból nem lehetne készíteni? A szekundert levenni és újra tekerni nagyobb menetszámmal?
Megoldható, ha a megfelelő áttétellel tekered. Ez a felhasználandó kimenő mérésével kiszámítható, majd ezek figyelembevételével tekered a szekundert. Ha minőségi átvitel is cél lenne , akkor teljesen új trafó osztott tekercseléssel, lehet a megoldás.
A kimenőtrafókat, ha figyeltek rá, akkor nem egy-egy réteg primerrel és szekunderrel csinálták, hanem osztottan, egy réteg primer, aztán szekunder, majd megint primer... Főleg az ellenüteműeket, ezzel csökkentették a sajátkapacitást, ami az átvitelt rontja.
Az újratekerés nagyobb menetszámmal... legfeljebb a primer harmadával, és talán, ha elfér az ablakban... Szerintem - de a tapasztaltabbak kijavítják, ha mégse jó ötlet - úgy kéne csinálni, hogy egy kisebb, 10 W körüli 230V-os primerű hálózati trafóról szeded le a szekundert. Mégse egy jó kimenőtrafót áldozz be, egy nagyobbacska dugasztáp is megteszi, pl 12 V / 1 A-es. És a harmadolt primer menetszámot tekered fel. Hogy mennyi a primer menetszáma? Kicsit saccolósan: leméred a primer belső átmérőjét (nem a vasét, hanem a konkrét tekercsét, nem egyszerű), aztán a primer(!) külső átmérőjét, majd összeadod őket. Ha téglalap keresztmetszetű a tekercs, akkor megismétled ezt a másik irányból is, majd összeadod a két összeget. Ha négyzetes, akkor az első összeget szorzod kettővel. Ezzel megvan a közepes menethossz. Képletesen kifejezve: (b1 + k1) + (b2 + k2) vagy (b1 + k1) * 2 , ha négyzetes. Majd megnézed a huzalvastagságot és mérsz egy minél pontosabb ohmos ellenállást. Ez utóbbiakból és egy huzal fajlagos ellenállás táblázatból (p. Magyari rádióamatőr zsebkönyv...), ahol az adott vastagságú huzal méterenkénti ellenállását megadják, számolsz egy teljes huzalhosszt. Azaz a mért ellenállást elosztod az adott vastagságú huzal méterenkénti ellenállásával. Ezt a huzalhosszt elosztod a közepes menethosszal és megvan a körülbelüli menetszám. Ennek harmadát tekered fel, olyan vastagságú huzallal, ami még kifér a szekunder helyére. Aztán próba és örvendés, ha működik A hozzászólás módosítva: Szept 13, 2013
Na, ezt már nem engedte beleírni a módosításba:
Ellenőrzésképpen: megméred a trafó vaskeresztmetszetét, a voltonkénti menetszámos képlettel számolsz egy menetszámot, felszorozva 220-szal (régi trafóknál) vagy 230-cal és megnézed, kábé egyezik-e az előbbi módszerrel számítottal. A Bmax, mivel kis trafó, legyen 0,9, a veszteségi ráhagyás miatt a hálózat feszültséggel való szorzás után lehet még 0,9-cel is szorozni. Remélhetőleg hasonló érték jön ki. A hozzászólás módosítva: Szept 13, 2013
Messze túlbonyolítjátok ezt a T1 dolgot. Bármilyen fazékvasmagra mehet érzéssel a megadott aránnyal.
Köszönöm a válaszokat. Van jó néhány régi tv-ből kibontott kimenőtrafóm ezért gondoltam erre a megoldásra.Ha nem sikerül akkor is vissza lehet tekerni a régi szekundert,és újra használható a kimenő.
A visszatekerés nem mindig sikeres! A régi huzalokon megpattanhat a zománc és akkor zárlat...
Valami ilyet keressél T1-nek.
Illene rá új (nem kukából kiszedett) vezetékból pl. 20 és 60 menet, vagy még annyi se. A hozzászólás módosítva: Szept 14, 2013
Egy laikus kérdés: ott nem hangfreki van, amit lemezelt is átvisz?
De igen. Csak összeszerelni nagységrendekkel nehezebb...
Egy 50Hz-es hálózati trafó átalakítása inkább mazohizmus, fűleg azért mert itt nincs szükség teljesítmény átvitelre mint a T2 kimenőtrafónál.
Ez kevés, az 56 k-s ellenállásra jutna a feszültség, a trafón semmi se maradna.
Az az 56k-s is felesleges oda, nem véletlen lett javasolva az 'ollózás'.
A vitát elkerülendő van új huzalom is és azt gondoltam visszatekerni.
Azt hiszem a sok ísérletezéssel elértem a rádiómmal azt, ami egy ilyen egyszerű készülékkel elérhető.
Érdekel valakit itt a szinkrodin vevő? Szerintem, ott ahol nagy térerejű erős adók vannak a közelben, mint nálam, van létjogosultsága. Kár, hogy nincs itthon URH FM szignálgenerátorom, nagyon kíváncsi lennék az érzékenységére. Egyedül a szerbek nem jönnek be rajta, de az összes helyi adó megvan. Ilyen kevés alkatrészből nem lehet összehozni VHF-FM vevőt. Hogy a hangszóróktól független legyen a megítélés, összehasonlítottam az enyémnek a hangját néhány gyári készülékkel fejhallgatóval. Egyedül a dán hi-finek a hangszíne hasonlít erre. A sok magast még valahogy megértem, a KF szűrők, és a deemphasis hiánya miatt sok benne a csilingelő magas hang. De mitől van benne annyi basszus? A kis zsebrádióknak az átvitele a kis hangszórójuk miatt ebből a szempontból le van butítva, de a HF csatolókondenzátorok nagyobbra cserélésével sem sikerült belőle ezt a hangzást kihozni. Találtam egy dual gate FET-es megoldást is:Szinkrodin Link Érdekes módon a hangfrekvenciás erősítő két gate-je itt is össze van kötve. Ja, hogy az csak egy emitterkövető, ezért ott nincs jelentősége a dolognak? Nagyobb gondom inkább az, hogy a tápfeszültség, vagy a munkapont utána állítására egyik leírás sem tartalmaz kezelőszervet, kivéve azt az egyet, amelyik a tekercsen át rövidre zárt kollektor-bázisú tranzisztorokat tartalmazza, de az nem indult be nekem semmilyen fajta tranzisztorral sem, olyan különleges tranzisztorok kellenek abba? A szinkrodin rádió pedig ugyanúgy a gerjedési határ közelében tudja a maximumot, mint a középhullámú visszacsatolt egyenesvevők. Én megoldottam ezt, úgy, hogy a rádióm AM részében a pozitív visszacsatolást állító potenciométert kétszeresen kihasználtam. Az AM-nél az a potméter csak nagyfrekvenciát állít, ezért egy fojtótekercsen vittem rá az FM rész tápfeszültségét szabályzó tranzisztorra. éredekes módon itt a gyengébb adóknál még alacsonyabbra kell vinni a tápot, ekkor szűnik meg a torzítás, eltűnt belőle a brumm is, amikor adapterről használom, nyilván azt is az oszcillátor fokozat gerjedése vihette bele valahogy a hangjába. Állítólag olyan az érzékenysége, mint a szupreg. A tranzisztoros szupreg vevők ehhez nagyon hasonló módon egy oszcillátort tartalmaznak, és az egy viszonylag nagy ellenálláson át kap tápfeszültséget, és ott is arról veszik le a hangfrekvenciát. Igazából azt nem értem, mi teszi a kétféle rádió közti különbséget, mi okozza, hogy ott ugyanúgy egy egyszerű oszcillátor teljesen másképp működjön? A szupregek vétel híján erősen zajosak. Szupreg vevő van a gyerekjáték 2 tranzisztoros talkie-walkiek-ban, a játék távirányítós modellekben, vezetéknélküli csengőkben, a riasztók távirányítójának a vevőjében, stb. A szupreg sávszélessége nagyobb, nem olyan kényes az elhangolódásra, mint a szinkrodin, és hangfrekvenciásan is azt hiszem, erősebb jelet ad ki. Lehet, hogy az egy oszcillátort tartalmazó szinkrodin attól szinkrodin, hogy éppen csak a működés határán rezeg? Megpróbáltam utána olvasni a szupreg elvnek is, csak az az egy bajom, hogy a lexikonokban szereplő elektroncsöves kapcsolások nagyon erősen különböznek az általam említett készülékekben levő tranzisztorosoktól, annyira, hogy azoknak a tranzisztoros szupreg készülékeknek a működési elvét csak nem sikerült megértenem. A hozzászólás módosítva: Szept 14, 2013
|
Bejelentkezés
Hirdetés |











Érdekel valakit itt a szinkrodin vevő? Szerintem, ott ahol nagy térerejű erős adók vannak a közelben, mint nálam, van létjogosultsága. Kár, hogy nincs itthon URH FM szignálgenerátorom, nagyon kíváncsi lennék az érzékenységére. Egyedül a szerbek nem jönnek be rajta, de az összes helyi adó megvan. Ilyen kevés alkatrészből nem lehet összehozni VHF-FM vevőt. Hogy a hangszóróktól független legyen a megítélés, összehasonlítottam az enyémnek a hangját néhány gyári készülékkel fejhallgatóval. Egyedül a dán hi-finek a hangszíne hasonlít erre. A sok magast még valahogy megértem, a KF szűrők, és a deemphasis hiánya miatt sok benne a csilingelő magas hang. De mitől van benne annyi basszus? A kis zsebrádióknak az átvitele a kis hangszórójuk miatt ebből a szempontból le van butítva, de a HF csatolókondenzátorok nagyobbra cserélésével sem sikerült belőle ezt a hangzást kihozni. Találtam egy dual gate FET-es megoldást is:






