Fórum témák
» Több friss téma |
Szervusztok!
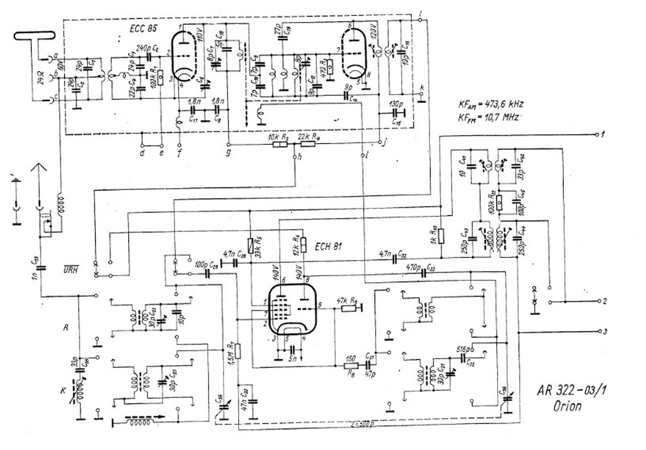
Egy Orion AR322 rádiókészülékkel kapcsolatban szeretnék segítséget kérni Tőletek! Nem szólt a rádió, és belefogtam a takarításába. Kicseréltem a hangszóróját is, mert az eredeti membránja kiszakadt. És, mikor elkészültem bekapcsoltam csak úgy magában az asztalon, hogy kipróbáljam az új hangszórót, amelyből nem jött hang. Későn vettem észre, hogy azért nem hallok semmit az URH adásból, mert rosszul dugaszoltam be az antennát, és sajnos egy óvatlan mozdulattal rövidrezártam az ujjammal a hangszóró kábeleit. Megrázott egy kissé, és azóta az URH sáv max hangerőn is csak alig hallhatóan szól, míg a másik két sávon rendesen szól a készülék. Van ötletetek, hogy mit ronthattam el ezzel a zárlattal? Mit tehetnék?
Ujjaddal nem csinálhatsz rövidzárat, mert a bőrödnek is van ellenállása - ott legalább 500ohm.
Még a valódi rövidzár sem okozna ott problémát. Az viszont tragikusan hangzik, hogy áramütést éreztél, ami a hangszórónál semmiképp sem következhetne be, mert hálózati trafója van a készüléknek, az anódfeszültséget pedig a kimenő transzformátor nem engedheti a szekunder oldalra. Nagyon körültekintően át kel vizsgálni emiatt a készüléket! Az URH sáv hibájával a jelenség semmiképpen nem függ össze (a hangszóró cserével sem). Hoppá! Most nézem, hogy a hálózati biztosító után van egy 4,7nF kondenzátor a test felé. Ha a fázis megy a biztire (úgy sikerül bedugni), akkor az csipkedni fog, ha földelve vagy! A hozzászólás módosítva: Aug 2, 2017
Köszönöm szépen!
Akkor mit tegyek? Van egy másik csöves rádiókészülékem, amelyik ugyan ezen a hullámhosszon, teljesen szépen, hangosan hozza a Bartókot, akárcsak ez a rádió a Kossuthot a másik sávon. Nem lehet, hogy cserélni kellene valamely kondenzátort, amelyik esetleg tönkremehetett a "megrázkódtatástól"? Másutt azt olvastam, hogy bizonyos hidegítő és csatoló kondikat kell ilyenkor cserélni. Esetleg, ha megkérhetnélek, meg tudnád mondani, hogy egy ilyen kapcsolásban, ez mely kondenzátorokat jelenti?
Amit eddig csináltál, azzal bajt nem okozhattál
Erős a gyanúm, hogy a készülék eredeti állapotában van, tehát OIRT URH sávon. Ha így van, akkor csak az áthangolás segít - a CCIR sávra (88-108MHz), ami nem egyszerű művelet a csöves hangolóegységnél... A két hangolt tekercs menetszámát csökkenteni kell, utána a trimmerekkel behangolni. A hozzászólás módosítva: Aug 2, 2017
Szerintem ezt a rádiót OIRT URH sávval hozták forgalomba(66-73 MHz). Meg kéne nézni, hogy milyen sávban hangolható az oszcillátor. Ha közel van az adó, akkor bármi adást csak hamisvétel útján vesz(kivéve, ha korábban áthangolták).
Nagyon szépen köszönöm a válaszokat!
Még nem hangoltam rádiót. Nem tudom, hogy vághatnék neki. Ha még meg is találom a tekercseket és ónnal rövidrezárok pár menetet, a trimmerek hangolásával bajban lennék. VAn értelme kísérletezni? Hogyan képezhetném ki magam? Van valahol valami jó leírás? Mindenütt csak azt írják, hogy ők értenek hozzá, de igazi leírást még nem találtam... Talán tudnátok ajánlani valami jó szakkönyvet?
Van ennek külön topic-ja:"Rádió áthangolása, OIRT - CCIR konverter".
Sziasztok!
Segítséget szeretnék kérni! Adott egy sanyo M9927LU- típusú rádiós magnó Bővebben: Link A rádió FM- részével van gond, halk folyamatos sistergés hallható csak akárhova tekergetem, a sávválasztó kapcsolót kivettem, darabokra szedtem fémtisztára pucoltam (tiszta fekete volt az összes érintkező). Ennek ellenére sem hajlandó az FM-része működni, az AM, LW, SW- sávok működnek. Három darab IC van a panelen: LA3361-fm demodulátor, upc1018c, TA 7335P AM/FM amp. A kérdésem az lenne: merre keressem a hibát? Rádió téren nem sok tapasztalatom van.
Neked is hasonlót mondok, mint fentebb: lehet, hogy OIRT-sávos a rádiód. Ezt a skálából sem lehet egyértelműen eldönteni, mert lehet, hogy nyugatról behozatal után áthangolták.
Próbálj az önhordó légmagos tekercsekhez alumínium vagy réz pálcával közelíteni (esetleg dugd bele). Az oszcillátor ez esetben magasabb frekvencián fog rezegni és az állomáskeresővel találhatsz adót. (Persze ha a feltételezés igaz és nincs más hiba...)
A képeid alapján nem lehet megmondani. Azért nézd körül a forgókondenzátort, nem-e látszik utólagosan betett kondenzátor? Nekem a Sanyo-t úgy hangolták át, nem tudom kik és hol, hogy vasmagokat tettek a tekercsekbe, és leméhviaszozták. Itt még olyat sem látni. Generátor híján én egy antennával lépkednék a KF IC-től előrefelé. Lehet, hogy a 10,7 Mhz-es SFE szűrők valamelyikének a lába le van törve, de az általában látszik is. Ha a forgókondira tett antennával megszólal, akkor az előerősítő ment el. Ebben látom, olyan álló, egysorlábas IC van a tunerben. De ha ezt valaha OIRT-re áthangolták, vagy arra gyárttatták, akkor a bemeneti szűrőt is cserélni kellene benne, vagy jobb híján kiiktatni, ha az OIRT sávos (Az a barnaság ott a hullámváltóval párhuzamosan), de most csak tippelgetünk.
Sziasztok!
Köszönöm a tanácsokat! Megpróbáltam a rézpálcás közelítést a légmagos tekercsek körül, nem hozott eredményt, sajnos SW- sávban is néma. Nem találok utólagosan beépített alkatrészeket sem, a készülék előlapján is 88-108 Mhz szerepel (akkor elvileg CCIR sávos). Próbáltam az ujjaimmal is össze-vissza tapogatni FM sávban a forrasztási oldalt de semmi eredmény. Sajnos kapcsolási rajzot sem sikerült a neten találni, fizetős lenne de nem ér annyit az egész. Megpróbálom majd az "antennás lépegetést" is, és újra átnézem. Még egyszer köszönöm a tanácsokat!
Hullámváltó lehet, hogy még mindig rossz. De elképzelhető mindig olyan is, amire nem is gondolunk. Mivel nem mindennapos, de jókat szívtam már szakadt ellenállások, és zárlatos kondenzátorok miatt, nem beszélve a hideg forrasztásokról, és a beázások miatti átvezetésekről. Van amelyik 40 év alatt sem tud elromlani, a másikat pár hétre félreteszed egy sufniba, mire előkerül már nem szól. De ez nem csak rádióra, akármire is lehet igaz.
Sziasztok!
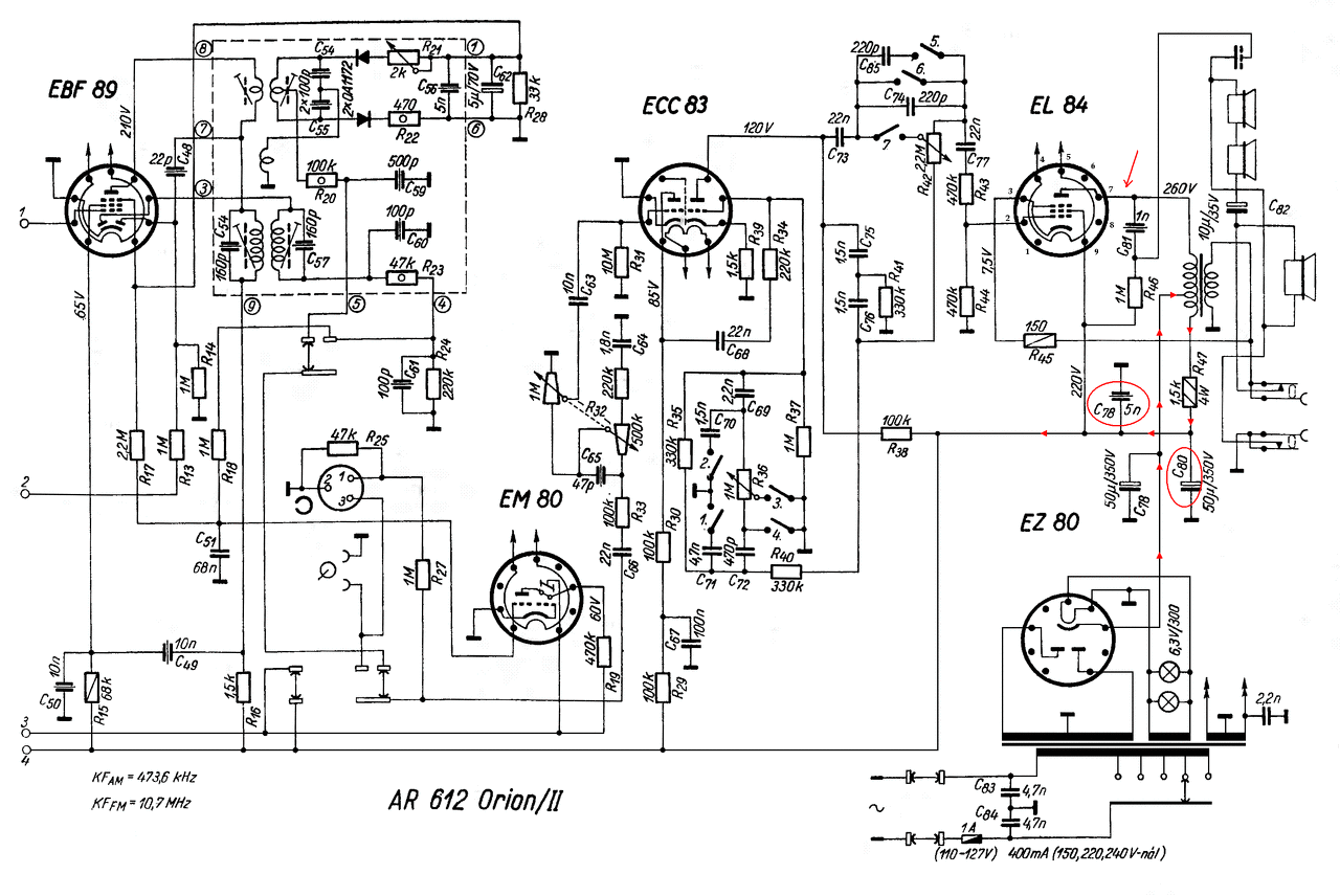
Egy Orion AR612 Pacsirta rádióval kapcsolatban fordulnék Hozzátok segítségért! A mellékelt képen látható fekete "alkatrész" (elnézést kérek, nem igazán értek hozzá) bekapcsolás után nagyon felmelegszik, és füstölni kezd. A skálavilágító lámpák égnek, a csövek felfűtenek, de hang nincsen. Mi lehet az oka? Ez az alkatrész a hibás, és cseréjével orvosolható a probléma? Segítségtek előre is nagyon köszönöm! A hozzászólás módosítva: Aug 6, 2017
És a trafó oldala is sérült.
A képen látható sérülés befolyásolja a működést?
Az egy huzal-ellenállás, amely az anódfeszültség pozitív ágában ejti a feszültséget. (Pozíció: R47, érték: 1500 ohm, teljesítmény: 6W.)
Üzemszerűen is melegszik, de nem füstölhet, mert az zárlatra utal! Elsőként húzd ki a hangfrekvenciás teljesítmény-erősítő csövet (EL84) a foglalatból és figyeld, hogy fennáll-e a jelenség (a füstölés). Ha igen, rögtön kapcsold ki, ne nyúzd. Első gyanúsított a C80 50µF 350V-os elektrolit kondenzátor. A tapasztalatok függvényében folytatjuk. Ja: a látható sérülés csak a papírburkolatot érinti, nem hinném, hogy a tekercselésig hatolt, így nem befolyásolja a működést. A hozzászólás módosítva: Aug 6, 2017
A trafó sérülése, ha nem okozott menetzárlatot, nem melegszik (~40 C° fölé), nem számít.
Köszönöm szépen!
Kivettem a fent nevezett csövet, majd kicseréltem valamennyit, és továbbra is füstölt. Van egy másik, egyéb sebekből vérző pacsirta "belem". Gondoltam összehasonlítom a két gépben az ellenálláson eső feszültségértékeket. Az normális, ha 150 Volt körüli értéket mutat a műszer a füstölt kondenzátoron, és a másik (talán jó) gépen pedig 3oo Voltos méréshatár mellett nem leng ki a mutató? (Vagy a másik is rossz, csak az ellenkező végletben?)
Mindkét érték hibára utal... Azért füstöl az ellenállás, mert 150V esik rajta.
Mérd meg, hogy a kimeneti transzformátor anód oldalán is megvan-e ez a 150V (a 260V helyett). Ha igen, akkor a trafó jó és a C80 elkó, vagy C78 5nF hidegítő kondenzátor zárlatos - illetve átvezet. A C78-at simán kiveheted, anélkül működnie kell, ha az elkó jó. A nulla feszültség természetesen kevesebb a kívántnál ![]() Abban akár az EZ80 egyenirányító is lehet rossz. Esetleg biztosító kiolvadt. A hozzászólás módosítva: Aug 6, 2017
Azt hiszem, itt már bajban vagyok.
A kondenzátorokat még meg tudom keresni, de sajnos képzetlen vagyok hozzá, hogy a kimeneti trafó anód oldalát megtaláljam... Hjajj... Ha hogy találhatnám meg a rajz alapján? Esetleg meg tudnád jelölni a rajzon, hogy mely két pontról van szó?
Bejelöltem. A cső számozása alulnézetben értendő, a foglalaton tudsz mérni.
De először vedd ki C78-at, ha nem segít, kösd le C80-at is. Ha hibás volt, akkor szólnia kell anélkül is, legfeljebb erősen búgni fog. Ezzel nem okozol bajt.
Puffer elkó hiba lesz ez. C78, C80. Ha leforrasztja a középső kivezetéséről a vezetékeket, kiderül melyik, a bűnös.
Érdekes, csak most tűnt fel, hogy egy drága gyakorlatilag nagyszuper készülék, igencsak elbonyolított hangerő, és hangszínszabályozással, az ECC83 első triódájának munkapontját egy rácslevezető ellenállásra bízni, hát, meredek megoldásnak tűnik. A hozzászólás módosítva: Aug 7, 2017
Sziasztok!
Bocsánat, ha amatőr a kérdés, nem nagyon értek ehhez a témához. Van egy Fiat Punto 2/B autóba való fejegységem, ami halkan szól, minden üzemmódban (tuner, cd, cd-tár). A végfok szállhatott el? Vagy esetleg valamelyik kondi? Merre érdemes keresgélnem? Javíthatók ezek általában? Esetleg forrasszam át a panelt, a végfok környékén? Nem szedtem még szét. Ugyanebben az autóban egy szintén gyári kazettás egység jó hangerővel szól. Köszönöm a válaszokat!
Sziasztok!
Kellene egy kis segítség. Beépítettem az autómba egy kinai érintős rádiót. Minden jó rajta csak az FM sávon nem lehet semmit fogni csak pár száz méterre az adótól. Ezt olvastam, hogy ezeknek nagyon gyenge a vétele. Valamint azt irták a neten, hogy ha az AM sávok le vannak választva, akkor megfelelő lehet a vétel. Van ötlete valakinek, hogyan lehet ezt kivitelezni??? Kezdő vagyok, a rádiózáshoz nem nagyon értek, de ha valaki elmagyarázza biztosan meg tudom csinálni. Csatolok egy képet a belsőről. Kösz: Ati Idézet: Ez most valaminek a gépi fordítása lehet? Mert én ilyenről még életemben nem hallottam, pedig jó pár évet húztam le a szakmában, ahol autókból szereltem a rádiókat ki-be. Régi vágású szakember vagyok, az ilyen komputer belű mai rádiónak nevezett dolgokhoz már nem sokat értek, de látok a képeden kocka alakú ezer lábú processzorokat, FM tunert, és antenna hüvelyt. Csak egy dolgot nem írtál: Antennája van neki? Sajnos én is így jártam az öreg autó régi rádiójával. Amióta lelopták az autóról az antennámat nem nagyon veszi az adást. Ha rendes antennával sem szól, akkor vagy elfüstölt benne valami, vagy gyárilag hibás. Új rádiónál ez utóbbi esélyesebb. Kifelejtettek belőle valamit, vagy szállítás közben leejtették, és valamije eltört. Valamint egyes rádióknál láttam olyat, hogy: Local-DX (Helyi-távolsági) kapcsoló, ez esetben "local" állásban nem sok távoli adást tud venni a rádió. „Valamint azt irták a neten, hogy ha az AM sávok le vannak választva, akkor megfelelő lehet a vétel.” A hozzászólás módosítva: Szept 2, 2017
Hát igen én meg nem igazán értek hozzá. Antennája csak a külső, de mondom csak pár száz méterre az adótól fogja az adást. A kossuth rádió az bejön, de azt nem akarom hallgatni. Tőlünk 15km van egy rádióadó, de nem tudja csak a közelében fogni.
Lehet, hogy menűből érhető el a fecameca által említett local-DX kapcsoló...
kKöszi, megpróbálom.
A hozzászólás módosítva: Szept 3, 2017
Szerintem is szinte biztos, hogy a menüből kezel mindent. A kép alapján a processzorokat nem sajnálták belőle, miért lenne gagyi a rádió? Én láttam olyat, hogy eredetileg zsebrádióba való cuccok beépítve az autórádió házba, forgókondi, műanyag szár gyártva az eredetileg zsebrádióba való potenciométerre, 1darab TDA2003 monó végfok, na az igazi gagyi.
Na deha az erősítős antennád olyan, milyet Inhouse bemutatott az antenna erősítős topikban Itt: , akkor az antennád a ludas. De akkor is, ha öreg az autó, és megette a rozsda a talpát, vagy valahol szakadt a kábele.
Ilyen nekem is került az asztalra (még frekimérő is volt benne)...
|
Bejelentkezés
Hirdetés |


















