Fórum témák
» Több friss téma |
A váltóra készült relé fele egyennel már húz, majd leéghet. Soros ellenállással beállítható ugyan, de inkább egy mikrokapcsolót tennék oda, aminek a működtető lemezét a nyomógomb rugója nyomná...
Körülnézek majd, hogyan lehetne megoldani benne.
Egy dolog maradt még, a varázsszem most már nem sötét, viszont úgy nézem, kiakad teljes kivezérlésre. Ez látszik rajta, akárhova tekerem az állomáskeresőt.
Ha rámérsz a g1-re mit látsz? A jelzéskép teljesen nyitott triódára vonatkozik. A rácson 0...-22V közötti fesz "mozgatja a szalagot".
A hozzászólás módosítva: Okt 24, 2021
-2 V körüli, miközben a 6-oson 232, a 9-esen pedig 222 V áll be (utóbbi a rajz szerint 50 V körüli, viszont a rajzzal szemben a rádiómban R109 = 100k, és EM87-es cső van. Ez alapján amúgy az ellenállás jó úgy.) És ha jól értem a működést, akkor a nagyobb feszültség is oké, mert a rács mínuszba vitelével lehetne növelni a 100k-n eső feszültséget.
Az viszont nem teljesen tiszta nekem, hogy a rádióban mi állítana elő -20 V-os feszültséget. (Illetve hogy ha mégis megteszi, akkor a magnócsatlakozóra az miért jut ki leválasztás nélkül..)
A 87-esben van még egy trióda, így sokkal érzékenyebb. A magnó DIN kimenet 1M valószínűleg a poti meleg pontjára megy, a 47n után. A negatív vezérlőfesz az AGC diódán keletkezik AM-nél, FM esetén pedig az aránydetektor állítja elő.
Ha lekötöd a a rácsellenállást, akkor alapállásba kell beállnia a csíknak (2-3mm). Egy kondit kézbefogva és a másik kivezetését a rácshoz érintve látható a vezérelhetőség (életlen szegéllyel).
Kukáztam egy Sharp ST-1122 típusú tunert. Létezik ,hogy ebben nincs háttérvilágítás sem a skálának, sem a műszereknek?
Innen tötsd le a manualt, aztán meglátod.
De Ha gyárilag nincs -amit nem hiszek- aplikálhatsz rá fehér LED -ekbpl. A hozzászólás módosítva: Nov 12, 2021
Sziasztok.
Van egy semmiség kis aksis rádióm kb 25, 30 cm es antennával. Panelban lakom a 4. en az ablakban tökéletes a vétel, viszont akar egy kis elmozditás és már is zajos a vétel. A kérdésem az lenne nem lehet megbuherálni, hogy erősebb legyen a vétel? Próbáltam koaksz kábel belső kábelével de semmi változás. Csodát nem várok csak h ne az ablakban legyen. Köszönöm.
Sziasztok! Miért lehet az egy resprom A102-nél, hogy egy épített antenna van rajta és, mikor egy adón van rajta akkor viszonylag rosszul veszi az adást de ,ha közel viszem hozzá a kezem akkor sokkal szebben kezd el szólni?
Szia! Rossz az épített antenna vagy az antenna kábele szakadt/illesztetlen.
Óhh, köszönöm
Sziasztok! Van nálam egy Sanyo RP-7160 típusú rádió. Ugyanolyan, mint a képen látható. Sajnos szétment benne a forgókondenzátor. A tengely üresen forog, de nem viszi a lemezeket, semmilyen hullámsávon. Kicseréltem. Arra az egyetlen darabra, ami volt nekem itthon. Mondanom sem kell, nem tennék fel kérdést, ha ugyanolyat találtam volna. A helyzet az, hogy nem az enyém. De nem is fizetős javítás. Csak levettem a kollégámnak a polcáról, és szégyen volna rám nézve, aki egész életemben ilyeneket javítottam, hogy úgy adjam vissza, hogy tönkretettem. Az FM sáv nem volt áthangolva, a középhullám egyszerűen nem szólt, szerintem a forgókondenzátor azon része már akkor haldoklott. Az FM sikeres áthangolása után néhány oda- vissza tekerés, és megszorult a forgó zárt állásban. Majd megindult, de már csak a tengely, úgy, hogy azután csak egyetlen adót fogott. Nos, amit én találtam, kiváló. Mivel azt a rádiót sokáig használtam, tudom, hogy soha életében meg sem reccsent. Némi alakítgatás után sikerrel rögzítettem. Az FM rész príma. Semmit nem kellett alakítanom, az áthangolásom úgy tökéletes lett, hogy a tekercseken az utolsó 2-2 meneteket rövidre zártam. Így nem kellett őket kiforrasztanom sem, a művelet gyorsan sikerrel járt. A probléma benne az AM résszel van. Találtam a rádióról rajzot az elektrotanyán. Jó is a rajz, de a forgókondenzátor értéke nem derül ki. 2 x egyforma pF (de mennyi?) + 1800 pF az oszcilátor tekerccsel sorban. Úgy sikerült rajta beállítanom a Kossuthot középhullámon, hogy az 1800 pF megy a szemétbe, és még + 100 pF kellett rá párhuzamosan, hogy szóljon a Kossuth. Az valószínűleg a zsebrádiókban szokásos 200 + 100 pF forgó. Másik forgó beszerzése esélytelen. Az oszcillátor tekercsek cseréje szintén. A rajz alapján nagyon egyedinek néznek ki, nincsen bennük visszacsatoló tekercs, valószínűleg az IC-n belül oszcillál valahogy. Ti tudnátok rá jobb megoldást, vagy jó ez így. Úgyis már csak az FM sáv a legfontosabb.
A hozzászólás módosítva: Jan 1, 2022
Jó kérdés, az milyen koax kábel? A kábeltévék sem továbbítanak földi adást a digitális átállás óta, ha jól tudom. Legalábbis a Telekomnál már csak IPTV és internet van. A már halott központi antennarendszer koax kábele úgyszintén esélytelen, hiszen valószínűleg már régen leszerelték az erősítőjét. Csak egy saját külső antenna segítene, de kérdés, hogy ott a panelben hol tudnád elhelyezni. Erkélyetek van? Magát a rádiót össze lehetne hasonlítani egy ismert, jó másik rádióval, hogy az érzékenysége rendben van-e? Mert ha rendben, akkor nincs mit tenni. Ha a rádió rossz, akkor meg vagy megjavítani, vagy kicserélni egy másikra lehet.
üdv,ez a Sanyo nekem ,kb, 10ève megvan,áthangoltam tekercs cserèvel,ès az oszci kör+modulator kör áthangolásával,.
Kerámia kondik cserèje után,tökèletes èrzèkenysèg az FM-sávon ! Olyan erős telt hangja van,hogy mèg a folyosón,a halószobában is èrthetően hallani,a híreket,közèp hangerőnèl.. Ez bizony a 80as èvek ,közepe után,1-2èvvel kèszült.. Becsüld meg ,ritka jó masszív retró rádió. Skálahúr is tartja magát,nálam minden újszerű.
O.K. 1.: Ez a rádió nem az enyém. 2.: Ki kellett cserélni a forgókondenzátorát. és csak 200 + 100 pF -es AM rész van benne. 3.: +100 pF kellett az AM oszcillátorra, hogy a Kossuth rádió bejöjjön. 4.: Ez miatt az AM sávon semmi mást nem fog, rövidhullám sincsen. Érdemes manapság egyáltalán az AM sávokkal foglalkozni? Holnap már munkanap, megkérdezem a gazdáját, amikor visszaadom neki. u.i.: Az FM sáv nálam azonnal jó lett, a menetek összeforrasztása is elég volt neki (lustaság). Akkor még nem voltam rákészülve a forgókondenzátor cserére. Ha ezt előre tudom, akár ki is forraszthattam volna azokat a tekercseket. De emiatt nem szedem szét, így is tökéletes. Az egyik végén 2 menetet összeforrasztasz, széthúzogatod, ugyanolyan jó, mintha kicserélted volna.
Sziasztok!
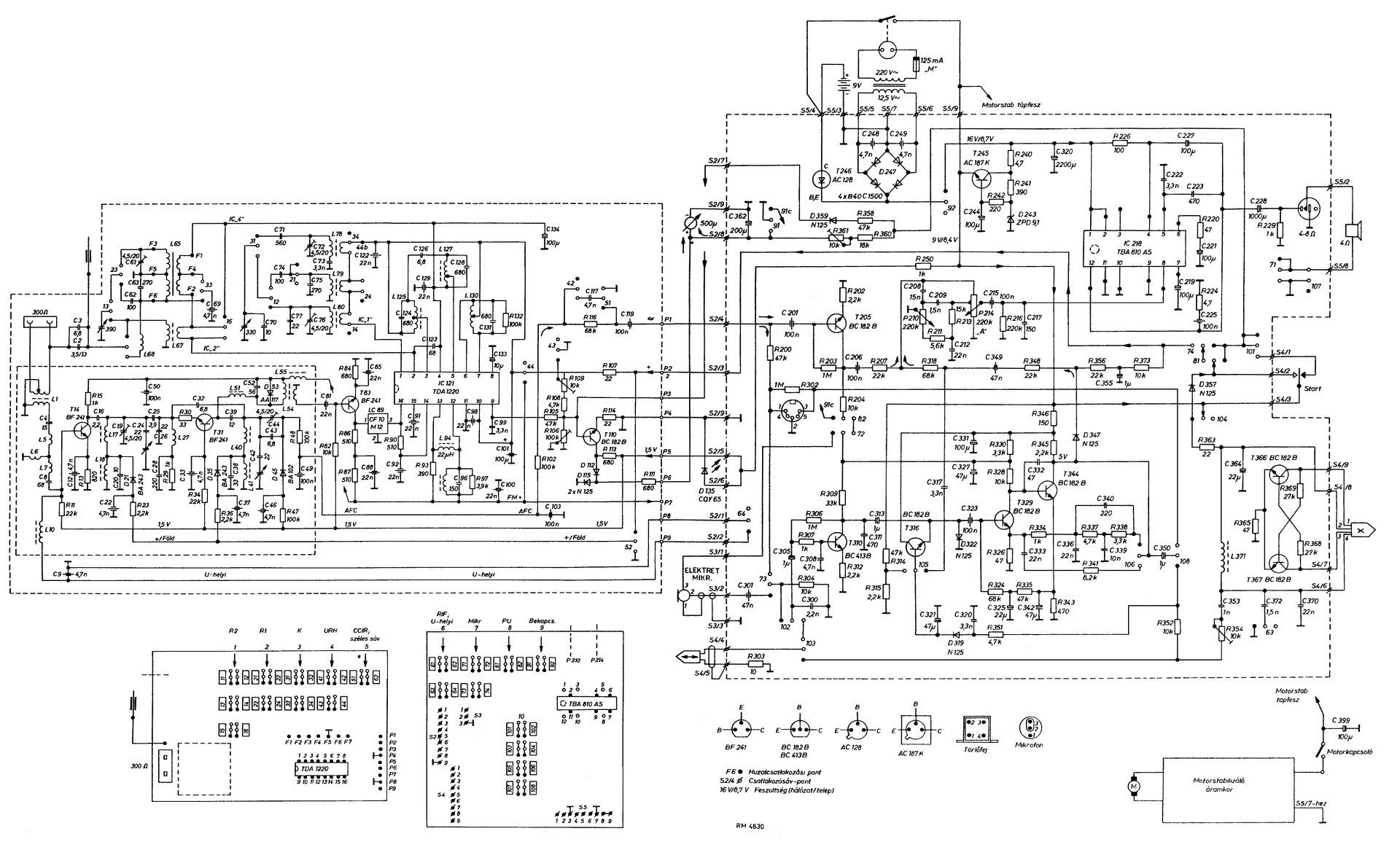
Egy Vidi RM 4630 van nálam ami egy munkatársamé. Évek óta nem használta, aztán most kellene neki, de meg se nyikkant. Odáig jutottam vele, (a bekapcs forrasztása volt rossz) hogy szép tisztán szól a rádió is és a magnó is, csak nagyon halkan. Teljes hangerőn úgy szól mint ahogy kb. 1/4-nél kellene. Mi lehet a gubanc? Talán a hsz. kicsatoló kondi? A hozzászólás módosítva: Feb 12, 2022
Sziasztok!
Kicsit off, de gondoltam rákérdezek... RFT Lausitz 2011 be való órája nincs valakinek? Már csak az hiányzik hozzá..
Miből gondoltad, hogy az volt rossz?
Idézet: „Ötlet???” Ötlet (ek) KH, URH, magnó -ról egyformán halk? (eldől, hogy merre kell kutakodni) Előszedném a kapcsolási rajzot. Ellenőrizném a táp, és egyéb munkaponti feszültségeket A hibásnak tűnő alkatrészt cserélném.
Én előszedtem...
Leggyanúsabb a C221, de a TBA810 környékén méregetni is kell(het).
Szia!
Mint azt feb.12-én írtam, szépen és tisztán szól a rádió és a magnó is csak maxi hangerőnél kb 1/4 hangerő jön ki. Az viszont tiszta és torzítás mentes. Régebben találkoztam (szintén Vidi rm), hogy hangerő növelésre torzult a hang és a magnó fordulata esett, azt a táp puffer elkó csinálta. Gondoltam, most hogy a magnó fordszám nem változik, nem is torzít valahol a végfokban lehet gebasz. A kimeneti kondit cserélve a hiba ugyanaz. Nem lustaságból kérek segítséget, hanem időhiány miatt. most is mennem kell a szüleimhez mert behalt a szivattyújuk és nem tudják locsolni a kertet. Sebinek: Köszönöm a rajzot! A C221 a feszültség erősítést határozza meg? A hozzászólás módosítva: Jún 12, 2022
Moderátor által szerkesztve
Igen, hatással van rá.
Itt a belseje a TBA-nak.
Sziasztok, nemrég szereztem 2 db Videoton R4900-as rádiót, mindkettő működik, de egyiken az összes kapcsoló kuka, így azzal más célom van, viszont a másiknál a kapcsolók is jók, működik, viszont nem, vagy nagyon nehezen találok vele adást.
A kapcsolási rajz megvan, a készüléket átnéztem, de a rádiózáshoz nem értek, így inkább itt kérek segítséget az újrahangoláshoz, beállításához, ha egyáltalán alkalmas a készülék arra hogy még ma is használható rádió legyen. Előre is köszönök minden hasznos hozzászólást
Idézet: „ nem, vagy nagyon nehezen találok vele adást.” Ha a Kossuth rádiót megtalálod vele, akkor jó az a rádió. Középhullámon az az egy magyar fogható. URH-n ne is keress, ez még OIRT-normás, a mai URH rádiók már mind a CCIR szerint mennek. Kidobni kár lenne (de biztosan nem is akarod), szép emlék, Déli Krónikát hallgatni (meg van még egy-két erdekes műsor, de már nem sok) tökéletes. Én biztosan nem hangoltatnám át az URH részét, de ez csak az én személyes véleményem. Állítólag némelyiket nem is annyira nehéz -ha azt szeretnéd elérni, majdcsak lesz rá tanács. Ui: találtam hozzá hasunálatit -hát nem túl szószátyár módon fogalmazták meg A hozzászólás módosítva: Jún 18, 2022
Üdv!
Segítséget kérnék. Van egy Dual Dab 9-es rádióm, ami nem akar működni! 220v-ba dugás után teljes hangerőn enyhén búg, a kijelző világítása nem működik, sötét, de megjelenik rajta az óra 00:00, és alatta a Welcome Digitális Radio! Gombokra nem reagál. Az erősítője jó, mert külső jellel meghajtva szépen szól! Mi lehet a baja? A hozzászólás módosítva: Júl 14, 2022
Köszönöm az infót.
Attól még világíthatna a kijelzője, a képeken halvány kék színe van. De Fm is van rajta, csak nem lehet kiválasztani, mivel nem reagál semmilyen gombra sem.
Cseréld ki az izzót ami a kijelzőt vilagítja meg.
A hozzászólás módosítva: Júl 15, 2022
Van hozzá használati utasításod? A kijelző háttérvilágítása menüből ki-be kapcsolható:
Idézet: „Wie Sie die Displaybeleuchtung einstellen Sie können die Displayhelligkeit sowohl bei Betrieb als auch für Standby einstellen. - Drücken Sie die Taste MENU 8 und wählen Sie > System und dann > Backlight (SELECT drehen und drücken). - Stellen Sie bei > Power on durch Drehen von SELECT 5 die Betriebshelligkeit in drei Schritten von High, Medium zu low ein. Bestätigen Sie durch Drücken von SELECT 5. - Stellen Sie bei > Standby durch Drehen von SELECT 5 die Helligkeit in Standby wie oben be- schrieben ein” |
Bejelentkezés
Hirdetés |













