Fórum témák
» Több friss téma |
Navégre! Elkészült az oda-vissza antennna. Hát végül ez egy végén lezárt fordított V antenna lett. Az AM és a hosszúhullámon sávon kiugróan jobb jelet ad mind jelszint, mind jel/zaj viszony tekintetében. Középhullámon tudja a fizikát, nevezetesen, hogy a lezárás irányból nagyobb jelet ad, ez igaz mind a tőlem délre lévő Solt, mind az északra lévő helyi miskolci adó tekintetében. Az északra lévő, 225 kHz-en sugárzó lengyel adó pont ellentétesen viselkedik, viszont így déltájban is nagyon szépen szól.
A földelés várakozásun felül jó lett. A kétcollos szondák bő 2 m-re vannak leverve. A szárazság ellenére 50 cm mélységben már kellemesen nedves volt a jellemzően agyagos talaj. A földelési ellnállást profi erősáramú műszerrel mértem 5,5 illetve 5 ohm lett. Mellékelet egy móricka ábárát a referencia RW antennáról maeg az újról + ahozzájuk tertozó képernyőképről. Vevő RTL-SDR.COM V.3
Szia!
Az mit jelent, az hogy a földelési ellenállás ? Mi között van ez mérve? Esetleg lehet e tudni, mennyi az ellenállás a két földelés között? (Amik 25 méterre vannak egymástól?) A hozzászólás módosítva: Ápr 15, 2020
Idézet: „A földelési ellnállást profi erősáramú műszerrel mértem 5,5 illetve 5 ohm lett.” Idézet: „Az mit jelent, az hogy a földelési ellenállás ? Mi között van ez mérve? Esetleg lehet e tudni, mennyi az ellenállás a két földelés között?” Azt másként mérik.
Sziasztok!
Miért hiányzik a 868 MHz-es sáv az ISM sávok felsorolásából a wikin? https://en.wikipedia.org/wiki/ISM_band kösz, üdv
A wiki az egy dolog, ott szinte bármi szerepelhet, itthon ez a jogszabály írja le, hogy mit mire lehet használni.
Nagyon hosszú, számtalan megjegyzéssel, próbáltam rákeresni a 868 MHz használatára, de nem lettem okosabb...
A mit mire lehet kérdésre talán Pucuka fórumtárs mond valamit.
Igen, ő szokta tudni az ilyeneket, sok időt eltöltött ebben
Mert a 868 MHz -es sáv nem ISM sáv, hanem harmadlagos szolgálat. (kisteljesítményű, kishatótávolságú berendezések SRD)
A 862 - 870 MHz mozgószolgálatok (légi mozgó kivételével) számára kijelölt frekvencia sáv. Ezen belül használható a kijelölt részsávokban SRD általános, SRD rádió helymeghatározó, SRD riasztó, SRD rádió mikrofon, SRD RFID alkalmazások, SRD vezetéknélküli alkalmazások számára, az egyes alkalmazások számára készített műszaki előírások alapján. Mivel harmadlagos a szolgálat, köteles eltűrni a mozgószolgálatok által keltett zavart, ill. nem okozhatnak zavart a mozgószolgálatnak. Magyarra fordítva, ebben a sávban a mobil adók frekvenciái vannak (a mobil szolgálat duplex frekvenciáinak felmenő ága), azt a kisteljesítményű SRD adók nem zavarják, (adó az adót nem zavarja) de visszafelé a mobil adó is csak addíg zavar, amig az az SRD közvetlen közelében van, aminek a valószínűsége az idő kis százalékában áll fenn. A bázisállomás vevőjét zavarhatná, ha nem lenne a korlátozás. (ezért nem engedélyezett a külső, nyereséges antenna használata sem) A hozzászólás módosítva: Ápr 15, 2020
Igaz, hogy a műszer egy profi érintésvédelmi mérőműszer, de a mérés nem volt teljesen precíz. A műszerrel hurokimpedanciát mértem, tehát az erőátviteli transzformátortól a műszerig a fázisvezető impedanciája is "bele van mérve" de ez elhanyagolható, szokásos értéke tized ohm nagyságrendű, így a mért érték azért elég pontos. Következésképpen a két szonda között 10 ohm körüli ellenállás lenne mérhető.
Maga az antenna rövidhullámon is sokkal jobb, mint az összes eddigi, ráadásul tgnapi tapasztalatom alapján az oroszokat nem nagyon szereti. Tegnap egy kitelepült kolléga valami aktivitás keretébe a Fertő-Hanság Nemzeti Park területéről cékúzott és folyamatosan panaszkodott a belógó orosz állomásokra, amiket én itt Miskolcon alig hallottam.
Idézet: „mérés nem volt teljesen precíz” Ha kötözködni akarnék (de nem akarok), akkor inkább azon "rugóznék", nem azon a frekvencián mérsz, ahol használod a földelést. Ugyanakkor te legalább mértél, és az az ~5 Ohm szerintem egészen elfogadható vételre.
Kösz, így már érthető. Van egy Conrados 868 megás fűtésvezérlő rendszerem, ezek szerint az nem tartozik az ISM kategóriába...
Haszál-e itt valaki E32-433T20DC LoRa modult? A buffereléssel kapcsolatban lennének kérdéseim. Kösz.
Az ISM sáv maga is többszörös felhasználású. Alapvetően az orvosi vezetéknélküli, és terápiás felhasználásra különítették el, de a műszaki előírásai miatt eléggé kis környezetben okoznak zavart, ill a kis távolságok matt (pár cm, de max 1 m) eléggé zavartűrőek. Ezért van lehetőség más vezetéknélküli szolgálatok korlátozott működésére.
Az egyszem frekvencia készlet jobb kihasználására ahol csak lehetővé teszik a zavarviszonyok, engedélyezik az elsődleges felhasználás mellett a másodlagos, harmadlagos szolgálatok működését szigorú prioritási rendben. Egy másodlagos, vagy harmadlagos szolgálat működésének engedélyezését komoly vizsgálatok előzik meg, és az engedélyezéséről a döntés világértekezleteken (WARC) születik meg. Ezek több éves folyamatok. A hozzászólás módosítva: Ápr 16, 2020
EME üzemmódról egy összefoglaló.
Az utolsó 6 8 oldala történeti áttekintést is ad az alkalmazásáról. Habár mókás lehetett az ringó hajóról akkora "lavórral" célozni a holdat. Amikor már volt műholdas technikája a US NAVY-nak akkor ezt már nem használták. A valójában csak pár héttel maradtak le Bay Zoltánék az USA-beli holdradar kísérlet elsőségről. Yenki fejlesztőknek ("s€..e ki volt ny@..." ), milla dolláros támogatás volt mellettük + a "kényelmes hátországi élet". Nálunk meg akkoriban folyamatosan bombázták az országot, így folyamatosan menekíteni kellett nyugatabbra a technikájukat Bayéknak, no meg folyamatosan újra tervezésről szólt az életük. Abból dolgoztak ami meg-meg maradt a készletekből. A hozzászólás módosítva: Ápr 17, 2020
Utólag sokmindent lehet állítani. Régebben mindent az oroszok találtak fel, újabban az amerikaiak. no comment.
A radar amerikába az angoloktól került át, az angolok, meg a németektől szerezték kommandós akcióval (cakum pakk, emberestől, antennástól, berendezésestől). Nem tudtak mit kezdeni vele, ezért adták az amerikaiaknak. A németeknek is kevés radarjuk volt, nem tudtunk tőlünk szerezni, ezért kellett Bay Zoltánnak is kvázi feltalálni. Ő csak annyit tett hozzá, hogy rájött arra, hogy magasabb frekvenciákon könnyebb kilépni a föld légköréből, kisebb az ionizált réteg csillapítása. Ehhez fejlesztett nagyteljesítményű, és kiszajú nagyfrekvenciás csöveket. A németeknek, így az angoloknak is csak viszonylag alacsony frekvenciájú radarjaik voltak, nagyméretű antennákkal, ez katonai célra meg is felelt, de az EME -hez nem. Ezt bizonyítja az is, hogy 44 - 45 elején csak hajóra telepített radarjaik voltak, nem túl nagy hatótávval, rombolókra, csata, és anyahajókra telepítve. Persze az amerikaiak gőzerővel folytatták az antenna méretcsökkentés lehetőségeit, hogy repülőkre is lehessen szerelni. Ehhez nagy segítségükre lehetett (gondolom) a Tungsram amerikai kapcsolata is, bár azt nem tudom, hogy akkor ez mennyire volt működőképes, de előtte már nagy valószínűséggel volt tudomásuk a báriumkatódos csövek kísérleteiről. Ezekről biztos nem lesz pontos információ több okból, de a fejlődéstörténet időpontjaiból jól valószínűsíthető, hogy ki volt előbb. Az biztos, hogy könnyebb fejleszteni állami finanszírozással nyugodt környezetben, mint bombázgatva, pénzhiányoa működéssel. A hozzászólás módosítva: Ápr 17, 2020
Aztán van az a része, hogy a "lopakodót" egy "ósdi" radarral lehet látni és igy le is lőni...
Haditechnikában, itt előnyökben soha nem lehet biztos az ember. Íme nem új csodaradar, hanem "ósdi" meglátja. Ez nagy koppanás lehetett.
Az "ósdi" orosz típusú radar 27 MHz -es volt. Erre nem volt felkészítve a lopakodó. Ma már a legalacsonyabb frekvenciájú 150 MHz -es (ez is orosz), de amerikában már ez sincs használatban.
A hozzászólás módosítva: Ápr 17, 2020
Én úgy hallottam a sztorit, hogy amikor Bay Zoltánék már majdnem elkészültek vele, akkor a visszavonuló német csapatok minden könnyen mozdíthatót magukkal vittek a gyárból.
Ezután a felszabadító csapatok vittek el minden nehezebben mozdíthatót (nekik volt idejük alaposabban leszerelni...). Majd ezután harmadszorra nekiállva, a nulláról beindítva a gyártást és egyebeket, sikerült a kísérlet.
Jól "hallottad", még az ilyen gyár költöztetés is nehezítette a dolgukat, persze munkatársíkkal együtt.
Szevasz!
Az angoloknak 44-ben (talán 1 évvel előbb) már volt repülőre (SwordFish>Cekker) telepített radarjuk, az északi tengeren konvojkísérő hajókról üzemeltek, tengeralatt járókat kutattak, "tartottak lenn", nagyjából ettől az időszaktól datálható, hogy "megnyerték" a konvojháborút. Felmerült tengeralattjárót 20km-ről észlelhették, snorkellel (jól írtam?) max. 2-3. Egy pilóta regényében írja le (Kardhal) bevonulástól leszerelésig. Érdekes olvasmány... Üdv: StMiklos Ui: Bayék kisérlete a holdradarral még érdekesebb , föleg a kulométer kitalálása, az amik akik 1-2 hónappal (?) előzték meg őket, megismerve, gratuláltak az eredményhez.
Igen, az már a kb 100 MHz -es tartományban működött, és igen jól mutattak a repülőgépek orrán a Yagi antennák. Mert magnetronjuk volt ugyan, de nagyfrekvenciás vevőcsöveik nem.
Amennyire tudom, angol-amerikai együttműködés kapcsán megosztották isnereteiket és félretették a szabadalmi oltalmat a fejlesztések gyorsítására.
Még a háború kezdete előtt , alig 1 évvel az angolok kiépítették telepített lokátoraikat, már ez is nagy szó volt, de még nagyobb az erre épülő preciz repülő "rávezetés". Erről is van könyv: A nagy lokátorháború. És a bombázókra telepített radarral (H2S, jó ideig nem engedték ki anglia légteréből titkossága (gyors másolhatósága) miatt a repülőket, csak a célkijelölő Mosquitok használhatták az első időben.
A nagy lokátorháború szerintem jó könyv.
A könyvben ha jól emlékszem azt írják, hogy még egy repülőgépet is felrobbantottak az angolok, amiben magnetron volt. Azt próbálták ki, hogy ami marad a magnetronból, hogy abból kideríthetik-e a működési elvét a német tudósok. Abban maradtak, hogy kideríthető, ezért nem engedtek ilyen gépeket a németek által megszállt területek fölé.
Szevasz!
Jól emlékszel (emlékeztettél) rá. A háborút magát nagyon nem szeretem, de a hozzákapcsolódó kevesek által ísmert, és rá mégis nagy hatással lévő háttér műszaki dolgok és körülmények érdekelnek. Mint amikor az angolok egy kommandó akció keretében egy komplett Würzburg radart megszereztek, mert egy légifelvételen valakinek feltűnt egy "hösugárzó" ami gyakran Angliába nézett... Talán erről egy film is készült? Vagy csak én "filmesítettem" meg? Üdv: StMiklos
Film nem rémlik erről, de én nem vagyok nagy filmfogyasztó...
Minden háború, minden borzalmai ellenére igen gyors technikai fejlődést hozott a mai napig is.
Elég csak arra gondolni, hogy a több célt egyszerre követni képes radar antenna rendszerét használják a 4G, 5G hálózatokban gazdaságosabb, hatékonyabb működés elérésére azáltal, hogy az antenna iránykarakterisztikáját úgy állítja, hogy csak a partner állomás irányába ad, a feltétlen szükséges teljesítménnyel. Így egy antenna panel több irányt tud szelektálni egyszerre, nagyjából 90 100 fokos irányba, ugyanazon a frekvencián.
Sziasztok!
Bay Zoltánék kísérlete minket is ösztönzött arra, hogy EME kísérleteket végezzünk. 1997-ben kezdtük a számolásokat és készülékek fejlesztését. 1296MHz-es amatőr sávban egy 3m átmérőjű amerikai háló parabolával tettük az első lépéseket. Saját készítésű berendezésekkel saját pénzből sikerült az eszközöket létrehozni. Nem kis feladat volt beszerezni a kiszajú előerősítőket, legyártani az antenna fejet, és a kimenő teljesítményt megfelelő szintre hozni. Kezdetben a parabola mozgatását kézzel, távcső vezetéssel oldottuk meg. A későbbiekben mikroszámítógép vezérelte. Az első saját visszhang észlelése nagyon nagy élmény volt. Később egy Andrew tele tükör került a torony tetejére. 1998-99-es években nagyon sok EME versenyen vettünk részt. Sok QSL lap érkezett a világ minden tájáról. Nagyon sok elismerést kaptunk a partnerektől. Sok lényegesen jobb teljesítményű és nagyobb antennával rendelkező állomás is gratulált. Az állomáshoz az akkori Hírközlési főfelügyelettől kértük és kaptuk a hívójelet HA5SHF. Nagyon sok hétvégét és éjszakát töltöttünk a műhelyben. Ha megengeditek az alkotók hívójelei: HG5BMU Gondos Csaba: teljesítmény erősítő, mechanika. HG5AZB Biczó Csaba: előerősítő konverterek, az ötlet kitalálója. HA5BGL Király Csaba: operátor. HG5ED Peres Ernő: mérési lehetőség, elméleti gyakorlati megvalósítások. HA5AWS: Székely Gábor: QTH, mechanikai szerelések. Nagyon sok segítséget kaptunk amatőr társaktól kiket felsorolni is nehéz lenne. Remélem nem zavartam senkit soraimmal. Üdv: Gábor
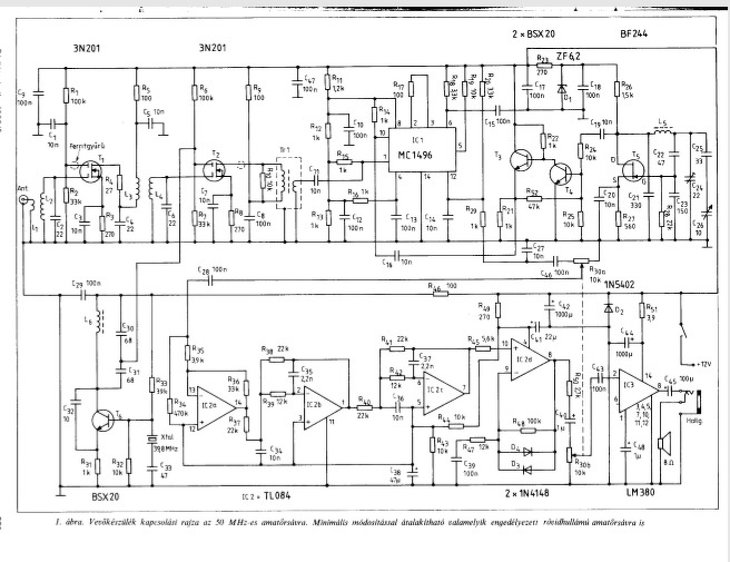
A Rádiótechnika 1988/5. számában találtam egy leírást, miszerint egy 50MHz -es sávra készítettet vevőkészüléket mutatnak be. Esetleg erről a készülékről lenne tapasztalatotok, illetve véleményetek?
A hozzászólás módosítva: Máj 5, 2020
|
Bejelentkezés
Hirdetés |










