Fórum témák
» Több friss téma |
Valóban. Az elkészített PCB-n is hasonló van.
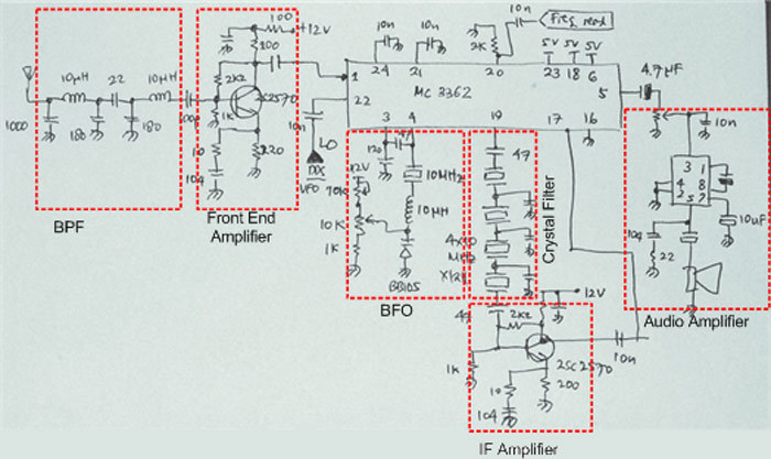
Ebbe a vevőbe szerintetek a szerző, miért használ 2SC2570 tranzisztorokat?
Ez volt a fiókjában , talán kisebb zajú volt mint amit eddig használt ... stb.
Néztem a helyettesítő típusait. Nem nagyon gyakori tranzisztorok. Így vagy beteszek kisebb freki türést elviselő tipust, vagy 2N3904, stb.
Csak akkor meg a munkapont "mászik el".
80m-re szinte bármilyen kisjelű NPN tranzisztor megteszi. Ha nagyon RF tranzisztort szeretnél, egy BF224 biztos akad ott a fiókban.
Mindenképp RF tranzisztorokat (BFxxx) használj, akkor is, ha fT szempontjából hangfrekis tranzisztorok is jók lennének.
Ökölszabályként: fmax = fT/10. Eddíg nincs különösebb gond, felette már kompenzálni kéne, az meg nehéz kenyér. A hFE se nagyon legyen sokkal nagyobb 100 -nál.
A hozzászólás módosítva: Szept 13, 2021
A munkapontért a DC erősítés a felelős, ha abban hasonló a kettő, akkor jó lesz ebből a szempontból!
A határfrekvencia igényt ezen felül az üzemi frekvencián elvárt erősítés<fmax/füzemi adja meg nagy vonalakban! (Ahol fmax=fT - a tranzisztor határfrekvenciája) Ha ezeket betartod, nagyot nem tévedsz már.... A hozzászólás módosítva: Szept 13, 2021
Itt valami készül.
Kísérleti célból egy darabig megcsináltam az SSB 80m vevőt. Az eredeti kapcsolási rajzhoz képest, amit változtattam, illetve ami a fiókban volt: 2SC2570 ---> BF241 BB105( 5 pF - 16 pF/30V) ---> MV209 (5 pF - 26 pF/30V) 3 kΩ ellenállás (MC3362 20-as láb) ---> 3,6 kΩ A szűrő tekercseit megtekertem és LCM2 műszerrel beállítottam 10µH értékűre. A szűrő kondenzátorait, is válogattam. A 10 MHz -es kvarcok is szintén válogatottak. 20 db állt rendelkezésemre, abból a 10 MHz-hez közel eső értékeket válogattam ki. A 10 MHz-es kvarc szűrő kondenzátorainak értékét nem tudom kiolvasni a rajzról. A potméterek ideiglenesen vannak csak beforrasztva. Már megrendelve a 10 kΩ-os műanyag hosszú tengelyű potméterek. ![]() Sajnos a szerző az eredeti cikkben nem írja le, hogy BFO- t hogyan illeszti az MC3362-eshez. Azonban az áramkört a BFO nélkül is élesztettem. A tápfeszültségek rendben, a hangszóróból gerjedés hangja nem hallatszik, szép tiszta , halk zúgás van a tápfeszültségek rákapcsolása után. Egyelőre eddig jutottam. ![]() ui: Sajnos BF224-et nem találok, pedig azt hittem van. A hozzászólás módosítva: Szept 22, 2021
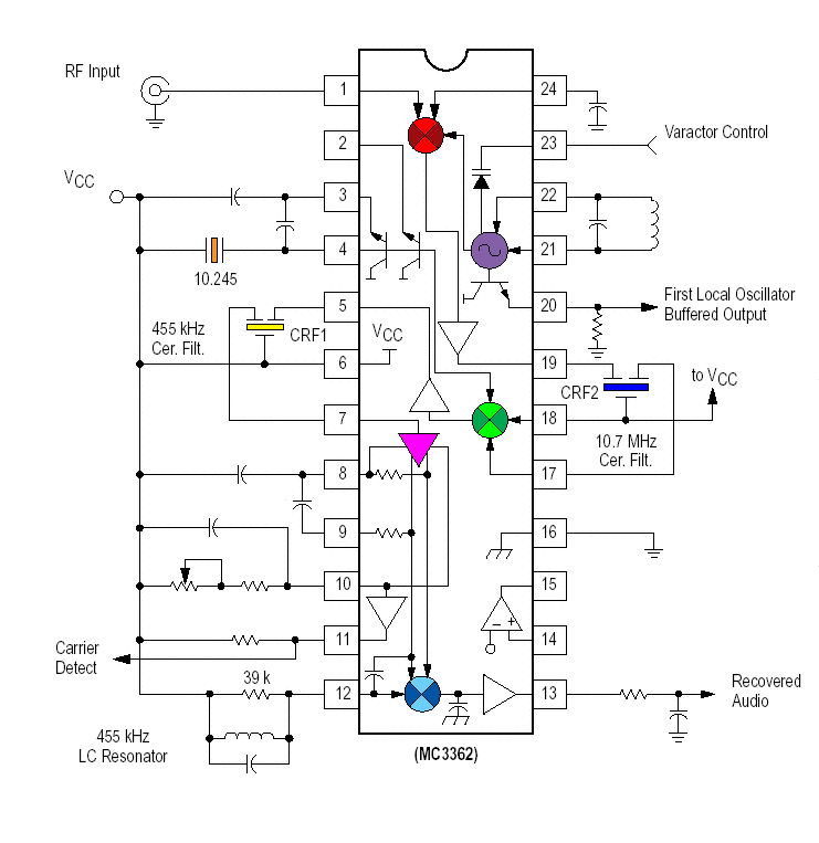
Idézet: „hogy BFO- t hogyan illeszti az MC3362-eshez. Azonban az áramkört a BFO nélkül is élesztettem” (pedig be is építetted "véletlenül") Az MC 3 4 lábán van egy oszci szerűség 10 MHz kvarccal és egy varikappal Gyanúsan az lesz a BFO-ja CW-U/LSB üzemódokhoz. IC adatlapja alapján sejthető melyik pontja mit csinál benne. VFO-t azt 22es lábán adja be DC leválasztó kondin keresztül. KF freki +/- vételi értékűt (alsó vagy felső keverést végzel annak a függvényében 7 vagy 13 MHz kell oda kívülről) Idézet: „A 10 MHz-es kvarc szűrő kondenzátorainak értékét nem tudom kiolvasni a rajzról.” Rakjál be 1 1 varikapot helyettük és máris változtathatod a sávszélességet is n+1. potival. ![]() esetleg Lessél a Taurusra 47 pF van 10MHz-es KF-re . TAURUS TCVR A 20as lába az a belső (22-21 lábai) oszcijának a kimeneti puffer elválasztó fokozatának kivezetése ami a külső PLL , frekimérő, stb felé illesztené a belső oszcillátort. Idézet: „potméterek ideiglenesen vannak csak beforrasztva.” Mit csinál a durva és a finom mit állítanak?! A hozzászólás módosítva: Szept 22, 2021
Idézet: „Idézet: „potméterek ideiglenesen vannak csak beforrasztva.” Mit csinál a durva és a finom mit állítanak?!” OK rájöttem ... BFO-t tekeri durván és finoman .(ránagyítva a rajzra) A hozzászólás módosítva: Szept 22, 2021
A KF fokozat életképésséget egy az n+1. megmaradt 10 MHz kvarcból épített oszcillátorral letudod ellenőrizni.(vagy RF generátorral)
Pár centis szigetelt dróttal belógatod a külső 10MHz +/- pár 100 Hz oszci jelét az IC fölé akkor meg kellene szólalnia a hangszóróban. (külső jel frekvenicáját változtava vagy a BFO potikkal a fütymélypontokat keresgélheted, részben a Q szűrő sávszélességét is meg mérheted ha a külső jelet le/fel 3-5-10 KHz el tekered) Ennél egyszerűbb lehet ha zajgenerátorral hajtod meg a 19es lábán nagyon lazán pár pF-es kondival becsatolva a zajgenerátort. A hangszóró kimenetét pedig hangkártyára kötöd és hangfrekis spectrum ábrázoló programmal nézed a változásokat. A hozzászólás módosítva: Szept 22, 2021
Valóban az a BFO, csak a blokkvázlaton 10 MHz VXO-nak nevezi. Az összekevertetem.
Rendben. A "szokásos" módon ellenőrzőm.
Varikapos Q filter jobb lehet mert ha jol remlik a Taurus CW TCVR mint fonia .
Ezért kicsit keskenyebb a Q filter , persze minden a kvarcok es koroluttuk levo kondik es egyebb szort parameterek Hatarozzak meg savszelesseget ... Idézet: „Rakjál be 1 1 varikapot helyettük és máris változtathatod a sávszélességet is n+1. potival.” Milyen típusú varikap lenne a megfelelő? Mármint a varikapok paramétereit tekintve. pl. BB112? Idézet: „A 20as lába az a belső (22-21 lábai) oszcijának a kimeneti puffer elválasztó fokozatának kivezetése ami a külső PLL , frekimérő, stb felé illesztené a belső oszcillátort.” Igen, ezért van a kimeneti tranzisztorához a 3 kΩ -os ellenállás. Azonban ezen a lábon bizony most nincs jel. Vagy csak nem sikerült lemérnem. A hozzászólás módosítva: Szept 22, 2021
Blokk vázlat alapján könnyebb mesélni:
Idézet: „dézet: „A 20as lába az a belső (22-21 lábai) oszcijának a kimeneti puffer elválasztó fokozatának kivezetése ami a külső PLL , frekimérő, stb felé illesztené a belső oszcillátort.” Igen, ezért van a kimeneti tranzisztorához a 3 kΩ -os ellenállás. Azonban ezen a lábon bizony most nincs jel. Vagy csak nem sikerült lemérnem. ” Amint látszik a 21 22 lábakból lehet a I. lokál oszcit létrehozni (sacc/kb 4-500 MHzig). Jelen esetben nálad nincs semmi se kiépítve mert külső VFO jelet vár. A 20-as lábon van egy emmiter követős kimenet , ott addig nem is fogsz mérni jelet amíg nem rezeg az oszci (21-22 L/C körrel vagy külső oszci jellel táplálva a 21-n). Varikapból pedig olyan lenne jó ami kb.: 8-10 Voltnyi változásra kb.:100-200 pF változást produkál. Kell némi drop a tápfesz és a varikap stabilizálása közé.
Jól feladtad a leckét. Ilyen diódám sajnos nincs, ami ilyen tulajdonsággal rendelkezik.
Azért ez nem az a meredekség, amiről itt szó volt )
sany: Viszont a BB112 bőven jó....
A BB112 mégis varicap, nem egy kommersz dióda.
Van, ha kell..
Azt én sem mondtam, hogy olyan jó mint egy varicap, de minden dióda szokta változtatni záróirányban feszültségtől függően a kapacitását. Az meg hogy mekkora, azt a többi alkatrésszel nagyjából kompenzálni lehet.
Ha tényleg van a fiókban, akkor 145 Ft szerintem még most is a posta. Nagylelkű gesztus lenne szerintem, mert ahol Sany lakik, szerintem nem sok alkatrész bolt van. Legalábbis annó nem volt, szerintem.
Erről egyszerűen nincs értelme vitát nyitni.
Nem kell vitatkozni
Volt aki buzgóbb volt és kíváncsian végig mért ezt azt : hanssummers Én duál (szembe kötöttek) ledeket mértem régebben LCM-3al hasonló módon, azon nF-os értéket is mértem, mikor már kezdett nyitni (derengeni az aktuális nyitó irányú LED) . A hozzászólás módosítva: Szept 23, 2021
|
Bejelentkezés
Hirdetés |






Csak akkor meg a munkapont "mászik el".
Kísérleti célból egy darabig megcsináltam az SSB 80m vevőt. 


BFO-t tekeri durván és finoman .








