Fórum témák

» Több friss téma
Fórum » Rendőr villogó
 
Témaindító: Lacide, idő: Szept 30, 2006
Lapozás: OK   6 / 6
(#) Auth Zsigmond válasza monica66 hozzászólására (») Márc 1, 2012 /
 
Valahol el kell kezdeni... Nem akarlak megbántani, de azt hiszem, kicsit nagy fába vágtad a fejszédet, Mónika.

Persze, az jó, ha az ember duplán vesz mindenből... bár lehet, hogy EGY szakkönyv, vagy EGY szakmai dokumentáció többet segíthetne. Bár, egy szép magyar közmondás szerint "vak tyúk is talál szemet".

Bocsánat, nem megbántani akartalak, a lényeg a "vak"-on van, nem a "tyúk"-on...
(#) jacoka válasza monica66 hozzászólására (») Ápr 29, 2012 /
 
Szia,
Egy kollégámmal állóhelyzeti stroboszkópos sztereo sárga villogót fejlesztünk (forgalomtechnika), 5-5db 0.5w-os sárga leddel, PIC-el, MOS-FET-es kimenettel és több választható villogási üzemmóddal.
Ha érdekel a jövő héten lesz 10db kész vezérlőpanel, de mi sárga LED modult készítünk epoxi gyantába öntve.
A led modulokat Neked kellene elkészítened hozzá.

Üdv
(#) lacikacikacika hozzászólása Jún 29, 2017 /
 
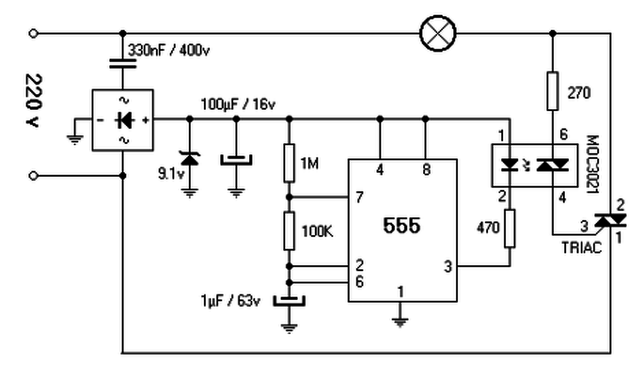
átjáró lámpáhozoz segítséget kérek

dibujo1.png
    
(#) lacikacikacika hozzászólása Jún 29, 2017 /
 
áramingadozásra elrobban a kondi. Lehet ezen módosítani?? Amúgy jól működik!
(#) uniman válasza lacikacikacika hozzászólására (») Jún 29, 2017 /
 
Idézet:
„"Kondi"”
...van benne néhány, de legfőképpen kondenzátorok.
Elsőre feltűnik, hogy a 330 nF "kondi" meg a 100µF-os puffer elektrolit kondenzátor nem "passzol" egymáshoz. Bővebben: Link
Kérdés melyik hibásodik meg. Egy kis trafó beépítésével bizonyára a gond megszűnne...
A hozzászólás módosítva: Jún 29, 2017
Következő: »»   6 / 6
Bejelentkezés

Belépés

Hirdetés
XDT.hu
Az oldalon sütiket használunk a helyes működéshez. Bővebb információt az adatvédelmi szabályzatban olvashatsz. Megértettem