Fórum témák
» Több friss téma |
Sajnos PIC vagy AVR vagy egyéb mikrokontroller.
Viszont a PDF-jében van mintapélda ami működik is.. Sőt itt a fórunom is van ilyen topic. (rfm12bs) van 0.5W-os modul is ami az adatlap szerint 3km- hatótávot ír. Nekem elsőre működött.
ha nem zúl sok az adat, elérhető un. csomagküldés és ekkor már lehet az egyes adások között szünet. Az rfm12 adó és vevő egyszerre, ezért képes lehet az adó akkor pofázni, amikor csönd van éppen.Vagy amikor az egyik adó a kiadott azonosító jel után befejezte.akkor kezd adni a másik....
Mikrokontrollerrel elég sokféle dolog megoldható...
nem lassítja be, mert addig nem telik meg a puffer egyetlen bittel sem, amig a neki címzett azonosító nem jön meg.a vevő csak ezután kezdi tölteni a puffert.Ergo zavarok sem terhelik a vevőt semmilyen adattal.
32 bit kb 1/20 adó/szünet arányt jelent.
A vevő, ahogy nézem az adatlapját elég korrekt jószág. Az RF zavar tulajdonképpen a vevő bemenetén keletkezik, és a vevőnek is van némi zavarvédelme. Ebből a szempontból nem volt jó választás AM átvitelt választani. Az FSK átvitelnek (vevőnek) még a saját csatornás zavarvédelme is nagyobb, ami azt jelenti, hogy közelebb teheted a vevőhöz a zavaró adót, mint a sajátját. A belassulás annak a következménye, hogy a zavar hatására vevő nem tudja demodulálni a jelet. De ez is csak akkor igaz, ha hibajavító kódolást is használsz ami jelzi a hibát, és újraküldeti az adatcsomagot.
Emésztem a leírtakat köszi nektek. A Manchaster kódolás az sokat javít a hatótávon? Én azt alkalmazom itt is, hogy az 1-bit kétszerese a 0-nak és nézem a megszakításban hogy hosszabb e a 0-nál akkor 1 ha rövidebb akkor 0. A frekvencia mérő így a 32 bit elküldése kb 10ms szünettel olyan 1khz et mutat, de a hatótáv irgalmatlan gyatra. 5 méter kb.
Köszi, de én pont az RF modult szeretném megépíteni (ha lesz majd rá időm). Az, hogy majd mire használom, még én sem tudom, de mindegy is. Csak a lényeg, hogy képes legyek rádióhullámokon jelt átvinni.
Szia, a manchester kódolás azért kell, hogy ha esetleg több egyforma bitet küldesz egymás után, akkor is szinkronban maradjon az adatátvitel. (Nem változik a hatótáv.) A rövid hatótáv több ok miatt is lehet. Nem megfelelő táp az adó és-vagy vevő oldalon vagy nem megfelelő antenna.
Üdv.: Miki
Sziasztok
RF távirányítót keresek (433MHz AM moduláció) ami négy gombos és HCS300 vagy HCS301 encoder van benne. Talán a három gombos is megfelel, de inkább négy gombost keresek. Az RF távirányító megépítése is érdekel főleg a PCB antenna kialakítása. Ebben az esetben 3-4 gombos távirányító házat hol lehet kapni? Bármilyen információ kész távirányító vásárlásával vagy elkészítésével kapcsolatban érdekel. Előre is köszönöm.
Belecsaptál a lecsóba, a vastagabbik végét fogod a dolognak. A PCB antenna strip line technológiával készül, elég nehéz megtervezni, legjobb, ha szerzel egy ilyen célra tervező programot. Magát az dó vevőt is elég problémás megépíteni szaktudás, és műszerek hiányában.
Ezért keresek gyári távirányítót, amit csak programozni kell. Eddig nem találtam. Esetleg nem tudod, hol lehet távirányítót venni? A PCB antenna helyett esetleg vezetékből egy loop antenna is megteszi.
A legjobb, ha veszel egy gyárit. Abban minden benne van, ami szükséges a működéshez. A vásárláshoz én is csak azt tenném, amit te is megtehetsz, beírod a gugli keresőbe, és válogathatsz.
Sziasztok !
Van egy 3 csatornás távirányítóm a repülőmhöz (27.195 mhz-es ) , de a vevő benne négy csatornás, így 1 plusz jelre lenne szükségem "csak". szóval valahogy kell bele még egy csatorna... az ic benne : P6347_051_437000
Ha valakinek van ötlete ,hogy hogyan tudnám a 3 sávos adót 4 sávosra átalakítani az érdekelne ... szétszerelt kontrollerem gombjára kötném és lenne akkor csűröm is ...
Segítsetek !
Az, hogy hány funkciót tud kezelni a távirányítód, az attól függ, milyen enkóder/dekóder párost használsz (az az IC ami látszik). A legtöbb ilyen 4, ill 5 funkciót tud kezelni. A tiedben nem tudom milyen van, ami számokat leírtál, abból nem lehet kihámozni. Próbáld megkeresni az adatlapját, vagy ha vannak üres lábai amelyek egymás mellett vannak, abbók esetleg ki lehet deríteni, hogy van-e egyáltalán ilyen lehetőség.
Köszönöm fiúk !
sajnos az ic-n csak ennyi van ... a lábainál vannak szabad lábak viszont. Gombot csinálok hozzá , a vevője képes fogadni a 4. jelet, és a buta távirányiton is ki van alakitva a 4. ch a hely ... csak ott üres ... hogy érted ,hogy a negyedikhez tartozó értéket kell csak megkeresnem ? kösz fiuk ! Kell a segítség.... , mert kell az a negyedik csatorna, még ha IC-T IS KELL BENNE CSERÉLNEM.
Akkor meg van a feladat. Megnézed, hogy az aktív lábakat hogy lehet izgatni, ugyanazt megépíted a nem bekötött lábra mint a működőknél, a vevőnél a dekóder ic hasonló nem használt lábán feszültséget mérsz, és megnézed, hogy átjön-e valahogy a kapcsolgatás. Lehet, hogy a dekódernek nyitott kollektoros kimenete van, ezt a működő lábak kapcsolásából tudod kideríteni.
A hozzászólás módosítva: Márc 5, 2013
Üdv. Ezt a kapcsolást szeretném módosítani hogy nagyobb távolságra is használható legyen. Erre van egy HM-T868S - HM-R868S adó-vevő párosom. Egy tv-tv távirányítóba beleépíteném az adót, ami a 2db ceruzaelemröl menne is, a vevőt pedig a mikrovezérlőhöz kötném. Arra lennék kiváncsi hogy ez így működhet-e, és ez Enable lábbal mit kell csinálnom a vevőn? Válaszokat előre is köszönöm.
Sziasztok!
Ezt a kapcsolást láttam a fórumban: http://www.hobbielektronika.hu/forum/getfile.php?id=112870 Az lenne a kérdésem, hogy ezzel szerintetek meglehetne csinálni a fordulatszám szabályzást a két motorra külön külön? Sajna, nem találtam fordulatszám szabályzós kapcsolást 2 motorra. Köszi a választ ha adtok. Gyula A hozzászólás módosítva: Jún 30, 2013
Nem. Ez csak kapcsolni tud, ahogy az adatlap ábráiból is látszik. Ahhoz, hogy fordulatszámot is szabályozni tudjad, mikrovezérlős megoldás szükséges. A motort egy mikrovezérlő vezérli, és hogy hogyan, azt az információt lehet átküldeni az RF, vagy infra kapcsolaton.
Egyébként a téma az RC távirányítós, modellirányítós topikba tartozik, ott kellőképpen ki is lett tárgyalva. A hozzászólás módosítva: Jún 29, 2013
r*endben, köszi a választ.
A hozzászólás módosítva: Jún 30, 2013
Sziasztok,
van arra mód, hogy 3db 433Mhz-es adó modult kössek 1db vevőre? Pl: akármelyik adót aktiválom, a vevőre kötött led bekapcsol. Ha lehet mikrovezérlők nélkül. Köszi.
Lehet több adót, és egy vevőt alkalmazni, ha biztosítani tudod, hogy egy időben egyszerre csak egy adó működjön. Ha egyszerre több adó is működik, a vevő nem fog venni semmit.
Az adókkal egyenszintet (állapotot) nem lehet átvinni. Tehát az adó bemenetére egy kapcsolót, a vevő kimenetére egy LED -et nem lehet közvetlenül kapcsolni. A modulok, csak impulzus sorozatot képesek átvinni, ha már ez így van, akkor érdemes a sorozatba kódot építeni. Ha nincs szükséged tetszés szerinti adatot kódolva átvinni, akkor a mokrovezérlőre nincs szükség. Akkor azonban figyelj oda a modulok kiválasztásánál, mert a korszerű modulok többségét csak mikrovezérlővel lehet beállítani. Az impulzus sorozatot (kódot) előállíthatod céláramkörökkel is, ezek az enkóder - dekóder párosok. Ezek alkalmazásával, mint a játékvezérlőknél is, párosítani tudod az adókat, és a vevőt. Sajnos, ennél egyszerűbben nem megy. Ezekkel megoldhatod, hogy az adó oldalon megnyomsz (bekapcsolsz) egy gombot, és a vevőoldalon a LED jelez.
Köszi a választ.
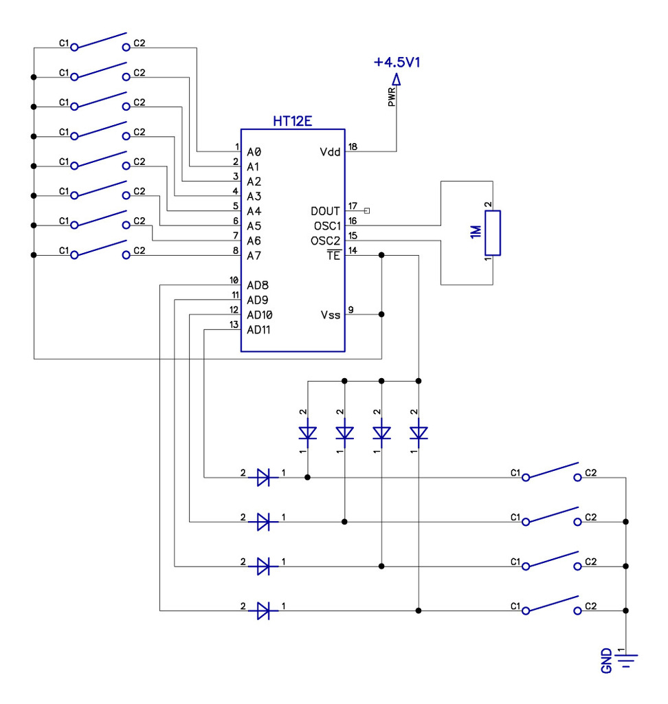
HT12 encoder/decoder párossal már csináltam távirányítót, most azt szeretném megoldani, hogy két adónak egy vevő fogja a jelét.
Mindkét adó enkóderét ugyanarra a csatornára kell hangolnod (A0..A7 lábakon keresztül), mint amelyiken a vevő van.
Azokon a lábakon a címeket kell azonosra beállítanod, mindegyik adónál (enkóder) és a vevőnél (dekóder) is. A modulokat ha szükséges, és lehet ugyanarra a frekvenciára (csatornára) kell állítani. Az egyszerűbbeket nem biztos, hogy lehet állítani, azok mind ugyanazon a csatornán (frekvencián) mennek. Egy frekvencia sávban több csatorna létezik, amelyeket a közepes frekvenciájukkal jellemeznek.
Sziasztok!
Segítségeteket szeretném kérni. Vettem egy Sam RF távirányítót, s nem tudom betanítani a Sam tv-re. Biztosan van típusjele a távirányítónak, de nem tudom melyik az. A tv: 102 cm-es LCD. Hogy tudom betanítani, hogy használni tudjam? A válaszaitokat előre is köszönöm!
Üdv!
Olyan kapcsolásra lenne szükségem amivel kb. 10m távolságból kapcsolva egy ledet kezd villogtatni, a kapcsoló lenyomásáig. Kódolásra nem lenne szükség, egyszerű átjelzés vezeték nélkül. A vevő oldal minimális áramigényű (pl. 1-2 db RC2032) lenne. Tudna valaki egy egyszerű kapcsolási rajzot? előre is köszi a segítségeteket. Idézet: „Kódolásra nem lenne szükség” A kódolás nem egy luxus dolog amit ha gondolod elhagyhatsz. Vezetéknélküli rádiós információ átvitelnél az információt kódolni kell, még akkor is, ha ez az információ egy egyszerű ki be információ. A kódolás nem feltétlenül jelent titkosítást, Valamilyen módon a vevő tudomására kell hozni, hogy figyelj te vevő, küldeni akarok neked egy információt! Ezért van szükség az enkóder dekóder áramkörökre, még akkor is ha látszólag több funkciójára nincs is szükséged. Lehet építeni egyedi enkóder dekóder áramkört ami csak ezt az egy funkciót továbbítja, de ez sokkal bonyolultabb, és nehezebb feladat, és drágább is, minha megveszel egy kész erre a feladatra készített cél IC -t. Kapcsolási rajzot, segédletet találsz akár ebben a topikban is. |
Bejelentkezés
Hirdetés |













