Fórum témák
» Több friss téma |
A kérdésem az, hogy szükségem lenne egy RFID antennákhoz hasonló NYÁK-ba marható antennára 16.4MHz-en és sehol nem találok használható irodalmat, vagy segítséget hozzá. Szeretném, hogy az antenna minél kisebb legyen és minél "probléma-mentesebb"
. Van valakinek ötlete, vagy tapasztalata (pl.:kész rajz) hogyan érdemes hozzálátni? Előre is köszönöm a segítséget.
Az antenna elnevezes teves, a valosagban semmi koze nincs hozza, az csak egy tekercs(induktivitas).
Igy, ha neked valoban antennafunkciokra kell, akkor vagy jo nagy atmeroben gondolkozhatsz egybol, vagy igen gyenge hatasfokban(hatasos magassag). Tehat, mire kell ?
Köszönöm a hozzászólást. Igen, a rádióamatőr múltamból valami rémlik, hogy erre a frekire inkább 18 méteres antennaméret körül kellene gondolkoznom, de amire nekem kell az pont egy RFID alkamazás, kis távolság (0.5-1m) közötti adatátvitel. Az entenna kifejezés valóban téves, de a RFID angolnyelvű dokumentációkban is így emlegetik, így vettem a bátorságot.
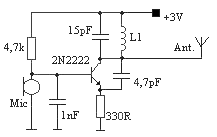
Megpróbálom összefoglalni az igényemet: Egy IC-ből kijövő 16.4MHz-es frekire kellene egy "tekertcs" ami egy másik vevőnek sugározna folyamatosan adatokat, nyáklapra marható forma legyen és ne nyírja ki az IC-t a bekapcsolás után 2 percel . Valahogy így nézzen ki (csatolom) csakhát hogyan kell ezeket a tekercseket méretezni...
Ertem!
Sajnos a meretezeshez tudni kell milyen a vegfok, mennyit bir,... egyszoval a parametereit!! Enelkul barmifele tekercset oda lehet "kepzelni"...
Az mekkora ostobaság, ha veszem a korábban csatolt tekercset, kimaratom, műszerrel megmérem mekkora az induktivitása és a kapott eredmény és a freki ismeretében kalkulálok egy kondit hozzá. Ez így egy rezgőkör lesz, ami elszívja az energiát, de nem tudom, hogy antennaként műköik-e. Amennyire emnékszem
az antenna egy nyitott rezgőkör... Ez most nagyon analfabétára sikeredett... Idézet: „Ez most nagyon analfabétára sikeredett.” Egyeltalan nem!!! Gyakorlatilag ugy van ahogy irod! A valodi antenna az tenyleg egy nyitott rezgokor lenne, csakhogy ahhoz horribilis meretek tartoznak ezen a frekin. Itt ez csak egy induktivitassal(es hozzatartozo kondival) alkotott rezgokor, ahogy sejted, es antennakent eleg szar, tehat valodi elektromagneses hullamokat alig kelt(de azert kelt), ellenben itt az nem is kell, mert ekkora tavon meg induktiv csatolas fog dominalni ezen a frekvencian. Altalaban egy soros rezgokort szoktak alkotni ezeknel a rendszereknel. Igy amit irtal az ugy teljes egeszeben mukodokepes, csak az a kerdes mekkora impedanciat fog kepviselni a rezkogor a rezonancia freki, nem fogja e tulterhelni a vegfokot..., vagy az letud e adni megfelelo teljesitmenyt!?
Természetesen amikor valami kérdést feltesz az ember egy ilyen körben akkor találja meg a legjobb leírásokat. Nem sok téma van RFID-vel kapcsolatban, lehet, hogy valakit még érdekel így megosztom mindenkivel mit találtam. Remélem nem csak nekem lesz a segítségemte. Köszönöm a segítséget. Ha van valkinek hozzáfűzni valója ne fogja vissza magát
.
Szia!!!
Nem pont egy RFID tervem van hanem egy FM hullamhosszon veheto lehalgato terve ! tettem fel kepet is! remelem segitettem!
Téma címe pontosítva. Kérem, hogy a helyesírásra figyeljetek!
Köszönöm, hogy javítottad a címet. Sehogy nem sikerült javítanom a megnyitás után. Ezen a laptopon az ö és az ü fel van cserélve szerencsére...
Zsolti! Nem igazán értem miért tetted fel az FM adó rajzát, de köszi. Sajnos nem segítettél vele Vega55, köszönöm a segítséget megy a pont . |
Bejelentkezés
Hirdetés |




. Van valakinek ötlete, vagy tapasztalata (pl.:kész rajz) hogyan érdemes hozzálátni? Előre is köszönöm a segítséget.
. Valahogy így nézzen ki (csatolom) csakhát hogyan kell ezeket a tekercseket méretezni... 
az antenna egy nyitott rezgőkör... Ez most nagyon analfabétára sikeredett...

