Fórum témák
» Több friss téma |
Szia. Van egy beteg Braviam. Legszivesebben kidobnám. Fél éve a pincében van, csak a helyet foglalja. Ugyanezzel a hibával került hozzám még 4 évvel ezelőtt. Én a káva és az LCD közé egy gumi kapilárcsövet raktam, ami folyamatosan nyomta a flexi kábeleket az LCD hez. Tipus hiba.
Ezzel a megoldással még most is müködik, de a kijelzö kapott 2 félmiliméteres vertikális csikot. Valószinű nálad is néha pirosba megy át az egész kijelző. Nem olvastam amit irtál, de haragszok erre a Braviara, azért irtam le. A vicc, hogy most is egy nagy bráviára irok, mert amit tud a Sony ebbe a kategoriába, az veri az összeset. :thumbup UI. Ingyen vihető amúgy, csak még nem hirdettem meg. Ha valaki mellettem van. amit nemhiszek, akkor viheti. A hozzászólás módosítva: Jan 15, 2019
Sziasztok. Probálkoztam egy Sony Trinitron KV1434M3-ba a STBox video jelét bekötni. Amit csináltam (VidJelBekotes.JPG). Az 500Ohmos trimmert közepállásban és az STBoxot bekapcsolva mikor a TV dugaszát 220V-ba dugtam, valami pukkant
. Az F601 3.1A-es biszosíték jó, de a 3.3Ohmos 10W-os ellenállás megszakadt. Úgy gondolom most elérkezett az ideje kérdezni . Mit csináltam rosszul? Lehet-e így bekötni a video jelet, hogy működjön is (vagy hogyan jól)? Egy PC NTC ellenállással helyettesíthetem-e a kiégett 3.3Ohmost s be merjem e kapcsolni miután visszaállítom az eredeti kapcsolást(visszakötöm a 10K-t - R214)?P.S. Nálam a ~220V helyett ~234V van. Köszönöm a segítséget előre is.
Szia!
Ennek a modellnek nem galvanikusan leválasztott a tápegysége, ezért nem lehet ilyen átalakítást így elvégezni. Szerezz hozzá egy RF-modulátort vagy egy videomagnót a box képének és hangjának átviteléhez.
Köszönöm a választ. Esetleg az ellenállás helyettesítésével kapcsolatban van valami megjegyzésed?
Nincs Euro-Scart csatlakozója egyik készüléknek sem?
Mert a legegyszerűbb és biztonságos csatlakozás az egy Scart-Scart kábellel lehetséges és így a STB még vezérelni is tudja a TV-t. Így belenyúlva egy készülékbe nem lehet jó eredményt elérni, ez kókányolás. Ha nincs megfelelő csatlakozási mód, akkor vagy el kell felejteni, vagy új készüléket kell venni. Ha meg valami pukkant, az semmi jót nem jelent. Ha meg valóban nincs elválasztva galvanikusan a hálózattól a tápegysége, akkor semmit ne csatlakoztass hozzá! - mert ez már így életveszélyes! Tudom ez nem nagy segítség, de nincs sok választási lehetőséged. Üdv!
Szia!
A kis Sony TV-nek nagyon jó képe van, kár lenne eldobni. Sajnos csak RF bemenete van. Megoldottam egy rossz régi video játék (talán Sega - Mario játék ment rajta stb) modulátorával (P~5V*10mA). Az 5V-os tápot is az STB-ból kapja. Elfogasható minőség kerekedett vele. Hála Istennek az NTC beépítése után az élet visszatért a készülékbe (Majd azért teszek bele 3.3Ohmos ellenállást, mert így nem igazán bírná a ki-be kapcsolgatást). Köszönöm a segítséget, üdv.
Sziasztok.
Sony Bravia XF70 smart tv-hez kernek segitseget.. Bar lehet,hogy mas tipusu Bravianal is megvan a jelenseg: Keszulek kikapcsolasa utan kb. 2 perc mulva visszakapcsolja az usb-ket. Kulso Hdd felporog illetve bekapcsol az erositom is mert annak a tapjat usb-s relen keresztul Kapcsolja a tv. Ket perc utan kikapcsolja ...azt nem tudom ,hogy ezutan kapcsolgatja-e mert nem volt turelmem kivarni. Konyveben,neten semmi leiras nincs errol.Probaltam frissiteseket ,energiatakarekos modot ki-bekapcsolni de semmi eredmeny. LG smart tv-n nem volt ilyen jelenseg.
Sziasztok ! Hozzám került egy kidobásra szánt Sony KDL-32S3020-as tv.Megjavíttatni már nem éri meg viszont gyakorolni, ismerkedni szeretnék vele.Az a tippem, hogy csak valami táp hibája van.Hátha a segítségetekkel előbbre jutok és el tudom indítani.
A hibajelenség hogy 220V-ra kapcsolva csak pirosan ég a led és kattanás hallatszik a tápról,de nem kapcsol be. Tudnátok segíteni,hogy melyik alkatrészeket mérjem meg vagy milyen feszültségeket ellenőrizzek ?
Sziasztok!
Van egy KDL-65W857C amin a kép fele teljesen sötét, külső sérülés nincs rajta, tehát nem törés eredménye. Mi lehet a legnagyobb problémája? T-Con?
Szia! T-con, LCD-szalagkábel hiba és bufferhiba is lehet. Bővebben: Link
Köszönöm! Egy T-con használt, tesztelt 35€ körül van, gondolom a szalagkábel sem lehet egetverő, de mi is ez a bufferhiba pontosan?
Általában a T-Conról az LCD felé két szalagkábel megy egy hosszú nyáklapra, amin még van elektronika. Erről a bufferről van még vékonyabb kábelekkel bekötve maga az LCD panel.
Ha jól sejtem, buffer hiba esetén nem javítható?!
Az még javítható. Vannak javítós videók, nézd meg őket.
Sziasztok!
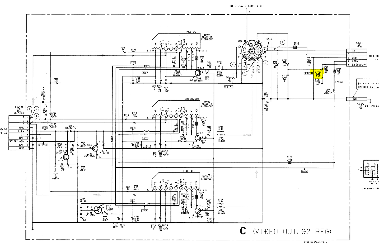
KV-E2961K TV-röl lenne szó. Írtátok többen, hogy a G2 rács potijával lehet szórakozni, ha nem indul a TV. Kicsit tekergettem, ez nem segített, de aztán az eltérítés panelját átforrasztva feléledt a TV. (hibás kondik után kutattam, de mérve mind jónak bizonyult) Félek, hogy ez ideiglenes, meglátjuk. Az lenne a kérdésem, hogy hogyan lehet ezt az RV701-et müszerrel munkapontba állítani? Nem szeretném, hogy feleslegesen folyjon túl sok vagy épp kevesebb áram a kelleténél.
A G2(segédrácsot) úgy érdemes beállítani, hogy a képen a visszafutási csíkok eltünjenek és élvezhető legyen a kép. A fókuszt szintén a legélvezhetőbb élességre.
Sziasztok! Van egy "kis" problémám a Sony KDL50w755c készülékünk, mely 3hete bekapcsoláskor csak fehér háttér fogadott. Vmi demo hang is indul rajta, de kép nincs. Mondták h t-con hiba, rendeltem egy vadi újat, mely most megjött. Kicseréltem, de bekapcsolásra csak "demo" hang van, és sötét fekete képernyő! Mi lehet akkor a hibája? Vagy ez vmi szoftweresen vmi? Nem tudom hol keressem a hibát?! Tudnátok segíteni?
Annyi info még, hogy mondták, valószínűleg a t-con eepromját rakjam át, lehet hogy ez blokkolja a mainbord-ot.
Megcsináltam, de ugyan úgy csak fekete kijelző fogad, és valami demó hang...?
Szóval, a nagy érdektelen segítség esetén megválaszolom maga a megoldást.
A tévé vezérlő alaplapja elszáll egy autómata frissítésben, nem hozza magát helyre! Ezért volt a fehér háttér, és a demó zenélés! De, mivel ez már androidos "okos" tévé, CSAK a hozzá installált tcon-t ismeri fel, hiába cseréltem eepromot benne! Minden lap a tévében imei számmal van összepasszintva! Megoldás: egy sérült kijelzőjű másik tévéből mindent átpakolni! Annyi, hogy a tápvezérlőjét legalább nem kell...
Üdv
Van egy sony kd55a1 oled tv. Bekapcsolás után megjelenik a standby lámpa (fehéren) majd kialszik, ezt 3-szor megcsinálja aztán átvált pirosra és 8-szor villog majd ezt a piros villogást ismételgeti. Mire utal a 8 piros villogás az oled tv-nél? Idézet: „Mire utal a 8 piros villogás az oled tv-nél?” Szerintem hibára. ![]() Idézet: „EIGHT Blinks Problem with the audio (AUDIO), unit goes to standby and blinks the self-diagnosis code. Check IC406 audio amp, PS401 and 402.” Idézet: Jogos, magas labda volt.„Szerintem hibára.” IC406-ot viszont nem találok
Tiszteletem!
Kérem a segítséget az alábbi LED TV-vel kapcsolatban. Ugyan nem Sony-de nekünk majdnem olyan- és Skyline indította a topikot, azaz egy Starlight TV-nk van, ami megadta magát. Jól látható, hogy egy nagy ellenállás ütött át megfelelő fény, és hanghatás után - a hálózati automatát is lecsapta. Van valakinek ötlete, hogy induljak el? Mekkora lehet ennek az ellenállásnak az értéke? Kapcsolási rajzot/értéket honnan tudnék szerezni? Vagy inkább vigyem be a panelt egy szervízbe? Köszönettel: Jenő
Szia!
A panel javítható, bár nem egyszerű eset. Szemlátomást egy csomó (SMD) alkatrész tönkrement. Rajzot nem találsz hozzá. Egyik kicsit eltérő változatát javítottam már. Egyszerűbb, ha rendelsz innen egy működő panelt. A hozzászólás módosítva: Nov 10, 2021
Vagy az eladó panelek fényképeiről esetlegesen leolvasott értékekkel próbálkozol. ( a vásárlás jobb ötlet)
Köszönöm a segítséget!!!
![]() Megrendeltem a panelt (igaz ez nem HE mentalitás, de megalkuvó macskák vagyunk). Viszont, ha megjön, akkor le tudom róla olvasni a kiégett R értékét. Annyi ráfordítást megér a másik, ha attól feltámad. Lesz kettő áramkör )) A vicc, hogy alig használjuk ezt a TV-t, azaz másodlagos monitornak van néha/két három hetente bekapcsolva. Most lett pont 3 éves...tervezett avulás itt is figyel Tanulság: áramtalanítani kell, ha ritkán használjuk, nem elég a standby. Idézet: „Viszont, ha megjön, akkor le tudom róla olvasni a kiégett R értékét. Annyi ráfordítást megér a másik, ha attól feltámad.” Ellenállás csere nem fogja megoldani, több félvezető is zárlatos lett azon a panelen, de ezeket is ki tudod mérni. |
Bejelentkezés
Hirdetés |




. Az F601 3.1A-es biszosíték jó, de a 3.3Ohmos 10W-os ellenállás megszakadt. Úgy gondolom most elérkezett az ideje kérdezni
. Mit csináltam rosszul? Lehet-e így bekötni a video jelet, hogy működjön is (vagy hogyan jól)? Egy PC NTC ellenállással helyettesíthetem-e a kiégett 3.3Ohmost s be merjem e kapcsolni miután visszaállítom az eredeti kapcsolást(visszakötöm a 10K-t - R214)?










