Fórum témák
» Több friss téma |
Computherm Q 7 RF bekötése Junkers Euromaxx ZWC 24-1 MF"A 23 vagy ZWC 28-1.Zárt égésterű fali gázkazánba.
KAPCSOLD KI A KÉSZÜLÉKET ÁRAMTALANÍTS!!! Elektromos kapcsolási rajz szerint: ahová a gázkazán a hálózatba be van kötve (328) L (fázis) csatlakozót rákötöm a vevő egység L csatlakozójára az N (nulla) csatlakozót a vevő N csatlakozójára. Az eredeti vezérlést kösd le a készülékről ez valószínűleg a DC 24 V-os részre van kötve (315) 1-2-4 érintkezők!!!! A szabályozórész bekötése (328.1) csatlakozó a 230 V fűtésszabályozóhoz az (Ls/ Lr hidat ki kell venni) Az Ls csatlakozót a vevőegység No (1). Az LR csatlakozót a vevőegység COM (2)csatlakozójára. ELLENŐRIZD A BEKÖTÉST !!! Kapcsold vissza az áramot. A vezetékek színéről azért nem írtam mert bármi lehet ha nem szakszerűen lett bekötve. Nem vagyok VILLANYSZERELŐ más készülékekhez nem tudok tanácsot adni!! A készülék jó és így bekötve üzemel. Ezért a tudásért végül 15.000 ft. fizettem a szerelőnek.
Sziasztok,
adott 3 db egyforma Wifis termosztát,melyek elektromos padlófűtést szabályoznak. Relés kapcsolás,egy HF115FK típusú 12V DC behúzótekercsű, 16A max áram kapcsolására képes relé van a kimeneten,ami a szőnyegeket kapcsolja. HF115FK Adatlap Létezik esetleg valami megoldás,hogy a relét kiváltsam olyan kapcsolóelemre,ami nem kattog? SSR-re gondoltam,de abból nem találtam a helyére illeszthetőt. Nincs szükség a 16A kapcsolásra, max 5,5 A a legnagyobb szőnyeg fogyasztása. Köszönöm szépen előre is! Üdv Kicsa
Mit jelent a "helyére illeszthetőt"???
Ha a méret a lényeg.. pl a Sharp-nak van pl S202S02, S216S02 stb sorozat. Soros ellenállás kell majd a ledjével sorba... Itt a hestroreban van s01 végű, de inkább zéro cross-ost keress valahol Elektromosan meg kismilliót találni erre az áramra/vezérlőfeszre...
Hello! Szerintem úgy gondolta, hogy simán beülteti a relé helyére..
És nem elfelejteni hogy az ssr kikapcsolt állapotában is picit vezet, nem úgy mint relé, vagyis áramütés veszélye "kikapcsolt állapotban" IS
Igen,köszönöm szépen,úgy gondoltam. Kivenni a relét és a helyére ültetni.
Ha már 5A-nál is hűteni kell külön,az nekem lesz jó,mert nincs rá hely. Illetve ha vezet kikapcsolt állapotban,az sem jó mert folyamatosan fogyaszt. Azt hittem,egyszerűbb ezen egy kicsit fejleszteni de akkor lehet,hogy megpróbálok megbarátkozni vele így.
Sziasztok!
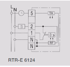
Van egy lecserélésre érett vezetékes fali termosztátunk. Így van bekötve a barna, sárga-zöld és kék kábel (kép csatolva). Szeretnénk lecserélni egy digitális modernebb darabra. Erre gondoltam: Computherm Q7 Jó választás? El tudná valaki mondani hogy hova megy melyik kábel? Előre is nagy köszönettel, Peti A hozzászólás módosítva: Dec 16, 2022
Hello! Megírhattad volna a termosztát gyártóját/típusát, mert én még nem láttam ilyent. Esetleg a doboz belsejében nincs bekötési rajz?
Egy mechanikus Eberle termosztát a mostani, képet csatoltam.
Igazaból barmilyen digitálisra kicseréleném, csak fogalmatlan vagyok a kábelekkel kapcsolatban.
Szerintem nem sokból tart kicsipogni - ha még működik - mit zár rövidre... Lehet még benne egy fűtő ellenállás, amit az újba nem kell bekötni.
A kép alapján, az EBERLE 6124-es termosztát lesz. A bekötés alapján az 1 barna) és 2 (zöld-sárga) vezetéket kell bekötni a Q7 Com és No pontjaira. A kéket el kell szigetelni, vagy kikötni a kazánnál.
De meggyőződhetsz a bekötendő vezetékek helyeségéről, ha minimumra tekered a termosztátot és egy 230V/60W-os próbalámpát kötsz a barna és zöldsárga vezetékpontra. Ekkor a lámpa nem világíthat, a kazán pedig beindul. Ha így van, akkor jó lesz a bekötés.
Elnézést, ha már volt itt kérdés, de így hirtelen nem jövök rá, miért kell egy termosztátba a nullát rákötni egy ellenállásra, pl. MMG termosztát.
Hello! Azért, mert ezzel csökkenti a termosztát a hiszterézisét. (Rá fűt cseppet mikor bekapcsol.)
A hozzászólás módosítva: Dec 16, 2022
"Előfűtésnek" hívják, és a hiszterézist csökkenti. A régi MMG termosztát nagyjából fél fokot tud a nullát bekötve, nélküle akár 4...5 fokot is ingadozik...
Sziasztok. Sanier Duval SRT380f szobatermosztátot kötök be a Sanier Duval kazánba nagymamámnál. Kérdésem az lenne, hogy a leírás szerint a vezérlőt 24V ebus kábellel kell a kazán ebus -/+ csatlakozójába kötni.
Nálam most itthon H03VVH2-F és YSLCY-OZ kábel van. Villamossági boltban adták, szerintük ez jó lesz. A termék leírásában és a kazánba is ott van a jel, hogy 230V kábel áthúzva 24V kábel kipipálva. Elrontani nem akarok semmit, szerintetek nagy hibát követek el ha a fennt említett valamelyik kábellel kötöm be? Kimondott 24V kábel 8 boltban nem volt készleten, illetve mondták, hogy leállt a gyártás valami kábelgyárban, így mostanában nem is lesz. A kazánvezérlést sürgős lenne megcsinálni, mert a falba vésett vezetékes csatlakozást szétbarmolta a lakást felújító brigád, javíthatatlan és nem csőben fut, így nem is tudjuk cserélni. Ezért lett a vezeték nélküli rendszer megvásárolva, szerencsére kazán és a vezérlő közel lesz egymáshoz. A bekötési leírás: Bővebben: Link Köszönöm előre is!
Szerintem rövid távon bármilyen "tyúkbéllel" összekötheted őket, ami éppen akad, nem kell árnyékolt sem, jó oda sima is...
Azokon az MMG termosztátokon, ahol van "éjszakai" állás, ott a "holdacska/napocska" kapcsoló egy szintén a szelence alatt beépített ellenállást kapcsol a nulla és a fázis közé, ami így "becsapja" a termosztátot és éjjel kb. négy fokkal hűvösebb lesz. Ehhez is kell a nulla neki, ezt elfelejtettem mondani az előbb.
Sziasztok!
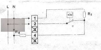
Egy Globinter TT24-es gazkazan MMG termosztatjat szeretnem lecserelni egy Computherm Q7RF-re. Tobb helyen lattam mar az erre vonatkozo tippeket, de arra amire en gondoltam, azt sehol sem talaltam. Az MMG-ben adva van egy bejovo fazis(barna), egy nulla(kek) es egy elmeno fazis vagy kapcsolt szal(zoldsarga). A Q7RF-nek az RF miatt kell egy onallo tap es a fazis+kacsolt szal. A fenykepen mellekelt megoldas szerintetek jol mukodne? Valasztokat elore is koszonom
Szevasztok!
Biztos, hogy a fázist kellene visszakapcsolni? Üdv. M.
Gondolom az MMG is azt kapcsolta, nulla csak a glimhez, meg az éjszakai hőfokcsökkentéshez kellett neki.
Koszonom a megerositest! Tokeletesen mukodott az elkepzelesem
Sziasztok!
Van egy rádiós vezérlésű szobatermosztátom, melyet szeretnék újra használatba venni.Sajnos az időtávlatában nem emlékszem a bekötésére. Tud valaki segíteni ebben? Köszönettel
Hello! Így, hogy semmit nem tudni a típusáról, meg nem tudni mihez kötnéd be és nem látszik a bekötés, elég nehéz segíteni. Max az tud, akinek van ilyen termosztátja..
SALUS T105RF az egyik alteregója ennek a termosztátnak...
Ez nem egy sima kapcsoló? Szerintem ha beköti a szivattyú áramkörbe működni fog. Persze a beállításáról fogalmam sincs.
Köszönhetően Uniman-nak, így már tudható a bekötése..
T105-RF
Magyar keírása is van. (Emos T105VF néven is "fut"...)
A hozzászólás módosítva: Dec 23, 2022
Moderátor által szerkesztve
|
Bejelentkezés
Hirdetés |



















