Fórum témák

» Több friss téma
Fórum » Sztereó DAC
 
Témaindító: meszattila, idő: Ápr 10, 2007
Témakörök:
Lapozás: OK   13 / 99
(#) gb197 válasza saraha hozzászólására (») Aug 4, 2010 /
 
Nem néztem át tüzetesen az ic adatlapját, de az gyanítom, hogy a 100mA-es üzem valójában a pc portot védi a túlterhelés ellen. A ic felvett árama pedig a hangszóró terhelésétől /ohm számától/ függően változhat. Azt nem sejtem mennyiben befolyásolhatja a kimenet minőségét a két beállítás, azért lehet jó hangja az icnek, katagóriájához képest akát 100mA -es üzemben is.
(#) saraha válasza gb197 hozzászólására (») Aug 4, 2010 /
 
Igen, pont azért kérdeztem mert én nem érzek semmi különbséget hangzásra a két beállítás között.
Viszont lenne még mit tökéletesíteni rajta mert a hálózati anomáliákra érzékeny.
Pl:a hálózatban valamely indukciós visszahatásra azonnal tilt.Erre is van ötleted?Gondolom a tápággal kéne valamit variálni.
(#) saraha hozzászólása Aug 6, 2010 /
 
Ebbe az ALU dobozba teszem majd bele.
A GND mehet itt a dobozra vagy inkább szigeteljem el?
(#) gb197 válasza saraha hozzászólására (») Aug 6, 2010 /
 
Én biztosan a digitális jelföldet rákötném az alu házra , a hangfrekis kimenet gnd pontját pedig kiszigetelném a fémháztól. Biztos ami biztos , így nem hurkolódhat.
(#) saraha válasza gb197 hozzászólására (») Aug 6, 2010 /
 
Rányomattam a házra próbaképpen de nagyon jó így is,semmi zaj úgyhogy marad így.usbdac
Azt hiszem nekiállok mégegyszer a 24/192-esnek.
(#) klemo86 hozzászólása Aug 8, 2010 /
 
Üdvözletem!
Szeretnék építeni egy DAC-ot PCM1798-cal, ehhez kellene valami rendes USB-s codec, valami hasonló kvalitású. PCM2902-nél jobb minőségű… Átlátom már kb a dolgokat, és még olvasgatok róla, de kapcsolásokat nem igazán találtam még róla Köszönöm előre is a segítséget!
(#) saraha válasza klemo86 hozzászólására (») Aug 9, 2010 /
 
USB-s PCMxxxx-be nem hiszem,hogy találsz sokkaljobb kvalitású eszközt.

DAC.pdf
    
(#) klemo86 válasza saraha hozzászólására (») Aug 9, 2010 /
 
Én konkrétan a 2902-nél kerestem volna valami jobbat, de akkor nem keresgélek tovább Nagyon szépen köszönöm a rajzot, sokat segítettél! Koaxiális és optikai bemenetet hogy lehet rá "faragni"?
(#) klemo86 hozzászólása Aug 11, 2010 /
 
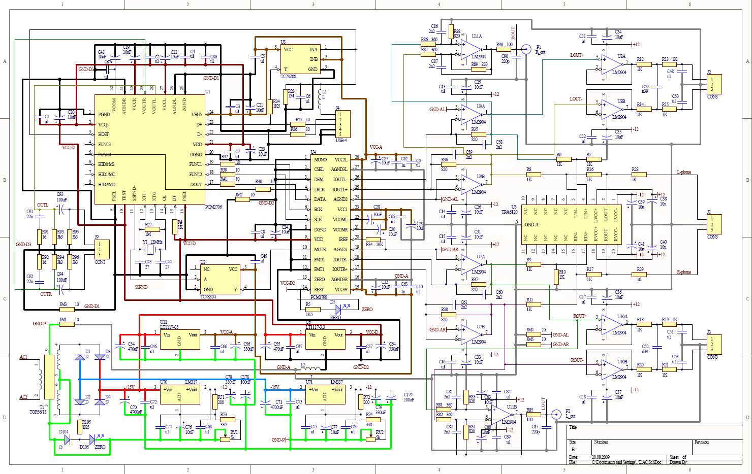
Nos, jól értelmeztem a rajzot?
A 2706 analóg kimenete ki van egyszer hozva J9-re.
A 1798 Data (pin 5) bemenetére én direktben akaszthatok egy koax digi bemenetet? Van itt még egy 14-es "REST" láb, aminek VCC-D2-re kéne menni, de olyan nincs csak ez az egy az egész rajzon… Az gondolom mehet D1-re.
Az analóg kimenetei mennek egyszer a füles-erősítőre (J1 kimenet), aztán egy aszimmetrikus kimenetre R_out és L_out formájában, valamint J2 és J3 szimmetrikus kimenetre (ahogy berajzoltam)? Ha így van, annak örülök

DAC.jpg
    
(#) Slope válasza klemo86 hozzászólására (») Aug 11, 2010 /
 
Idézet:
„A 2706 analóg kimenete ki van egyszer hozva J9-re”

Igen!

Idézet:
„A 1798 Data (pin 5) bemenetére én direktben akaszthatok egy koax digi bemenetet?”

Nem, ugyanis az PCM bemenet, pl. I2S.

Idézet:
„Van itt még egy 14-es "REST" láb, aminek VCC-D2-re kéne menni”

Szerintem az GND-D2.

Üdv!
(#) klemo86 válasza Slope hozzászólására (») Aug 11, 2010 /
 
Értem, akkor van nekije egy olyan IC digitális bemenethez, ami pl az optikai bemenetet is tudná, illetve ha nem egy, akkor kettő, és annak a kimenetével mehetnék rá a 1798 Data bemenetére…
A 14-es "REST" lábán a jelölés ne tévesszen meg, az előző hozzászólás pdf-jét rajzoltam át, hogy könnyebben átlátható legyen, minden csatlakozási pontot így jelöl, a plusz tápot is
És akkor a kimenetekről az elképzelésem is jó?
Köszönöm a segítséget, ahogy lesz rávalóm, bele is vágok, sokat tanulmányoztam a kész DAC-okat neten
(#) gb197 válasza klemo86 hozzászólására (») Aug 11, 2010 /
 
Üdv!
Szerintem ez a kapcsolás nem igazán oldja meg a problémádat, mert a 2706 nem támogatja és nem is továbbítja a 24bit / 96kHz-es jelet az i2c buszra. Olyan hatalmas minőség változást pedig nem hoz a 1798, hogy érdemes legyen vele foglalkozni, pláne mert nagyon bonyolult az áramkör ( és ha jól tudom talán senkinek sem sikerült még a pcm17xx DA elindítani itt a fórumon) ...
(#) Slope válasza klemo86 hozzászólására (») Aug 11, 2010 /
 
A lényeg, hogy a digitális és analóg tápokat ne keverd össze. Nyugodtan kösd a digitális Vcc-re a kimeneti teóriád pedig jó.

A DAC bemenetére egy SPDIF konverter szükséges, ha koax, vagy optikai jelet akarsz feldolgozni vele. Ilyen pl. DIR9001, vagy a CS8414. Utóbbit használtam is már CDROM TTL kimenetéről, nem volt gond vele.

DAC-nak én mondjuk biztos multibitest használnék, bár ez a "current segment DAC" megnevezés nem tudom pontosan milyen eljárást takar. Egy delta-szigmánál biztos jobb...
(#) klemo86 válasza Slope hozzászólására (») Aug 11, 2010 /
 
Köszönöm szépen mindenkinek! Nem mondtam, hogy pont ezt fogom megépíteni, ezt alaposan áttanulmányoztam ahhoz, hogy akár ezt, akár másikat össze tudjak hozni úgy, hogy normális legyen… Remélem De belefolytam, és valami alap tudással fogok tudni belevágni Köszi mégegyszer!
(#) saraha hozzászólása Aug 11, 2010 /
 
Ma délután volt alkalmam meghallgatni egy gyári INTEGRA típusú DAC-ot.PCM 1795 (32bit) volt a lelke.
A belseje nagyon bonyolult, nem fehér embernek való.Az érdekes,hogy vannak benne BB,AD és CS chip-ek is.
A hangja csúcsminőségű volt,igaz a rendszer is elég jó volt.
(#) abcdabcd válasza klemo86 hozzászólására (») Aug 11, 2010 /
 
A PCM2906hoz elvileg nem kell spdif vevő ic (dir9001/cs8414...) A 'DIN' lába az spdif bemenet a DOut pedig a kimenet elvileg így: Bővebben: Link 4. oldal...
(#) klemo86 válasza abcdabcd hozzászólására (») Aug 11, 2010 /
 
Ahha, látom! Az a baj, hogy ez az IC nekem kevés, a hangkártyám többet tud, valami komolyabbat szerettem volna, még keresgélek, hátha találok valamit…
Köszi az infót!
(#) abcdabcd válasza klemo86 hozzászólására (») Aug 11, 2010 /
 
Nemtudom milyen hangkártyád van, de én valahol régebben láttam egy egész jól megépített kapcsolást, valamelyik usb-s pcmxxxx ic-vel egy kis fadobozt fabrikáltak neki az alján külön kamrában egy toroidos táp felül a dac és rmaa mérésben egészen egyenletes átvitelt produkált, illetve talán mindegyik kategóriában "Excellent" minősítést kapott... Hacsaknem 48Khz-nél nagyobb mintavételű felvételeket szeretnél hallgatni...
(#) klemo86 válasza abcdabcd hozzászólására (») Aug 12, 2010 /
 
Erre csak azt tudom mondani, hogy a legjobb tudásom szerint építenem kell, és sok-sok mérést csinálni, hogy mi is a helyzet… Én nem a legszebben megépített cuccot hallottam, valahogy nem tetszett annyira… Jelenleg sajnos egy integrált van, aminél bármi jobb lenne gyakorlatilag Régen egy vén ESS volt…
(#) gb197 válasza klemo86 hozzászólására (») Aug 12, 2010 /
 
A problémádat a TI. TAS 1020 és PCM17xx tudja megoldani professzionális módon...
(#) klemo86 válasza gb197 hozzászólására (») Aug 12, 2010 /
 
Ohh, ez tényleg professzionális Tanulmányoznom kell, kicsit a nyakamba zúdult ez a hatalmas pdf :zavart2: A holnapi napom talán elég lesz rá Köszi szépen!
(#) gb197 válasza klemo86 hozzászólására (») Aug 12, 2010 /
 
Szívesen.
Sok sikert hozzá.
(#) klemo86 válasza gb197 hozzászólására (») Aug 12, 2010 /
 
Kelleni fog
(#) Slope válasza gb197 hozzászólására (») Aug 12, 2010 /
 
Azért nem tudom mitől professzionálisabb a TAS1020, 9 éves fejlesztés 8051-es maggal. Egyébként pedig amit max. tud "48 kHz sampling rate with 24 bits per sample".
Most akkor ez mitől jobb?
Elsősorban a DAC adja a hang karakterét, nem a kodek (pláne, ha nem USB tápról megy).
(#) laci6662 hozzászólása Aug 12, 2010 /
 
Úgy láttam nincs még ADC-es topik, újat pedig nem akartam miatta nyitni:
Egy sztereó ADC építésén töröm a fejem, ki is néztem a PCM1807, vagy a PCM4202-es IC-k valamelyikét (még nem tudtam dönteni melyik is lenne előnyösebb) egy DIT4192-es transmitter IC-vel, de egy jó pár dolog még nem tiszta előttem, ezekben kérném segítségeteket.

A PCM és a DIT szerintetek összehozható egymással?
Mármint a PCM kimenetei rendesen vannak elnevezve (LRCK, BCK, DATA) az nem tiszta, hogy a DIT bemeneteit miért nevezték el másképpen (SCLK SYNC SDATA)?

A másik kérdésem pedig, hogyha jól láttam az adatlapokba ezeknek szükséges még egy külső órajelgenerátor is, vagy nem jól értelmeztem?

Üdv: Laci
(#) Slope válasza laci6662 hozzászólására (») Aug 13, 2010 /
 

Szerintem az ADC megérne egy külön topikot, de ezt rád bízom (vagy egy modira...)


A felvázolt PCM-DIT felépítés működőképes lehet. Természetesen külső órajelre szükség van.
Ajánlom az alábbi linken lévő dokumentum áttanulmányozását!

PCM4222EVM
(#) laci6662 válasza Slope hozzászólására (») Aug 13, 2010 /
 
Köszi a segítséget, ez már jó kiindulópontnak

Itt úgy látom 2 kimenetet is csináltak rá, 2db DIT-el, de gondolom 1 kimenet is megoldható, és akkor elhagyható az U11 (SN74ALVC245), így összeköthető közvetlenül a DIT a PCM kimenetével, vagy rosszul gondolom?

Van itt még DSD, meg Modulator kimenet is, gondolom szintén is elhagyhatók az átlag felhasználó számára, ezzel is egyszerűsödne sokat a dolog.

Itt kristály oszcillátorokat használnak a master clock generálásához, a PCM1807 adatlapja viszont PLL170x IC-vel javasolta az órajel generálást, szerinted melyik a jobb megoldás? (Gondolok itt arra pl. hogy mennyire beszerezhető nálunk egy ilyen kristály oszcillátor?)

Üdv: Laci
(#) Slope válasza laci6662 hozzászólására (») Aug 13, 2010 /
 
Igen, megoldható 1 kimenettel is.
A SPDIF adó lenne itt is a master, az ADC pedig a szolga. A DIT csipnek kell órajel, a többiről az szerintem gondoskodik.
Valószínű, hogy ilyen oszcillátort nem lehet beszerezni, de építhető, sőt mintha tuning oldalakon láttam volna ilyeneket. Szerintem érdemes megnézni ezt a PLL oszcillátort is, ha beszerezhető (a kisebb jitter miatt se rossz választás).
(#) saraha hozzászólása Aug 23, 2010 /
 
Sziasztok.
Mostanában csinálgattam jó pár USB DAC-ot PCM 2704,05,06,07 PCM 2900,02
Szóval valaki írta,hogy neki a 29-es széria nem tetszett mert mert cicegett meg kevés volt a mélye.Ezt rögtön meg is cáfolnám(szubjektív megítélésem alapján) mert az általam próbált codec-ek közül a 2900-ás erősen jobb minden szempontból a többinél.
(#) Moderátor hozzászólása laci6662 hozzászólására (») Aug 23, 2010
 
Szerintem nyugodtan nyiss egy ADC-s topikot. Ha megnyitod, írd bele az első hozzászólásba, hogy Norberto engedélyével, nehogy ki legyen törölve, áthelyezve máshova, stb.
Következő: »»   13 / 99
Bejelentkezés

Belépés

Hirdetés
XDT.hu
Az oldalon sütiket használunk a helyes működéshez. Bővebb információt az adatvédelmi szabályzatban olvashatsz. Megértettem