Fórum témák
» Több friss téma |
na megnéztem azt, amit anno én csináltam..
R23-as legyen 10kohm, R22-es 22kohm C15, C16 ok! Ja és az említett 2 kondi 50V-os?
oks akor megprobalom kicserelni ezekre, de sajnos nemlessz ottohon, de azért megnézem hátha kitudom termelni valamibol....
esetleg képet nem tudsz felrakni?
sőtt még nagyobb is 63Vos
hát csak egy 640x480as képet,de holnapra szerzek egy használható fenykepezőgépet es azzal megoldom. addig is köszönöm mindenkinek az eddigi segítségeket
kicseréltem az ellenállásokat, de ígysem megy
![]() A 9es lábán ígyis csak -1.8V ot mértem, ezért párhuzamosan bekötöttem még párat, és így a 9,10es lábon is van 5V köruli fesz. De még mindig nemmegy ![]() lefényképeztem azért van 2GND mert az egyik a potenciómeterek árnyékolásához megy, a 22K ellenállást pedig úgy termeltem ki ezért csak a NYAK masik felére fért oda A képeket Legközelebb, NE RAR-ba rakjad fel, hanem TÖMÖRÍTETT JPG-be. Köszönöm! Szabi83
Hali!
Sajnos rossz hírem van! Fordítva van a nyák! Sajnos valami ilyesmire gyanítottam. Szóval csinálnod kell egy másikat, és reménykedni, hogy az ic még jó.
áááááá
Fordítva? az meg, hogy lehet? Akkro tükröznöm kell és úgy kinyomtatni majd rávasalni? nemtudnál küldeni, egy olyan képet amit csak elég kinyomtatni (méretileg passzol)? lehget sprint layout formatumú is. És azt nemlehet valahogy megállapítani, h még működőképes-e az IC? THX
Igen, tükröznöd kell!
Képet inkább nem küldenék, hisz úgyis megvan neked, csak tükrözzd, de ha nem vagy benne biztos, hogy jól csinálod-e, akkor tükrözés után küldj egy képet. Hogy működik-e az ic, az akkor derül ki, ha beépíted. De lehet, hogy szerencséd lesz.
Ez így jó?
És még egy kérdés ezt hogy fogom tudni rákötni a házimozim Sub kimenetelére?
Hát igen!
Most nézegettem én is! A te általad beküldött példány alapján már könnyen látni hogy fordítva van!!! Megesik... szerintem az IC-nek sem lett baja... Mert akkor lehet, hogy elpukkant volna, vagy kifolyt volna belőle a fekete trutyi! Akkor jó a nyomtatás, ha a papírra, a rajzolatra el tudod helyezni az alkatrészeket. Tehát az IC lábak a megfelelő helyre kerülnek, a megfelelő alkatrészek kötődnek hozzá! Ergó: a kinyomtatott példányon neked a kapcsi beültetési rajzát kell látnod, csak persze alkatrészek nélkül!!! Még annyit jegyeznék meg, hogy ha így terpesztenek az IC lábai (nekem is ilyen) akkor vigyázni kell, hogy nehogy összérjenek... mert az egyik helyen elég közel vannak egymáshoz! Jaah meg annyit, hogy a vasalás miatt az eleve is vékonyka vonalak (vezetősávok) miatt még vékonyabb lesz a nyákon, akár meg is szakadhat! Úgyhogy legözelebb nyugodtan vastagítsd meg a vonalakat! :yes: Jaah az utolsó kérdést nem értettem... Peti
Igen ezt nyomtasd ki, és úgy vasald.
De tényleg lehetnének egy kicsit vastagabbak azok a vonalak. Esetleg vasalás után, ahol nem elég jó a rajzolat, egy alkoholos filccel rájavíthatsz. Sok sikert! (Azért majd jelezz, hogy mi az ábra.) Ja mégvalami, vasalás után hasonlítsd össze az általam megadott (tükrözött) képpel, és ha azt látod a panelon is, akkor ok!
Sziasztok!
én találtam a neten egy kapcsolást amivel a tda 7294-es ic-ből 2ohm-on 250w-ot lehet leadni nem to menyire igaz de azárt felteszem ha valaki megépitette az legyen szives szolni ide a fórumba. A válaszokat előre is köszönöm! Íme itt a rajz (csatolom a nyáktervet amit sprint layout 4.0-val készitettem)
drhati "tervezte" a kapcsolást..
nemrég keresett egy 200-300W -os erősítő kapcsolást, én írtam neki, ezt a tda + két tranyósat amit ő maga "tervezett", de elfelejtett válaszolni.. kiáncsi lennék, mért nem válaszolt és vajon megépítette?
Hello! azt hiszem, írták, hogy paintben megrajzolt kapcsolást megépíteni felejtős...én sem bíznék benne.meg keveslem az alaktrészeket az ic és a tranzisztor körül.az adatlapban található, legegyszerűbb kapcsolásban is sokkal több kiegészítő alkatrace található! De,ha működik, akkor azt meghallgatnám!
Ok, akkor a tda-mmal
Hello!csinálta már valakinek ezt a hibát a tda7294: hallgatom a zenét halkan,és egyszer csak elkezd röcsögni meg úgy szól,mintha valami nagyon nagy gáz lenne,aztán ha felhangosítom a hangerőpotit, rendesen szól. lehet az a baja,hogy a mute kapcsoló egy-az-egyben adja az icnek (kondi és ellenállás) a +21voltot meg a földet?köszi!
Hello!
Van valakinek tapasztalata azzal kapcsolatban,ha +-29,4voltot kap az ic és 8 ohmmal van terhelve? mert adatlap szerint így eléggé a határokat feszegetem....(ez csak sima stereo üzemódban) Hidalni is szeretném: +-25voltra azt javasolja az adatlap a 8ohmot, +-35-re pedig a 16ohmot... hallottam olyat,hogy valaki nagyobb tápfesszel hajtja az ic-t és semmi baja sincs...elvileg van benne feszültség ellenőrzés,és ha túl nagy fesz kerül az ic-re, akkor kikapcsol? +-29,4voltra próbált már valaki 8ohmos hangfalat rakni? Van tapasztalata valakinek arról,hogy mit csinál az ic nagyobb feszültségnél? Köszi!
Ha megnézed az adatlapot a +-40V-ot visel el az IC.
29V-nál nem lehet baja hagyományos üzemben. Amúgy azt írja hogy nem hidalt üzemben 4ohmon max 29V-ot kaphat. Én hajtottam 34V-ról 4ohmos hangfalat, semmi baja sem lett tőle. Van benne egy kis védelem...talán.
És szerinted mi lehet a következménye, ha +-29voltot kap (+-25 helyett) és 8ohmmal terhelem(ami csak +-25voltnál megengedett...).
És pl. 25%-os kivezérlés mellett lemehetek a hangfal impedenciájával?Tehát csak teljes kivezérlés mellett lehet neki halálos a kisebb impedencia, vagy még halkan hallgatva is elpukkanhat az ic?
Ha most nem hidalt vezióról beszélsz akkor símán mehetsz +-29Vra 8ohmmal(gyakorlatilag +-40V a vége). De szerintem a hidaltnak is el kell bírnia. Ráadásul van az IC-ben túlterhelés és zárlatvédelem. Jóformán elpusztíthatatlan. (kivéve ha ukrán gagyi az az IC amit lehet szerezni a boltokban)
Hali!
+/- 10V és +/- 40V között bármilyen feszről megy. 4 és 8 ohm közötti hangszóróval nyugodtan használhatod. A feszültség és a hangszóró impedanciája csupán a kivehető teljesítményt befolyásolja. Tehát a határértékeken belül nyugodtan használhatod, (de a határokat tartsd be!!) csupán a teljesítménye lesz más. ui: ez a normál használatra vonatkozik, nem a hídkapcsolásra. Hidkapcsolásnál a hangszóró impedanciája ne legyen kevesebb 8 ohm-nál!
Köszönöm a válaszokat!
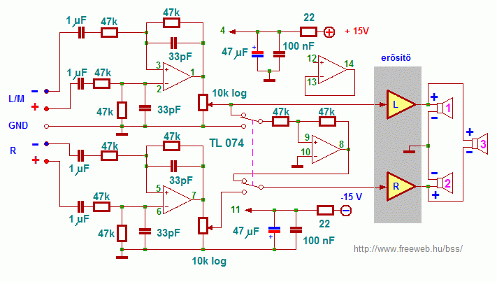
Lenne egy rajzom a bss oldaláról: lásd melléklet. Elmagyarázná nekem valaki,hogy miért van 5db bemenete a kapcsolásnak?melyik mire szolgál? Köszönöm!
az ne zavarjon hogy ott a gnd neked csak a + és - kell mint jobb és bal(elég érdekes szerintem így jó ahogy mondom
)Amúgy ha elolvasod ezt topikot van nyákterv és rajzis hidalt változathoz és akkor ezt megse kell építened Idézet: „...szerintem így jó ahogy mondom...” Szerintem nem jo ugy ahogy mondod. A GND mindenkepp szukseges, hisz az a referencia pont a hangfrekis jelnek (akar szimmetrikus akar asszimetrikus a jelunk). De a lenyeg, hogy sztem az a belinkelt kapcsolas eleg zavaro lehet pontosan a mindket csatornanal feltuntetett + es - (szimmetrikus) bemenetek miatt illetve a monositast nem ugy illik megoldani, hogy csak az egyik csatorna jelet vezetjuk mindket csatornara. Persze igy egyszerubb, de mi lesz akkor a masik csatorna jelevel??? En inkabb ezt ajanlanam hidalashoz. Ket kapcsolas van feltuntetve az oldalon, mindketto megfelelo es egyszerubb, vilagosabb mint a bss-en feltuntetett kapcsolas. Ha vkinek segitseg szukseges a megerteshez, akkor szoljon!
Köszönöm szépen a linket!ha valamit nem értek,majd szólok!
Gery: azért így akarom hidalni, mert így választani lehet a 2*70w és 1*140w -között! és ez a lényeg! Köszi
hello!olvastam egy könyvben, hogy a hangszóró előtti kondival megakadályozható,hogy a kimenetre dc kerüljön.mekkora kondi lenne jó tda7294-hez? valamilyen hangminőségbeli romlást észre lehet venni? Ha dc kerül a kimenetre, akkor rövidzár,vagy szakadás keletkezik?tehát az ic-re nézve mennyire káros? (oké,hogy van benne rövidzárvédelem,de csak káros valamennyire.vagy nem?) Köszönöm!
Heló
A hangszóróval sorosan kapcsolt kondi soros LC szűrőként viselkedik, aminek az lesz az eredménye, hogy eltűnik a zenéböl az összes mély (kondi értéktől függ, hogy milyen freki alatt vág) Elméletben helyes az elgondoloás, de ezt csak ohmos ellenállás esetén érdemes alkalmazni, pl.:erősítő bemenete. A kimeneti DC ellen nem az erősítőt kell védeni (ha DC kerül a kimenetre, akkor az az erősítő meghibásodásábol adódik) hanem a hangfaladat. Mert amíg váltakozó feszültség kerül a hangszóróra, addig nem melegszik, hanem szól, de ha DC kerül rá pl egy 4 ohmos hangfalra, +-35V-os tápfeszű erősítő esetén P=U*I hőteljesítmény keletkezik a hangszóró tekercsén. I=U/R-ből kiszámítható az áramerősség: 8,7A, ami 306W fűtőteljesítményt jelent.(annyira melegítene, mint egy 300W-os rezsó). Namost ebből te annyit veszel észre, hogy kiugrik a menbrán, vagy behúzódik, és jobbik esetben csak füstöl, roszabb esetben kigyulladhat a hangszóró. A DC figyelő áramkör egy relé segítségével megszakítja a hangszóró, és az erősítő közötti kapcsolatot, így nem sérülhet meg a hangszóró. Tehát ettől nagyon kell védeni a hangszórót, mert ÁLTALÁBAN ha túlmelegszik az erősítő, és nincs biztosíték a táp ágban, akkor a két végtranyó közül az egyik eldurran, a másik vezet, és így kerül ki a DC a hangszóró kimenetre, én ezért még akkor sem hagyom el a DC figyelő áramkört, ha legelőször meghajtom az erősítőt, mert akkor fokozottan fenn áll az esélye az erősítő meghibásodásának. (jó hosszú lett, ha van még kérdés, akkor válaszolok)
Köszönöm a kimerítő választ,sok minden újdonságot megtudtam.... könyvben ez áll: minél nagyobb a frekvencia és a kondi kapacitása,annál kisebb az ellenállása.
ha valahol frekvenciát vágna a kondi ,akkor vele párhuzamosan kötve egy más méretű kondit a vágott frekvencia is átmenne. Természetesen tudom,hogy legnagyobb probléma az, h a hangszóró szétég, de azért az erősítők nem annyira szeretik a kimeneti rövidzárat (ha esetleg ezt okozná a dc feszültség a kondival), ezért kérdeztem. Ismerem a koppanásgátlót, meg az egyenfeszfigyelő áramkört,csak így egyszerűbb lenne (mondjuk csodálkoznék,ha igazam lenne, és én találnám fel a legolcsóbb koppanásgátlót... azért egy próbát megér. pl. a tda 2030 adatlapjában van kondi a hangszóró előtt,és szépen is szól.legelső kép, 2000µF-os kondi a hangszóró előtt.)Köszi |
Bejelentkezés
Hirdetés |












)
azért egy próbát megér. pl. a tda 2030 adatlapjában van kondi a hangszóró előtt,és szépen is szól.




